Контроллеры myCNC
- niksooon
- Мастер
- Сообщения: 2144
- Зарегистрирован: 23 июн 2014, 23:18
- Репутация: 1207
- Откуда: Кашира
- Контактная информация:
Re: Контроллеры myCNC
Впрочем специально для тебя я нашел на домашнем компе свой М 138
G90 G10 L80 P60002 Q1
;G10L80 P7391 Q0
;G10L80 P7392 Q0
;G10L80 P7393 Q0
M133 (Z)
;M134 (A)
M132 (Y)
M131 (X)
G4P1.5
G90 G10 L80 P60000 Q1
G10 L80 P9200 Q1
G10 L80 P9201 Q1
G10 L80 P9202 Q1
последние три строки как раз и обнуляют показания линеек по осям . у меня правда контроллер ет- 7 и возможно что что-то не срастется с твоей десяткой......
кароч сделай так - в MDI забей G10 L80 P9200 Q1 и выполни ,если показание линейки станет 0, то тебе повезло......
G90 G10 L80 P60002 Q1
;G10L80 P7391 Q0
;G10L80 P7392 Q0
;G10L80 P7393 Q0
M133 (Z)
;M134 (A)
M132 (Y)
M131 (X)
G4P1.5
G90 G10 L80 P60000 Q1
G10 L80 P9200 Q1
G10 L80 P9201 Q1
G10 L80 P9202 Q1
последние три строки как раз и обнуляют показания линеек по осям . у меня правда контроллер ет- 7 и возможно что что-то не срастется с твоей десяткой......
кароч сделай так - в MDI забей G10 L80 P9200 Q1 и выполни ,если показание линейки станет 0, то тебе повезло......
Сделанное правильно — красиво. Если сделанное тебе не нравится — то и работать оно будет хреново. Перевари, пересверли, выпили заново — ну, или хотя бы покрась.
- niksooon
- Мастер
- Сообщения: 2144
- Зарегистрирован: 23 июн 2014, 23:18
- Репутация: 1207
- Откуда: Кашира
- Контактная информация:
Re: Контроллеры myCNC
позволь спросить ,а как-ты это в ручную делаешь с видео или картинками желательно пояснить...........
Сделанное правильно — красиво. Если сделанное тебе не нравится — то и работать оно будет хреново. Перевари, пересверли, выпили заново — ну, или хотя бы покрась.
-
error101
- Новичок
- Сообщения: 39
- Зарегистрирован: 14 май 2013, 15:04
- Репутация: 5
- Настоящее имя: Макс
- Откуда: Москва
- Контактная информация:
Re: Контроллеры myCNC
День добрый.
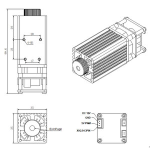
Кто-нибудь подключал диодный лазер с али к контроллерам MyCNC? Если конкретнее, то к Et10.
Питание 12в и TTL 5в на управление (я так понимаю это управление мощностью путем подачи 0-5в).
Такое чувство, что на форуме MyCNC была тема, но форум недоступен, а сам побаиваюсь экспериментировать.
C питанием понятно, а вот откуда 5в, чтобы управлять мощностью и включением\выключением?
Кто-нибудь подключал диодный лазер с али к контроллерам MyCNC? Если конкретнее, то к Et10.
Питание 12в и TTL 5в на управление (я так понимаю это управление мощностью путем подачи 0-5в).
Такое чувство, что на форуме MyCNC была тема, но форум недоступен, а сам побаиваюсь экспериментировать.
C питанием понятно, а вот откуда 5в, чтобы управлять мощностью и включением\выключением?
-
MiG77
- Мастер
- Сообщения: 235
- Зарегистрирован: 16 фев 2020, 22:02
- Репутация: 20
- Настоящее имя: Головкин Михаил Валентинович
- Откуда: Речицы
- Контактная информация:
Re: Контроллеры myCNC
Спасибо за файл, набил вручную. Все заработало. Сделал видео по загрузке и хомлению. Немного поясню по неготовности серв сразу, у меня пока не работает обратная связь по линейкам. Когда пойму как решить эту проблему, тогда не придется активировать сервы вручную.
https://www.youtube.com/watch?v=6q5F_iJLgLg
Последний раз редактировалось MiG77 21 ноя 2022, 16:24, всего редактировалось 1 раз.
- niksooon
- Мастер
- Сообщения: 2144
- Зарегистрирован: 23 июн 2014, 23:18
- Репутация: 1207
- Откуда: Кашира
- Контактная информация:
Re: Контроллеры myCNC
ну вот другое дело , макрос М138 полагаю что нашелся....... 
Сделанное правильно — красиво. Если сделанное тебе не нравится — то и работать оно будет хреново. Перевари, пересверли, выпили заново — ну, или хотя бы покрась.
-
MiG77
- Мастер
- Сообщения: 235
- Зарегистрирован: 16 фев 2020, 22:02
- Репутация: 20
- Настоящее имя: Головкин Михаил Валентинович
- Откуда: Речицы
- Контактная информация:
Re: Контроллеры myCNC
И снова здравствуйте
Цитата из Вики Сергея:
Сервопривод с 2500 импульсами на оборот,
Используются электронные шестерни "1" и шариковый винт 5 мм.
Линейный энкодер с разрешением 1 мкм используется в качестве обратной связи.
=> ((A)) Импульсы на единицу измерения составляют (2500 * 4) / 5 = 2000 импульсов на мм
Исходное разрешение линейного энкодера (1 мкм) составляет 1000 импульсов на мм, необходимо установить
множитель на "4" и делитель на "1", чтобы получить соотношение результатов
4/(2^1)=4/2=2 и
=> разрешение кодировщика результатов равно 1000* 4/(2^1)=2000 импульсов на мм (что равно ((А)))
Интересует подчеркнутая фраза. Энкодер 1мкм 1000 импульсов на мм. Откуда такое значение? Облазил весь интернет, не нашел. Интересует по линейке SINO. Есть только данные 50 штрихов на мм или цена деления 0,02.
Так сколько импульсов то у линейки SINO?
Цитата из Вики Сергея:
Сервопривод с 2500 импульсами на оборот,
Используются электронные шестерни "1" и шариковый винт 5 мм.
Линейный энкодер с разрешением 1 мкм используется в качестве обратной связи.
=> ((A)) Импульсы на единицу измерения составляют (2500 * 4) / 5 = 2000 импульсов на мм
Исходное разрешение линейного энкодера (1 мкм) составляет 1000 импульсов на мм, необходимо установить
множитель на "4" и делитель на "1", чтобы получить соотношение результатов
4/(2^1)=4/2=2 и
=> разрешение кодировщика результатов равно 1000* 4/(2^1)=2000 импульсов на мм (что равно ((А)))
Интересует подчеркнутая фраза. Энкодер 1мкм 1000 импульсов на мм. Откуда такое значение? Облазил весь интернет, не нашел. Интересует по линейке SINO. Есть только данные 50 штрихов на мм или цена деления 0,02.
Так сколько импульсов то у линейки SINO?
- niksooon
- Мастер
- Сообщения: 2144
- Зарегистрирован: 23 июн 2014, 23:18
- Репутация: 1207
- Откуда: Кашира
- Контактная информация:
Re: Контроллеры myCNC
Поправил...на линейке должно быть написано какое разрешение ,ну или когда покупал-заказывал посмотреть что в заказе ,на крайний случай подключить и проверить с каким разрешением работает.......
Буквально вчера ко мне несколько линеек приехало -вот выдержка из ТТД-
Измеряемая длина (мм) 50-1000
Сечение (мм) 20,5х31
Точность (мкм) ±3 мкм (при 20°C)
Разрешение (мкм) 0.5 мкм, 1 мкм, 5 мкм
Максимальная скорость (м/с) 20 м/мин (1 мкм) и 60 м/мин (5 мкм)
Цена деления 0.02 мм (50 штрихов/мм)
Референтные метки 1метка каждые 50 мм
Выходной сигнал EIA-422-A
Напряжение питания 5V
Рабочая температура 0~45°C
Тип защиты IP55
Т. е. практически на всех линейках 50 штрихов на мм или цена деления 0,02 но вот разрешение в зависимости от типа считывающей головки можно снять разное (Разрешение (мкм) 0.5 мкм, 1 мкм, 5 мкм)
Сделанное правильно — красиво. Если сделанное тебе не нравится — то и работать оно будет хреново. Перевари, пересверли, выпили заново — ну, или хотя бы покрась.
- niksooon
- Мастер
- Сообщения: 2144
- Зарегистрирован: 23 июн 2014, 23:18
- Репутация: 1207
- Откуда: Кашира
- Контактная информация:
Re: Контроллеры myCNC
что-бы что-то внятное подсказать фразы "Такое впечатление, что она не работает правильно." недостаточно нужно более подробно описать что делал и как, что работает и что осталось под вопросом ... на экране хотя-бы показания линеек отображаются корректно?пройденное расстояние тоже верно отображает?
Сделанное правильно — красиво. Если сделанное тебе не нравится — то и работать оно будет хреново. Перевари, пересверли, выпили заново — ну, или хотя бы покрась.
-
MiG77
- Мастер
- Сообщения: 235
- Зарегистрирован: 16 фев 2020, 22:02
- Репутация: 20
- Настоящее имя: Головкин Михаил Валентинович
- Откуда: Речицы
- Контактная информация:
Re: Контроллеры myCNC
Сделал видео. Немного пояснения. Сначала двигаемся без обратной связи, показания линеек и машины совпадают. Потом просто включаем обратную связь, не двигаясь никуда. Показания линеек удваиваются. Почему, я так и не понимаю. И что делать, тоже.
https://www.youtube.com/watch?v=bCnfOfGa7e8
https://www.youtube.com/watch?v=bCnfOfGa7e8
- niksooon
- Мастер
- Сообщения: 2144
- Зарегистрирован: 23 июн 2014, 23:18
- Репутация: 1207
- Откуда: Кашира
- Контактная информация:
Re: Контроллеры myCNC
настройки(конфигурация) -контроллер и далее всех окон скрины сделай (обратная связь,энкодеры и тд......
по видосу- что показания удвоились я увидел , а если сдвинуть ось на 50 к примеру мм то показания линеек на сколько прирастают 50 или 100?
ну и на последок - изменения настроек (дабы они вступили в силу ) зачастую требуют перезагрузки контроллера.
по видосу- что показания удвоились я увидел , а если сдвинуть ось на 50 к примеру мм то показания линеек на сколько прирастают 50 или 100?
ну и на последок - изменения настроек (дабы они вступили в силу ) зачастую требуют перезагрузки контроллера.
Сделанное правильно — красиво. Если сделанное тебе не нравится — то и работать оно будет хреново. Перевари, пересверли, выпили заново — ну, или хотя бы покрась.
-
MiG77
- Мастер
- Сообщения: 235
- Зарегистрирован: 16 фев 2020, 22:02
- Репутация: 20
- Настоящее имя: Головкин Михаил Валентинович
- Откуда: Речицы
- Контактная информация:
Re: Контроллеры myCNC
Показания не удваиваются. Проехал 50, прибавилось 50. Добавил фото, по линейкам других настроек нет.
- niksooon
- Мастер
- Сообщения: 2144
- Зарегистрирован: 23 июн 2014, 23:18
- Репутация: 1207
- Откуда: Кашира
- Контактная информация:
Re: Контроллеры myCNC
попробуй пиды включить (чекбоксы на первом скрине ) все коэфф для начала только выстави по нулям , далее сохранить и перезагрузить контроллер. Далее все заново включить ,съездить в дом (с обнулением координат машины и линеек ) ну и далее понаблюдать за показаниями координат осей и соответствующим им показаниям линеек....
по предыдущему видео - у тебя что-то хоть и не большая но разница по координатам набегает ,сдается что ты как-то неверно множитель-делитель рассчитал........
по предыдущему видео - у тебя что-то хоть и не большая но разница по координатам набегает ,сдается что ты как-то неверно множитель-делитель рассчитал........
Сделанное правильно — красиво. Если сделанное тебе не нравится — то и работать оно будет хреново. Перевари, пересверли, выпили заново — ну, или хотя бы покрась.
-
MiG77
- Мастер
- Сообщения: 235
- Зарегистрирован: 16 фев 2020, 22:02
- Репутация: 20
- Настоящее имя: Головкин Михаил Валентинович
- Откуда: Речицы
- Контактная информация:
Re: Контроллеры myCNC
В свое время, я распечатал ветку с того форума (на всякий случай). Карандашом приписаны мои данные. Что не так?
- niksooon
- Мастер
- Сообщения: 2144
- Зарегистрирован: 23 июн 2014, 23:18
- Репутация: 1207
- Откуда: Кашира
- Контактная информация:
Re: Контроллеры myCNC
ну вроде верно......
Сделанное правильно — красиво. Если сделанное тебе не нравится — то и работать оно будет хреново. Перевари, пересверли, выпили заново — ну, или хотя бы покрась.
-
MiG77
- Мастер
- Сообщения: 235
- Зарегистрирован: 16 фев 2020, 22:02
- Репутация: 20
- Настоящее имя: Головкин Михаил Валентинович
- Откуда: Речицы
- Контактная информация:
Re: Контроллеры myCNC
Сделал, как попросили. Из странностей, при включенных пидах при первой попытке поехать в дом, вылетают сервы. Активируем вручную. Z вылетает постоянно, причины так и не выяснил. При отключенном ПИДе только для Z, все более менее адекватно шевелится.niksooon писал(а): ↑ попробуй пиды включить (чекбоксы на первом скрине ) все коэфф для начала только выстави по нулям , далее сохранить и перезагрузить контроллер. Далее все заново включить ,съездить в дом (с обнулением координат машины и линеек ) ну и далее понаблюдать за показаниями координат осей и соответствующим им показаниям линеек....
https://www.youtube.com/watch?v=wpXwnkI074I
-
nik1
- Мастер
- Сообщения: 8408
- Зарегистрирован: 02 окт 2012, 07:37
- Репутация: 3629
- Откуда: Красногорск
- Контактная информация:
Re: Контроллеры myCNC
У меня при хомлении пиды отключается , но как это сделано програмно я хз
- niksooon
- Мастер
- Сообщения: 2144
- Зарегистрирован: 23 июн 2014, 23:18
- Репутация: 1207
- Откуда: Кашира
- Контактная информация:
Re: Контроллеры myCNC
при нулевых значениях (коэфф.) пропорциональных ,инт. и дифф. Пид по идее не работает .При хомлении дабы контроллер не пытался "компенсировать " рассогласование да ,ПИДы отключаются , в макросе ,что я выше выкладывал заветные строки (Откл ПИД и включить ПИД )присутствуют......
Сделанное правильно — красиво. Если сделанное тебе не нравится — то и работать оно будет хреново. Перевари, пересверли, выпили заново — ну, или хотя бы покрась.