Компактный, вертикальный, по металлам 350х200х200
- antoxa-kylibin
- Мастер
- Сообщения: 786
- Зарегистрирован: 22 июн 2017, 13:18
- Репутация: 107
- Настоящее имя: Антон
- Откуда: г. Воронеж
- Контактная информация:
Re: Компактный, вертикальный, по металлам 350х200х200
Если задачи простые, не планируется дальнейшая модернизация станка, то может и ncstudio справиться. Софт простой в освоении, но не такой гибкий в настройке. Долго выбирал что можно ещё попробовать, в итоге linuxcnc решил поставить. Сначала трудновато было разбираться, но потом вроде понял общий принцип. Я для себя просто решил, что если уж и ковыряться с софтом, то лучше 1 раз пройти этот путь и потом применять многократно в практике.
-
Igor1
- Опытный
- Сообщения: 170
- Зарегистрирован: 10 янв 2017, 19:10
- Репутация: 82
- Контактная информация:
Re: Компактный, вертикальный, по металлам 350х200х200
Не понравится NC-studio -перейду на Линукс, Mach3 - на третьем месте.
Если у кого есть знания правильные по NC-studio, подскажите, пожалуйста, правильно ли я подцепил механические лимитные датчике к плате от минуса.
-
kfmut
- Мастер
- Сообщения: 1249
- Зарегистрирован: 30 янв 2021, 21:34
- Репутация: 147
- Настоящее имя: Максим
- Откуда: г.Тверь
- Контактная информация:
Re: Компактный, вертикальный, по металлам 350х200х200
Из документации на плату выложите картинку устройства вxодов. Нормально открытые концевики на защиту так себе вариант.
-
Igor1
- Опытный
- Сообщения: 170
- Зарегистрирован: 10 янв 2017, 19:10
- Репутация: 82
- Контактная информация:
Re: Компактный, вертикальный, по металлам 350х200х200
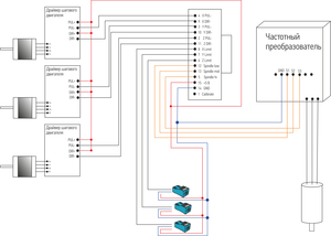
Вот картинка схемы подключения NC-studio из инструкции.
И ещё одну нашёл
-
Igor1
- Опытный
- Сообщения: 170
- Зарегистрирован: 10 янв 2017, 19:10
- Репутация: 82
- Контактная информация:
Re: Компактный, вертикальный, по металлам 350х200х200
Нашёл на сторонних ресурсах вот такую картинку. Нарисовано - минус к плате. Значит я правильно изначально нарисовал.
-
Igor1
- Опытный
- Сообщения: 170
- Зарегистрирован: 10 янв 2017, 19:10
- Репутация: 82
- Контактная информация:
Re: Компактный, вертикальный, по металлам 350х200х200
Вопросик к знатокам NC-studio. От платы идут 3 провода для ступенчатого регулирования частоты двигателя шпинделя. Однако у платы нет никаких выводов, отвечающих за пуск и останов шпинделя из программы. Как быть, если хочется запускать шпиндель из программы, а не кнопками на частотнике?
-
nevkon
- Почётный участник

- Сообщения: 2471
- Зарегистрирован: 17 июл 2015, 10:25
- Репутация: 310
- Настоящее имя: Константин
- Откуда: Балаково (Саратовская обл.)
- Контактная информация:
Re: Компактный, вертикальный, по металлам 350х200х200
Объявить первую скорость нулевой например. Если хочется отключать при этом шпиндель добавить микроконтроллер. Останется 7 ступеней скорости.
-
Igor1
- Опытный
- Сообщения: 170
- Зарегистрирован: 10 янв 2017, 19:10
- Репутация: 82
- Контактная информация:
Re: Компактный, вертикальный, по металлам 350х200х200
То есть сделать логику: если нет сигнала ни на одном из 3 проводов - то идёт сигнал на разъём выкл, если есть сигнал на хотя бы одном из трёх проводов, то идёт сигнал - вкл.
А попроще нельзя сделать?
Например есть идея: соединить 3 провода в один пучок после 3 диодов пустить всё на вывод вкл. Но как сделать сигнал на выкл? Ума не приложу.
-
nevkon
- Почётный участник

- Сообщения: 2471
- Зарегистрирован: 17 июл 2015, 10:25
- Репутация: 310
- Настоящее имя: Константин
- Откуда: Балаково (Саратовская обл.)
- Контактная информация:
Re: Компактный, вертикальный, по металлам 350х200х200
Ну можно и так, у частотника обычно бывает настройка - включение через реле или через импульс, надо перевести на релейный вариант (обычно он стоит по умолчанию). Собственно это не меняет что скоростей будет не 8, а 7.
-
Igor1
- Опытный
- Сообщения: 170
- Зарегистрирован: 10 янв 2017, 19:10
- Репутация: 82
- Контактная информация:
Re: Компактный, вертикальный, по металлам 350х200х200
Видимо придётся согласится на 7 скоростей и одну нулевую. Так проще всего.
Собираю щит. Единственно что напрягает. Ставлю 1,5 Квт частотник на 2,2 квт шпиндель. Хороший частотник и куплен очень давно.
Собираю щит. Единственно что напрягает. Ставлю 1,5 Квт частотник на 2,2 квт шпиндель. Хороший частотник и куплен очень давно.
-
Евжений
- Мастер
- Сообщения: 1168
- Зарегистрирован: 05 апр 2016, 20:18
- Репутация: 136
- Настоящее имя: Жэзэрэл
- Откуда: Там, сям.
- Контактная информация:
Re: Компактный, вертикальный, по металлам 350х200х200
Извиняюсь.
На Новый Год возбудился по поводу своего станка. Только портальный дрыгстольный.
Технология планируется такая же. Возможности примерно те же.
Собственно вопрос. Чем закончилось?
Что по итоговой точности? Жесткости?
Перпендикулярность/линейность осей есть/плывёт во времени?
На Новый Год возбудился по поводу своего станка. Только портальный дрыгстольный.
Технология планируется такая же. Возможности примерно те же.
Собственно вопрос. Чем закончилось?
Что по итоговой точности? Жесткости?
Перпендикулярность/линейность осей есть/плывёт во времени?
ВК https://vk.com/id353124059
О Боже, дай мне .... пендель!
О Боже, дай мне .... пендель!
-
Igor1
- Опытный
- Сообщения: 170
- Зарегистрирован: 10 янв 2017, 19:10
- Репутация: 82
- Контактная информация:
Re: Компактный, вертикальный, по металлам 350х200х200
Здравствуйте!Евжений писал(а): ↑28 янв 2025, 13:44 Извиняюсь.
На Новый Год возбудился по поводу своего станка. Только портальный дрыгстольный.
Технология планируется такая же. Возможности примерно те же.
Собственно вопрос. Чем закончилось?
Что по итоговой точности? Жесткости?
Перпендикулярность/линейность осей есть/плывёт во времени?
Станок в основном изготовлен. Нет только стола и кабинета пока. Некоторые части защиты тоже не доделаны.
Жёсткость такая :
по X (вдоль стола) - 0.012 мм при 20 кг у основания вала шпинделя.
по Y - 0.006 мм при 20 кг у основания вала шпинделя
по Z - не мерил
Люфт по осям получился такой:
по X (вдоль стола) - 0.02 мм
по Y - 0.015
по Z - не мерил
Жёсткость станка порадовала, а люфт расстроил, хотя брал безлюфтовые фирменные ШВП TBI, а в опорах стоят радиально-упорные подшипники и сильно зажаты. При снятых ШВП - люфта не наблюдал, дёргал сильно, а на станке люфт появился. Откуда он взялся - не пойму.
Сделано только несколько простеньких деталек, поэтому о точности сказать сложно. После измерения деталей точность на некоторых ( маленьких из латуни) была в 0,005 мм, а не некоторых больших из стали - 0,1 мм. Почему такой большой разброс - не ясно, не смог разобраться. Не может же так фрезу отгибать?
Пилит и дюраль и латунь и сталь. Сталь пилил 5-ой фрезой с небольшими съёмами, 0,2-0,3 мм, дюраль 8-ой фрезой по 2 мм. Несколько раз пилил 8-ой фрезой боком стальную плиту 16 мм, нормально было со съёмом 0,03 мм, наверно можно и больше. Пока возможности станка не изучены, режимы нежные.
Перпендикулярность деталей пока не мерил, но станок собирал с чугунными угловыми поверочными плитами и линейками 1 класса. Выставлял в 1 сотку по всей длине хода. Попробую как-нибудь - отпишусь.
Портальный - это будет совсем другой станок.
Фотки сборки станка выставлю позже.
-
Igor1
- Опытный
- Сообщения: 170
- Зарегистрирован: 10 янв 2017, 19:10
- Репутация: 82
- Контактная информация:
Re: Компактный, вертикальный, по металлам 350х200х200
Вот несколько фото по сборке станка.
Шабровка каретки Z, до и после.
Шабровка каретки Z, до и после.
-
Igor1
- Опытный
- Сообщения: 170
- Зарегистрирован: 10 янв 2017, 19:10
- Репутация: 82
- Контактная информация:
Re: Компактный, вертикальный, по металлам 350х200х200
Стол, сначала шлифовали, после шабровка, до и после.
- Dimka
- Мастер
- Сообщения: 1400
- Зарегистрирован: 14 июл 2016, 23:40
- Репутация: 347
- Настоящее имя: Дима
- Откуда: Санкт-Петербург
- Контактная информация:
Re: Компактный, вертикальный, по металлам 350х200х200
Круто получилось! А покажите примеры обработанных деталей, какое качество поверхности получается. Особенно по стали интересно.
-
Igor1
- Опытный
- Сообщения: 170
- Зарегистрирован: 10 янв 2017, 19:10
- Репутация: 82
- Контактная информация:
Re: Компактный, вертикальный, по металлам 350х200х200
Торцы стола тоже подшабрил, чтобы корпуса подшипником хорошо прилегали.
-
Igor1
- Опытный
- Сообщения: 170
- Зарегистрирован: 10 янв 2017, 19:10
- Репутация: 82
- Контактная информация:
Re: Компактный, вертикальный, по металлам 350х200х200
По дюралю и латуни, если делать чистовые проходы, то поверхность полированная. По стали немного похуже, но тоже гладенько, но я только ст3 фрезеровал.
Вот 2 детальки, Из дюраля полностью сделана 8-й фрезой, Стальная только расточка и полукруглые пазы 5-1 или 6-ой фрезой.