За токарником конечно на полку лазить не удобно получается, недавно купил токарник, закрепил его у переднего края верстака, а за ним осталось куча места, и вот тоже думаю может сделать полки, но за токарник туда лазить ну очень неудобно будет....xenon-alien писал(а):Временно примерял полки.
ТВ-16 + эл. гитара (может потом и полноценный ЧПУ)
- selenur
- Почётный участник

- Сообщения: 4605
- Зарегистрирован: 21 авг 2013, 19:44
- Репутация: 1622
- Настоящее имя: Сергей
- Откуда: Новый Уренгой
- Контактная информация:
Re: ТВ-16 + эл. гитара (может потом и полноценный ЧПУ)
Мой сайт: http://selenur.ru
Исходники моих программ: https://github.com/selenur
Instagram https://www.instagram.com/zheigurov/
Исходники моих программ: https://github.com/selenur
Instagram https://www.instagram.com/zheigurov/
- xenon-alien
- Почётный участник

- Сообщения: 4520
- Зарегистрирован: 01 янв 2013, 13:13
- Репутация: 925
- Настоящее имя: Daniel
- Откуда: Закарпатская обл. Украина
- Контактная информация:
Re: ТВ-16 + эл. гитара (может потом и полноценный ЧПУ)
Мне удобно - всё под руками. Достаю до полки с бутылочкой спокойно. Что не нужно - на верхних полках будет.selenur писал(а):За токарником конечно на полку лазить не удобно получается, недавно купил токарник, закрепил его у переднего края верстака, а за ним осталось куча места, и вот тоже думаю может сделать полки, но за токарник туда лазить ну очень неудобно будет....
Под разъемы эл. гитары просверлил отверстия в полке.
- xenon-alien
- Почётный участник

- Сообщения: 4520
- Зарегистрирован: 01 янв 2013, 13:13
- Репутация: 925
- Настоящее имя: Daniel
- Откуда: Закарпатская обл. Украина
- Контактная информация:
Re: ТВ-16 + эл. гитара (может потом и полноценный ЧПУ)
Осталось дождаться БП на 5в (или UBEC 5v 3A для РУ) и электроника готова.
На выходных установил пульт для эл. гитары на правый край стола, установил БП, подключил к драйверам и просто погонял ШД с джойстиком и MPG.
Предстоит установить для начала хоть какую-то защиту от стружки, потом ШД хотя бы на продольную установить и можно настраивать прошивку под мой станок. (а потом уже буду думать, как удлинить винт поперечки)
Предстоит установить для начала хоть какую-то защиту от стружки, потом ШД хотя бы на продольную установить и можно настраивать прошивку под мой станок. (а потом уже буду думать, как удлинить винт поперечки)
- xenon-alien
- Почётный участник

- Сообщения: 4520
- Зарегистрирован: 01 янв 2013, 13:13
- Репутация: 925
- Настоящее имя: Daniel
- Откуда: Закарпатская обл. Украина
- Контактная информация:
Re: ТВ-16 + эл. гитара (может потом и полноценный ЧПУ)
У меня пополнение... (сегодня приехало, 4 независимых кулачка)
- xenon-alien
- Почётный участник

- Сообщения: 4520
- Зарегистрирован: 01 янв 2013, 13:13
- Репутация: 925
- Настоящее имя: Daniel
- Откуда: Закарпатская обл. Украина
- Контактная информация:
Re: ТВ-16 + эл. гитара (может потом и полноценный ЧПУ)
Вот и первое изделие на токарном станке
Вот сюда его примудрил
Потом ещё выточил парочку деталек
И вот как это в итоге выглядит (только почему-то виляет при вращении и ходовой винт на 1/4 поворота заедает - наверное согнут)
Сделал ещё быстрый зажим для ЗБ, но это уже можно глянуть в инстаграме. Выложил короткое видео.
-
nevkon
- Почётный участник

- Сообщения: 2477
- Зарегистрирован: 17 июл 2015, 10:25
- Репутация: 310
- Настоящее имя: Константин
- Откуда: Балаково (Саратовская обл.)
- Контактная информация:
Re: ТВ-16 + эл. гитара (может потом и полноценный ЧПУ)
Это относительно просто проверить при наличии индикатора. Промерить в 2 разных точках выхода вала биение. Скорее всего оно будет отличаться.xenon-alien писал(а):И вот как это в итоге выглядит (только почему-то виляет при вращении и ходовой винт на 1/4 поворота заедает - наверное согнут)
- xenon-alien
- Почётный участник

- Сообщения: 4520
- Зарегистрирован: 01 янв 2013, 13:13
- Репутация: 925
- Настоящее имя: Daniel
- Откуда: Закарпатская обл. Украина
- Контактная информация:
Re: ТВ-16 + эл. гитара (может потом и полноценный ЧПУ)
Вот что сегодня натокарил для быстросменной резцедержки.
Но не без сюрпризов... не лезет...
Эта контора постоянно подводит. (дремелем и наждачным кругом прошелся внутри, но не помогло)
-
nevkon
- Почётный участник

- Сообщения: 2477
- Зарегистрирован: 17 июл 2015, 10:25
- Репутация: 310
- Настоящее имя: Константин
- Откуда: Балаково (Саратовская обл.)
- Контактная информация:
Re: ТВ-16 + эл. гитара (может потом и полноценный ЧПУ)
Так есть же 4-х кулачковый теперь - поставить в него и проточить.
- xenon-alien
- Почётный участник

- Сообщения: 4520
- Зарегистрирован: 01 янв 2013, 13:13
- Репутация: 925
- Настоящее имя: Daniel
- Откуда: Закарпатская обл. Украина
- Контактная информация:
Re: ТВ-16 + эл. гитара (может потом и полноценный ЧПУ)
А отверстий на планшайбе ещё нету...nevkon писал(а):Так есть же 4-х кулачковый теперь - поставить в него и проточить.
-
nevkon
- Почётный участник

- Сообщения: 2477
- Зарегистрирован: 17 июл 2015, 10:25
- Репутация: 310
- Настоящее имя: Константин
- Откуда: Балаково (Саратовская обл.)
- Контактная информация:
Re: ТВ-16 + эл. гитара (может потом и полноценный ЧПУ)
Я под такой патрон собираюсь переходную планшайбу делать чтобы родную не уродовать. Только отрезать кусочек не удалось - болгарка померла пока пилил 20мм пластину (дали, сказали отпиливай сколько тебе от нее надо, а пластина 600мм по короткой стороне - замучался пилить, а болгарка так и вовсе отказалась).
Тоже надо 4-х кулачковый повесить чтобы резцедержку доработать.
Тоже надо 4-х кулачковый повесить чтобы резцедержку доработать.
- xenon-alien
- Почётный участник

- Сообщения: 4520
- Зарегистрирован: 01 янв 2013, 13:13
- Репутация: 925
- Настоящее имя: Daniel
- Откуда: Закарпатская обл. Украина
- Контактная информация:
Re: ТВ-16 + эл. гитара (может потом и полноценный ЧПУ)
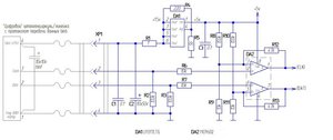
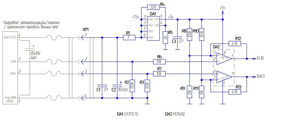
Ребят, выручайте.
Собрал на пробной металлическом штангенциркуле и на макетке - работало.
Спаял - работало. (от батарейки штангеля пробовал оба раза) Подключил БП 12в (для LED-a) через UBEC 5в 3а (Hobbywing) и другие пластмассовые штангенциркули - показания начали бегать в пределах 0.05-0.1мм. (конденсатора на стороне линейки не паял 10х10в). При этом никакая другая электроника не подключена. Провода экранированные, чуть больше 1 м длинной и в разъеме припаян экран на землю.
Напряжение с UBEC 5в 3а понижается через lm317 до 1.48в (и два конденсатора: керам. и электролит - номинал не помню) и так это идет к штангелям. Без штангеля - показания по "нулям".
Как победить такое явление? (а то что-то с поисковиком у меня дружба не наладилась)
Показания бегают как на штангеле, так и на самой УЦИ.
Если что упустил - спрашивайте.
Буду рад любой подсказке.
Общий вид такой:
Собрал на пробной металлическом штангенциркуле и на макетке - работало.
Спаял - работало. (от батарейки штангеля пробовал оба раза) Подключил БП 12в (для LED-a) через UBEC 5в 3а (Hobbywing) и другие пластмассовые штангенциркули - показания начали бегать в пределах 0.05-0.1мм. (конденсатора на стороне линейки не паял 10х10в). При этом никакая другая электроника не подключена. Провода экранированные, чуть больше 1 м длинной и в разъеме припаян экран на землю.
Напряжение с UBEC 5в 3а понижается через lm317 до 1.48в (и два конденсатора: керам. и электролит - номинал не помню) и так это идет к штангелям. Без штангеля - показания по "нулям".
Как победить такое явление? (а то что-то с поисковиком у меня дружба не наладилась)
Показания бегают как на штангеле, так и на самой УЦИ.
Если что упустил - спрашивайте.
Буду рад любой подсказке.
Общий вид такой:
- xenon-alien
- Почётный участник

- Сообщения: 4520
- Зарегистрирован: 01 янв 2013, 13:13
- Репутация: 925
- Настоящее имя: Daniel
- Откуда: Закарпатская обл. Украина
- Контактная информация:
Re: ТВ-16 + эл. гитара (может потом и полноценный ЧПУ)
Виновник - 12в БП для LED.
Но за то при вращении MPG, или включенной подаче (асинхронная - без шпинделя; работающий шаговик-драйвер делает помехи) - всё хаотично "убегает". (частотник отключен)
При включенном частотнике и вращающимся шпинделе показания УЦИ меняются 0.01-0.02 мм.
При этом MPG не трогаю (отключен), шаговик-драйвер не в работе.
(фильтры прикупил) Боле детально описал в официальной теме
Но за то при вращении MPG, или включенной подаче (асинхронная - без шпинделя; работающий шаговик-драйвер делает помехи) - всё хаотично "убегает". (частотник отключен)
При включенном частотнике и вращающимся шпинделе показания УЦИ меняются 0.01-0.02 мм.
При этом MPG не трогаю (отключен), шаговик-драйвер не в работе.
(фильтры прикупил) Боле детально описал в официальной теме
- xenon-alien
- Почётный участник

- Сообщения: 4520
- Зарегистрирован: 01 янв 2013, 13:13
- Репутация: 925
- Настоящее имя: Daniel
- Откуда: Закарпатская обл. Украина
- Контактная информация:
Re: ТВ-16 + эл. гитара (может потом и полноценный ЧПУ)
Как-то так получилась моя первая в жизни резьба на токарном. Шаг получился, как должен быть, но китайский резец, или дюймовый, или я не верно выставил, или пластина не предназначена на такой шаг. (буду в дальнейшем изучать обработку резьб и пластины, так как на некоторых шаг ограничен) Но плашка на М10 не накрутилась (болт не нашелся).
Завтра попробую нарезать резьбу мельчим шагом.
Завтра попробую нарезать резьбу мельчим шагом.
-
Vit888
- Кандидат
- Сообщения: 56
- Зарегистрирован: 27 май 2015, 14:22
- Репутация: 11
- Откуда: Украина Закарпатская обл.
- Контактная информация:
Re: ТВ-16 + эл. гитара (может потом и полноценный ЧПУ)
Резьба не *полная*.Недорезана глубина.
- xenon-alien
- Почётный участник

- Сообщения: 4520
- Зарегистрирован: 01 янв 2013, 13:13
- Репутация: 925
- Настоящее имя: Daniel
- Откуда: Закарпатская обл. Украина
- Контактная информация:
Re: ТВ-16 + эл. гитара (может потом и полноценный ЧПУ)
Капитан очевидность!Vit888 писал(а):Резьба не *полная*.Недорезана глубина.
Я мельком читал, про пластины, что не всеми можно резать тот, или иной шаг.
Резал шаг 1.5, а резец этот до 1.0 может это делать. (я не уверен)
Я комплект китайских державок заказал из 7-ми шт.
Тип пластин 11ER AG60. По идее можно 1.5 резать... Я просто побоялся ближе подъехать резцом.
Значит попробую ещё раз.
Хотя... Я заглубился на 0.9 мм. или же по лимбу 18 делений (всего 30 делений, шаг поперечки 1.5)
-
nevkon
- Почётный участник

- Сообщения: 2477
- Зарегистрирован: 17 июл 2015, 10:25
- Репутация: 310
- Настоящее имя: Константин
- Откуда: Балаково (Саратовская обл.)
- Контактная информация:
Re: ТВ-16 + эл. гитара (может потом и полноценный ЧПУ)
А плашка совсем не накрутилась или все-таки можно накрутить, но с трудом? Лучше бы для проверки иметь все-таки гайку нужного размера. Плашка делает совсем свободную посадку, а когда надо точно сделать, то резцом самое то - плашка будет налезать, но с трудом, снимая немного стружки, а вот гайка накрутится с некоторым натягом (или же почти без него, в любом случае от руки должна закрутиться). Срезанные вершины не самая большая проблема - когда начинаешь дорезать такую и большую резьбу на маленьких станках нужно довольно большую жесткость. Я сам пока начинающий - у меня получаются резьбы до 1мм без особых проблем (и это с учетом смещения малой продольной как рекомендуют - чтобы резало только с одной стороны стружку).
- xenon-alien
- Почётный участник

- Сообщения: 4520
- Зарегистрирован: 01 янв 2013, 13:13
- Репутация: 925
- Настоящее имя: Daniel
- Откуда: Закарпатская обл. Украина
- Контактная информация:
Re: ТВ-16 + эл. гитара (может потом и полноценный ЧПУ)
nevkon писал(а):А плашка совсем не накрутилась или все-таки можно накрутить, но с трудом? Лучше бы для проверки иметь все-таки гайку нужного размера. Плашка делает совсем свободную посадку, а когда надо точно сделать, то резцом самое то - плашка будет налезать, но с трудом, снимая немного стружки, а вот гайка накрутится с некоторым натягом (или же почти без него, в любом случае от руки должна закрутиться). Срезанные вершины не самая большая проблема - когда начинаешь дорезать такую и большую резьбу на маленьких станках нужно довольно большую жесткость. Я сам пока начинающий - у меня получаются резьбы до 1мм без особых проблем (и это с учетом смещения малой продольной как рекомендуют - чтобы резало только с одной стороны стружку).
Прикол в том, что я прочел где-то, что заглубление должно быть равно шага резьбы * 1.2 = 1.5*1.2= 1.8мм.xenon-alien писал(а):Хотя... Я заглубился на 0.9 мм. или же по лимбу 18 делений (всего 30 делений, шаг поперечки 1.5)
Я думал, что это на диаметр.
А скорей всего это на сторону должно быть. Т.е. по лимбу мне нужно углубиться на 36 делений.
Верно ли я понял?
На угад ещё заглубился, что бы проверить и даже плашка накрутилась и болталась... (лимб на поперечке уже сбился, по этому так получилось)
- Hanter
- Мастер
- Сообщения: 5414
- Зарегистрирован: 27 янв 2012, 14:52
- Репутация: 4338
- Настоящее имя: Алексей
- Откуда: Питер
- Контактная информация:
Re: ТВ-16 + эл. гитара (может потом и полноценный ЧПУ)
так и есть. если резьба с шагом 1мм то отверстие под нее делаем на 1мм меньше... если шаг 1.5 то отверстие на 1.5мм меньше..xenon-alien писал(а):Прикол в том, что я прочел где-то, что заглубление должно быть равно шага резьбы * 1.2 = 1.5*1.2= 1.8мм.
Я думал, что это на диаметр.
Опыт - это когда на смену вопросам: "Что? Где? Когда? Как? Почему?" Приходит единственный вопрос: "Нахрена?"
==========================================
фрезерная и токарная обработка на станках с чпу.
Резка, гибка, сварка и порошковая окраса.
==========================================
фрезерная и токарная обработка на станках с чпу.
Резка, гибка, сварка и порошковая окраса.
- xenon-alien
- Почётный участник

- Сообщения: 4520
- Зарегистрирован: 01 янв 2013, 13:13
- Репутация: 925
- Настоящее имя: Daniel
- Откуда: Закарпатская обл. Украина
- Контактная информация:
Re: ТВ-16 + эл. гитара (может потом и полноценный ЧПУ)
Какое отверстие? (для отверстий под внутреннюю резьбу есть таблица)Hanter писал(а):так и есть. если резьба с шагом 1мм то отверстие под нее делаем на 1мм меньше... если шаг 1.5 то отверстие на 1.5мм меньше..xenon-alien писал(а):Прикол в том, что я прочел где-то, что заглубление должно быть равно шага резьбы * 1.2 = 1.5*1.2= 1.8мм.
Я думал, что это на диаметр.
Я об заглублении - Нарезание наружной резьбы, резцом, на токарном станке.
- Hanter
- Мастер
- Сообщения: 5414
- Зарегистрирован: 27 янв 2012, 14:52
- Репутация: 4338
- Настоящее имя: Алексей
- Откуда: Питер
- Контактная информация:
Re: ТВ-16 + эл. гитара (может потом и полноценный ЧПУ)
а какая разница ?? ты считаешь что в отверстии диаметр "вершин" будет отличаться от диаметра "впадин" у наружной резьбы ? 
Опыт - это когда на смену вопросам: "Что? Где? Когда? Как? Почему?" Приходит единственный вопрос: "Нахрена?"
==========================================
фрезерная и токарная обработка на станках с чпу.
Резка, гибка, сварка и порошковая окраса.
==========================================
фрезерная и токарная обработка на станках с чпу.
Резка, гибка, сварка и порошковая окраса.