Бесконсольный фрезерный из бетона по стали 500*200*300

Тяжелые фрезерные станки по металлу.
overlord21
Новичок
Сообщения: 20
Зарегистрирован: 08 окт 2019, 18:34
Репутация: 8
Настоящее имя: Дмитрий Максимов
Откуда: Татарстан
Контактная информация:

Бесконсольный фрезерный из бетона по стали 500*200*300

Сообщение overlord21 »

Описание станка, основные характеристики:Вертикальный бесконсольный фрезер по стали со станиной из бетона.
Рабочее поле:500*200*300
Обрабатываемые материалы:[сталь]
Чертежи, фото, видео станка:
Примеры изделий (фото):
Вопросы:
Что пробовал:
Что получилось:[станина]
Что не получилось:
Ориентировочный бюджет:[300к]

Здравствуйте, уважаемые форумчане. Долгое время уже обитаю на этом форуме(с 2014) в режиме "read only". Вот и настала моя очередь :)
ЧПУ станками начал увлекаться очень давно. Первые станок, наверное как и у большинства, планировался из фанеры и шпилек. Время шло, человеко-часы, проведенные на форуме копились. Приходило понимание, что станок должен быть жесткий. И вот, в один прекрасный вечер я наткнулся на проект фрезера из бетона "Малыш". :shock:
Впечатление было сильным. С этого момента , в голове засела идея сделать станину из бетона. Параллельно начала развиваться еще одна "болезнь". Я бы назвал ее "железоманией". Все железяки(нужные и ненужные) тащились к себе в нору. Это здорово било по карману. :cry: ШВП, каретки, рельсы, поверочные плиты, измериловка. Куча вся росла, а в проекте станка "конь не валялся".
Примерно год назад, в период осеннего "обострения", без проекта и чертежей сделал станину. Энтузиазма вначале было хоть отбавляй. :angle_grinder: Болгарка месяц визжала не переставая. Кое-как отшабрив за такое время всего лишь 2 закладные детали, я начал понимать, что в жизни есть занятия поинтереснее, чем снимать шабрением припуск в 5мм :thinking:
Все-таки начального запала хватило на изготовление станины. И вот, спустя год выдержки, с поддержкой форумчан, надеюсь воплотить этот проект в жизнь.
P.S. пока проект не перерос в еще более монументального монстра :cheesy:
Последний раз редактировалось overlord21 09 окт 2019, 20:18, всего редактировалось 1 раз.
overlord21
Новичок
Сообщения: 20
Зарегистрирован: 08 окт 2019, 18:34
Репутация: 8
Настоящее имя: Дмитрий Максимов
Откуда: Татарстан
Контактная информация:

Re: [Бесконсольный фрезерный из бетона] по [стали] [500*200*

Сообщение overlord21 »

И так, начнем со станины. Было интересно проверить 2 технологии: заливку в несъемную опалубку из металла и в съемную.
По ребрам основания проходят сильно ржавые(для лучшего сцепления с бетоном) уголки 75*75*6. Закладная одной стороной вварена в этот каркас. Грани закрыты стальным листом. На листы наварены закладные стержни из арматуры. Так-как по задумке через тело колонны станка должны были проходить 4 шпильки М16, для них тоже предусмотрены закладные детали в виде 4 труб 110*8 длиной 300 мм с дополнительной обваркой стержнями из арматуры.
Процесс заливки происходил в перевернутом виде. Смесь: портландцемент М500, гравийная крошка, пластификатор. и самое главное - все очень тщательно уплатнялась глубинным вибратором.
Спустя примерно через месяц заливки, основание перевернул. Были вварены 4 шпильки М16 длиной по метру, на них надеты трубки. На предполагаемом месте верхушки колонны был сварен арматурный каркас. Т.е через тело колонны проходят 4 шпильки и тянут голову колонны к основанию.
Закладная на колонне представляля собой параллелепипед из 25мм стали размером 200*300*100. Для лучшего сцепления закладной с бетоном, к ней были приварены обрезки трубы 110*8. Закладная колонны в до заливки была выставлена относительно закладной основания и держалась с помощью пары плит усп и массивной чугунной корпусной деталью.
Из старой кухни была сооружена опалубка. Смесь такая же, как и в основании. Спустя некоторое время, на шпильку были накручены удлиненные гайки и затянуты моментом 500 Нм.
К сожалению, все фотографии, сделанные в процессе изготовления станины потеряны. Сломавшийся жесткий диск передает всем привет :tongue:
IMG-20191008-WA0000.jpg (72814 просмотров) <a class='original' href='./download/file.php?id=170155&mode=view' target=_blank>Загрузить оригинал (68.28 КБ)</a>
Аватара пользователя
shalek
Почётный участник
Почётный участник
Сообщения: 3023
Зарегистрирован: 25 авг 2014, 10:40
Репутация: 2583
Настоящее имя: Александр
Откуда: РБ Бобруйск
Контактная информация:

Re: [Бесконсольный фрезерный из бетона] по [стали] [500*200*

Сообщение shalek »

Ржа с бетоном сцепится, но от уголка скорее наоборот.
Если ты не можешь решить проблему, значит это не твоя проблема!
Мой канал на YouTube: YouTube
ЧПУ "Бобр" 600x500 мм
shalek64@gmail.com
overlord21
Новичок
Сообщения: 20
Зарегистрирован: 08 окт 2019, 18:34
Репутация: 8
Настоящее имя: Дмитрий Максимов
Откуда: Татарстан
Контактная информация:

Re: [Бесконсольный фрезерный из бетона] по [стали] [500*200*

Сообщение overlord21 »

shalek писал(а):Ржа с бетоном сцепится, но от уголка скорее наоборот.
Это я в книге про бетонные станины станков прочитал. На уголки через каждые 10 см приварены закладные стержни.
overlord21
Новичок
Сообщения: 20
Зарегистрирован: 08 окт 2019, 18:34
Репутация: 8
Настоящее имя: Дмитрий Максимов
Откуда: Татарстан
Контактная информация:

Re: [Бесконсольный фрезерный из бетона] по [стали] [500*200*

Сообщение overlord21 »

Вес станины получился около 900 кг( из них 200 - сталь)
Размеры станины.
Станина.JPG (72780 просмотров) <a class='original' href='./download/file.php?id=170162&mode=view' target=_blank>Загрузить оригинал (100 КБ)</a>
Начал делать сборку в ыц.
Сборка1.JPG (72780 просмотров) <a class='original' href='./download/file.php?id=170160&mode=view' target=_blank>Загрузить оригинал (64.46 КБ)</a>
Сборка3.JPG (72780 просмотров) <a class='original' href='./download/file.php?id=170161&mode=view' target=_blank>Загрузить оригинал (48.98 КБ)</a>
Стол с салазками от 6т80 купил на белке, новый с хранения. Пока оставлю на ластохвостах, поставлю швп 32 как у aftaeva.
На поперечной подаче планирую поставить 30 роликовые рельсы из даркстона. ШВП 32 мм советская, с двумя полугайками от 6А75В.
overlord21
Новичок
Сообщения: 20
Зарегистрирован: 08 окт 2019, 18:34
Репутация: 8
Настоящее имя: Дмитрий Максимов
Откуда: Татарстан
Контактная информация:

Re: [Бесконсольный фрезерный из бетона] по [стали] [500*200*

Сообщение overlord21 »

Шпиндель купил когда-то на директлоте.
l44505-1.jpg (72770 просмотров) <a class='original' href='./download/file.php?id=170166&mode=view' target=_blank>Загрузить оригинал (167.91 КБ)</a>
l44505-2.jpg (72770 просмотров) <a class='original' href='./download/file.php?id=170167&mode=view' target=_blank>Загрузить оригинал (159.25 КБ)</a>
l44505-3.jpg (72770 просмотров) <a class='original' href='./download/file.php?id=170168&mode=view' target=_blank>Загрузить оригинал (130.29 КБ)</a>
l44505-4.jpg (72770 просмотров) <a class='original' href='./download/file.php?id=170169&mode=view' target=_blank>Загрузить оригинал (73.27 КБ)</a>
От агрегатного расточного станка, как мне кажется. Внутри стояли 4 радиально-упорных подшипника по схеме тандем. Вместо уставших родных 4-446208 поставлю 2-436208. Крутить поставлю серву через зубчатый ремень. Придется делать переходник под цанговый патрон.
Аватара пользователя
hmnijp
Мастер
Сообщения: 1754
Зарегистрирован: 20 авг 2017, 15:02
Репутация: 542
Настоящее имя: Константин
Откуда: Ульяновск
Контактная информация:

Re: [Бесконсольный фрезерный из бетона] по [стали] [500*200*

Сообщение hmnijp »

А под планшайбой у него что? да зачем на таком станке цанговый?
overlord21
Новичок
Сообщения: 20
Зарегистрирован: 08 окт 2019, 18:34
Репутация: 8
Настоящее имя: Дмитрий Максимов
Откуда: Татарстан
Контактная информация:

Re: [Бесконсольный фрезерный из бетона] по [стали] [500*200*

Сообщение overlord21 »

hmnijp писал(а):А под планшайбой у него что? да зачем на таком станке цанговый?
Деталь2.JPG (72747 просмотров) <a class='original' href='./download/file.php?id=170170&mode=view' target=_blank>Загрузить оригинал (71.16 КБ)</a>
Цанговый ER32 или 40.
На конце шпинделя фланец. Оправка центрируется по отверстию и пояску.
В приоритете - поставить этот шпиндель, потому что он уже есть. :)
Возможно, поставлю другой.
Аватара пользователя
hmnijp
Мастер
Сообщения: 1754
Зарегистрирован: 20 авг 2017, 15:02
Репутация: 542
Настоящее имя: Константин
Откуда: Ульяновск
Контактная информация:

Re: [Бесконсольный фрезерный из бетона] по [стали] [500*200*

Сообщение hmnijp »

аа, получается цанговый потому что шпильку/захват под штревель некуда просунуть? сюда бы конечно конус нормальный)
overlord21
Новичок
Сообщения: 20
Зарегистрирован: 08 окт 2019, 18:34
Репутация: 8
Настоящее имя: Дмитрий Максимов
Откуда: Татарстан
Контактная информация:

Re: [Бесконсольный фрезерный из бетона] по [стали] [500*200*

Сообщение overlord21 »

hmnijp писал(а):аа, получается цанговый потому что шпильку/захват под штревель некуда просунуть? сюда бы конечно конус нормальный)
В шпинделе нет сквозного отверстия.
overlord21
Новичок
Сообщения: 20
Зарегистрирован: 08 окт 2019, 18:34
Репутация: 8
Настоящее имя: Дмитрий Максимов
Откуда: Татарстан
Контактная информация:

Re: [Бесконсольный фрезерный из бетона] по [стали] [500*200*

Сообщение overlord21 »

В шпинделе нет отверстия.
По станине: закладную деталь отшабрил по плите болгаркой. Результат понравился. Вся площадь окрашивается, количество пятен 7-8 на дюйм. Но в середине одной планки осталась яма 40*20: щуп 0,05 пролезает с трудом.
Закладная на колонне перед заливкой была грубо отшабрена в плоскость 0,05 по всей площади. Перед заливкой грубо выставил относительно нижней закладной. В принципе, ее трогать пока не буду. В планах сперва запустить крестовый стол, и при необходимости им обработать закладную колонны. Станок обработает сам себя.
Этот станок изначально задумывался модульным: крестовый стол и ось зет задуманы самодостаточными. Т.е. станина по сути - два взаимно перпендикулярных плоскости, куда накручивается остальное. Если станина не понравится, ее можно выкинуть.
overlord21
Новичок
Сообщения: 20
Зарегистрирован: 08 окт 2019, 18:34
Репутация: 8
Настоящее имя: Дмитрий Максимов
Откуда: Татарстан
Контактная информация:

Re: [Бесконсольный фрезерный из бетона] по [стали] [500*200*

Сообщение overlord21 »

И так, модель оси у.
Сборка1.JPG (72608 просмотров) <a class='original' href='./download/file.php?id=170257&mode=view' target=_blank>Загрузить оригинал (131.77 КБ)</a>
ШВП 32 советская, с двумя зубчатыми гайками для регулирования натяга. Диаметр шейки под посадку на подшипники - 25 мм. Купил дуплексные радиально-упорные подшипники 236205. Под них необходимо сделать опору(по совместительству - держатель серводвигателя с 80 фланцем).
Рельсы выбрал роликовые 30 RGR30 с фланцевыми каретками RGW30. Держатель гайки ШВП - советская, от другой ШВП. Каретки и корпус гайки получаются на одной плоскости. Рельсы планирую зафиксировать боковыми прижимами.
overlord21
Новичок
Сообщения: 20
Зарегистрирован: 08 окт 2019, 18:34
Репутация: 8
Настоящее имя: Дмитрий Максимов
Откуда: Татарстан
Контактная информация:

Re: [Бесконсольный фрезерный из бетона] по [стали] [500*200*

Сообщение overlord21 »

Основание крестового стола.
Основание оси Y.JPG (72589 просмотров) <a class='original' href='./download/file.php?id=170258&mode=view' target=_blank>Загрузить оригинал (91.41 КБ)</a>
У меня есть заготовка стальной плиты толщиной 51 мм и размером 500*280. Она вроде как была обстрогана. :angle_grinder: отрежу до 500*230. Пытался в своей округе найти контору, которая обработала бы по чертежу. Не срослось. :wik: Может кому-нибудь будет интересно изготовить за денежное вознаграждение. :cry:
Основание оси Y.JPG (72589 просмотров) <a class='original' href='./download/file.php?id=170259&mode=view' target=_blank>Загрузить оригинал (112.08 КБ)</a>
Как в анекдоте: Дяденька, вы мне на станке в черновую обработайте, а уж дома я выровню шабером. :)
Последний раз редактировалось overlord21 09 окт 2019, 22:04, всего редактировалось 1 раз.
overlord21
Новичок
Сообщения: 20
Зарегистрирован: 08 окт 2019, 18:34
Репутация: 8
Настоящее имя: Дмитрий Максимов
Откуда: Татарстан
Контактная информация:

Re: [Бесконсольный фрезерный из бетона] по [стали] [500*200*

Сообщение overlord21 »

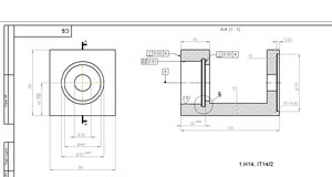
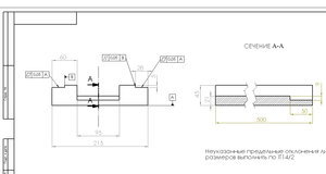
Опора ШВП 32мм.JPG (72573 просмотра) <a class='original' href='./download/file.php?id=170260&mode=view' target=_blank>Загрузить оригинал (126.21 КБ)</a>
Чертеж опоры ШВП. Сильно не ругайтесь, черчение только осваиваю.
Chili
Мастер
Сообщения: 1277
Зарегистрирован: 07 окт 2015, 21:38
Репутация: 1074
Настоящее имя: Эдуард Чилиджян
Откуда: Таганрог
Контактная информация:

Re: Бесконсольный фрезерный из бетона по стали 500*200*300

Сообщение Chili »

Дмитрий,если есть возможность ,пересмотрите узел опоры швп. В переходной плите Вы заложили выточку(обнижение ) в итак ослабленном месте под блок опору швп. Может лучше крепить в торец плиты опору шпв,тем более самодельное(за то, что В нарисовали запросят и потому .что сложно делать). Если не понятно описал ,нарисую на вашем примере.
overlord21
Новичок
Сообщения: 20
Зарегистрирован: 08 окт 2019, 18:34
Репутация: 8
Настоящее имя: Дмитрий Максимов
Откуда: Татарстан
Контактная информация:

Re: Бесконсольный фрезерный из бетона по стали 500*200*300

Сообщение overlord21 »

Сегодня разрезал заготовку 52 мм толщиной для основания крестового стола. Так как у меня есть болгарка только 125 мм, работа ожидалась тяжелая. Но все оказалось не так печально - тонкие диски творят чудеса. У меня были 0,8 и 1 мм. Итого ушло 5 дисков, с учетом того, что 1 диск сломал при затяжке гайки. По времени - час с небольшим.
IMG_20191012_172703.jpg (72335 просмотров) <a class='original' href='./download/file.php?id=170352&mode=view' target=_blank>Загрузить оригинал (619.93 КБ)</a>
IMG_20191012_172718.jpg (72335 просмотров) <a class='original' href='./download/file.php?id=170353&mode=view' target=_blank>Загрузить оригинал (552.68 КБ)</a>
overlord21
Новичок
Сообщения: 20
Зарегистрирован: 08 окт 2019, 18:34
Репутация: 8
Настоящее имя: Дмитрий Максимов
Откуда: Татарстан
Контактная информация:

Re: Бесконсольный фрезерный из бетона по стали 500*200*300

Сообщение overlord21 »

Chili писал(а):Дмитрий,если есть возможность ,пересмотрите узел опоры швп. В переходной плите Вы заложили выточку(обнижение ) в итак ослабленном месте под блок опору швп. Может лучше крепить в торец плиты опору шпв,тем более самодельное(за то, что В нарисовали запросят и потому .что сложно делать). Если не понятно описал ,нарисую на вашем примере.
Спасибо за совет, попробую начертить новую опору. Покопался в закромах, материал нашел. Но придется еще придумывать кронштейн для серводвигателя.Толщина - 50 мм. Или использую обрезок от другой плиты.
Вложения
IMG_20191012_172927.jpg (72330 просмотров) <a class='original' href='./download/file.php?id=170356&mode=view' target=_blank>Загрузить оригинал (705.68 КБ)</a>
IMG_20191012_172935.jpg (72330 просмотров) <a class='original' href='./download/file.php?id=170357&mode=view' target=_blank>Загрузить оригинал (811.8 КБ)</a>
overlord21
Новичок
Сообщения: 20
Зарегистрирован: 08 окт 2019, 18:34
Репутация: 8
Настоящее имя: Дмитрий Максимов
Откуда: Татарстан
Контактная информация:

Re: Бесконсольный фрезерный из бетона по стали 500*200*300

Сообщение overlord21 »

Крестовый стол.JPG (72285 просмотров) <a class='original' href='./download/file.php?id=170369&mode=view' target=_blank>Загрузить оригинал (96.08 КБ)</a>
Переделал опору швп.
Прижим подшипников.JPG (72285 просмотров) <a class='original' href='./download/file.php?id=170368&mode=view' target=_blank>Загрузить оригинал (85.76 КБ)</a>
Крепеж М6.
Опора швп с креплением на торец2.JPG (72285 просмотров) <a class='original' href='./download/file.php?id=170366&mode=view' target=_blank>Загрузить оригинал (69.5 КБ)</a>
Крепеж М10
Опора швп с креплением на торец.JPG (72285 просмотров) <a class='original' href='./download/file.php?id=170365&mode=view' target=_blank>Загрузить оригинал (102.57 КБ)</a>
В сборе.
Нужно придумать кронштейн серводвигателя на прямой привод.
overlord21
Новичок
Сообщения: 20
Зарегистрирован: 08 окт 2019, 18:34
Репутация: 8
Настоящее имя: Дмитрий Максимов
Откуда: Татарстан
Контактная информация:

Re: Бесконсольный фрезерный из бетона по стали 500*200*300

Сообщение overlord21 »

Посмотрел допуски на установочные поверхности рельс RGR30(шабрить придется много). Хотелось бы услышать мнение про роликовые рельсы: целесообразно ли их использовать в этом проекте?
Hugo
Мастер
Сообщения: 1369
Зарегистрирован: 15 окт 2018, 19:39
Репутация: 303
Настоящее имя: Юрий
Контактная информация:

Re: Бесконсольный фрезерный из бетона по стали 500*200*300

Сообщение Hugo »

Какой то не симпатичный монстр у вас получается... Ваша глыба бетона и качество заливки как-то доверия не внушает...
Изображение

Извиняюсь, конечно, может вы будете "колеса паровоза" на нем фрезеровать... или "литые поковки" драть...
Не нравиться. Без обид. ИМХО

PS! в интернете много дельных-красивых вертикальных станков, присмотритесь!
Ответить

Вернуться в «Фрезерные станки по металлам»