Валкодер для ЧПУ пульта
- smart4on
- Почётный участник

- Сообщения: 160
- Зарегистрирован: 27 июн 2016, 18:54
- Репутация: 34
- Настоящее имя: Михаил
- Откуда: Беларусь, Минск
- Контактная информация:
Валкодер для ЧПУ пульта
Ребята всем привет!
Решил заняться изготовлением пульта для своего станка. Не уверен что эта вещь нужна мне как воздух, поэтому решил начать с самодельного варианта.
Пересмотрев кучу вариантов понял что мне нужен простой пульт с возможностью переключения осей и шага, на подобии этого: Маховичек можно было заказать с Китая: Но опять таки 14у.е. тратить на игрушки не особо горю желанием. Лучше ZTT фрезу купить и сломать ее в поисках оптимальных режимов фрезеровки)
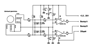
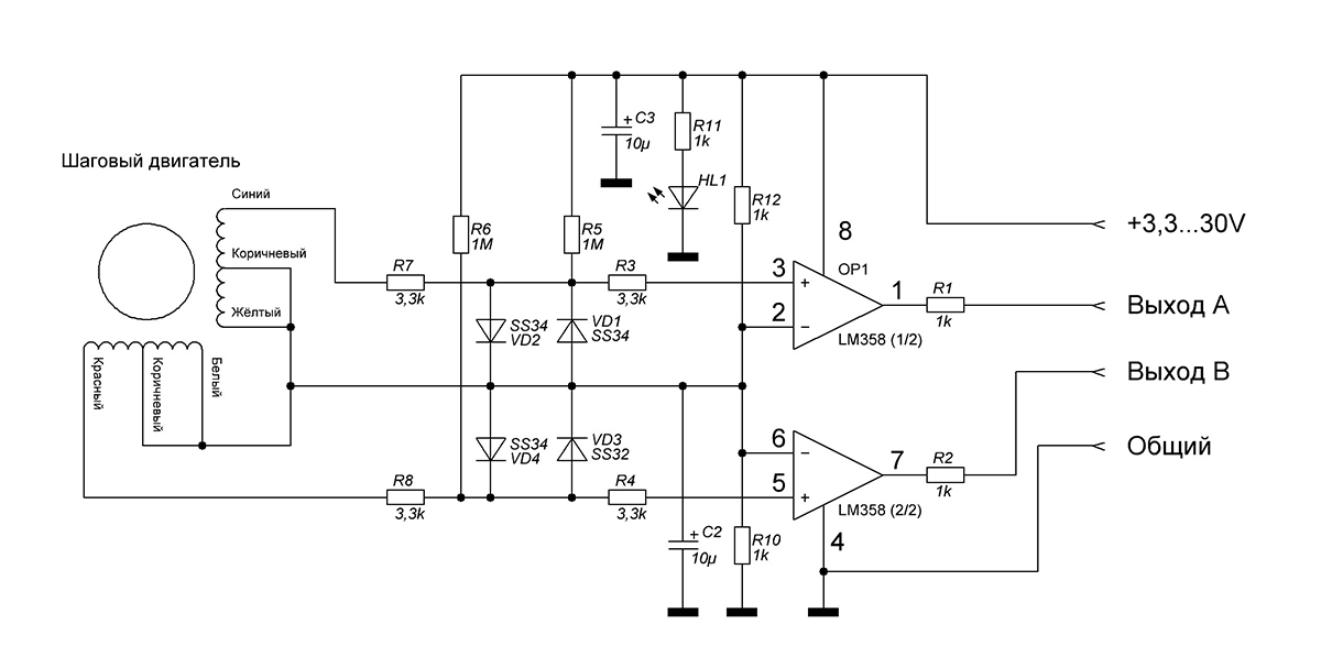
Поэтому решил сделать валкодер из ШД. Схема достаточно простая и проверенная: Собрал. Все работает. Но есть нюанс, если провернуть ШД на один "щелчек", то на осциллографе появляется высокий уровень сигнала (а не импульс). Т.е. Для корректной работы мне нужно два "щелчка" на один правильный сигнал, или 200шагов/2=100имп/об. как это пишут в заводском исполнении.
Может быть уже кто-то занимался этим вопросом, как это можно сделать? Обязательно ли добавлять контроллер? Или можно обойтись программной частью mach 3?
Подключать пульт собираюсь через второй LPT порт. ПО mach3 или если получиться, одновременно и нсстудио.
Решил заняться изготовлением пульта для своего станка. Не уверен что эта вещь нужна мне как воздух, поэтому решил начать с самодельного варианта.
Пересмотрев кучу вариантов понял что мне нужен простой пульт с возможностью переключения осей и шага, на подобии этого: Маховичек можно было заказать с Китая: Но опять таки 14у.е. тратить на игрушки не особо горю желанием. Лучше ZTT фрезу купить и сломать ее в поисках оптимальных режимов фрезеровки)
Поэтому решил сделать валкодер из ШД. Схема достаточно простая и проверенная: Собрал. Все работает. Но есть нюанс, если провернуть ШД на один "щелчек", то на осциллографе появляется высокий уровень сигнала (а не импульс). Т.е. Для корректной работы мне нужно два "щелчка" на один правильный сигнал, или 200шагов/2=100имп/об. как это пишут в заводском исполнении.
Может быть уже кто-то занимался этим вопросом, как это можно сделать? Обязательно ли добавлять контроллер? Или можно обойтись программной частью mach 3?
Подключать пульт собираюсь через второй LPT порт. ПО mach3 или если получиться, одновременно и нсстудио.
-
lkbyysq
- Мастер
- Сообщения: 2284
- Зарегистрирован: 14 май 2016, 09:40
- Репутация: 346
- Настоящее имя: Станислав Ерофеев
- Откуда: Санкт-Петербург
Re: Валкодер для ЧПУ пульта
Одновибратор добавить. Будет импульс.
Последний раз редактировалось lkbyysq 25 июл 2018, 18:16, всего редактировалось 1 раз.
- MX_Master
- Мастер
- Сообщения: 7488
- Зарегистрирован: 27 июн 2015, 19:45
- Репутация: 3113
- Настоящее имя: Михаил
- Откуда: Алматы
- Контактная информация:
Re: Валкодер для ЧПУ пульта
Про нативную поддержку энкодеров в Mach3 не скажу. А вот в LinuxCNC завести ручные энкодеры (по 0.5$) и накатать свою логику - нет проблем. Цена времени и общей конструкции с шаговиком может выйти на уровень тех же 14$, или дороже.
-
lkbyysq
- Мастер
- Сообщения: 2284
- Зарегистрирован: 14 май 2016, 09:40
- Репутация: 346
- Настоящее имя: Станислав Ерофеев
- Откуда: Санкт-Петербург
Re: Валкодер для ЧПУ пульта
Не должна она работать как надо. Постоянное вращение будет отрабатывать. А вот в неподвижном состоянии хрень какая-то. На ОУ нет положительной обратной связи, значит стабильных состояний не будет. А должны быть.smart4on писал(а):Собрал. Все работает.
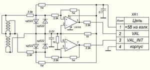
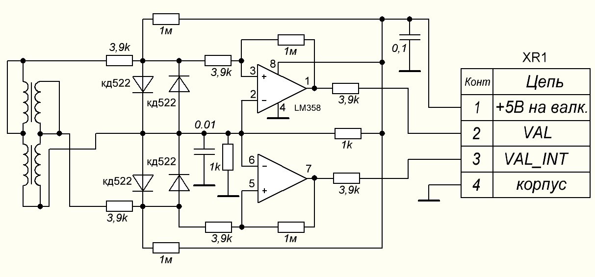
Вот схема более рабочая.

- Сергей Саныч
- Мастер
- Сообщения: 9116
- Зарегистрирован: 30 май 2012, 14:20
- Репутация: 2858
- Откуда: Тюмень
- Контактная информация:
-
lkbyysq
- Мастер
- Сообщения: 2284
- Зарегистрирован: 14 май 2016, 09:40
- Репутация: 346
- Настоящее имя: Станислав Ерофеев
- Откуда: Санкт-Петербург
Re: Валкодер для ЧПУ пульта
А это правильные диаграммы, которые должны быть на выходе валкодера.
И мач, и энцеха их съедят.
Последний раз редактировалось lkbyysq 25 июл 2018, 18:44, всего редактировалось 3 раза.
-
lkbyysq
- Мастер
- Сообщения: 2284
- Зарегистрирован: 14 май 2016, 09:40
- Репутация: 346
- Настоящее имя: Станислав Ерофеев
- Откуда: Санкт-Петербург
Re: Валкодер для ЧПУ пульта
Я вот тоже так сразу понять не могу.Сергей Саныч писал(а):Зачем половины обмоток закорочены?
Вот с ПОС и тоже обмотки закорочены.
Работает или нет не найти.
-
lkbyysq
- Мастер
- Сообщения: 2284
- Зарегистрирован: 14 май 2016, 09:40
- Репутация: 346
- Настоящее имя: Станислав Ерофеев
- Откуда: Санкт-Петербург
Re: Валкодер для ЧПУ пульта
А катушки ведь вроде не на одном магнитопроводе сидят. Значит закороченные обмотки на соседние влиять не будут. Но дадут эффект динамического торможения.
- smart4on
- Почётный участник

- Сообщения: 160
- Зарегистрирован: 27 июн 2016, 18:54
- Репутация: 34
- Настоящее имя: Михаил
- Откуда: Беларусь, Минск
- Контактная информация:
Re: Валкодер для ЧПУ пульта
Мужики, схема выложенная мною действительно не очень стабильно работает. Резисторы 1МОм в цепи обратной связи исправляет ситуацию.
Фото готовой платки: По поводу закороченных полу обмоток, они нужны для более четкого и жесткого вращения (шага) мотора. На практике я подключал обычный шд (4 провода) все работает стабильно.
MX_Master, По поводу окупаемости, ШД взят от принтера, поэтому на него я не тратился. LM358 была выпаяна мною. Расыпуха практически ничего не стоит.
Самая дорогая вещь - это плата расширения PCI-LPT (5у.е.). Но без нее и готовый пульт не подключишь.
По времени, соглашусь, но другого ответа на вопрос: "нужно ли мне все это" мне не получить за бюджетно. Буду колупаться.
lkbyysq, осциллограмма очень похожа на то что вы показали.
Попробую добавить схему одновибратора на нескольких транзисторах в скором времени.
Фото готовой платки: По поводу закороченных полу обмоток, они нужны для более четкого и жесткого вращения (шага) мотора. На практике я подключал обычный шд (4 провода) все работает стабильно.
MX_Master, По поводу окупаемости, ШД взят от принтера, поэтому на него я не тратился. LM358 была выпаяна мною. Расыпуха практически ничего не стоит.
Самая дорогая вещь - это плата расширения PCI-LPT (5у.е.). Но без нее и готовый пульт не подключишь.
По времени, соглашусь, но другого ответа на вопрос: "нужно ли мне все это" мне не получить за бюджетно. Буду колупаться.
lkbyysq, осциллограмма очень похожа на то что вы показали.
Попробую добавить схему одновибратора на нескольких транзисторах в скором времени.
-
lkbyysq
- Мастер
- Сообщения: 2284
- Зарегистрирован: 14 май 2016, 09:40
- Репутация: 346
- Настоящее имя: Станислав Ерофеев
- Откуда: Санкт-Петербург
Re: Валкодер для ЧПУ пульта
Не нужен одновибратор в этой схеме. Она самодостаточна. Это квадратурный энкодер, который подходит для мача и энцехи.
Он нужен для других протоколов. Это CLK+/CLK- и STEP/DIR. Мач их может и понимает, но энцеха через задницу только.
Он нужен для других протоколов. Это CLK+/CLK- и STEP/DIR. Мач их может и понимает, но энцеха через задницу только.
- smart4on
- Почётный участник

- Сообщения: 160
- Зарегистрирован: 27 июн 2016, 18:54
- Репутация: 34
- Настоящее имя: Михаил
- Откуда: Беларусь, Минск
- Контактная информация:
Re: Валкодер для ЧПУ пульта
Так вы же сами предложили решение проблемы...)lkbyysq писал(а):Не нужен одновибратор в этой схеме. Она самодостаточна. Это квадратурный энкодер, который подходит для мача и энцехи.
Он нужен для других протоколов. Это CLK+/CLK- и STEP/DIR. Мач их может и понимает, но энцеха через задницу только.
Процитирую:
Но есть нюанс, если провернуть ШД на один "щелчек", то на осциллографе появляется высокий уровень сигнала (а не импульс). Т.е. Для корректной работы мне нужно два "щелчка" на один правильный сигнал, или 200шагов/2=100имп/об. как это пишут в заводском исполнении.
Может быть уже кто-то занимался этим вопросом, как это можно сделать?
-
lkbyysq
- Мастер
- Сообщения: 2284
- Зарегистрирован: 14 май 2016, 09:40
- Репутация: 346
- Настоящее имя: Станислав Ерофеев
- Откуда: Санкт-Петербург
Re: Валкодер для ЧПУ пульта
И мачу и энцехе уже подойдет.smart4on писал(а):ПО mach3 или если получиться, одновременно и нсстудио.
Увеличить импульсы в четыре раза можно достаточно просто, в результате получатся протоколы CLK+/CLK- или STEP/DIR. Но не уверен, что мач их поймет (научить думаю можно), а энцеха если и поймет, то через задницу.
Ключевая фраза "декодер квадратурного сигнала".
- Сергей Саныч
- Мастер
- Сообщения: 9116
- Зарегистрирован: 30 май 2012, 14:20
- Репутация: 2858
- Откуда: Тюмень
- Контактная информация:
Re: Валкодер для ЧПУ пульта
Конкретно эти полуобмотки - на одном. У двигателей, что я разбирал, они вообще в два провода намотаны. Во всяком случае, индуктивность полной обмотки больше индуктивности половины в 4 раза, а не в два.lkbyysq писал(а):катушки ведь вроде не на одном магнитопроводе сидят
То есть имеем магнитную связь около 100%. Соответственно, ЭДС с оставшейся полуобмотки будет значительно уменьшена.
А для ощущения фиксации имеет смысл пропустить через одну из полуобмоток небольшой ток. Например, через резистор в несколько десятков ом от 5В.
Чудес не бывает. Бывают фокусы.
-
lkbyysq
- Мастер
- Сообщения: 2284
- Зарегистрирован: 14 май 2016, 09:40
- Репутация: 346
- Настоящее имя: Станислав Ерофеев
- Откуда: Санкт-Петербург
Re: Валкодер для ЧПУ пульта
На заметку.
Быстрые платы пятой NcStudio работают с таким валкодером криво. При использовании шага в 1мм гарантированы пропуски шагов вплоть до срыва движения или ухода драйвера в защиту. Рекомендую задать ускорение валкодера не более 200, пусть и при этом будет наблюдаться безумный перебег. При шаге 0.1 уже нормально. Но все равно мягкого движения не наблюдается.
Быстрые платы пятой NcStudio работают с таким валкодером криво. При использовании шага в 1мм гарантированы пропуски шагов вплоть до срыва движения или ухода драйвера в защиту. Рекомендую задать ускорение валкодера не более 200, пусть и при этом будет наблюдаться безумный перебег. При шаге 0.1 уже нормально. Но все равно мягкого движения не наблюдается.
- smart4on
- Почётный участник

- Сообщения: 160
- Зарегистрирован: 27 июн 2016, 18:54
- Репутация: 34
- Настоящее имя: Михаил
- Откуда: Беларусь, Минск
- Контактная информация:
Re: Валкодер для ЧПУ пульта
Подключил к ПК по LPT кабелю. Не работает.
Вопрос можно ли как-то инвертировать сигнал от валкодера? До подключения осциллограмму снимал относительно 5В питания, я так понимаю что такой сигнал мач3 нормально не воспринимает.
Вопрос можно ли как-то инвертировать сигнал от валкодера? До подключения осциллограмму снимал относительно 5В питания, я так понимаю что такой сигнал мач3 нормально не воспринимает.
-
lkbyysq
- Мастер
- Сообщения: 2284
- Зарегистрирован: 14 май 2016, 09:40
- Репутация: 346
- Настоящее имя: Станислав Ерофеев
- Откуда: Санкт-Петербург
Re: Валкодер для ЧПУ пульта
Где схема подключения?smart4on писал(а):Подключил к ПК по LPT кабелю. Не работает.
- smart4on
- Почётный участник

- Сообщения: 160
- Зарегистрирован: 27 июн 2016, 18:54
- Репутация: 34
- Настоящее имя: Михаил
- Откуда: Беларусь, Минск
- Контактная информация:
Re: Валкодер для ЧПУ пульта
А- DB25-2
B- DB25-3
VDD (5V) и GND подаются отдельно от БП.
Все остальное подключение пока что не имеет никакой значимости (Точнее не зависит на работу валкодера)
Основу брал на основании схемы китайского пульта:
B- DB25-3
VDD (5V) и GND подаются отдельно от БП.
Все остальное подключение пока что не имеет никакой значимости (Точнее не зависит на работу валкодера)
Основу брал на основании схемы китайского пульта:
-
lkbyysq
- Мастер
- Сообщения: 2284
- Зарегистрирован: 14 май 2016, 09:40
- Репутация: 346
- Настоящее имя: Станислав Ерофеев
- Откуда: Санкт-Петербург
Re: Валкодер для ЧПУ пульта
Детский сад.
GND объедините.
GND объедините.
- smart4on
- Почётный участник

- Сообщения: 160
- Зарегистрирован: 27 июн 2016, 18:54
- Репутация: 34
- Настоящее имя: Михаил
- Откуда: Беларусь, Минск
- Контактная информация:
Re: Валкодер для ЧПУ пульта
lkbyysq писал(а):Детский сад.
GND объедините.
Когда писал ответ, тоже самое коротнуло в голове)
Буду пробовать уже в понедельник.
- Сергей Саныч
- Мастер
- Сообщения: 9116
- Зарегистрирован: 30 май 2012, 14:20
- Репутация: 2858
- Откуда: Тюмень
- Контактная информация:
Re: Валкодер для ЧПУ пульта
Контакты 2 и 3 LPT в стандартном режиме - это выходы.
Чудес не бывает. Бывают фокусы.