EMC2 + MESA 5i22 + MESA 7i48 плавно и с нуля

Работа с платами MESA, подключение, конфигурация.
Аватара пользователя
Loituma
Мастер
Сообщения: 512
Зарегистрирован: 28 ноя 2011, 21:45
Репутация: 57
Контактная информация:

EMC2 + MESA 5i22 + MESA 7i48 плавно и с нуля

Сообщение Loituma »

Добрый день, открываю тему своих изысканий, что бы другим было легче чем мне ;)

И так что имеем:
4 сервы estun + один внешний энкодер который отслеживает один из сервов на пробуксовывание.
Компьютер с ЕМС2
Mesa 5i22
Mesa 7i48

Требуется подключить и заставить работать.

Собрал в офисе лабораторный стенд на нем и будем тренироваться....

Сразу дополню, что в подключении сервов и мес я полный 0, хотя опыт в шаговиках есть...

Собрал лабораторный стенд, на нем и будем тестить...
Вложения
SAM_0256.JPG (5526 просмотров) <a class='original' href='./download/file.php?id=3775&mode=view' target=_blank>Загрузить оригинал (532.6 КБ)</a>
SAM_0257.JPG (5526 просмотров) <a class='original' href='./download/file.php?id=3776&mode=view' target=_blank>Загрузить оригинал (489.67 КБ)</a>
Аватара пользователя
Loituma
Мастер
Сообщения: 512
Зарегистрирован: 28 ноя 2011, 21:45
Репутация: 57
Контактная информация:

Re: EMC2 + MESA 5i22 + MESA 7i48 плавно и с нуля

Сообщение Loituma »

Что было сделано:
Собрана механика станка, станок будет 3d wire bender или по простому гибочник проволоки из бухты в 3х измерениях...

Сервы китайские а потому большая синяя коробка это преобразователь на 110 вольт.
спаян переходник 50 пин между mesa 5i22 и mesa 7i48
SAM_0258.JPG (5525 просмотров) <a class='original' href='./download/file.php?id=3777&mode=view' target=_blank>Загрузить оригинал (543.46 КБ)</a>
Распаян микроцентроникс и частично подключен.
Аватара пользователя
Loituma
Мастер
Сообщения: 512
Зарегистрирован: 28 ноя 2011, 21:45
Репутация: 57
Контактная информация:

Re: EMC2 + MESA 5i22 + MESA 7i48 плавно и с нуля

Сообщение Loituma »

Выкладываю исходные файлы от mesa и estun

Так как estun слишком велик, даю ссылку на исходник с офф сайта: 1298270081734.pdf
Вложения
5i22ds.pdf
(313.82 КБ) 1310 скачиваний
5i22man.pdf
(168.9 КБ) 1695 скачиваний
7i48man.pdf
(243.88 КБ) 2014 скачиваний
Аватара пользователя
Loituma
Мастер
Сообщения: 512
Зарегистрирован: 28 ноя 2011, 21:45
Репутация: 57
Контактная информация:

Re: EMC2 + MESA 5i22 + MESA 7i48 плавно и с нуля

Сообщение Loituma »

При включении питания компьютера mesa 5i22 засветилась красным огоньком, а вот 7i44 не оживает, наверно все таки надо питание в 5 вольт подводить, хотя в мануале написано следующее:
The 7I48 can get its operating power from the flat FPGA cable or from P1. For
testing and with very low power encoders, cable power can be used. W1 selects whether
cable power connects to the 7I48s 5V supply. If W1 is in the "RIGHT" position, cable
power is selected. If W1 is in the "LEFT" position, external 5V power must be supplied via
P1.
а значит, что можно с кабеля в 50 пин снимать 5 вольт, но их нет....
Аватара пользователя
Loituma
Мастер
Сообщения: 512
Зарегистрирован: 28 ноя 2011, 21:45
Репутация: 57
Контактная информация:

Re: EMC2 + MESA 5i22 + MESA 7i48 плавно и с нуля

Сообщение Loituma »

Почитал про 7i48 - вроде там нет светодиодов для индикации чего бы то не было...
поехали дальше...

Запускаем консоль из: aplications-accessories--terminal прописываем в строке pncconf

и попадаем в святую святых :D
Вложения
SAM_0259.JPG (5520 просмотров) <a class='original' href='./download/file.php?id=3781&mode=view' target=_blank>Загрузить оригинал (511.16 КБ)</a>
Аватара пользователя
Loituma
Мастер
Сообщения: 512
Зарегистрирован: 28 ноя 2011, 21:45
Репутация: 57
Контактная информация:

Re: EMC2 + MESA 5i22 + MESA 7i48 плавно и с нуля

Сообщение Loituma »

Поехали дальше:
Окно: Create or Edite (создать или редактировать)

Создаем свой конфиг и идем дальше...

Я назову свою папку estun...

Конфигурация у меня XYZA в миллиметрах

Все остальное менять не стал, так как про период уже много сказанно, и галочка стоит на меса конфигурации...
SAM_0260.JPG (5519 просмотров) <a class='original' href='./download/file.php?id=3782&mode=view' target=_blank>Загрузить оригинал (584.36 КБ)</a>
Следующая страница: external controls (внешний контроль):
у себя ничего устанавливать не стал, так как ограничений у меня нет пока...
Кстати надпись external MPG - это внешний пульт управления (долго искал перевод этой фразы)
Аватара пользователя
Loituma
Мастер
Сообщения: 512
Зарегистрирован: 28 ноя 2011, 21:45
Репутация: 57
Контактная информация:

Re: EMC2 + MESA 5i22 + MESA 7i48 плавно и с нуля

Сообщение Loituma »

GUI Configuration
Gui - это графический интерфейс пользователя
Виртуальные панели оставим для виртуозов...

Все галочки оставляем по дефолту, а именно на обязательное хомирование перед началом программы и окно смены инструмента (мне не мешает, так что пусть будет)
Аватара пользователя
Nick
Мастер
Сообщения: 22776
Зарегистрирован: 23 ноя 2009, 16:45
Репутация: 1735
Заслуга: Developer
Откуда: Gatchina, Saint-Petersburg distr., Russia
Контактная информация:

Re: EMC2 + MESA 5i22 + MESA 7i48 плавно и с нуля

Сообщение Nick »

Кстати, хочу заметить, что параметры pid сервы нужно будет настраивать на станке, на стенде параметры будут совсем другими, да и серва может подглючивать совсем без нагрузки.
Ждем продолжения :beer_blow:
Аватара пользователя
Loituma
Мастер
Сообщения: 512
Зарегистрирован: 28 ноя 2011, 21:45
Репутация: 57
Контактная информация:

Re: EMC2 + MESA 5i22 + MESA 7i48 плавно и с нуля

Сообщение Loituma »

Ник, продолжение завтра, сегодня бейлис + виски + колла с другом на производстве, а пьяный я к технике редко лезу...
Аватара пользователя
Nick
Мастер
Сообщения: 22776
Зарегистрирован: 23 ноя 2009, 16:45
Репутация: 1735
Заслуга: Developer
Откуда: Gatchina, Saint-Petersburg distr., Russia
Контактная информация:

Re: EMC2 + MESA 5i22 + MESA 7i48 плавно и с нуля

Сообщение Nick »

Loituma писал(а):а пьяный я к технике редко лезу...
Это первое правило техники безопасности :mrgreen:
Аватара пользователя
Loituma
Мастер
Сообщения: 512
Зарегистрирован: 28 ноя 2011, 21:45
Репутация: 57
Контактная информация:

Re: EMC2 + MESA 5i22 + MESA 7i48 плавно и с нуля

Сообщение Loituma »

Ну чтож, я сного продолжаю свой не легкий путь...

В данный момент собран источник питания из подвернувшегося ПЛК от митсубиси из демо комплекта... Кстати в комплекте есть отличная программа которая обучает простейшей релейной логике на ПЛК, то есть программированию... кому надо могу выложить.
SAM_0265.JPG (5492 просмотра) <a class='original' href='./download/file.php?id=3798&mode=view' target=_blank>Загрузить оригинал (585.45 КБ)</a>
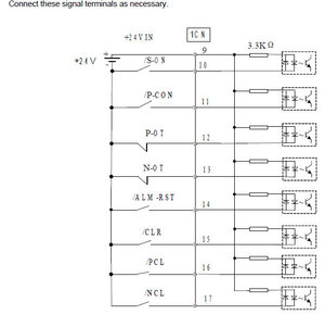
Коммутируем согласно схеме:
Image1.jpg (5492 просмотра) <a class='original' href='./download/file.php?id=3799&mode=view' target=_blank>Загрузить оригинал (49.38 КБ)</a>
А тут мелкий примерчик как делается релейная логика на коленке
SAM_0264.JPG (5492 просмотра) <a class='original' href='./download/file.php?id=3797&mode=view' target=_blank>Загрузить оригинал (463.69 КБ)</a>
Аватара пользователя
Loituma
Мастер
Сообщения: 512
Зарегистрирован: 28 ноя 2011, 21:45
Репутация: 57
Контактная информация:

Re: EMC2 + MESA 5i22 + MESA 7i48 плавно и с нуля

Сообщение Loituma »

Новое окно борьбы:
SAM_0266.JPG (5487 просмотров) <a class='original' href='./download/file.php?id=3800&mode=view' target=_blank>Загрузить оригинал (491.27 КБ)</a>
Выбираем 5i22 к сожалению связки нет с 7ш48 потому не знаю, что выйдет.

Тут же на форуме от Ника прочитал, что прошивка не имеет большого значения, а значит оставляем как есть.

Следующий параметр: PWM - его следует искать в характеристиках платы с которой работаете из месс в моем случае это будет 7i48 и соответственно из мануала:
The 7I48 is meant to operate with PWM rates from 24 KHz to 500 KHz.
Делаю вывод, что надо бы уменьшить 100KHz мне хватит для начала.
Следующий параметр: PDM - по нему у меня в мануале есть только следующее замечание:
operation at higher PWM rates or with PDM with higher than 10 MHz base frequency will result in poor linearity.
Потому делаю вывод, что лучше оставить на уровне с PWM

Про след параметр Watchdog timeout вообще ни где не нашел упоминания потому оставляю как есть...

Количество энкодеров в моем случае 5
Количество Шим генераторов 4 у меня
Аватара пользователя
Loituma
Мастер
Сообщения: 512
Зарегистрирован: 28 ноя 2011, 21:45
Репутация: 57
Контактная информация:

Re: EMC2 + MESA 5i22 + MESA 7i48 плавно и с нуля

Сообщение Loituma »

Нажимаем в Accept и появляются вкладки с I/O Connectors

Настраиваю все энкодеры и ШИМ генераторы (просто не знаю в какой попаду) )))
SAM_0268.JPG (5487 просмотров) <a class='original' href='./download/file.php?id=3801&mode=view' target=_blank>Загрузить оригинал (487.25 КБ)</a>
SAM_0268.JPG (5487 просмотров) <a class='original' href='./download/file.php?id=3801&mode=view' target=_blank>Загрузить оригинал (487.25 КБ)</a>
Вложения
SAM_0269.JPG (5487 просмотров) <a class='original' href='./download/file.php?id=3802&mode=view' target=_blank>Загрузить оригинал (536.95 КБ)</a>
Аватара пользователя
Nick
Мастер
Сообщения: 22776
Зарегистрирован: 23 ноя 2009, 16:45
Репутация: 1735
Заслуга: Developer
Откуда: Gatchina, Saint-Petersburg distr., Russia
Контактная информация:

Re: EMC2 + MESA 5i22 + MESA 7i48 плавно и с нуля

Сообщение Nick »

Loituma писал(а):Про след параметр Watchdog timeout вообще ни где не нашел упоминания потому оставляю как есть.
Эта штука раз в указанное время сбрасывает специальный таймер на плате, если его регулярно не сбрасывать и он досчитает до определенного значения плата подумает, что что-то не так и выдаст ошибку. Как-то так, но точную реализацию я не знаю. все правильно сделал - лучше значение не менять :).
Loituma писал(а):Настраиваю все энкодеры и ШИМ генераторы (просто не знаю в какой попаду) )))
А почему у тебя два энкодера и два ШИМ по Y?

ЗЫ Кстати, зачем ты мучаешься с фотоаппаратом, в Linux есть волшебная обработка кнопки Print Screen (Prt Scr, рядом со Scroll Lock), попробуй нажать ее ;).
Аватара пользователя
Loituma
Мастер
Сообщения: 512
Зарегистрирован: 28 ноя 2011, 21:45
Репутация: 57
Контактная информация:

Re: EMC2 + MESA 5i22 + MESA 7i48 плавно и с нуля

Сообщение Loituma »

А потому что я пишу с ноута под вин7, а тестовый стоит рядом со всей требухой...

Скрин не верный, я у себя исправил когда копался и пытался понять в почему у меня 3 за место 5ти энкодеров 8-D потом дошло, что поставил по 2 на ось
Аватара пользователя
Loituma
Мастер
Сообщения: 512
Зарегистрирован: 28 ноя 2011, 21:45
Репутация: 57
Контактная информация:

Re: EMC2 + MESA 5i22 + MESA 7i48 плавно и с нуля

Сообщение Loituma »

SAM_0270.JPG (5479 просмотров) <a class='original' href='./download/file.php?id=3806&mode=view' target=_blank>Загрузить оригинал (556.54 КБ)</a>
Вот тут все серьезнее и надо рыть документацию по станку...
дано
P: - Что это за параметр?
I: - Что это за параметр?
D: - Что это за параметр?
FF0: - FF0 = 0 ( HAL ) Коэффициент прямой передачи нулевого порядка
FF1: - FF1 = 0 ( HAL ) прямой передачи первого порядка.
FF2:
Bias: -Это я так понимаю начальное смещение, если серва у нас куда то бежать пытается... (спасибо Нику)
Deathband:--- Тоже не понятно, что за параметр
Dac Output Scale: Шкала выхода напряжения оставляем еденицу
Das Max Output: Максимум 10 вольт, так как управляем до 10
Das Output Offset: - это для того случая, когда вход у сервы не -+10В, а скажем 0-20В. (спасибо Нику)

Прокомментируйте кто знает, что за параметры такие...
Последний раз редактировалось Loituma 20 янв 2012, 13:44, всего редактировалось 1 раз.
Аватара пользователя
Nick
Мастер
Сообщения: 22776
Зарегистрирован: 23 ноя 2009, 16:45
Репутация: 1735
Заслуга: Developer
Откуда: Gatchina, Saint-Petersburg distr., Russia
Контактная информация:

Re: EMC2 + MESA 5i22 + MESA 7i48 плавно и с нуля

Сообщение Nick »

Loituma писал(а):P: - Что это за параметр?I: - Что это за параметр?D: - Что это за параметр?FF0: - FF0 = 0 ( HAL ) Коэффициент прямой передачи нулевого порядкаFF1: - FF1 = 0 ( HAL ) прямой передачи первого порядка. FF2:Bias: - в переводе "ПРЕДУПРЕЖДЕНИЕ" Что это такое?
Это здесь: http://cnc-club.ru/forum/viewtopic.php? ... =40#p13917
и тут: http://roboforum.ru/wiki/Перевод_статьи ... оритмах%22
http://powergroup.com.ua/obschaya_nastr ... egulyatora
Loituma писал(а):Das Output Offset: - Это я так понимаю начальное смещение, если серва у нас куда то бежать пытается...
Это смещение, но не для того случая, когда серва бежит, это для того случая, когда вход у сервы не -+10В, а скажем 0-20В. От убегания параметр Bias
Аватара пользователя
Loituma
Мастер
Сообщения: 512
Зарегистрирован: 28 ноя 2011, 21:45
Репутация: 57
Контактная информация:

Re: EMC2 + MESA 5i22 + MESA 7i48 плавно и с нуля

Сообщение Loituma »

На этой же странице есть и другие параметры про которые я забыл: в частности:

Axis scile - перемещение по оси на оборот я так понимаю, хотя не уверен, но поставим 5 мм
MAX Velocity - максимальная скорость
MAX Acseleration - максимальное ускорение
Rapid speed following error - я так понял, что это допустимая ошибка на холостом
Feed speed following error - Это ошибка при рабочем режиме (могу ошибаться, поправьте кто знает)
Аватара пользователя
Loituma
Мастер
Сообщения: 512
Зарегистрирован: 28 ноя 2011, 21:45
Репутация: 57
Контактная информация:

Re: EMC2 + MESA 5i22 + MESA 7i48 плавно и с нуля

Сообщение Loituma »

Nick писал(а):
Loituma писал(а):P: - Что это за параметр?I: - Что это за параметр?D: - Что это за параметр?FF0: - FF0 = 0 ( HAL ) Коэффициент прямой передачи нулевого порядкаFF1: - FF1 = 0 ( HAL ) прямой передачи первого порядка. FF2:Bias: - в переводе "ПРЕДУПРЕЖДЕНИЕ" Что это такое?
Это здесь: http://cnc-club.ru/forum/viewtopic.php? ... =40#p13917
и тут: http://roboforum.ru/wiki/Перевод_статьи ... оритмах%22
http://powergroup.com.ua/obschaya_nastr ... egulyatora
Loituma писал(а):Das Output Offset: - Это я так понимаю начальное смещение, если серва у нас куда то бежать пытается...
Это смещение, но не для того случая, когда серва бежит, это для того случая, когда вход у сервы не -+10В, а скажем 0-20В. От убегания параметр Bias
Сейчас поправлю, что бы людей не вводить в заблуждение.
Аватара пользователя
Loituma
Мастер
Сообщения: 512
Зарегистрирован: 28 ноя 2011, 21:45
Репутация: 57
Контактная информация:

Re: EMC2 + MESA 5i22 + MESA 7i48 плавно и с нуля

Сообщение Loituma »

Все попробовал, при нажатии клавиши Test/tune axis выдает сообщение: servo tuning is not finished

В общем сегодня мне его запустить не удалось... печалька.

Почитаю сегодня мануал по серводвигателю и постараюсь найти в нем как можно активировать двигатель при помощи внутреннего ШИМа.

Еще есть подозрение, что связка 5i22+7i48 не работаеn и не может друг другу объяснить, что делать и кто виноват... Может на прямую сделать? минуя 7i48
Ответить

Вернуться в «MESA»