Восстановление токарного ИЖ 250ИТВМ.01

Токарные станки с ЧПУ.
tzar
Мастер
Сообщения: 353
Зарегистрирован: 26 дек 2014, 23:52
Репутация: 61
Настоящее имя: Сергей
Откуда: Казахстан, Караганда
Контактная информация:

Восстановление токарного ИЖ 250ИТВМ.01

Сообщение tzar »

Описание станка, основные характеристики:
Наибольшее сечение резца - 16 х 16 мм
Размер конуса шпинделя - Морзе 4
Размер конуса пиноли задней бабки - Морзе 3
Наибольшее перемещение пиноли - 85 мм
Наибольшее поперечное перемещение суппорта - 165 мм
Наибольшее поперечное перемещение верхних салазок - 120 мм
Пределы частот вращения шпинделя - 24-2500 об/мин
Пределы продольных подач - 0.01-1.8 мм/об
Пределы поперечных подач - 0.005-0.9 мм/об
Габаритные размеры - 1790 х 810 х 1400 мм
Вес - 1180 кг.

Рабочее поле:
Наибольший диаметр обрабатываемой заготовки - 240 мм
Наибольшая длина обрабатываемой заготовки - 500 мм
Наибольший диаметр обрабатываемого прутка - 24 мм

Ориентировочный бюджет:
Да кто же его знает... Желания и требования постоянно растут :hehehe:


С месяц назад стал обладателем ИЖ 250ИТВМ.01. На данный момент не уверен, что обладателем самым счастливым, но, как говориться, "что выросто, то выросло".
В планах восстановить станок до заводских параметров и частично оЧПУшить. Первоначально хотел оЧПУшить полностью, но увидев, что шестерни в редукторе, коробке подач и фартуке в очень хорошем состоянии (несколько покоцана оказалась только пара шестерен в передней бабке) - передумал. Под частичным оЧПУшивание понимаю возможность работы как в ручном режиме крутилками, так и в режиме ЧПУ. Идеи как это сделать есть, а вот что из этого выйдет и выйдет ли вообще - не понятно :thinking:. Но как минимум должен получится 250ИТВМФ1. Это плюс 2 линейки :hehehe:

Станок сразу после разгрузки :
160725-1.jpg (12234 просмотра) <a class='original' href='./download/file.php?id=76167&sid=87e13cb8880a5b773b5686c54b983518&mode=view' target=_blank>Загрузить оригинал (388.41 КБ)</a>
160707-1.jpg (12234 просмотра) <a class='original' href='./download/file.php?id=76166&sid=87e13cb8880a5b773b5686c54b983518&mode=view' target=_blank>Загрузить оригинал (387.84 КБ)</a>
20160218_160637-1.jpg (12234 просмотра) <a class='original' href='./download/file.php?id=76168&sid=87e13cb8880a5b773b5686c54b983518&mode=view' target=_blank>Загрузить оригинал (1.05 МБ)</a>
20160218_160814-1.jpg (12234 просмотра) <a class='original' href='./download/file.php?id=76171&sid=87e13cb8880a5b773b5686c54b983518&mode=view' target=_blank>Загрузить оригинал (1.2 МБ)</a>
20160218_160744-1.jpg (12234 просмотра) <a class='original' href='./download/file.php?id=76169&sid=87e13cb8880a5b773b5686c54b983518&mode=view' target=_blank>Загрузить оригинал (1.58 МБ)</a>
20160218_160753-1.jpg (12234 просмотра) <a class='original' href='./download/file.php?id=76170&sid=87e13cb8880a5b773b5686c54b983518&mode=view' target=_blank>Загрузить оригинал (1.64 МБ)</a>
20160218_160906-1.jpg (12234 просмотра) <a class='original' href='./download/file.php?id=76172&sid=87e13cb8880a5b773b5686c54b983518&mode=view' target=_blank>Загрузить оригинал (1.43 МБ)</a>
Маховик выбора частоты вращения, задняя бабка и ограждение в наличии имеются.
Последний раз редактировалось tzar 28 мар 2016, 11:01, всего редактировалось 2 раза.
tzar
Мастер
Сообщения: 353
Зарегистрирован: 26 дек 2014, 23:52
Репутация: 61
Настоящее имя: Сергей
Откуда: Казахстан, Караганда
Контактная информация:

Re: Восстановление токарного ИЖ 250ИТВМ.01

Сообщение tzar »

Пока станок стоял на улице, я его продул бензином и воздухом, смыв всю грязищу, что была сверху. Чистоте (по сравнению с тем, что было до мойки) радовался не долго, так как ума снять панели и продуть тумбу изнутри у меня по каким-то причина не хватило :thinking:. Затащив станок в помещение и сняв панели обнаружил авгиевы конюшни :freak:, так что придётся повторять подвиг Геракла. Много раз пытался сфотографировать то, что твориться внутри, но фотоаппарат по какой-то причине не может передать происходящее во всей красе. На этой фотографии под двигателем можно увидеть толщину слоя :
IMG_1284-1.jpg (12230 просмотров) <a class='original' href='./download/file.php?id=76173&sid=87e13cb8880a5b773b5686c54b983518&mode=view' target=_blank>Загрузить оригинал (677.41 КБ)</a>
Заодно обнаружилось и отсутсвие присуствия помпы СОЖ :(. На фото видна станция смазки. Похоже, что она не от этого станка :? , так как в руководстве по эксплуатации на схеме изображено нечто иное. На моей отсутствуют предохранительный клапан с реле давления, вход/выход это две отдельные детали, есть какие-то кронштейны для крепления, но внутри станины ничего, куда это можно прикрепить, нет.
Аватара пользователя
Hanter
Мастер
Сообщения: 5414
Зарегистрирован: 27 янв 2012, 14:52
Репутация: 4338
Настоящее имя: Алексей
Откуда: Питер
Контактная информация:

Re: Восстановление токарного ИЖ 250ИТВМ.01

Сообщение Hanter »

на родной маслостанции тоже предохранительного клапана и реле завления нет. и нахрен не нада. станция СОЖ тоже не шибко важная вещь. часто удобнее мазать кисточкой.. и разлетается меньше и расход в разы меньше. а так - вполне нормальный станок. внутри ну грязненько.. но конюшни вы не видели :) я свой почти месяц чистил....
Опыт - это когда на смену вопросам: "Что? Где? Когда? Как? Почему?" Приходит единственный вопрос: "Нахрена?"
==========================================
фрезерная и токарная обработка на станках с чпу.
Резка, гибка, сварка и порошковая окраса.
tzar
Мастер
Сообщения: 353
Зарегистрирован: 26 дек 2014, 23:52
Репутация: 61
Настоящее имя: Сергей
Откуда: Казахстан, Караганда
Контактная информация:

Re: Восстановление токарного ИЖ 250ИТВМ.01

Сообщение tzar »

Hanter писал(а):я свой почти месяц чистил....
Так я вот только на прошлой неделе закончил... Почти :hehehe:
Надо ещё труднодоступные места в тумбе и станине дочистить. Но это уже после того, как станину с тумбы скину.
tzar
Мастер
Сообщения: 353
Зарегистрирован: 26 дек 2014, 23:52
Репутация: 61
Настоящее имя: Сергей
Откуда: Казахстан, Караганда
Контактная информация:

Re: Восстановление токарного ИЖ 250ИТВМ.01

Сообщение tzar »

Итак, продолжаем снимать все панели и крышки...
Снимаем крышку гитары и видим вот это :
IMG_1295-1.jpg (12186 просмотров) <a class='original' href='./download/file.php?id=76184&sid=87e13cb8880a5b773b5686c54b983518&mode=view' target=_blank>Загрузить оригинал (638.65 КБ)</a>
IMG_1303-1.jpg (12186 просмотров) <a class='original' href='./download/file.php?id=76185&sid=87e13cb8880a5b773b5686c54b983518&mode=view' target=_blank>Загрузить оригинал (648.29 КБ)</a>
IMG_1305-1.jpg (12186 просмотров) <a class='original' href='./download/file.php?id=76186&sid=87e13cb8880a5b773b5686c54b983518&mode=view' target=_blank>Загрузить оригинал (617.33 КБ)</a>
Снимаем крышку с передней бабки и видим вот это :
IMG_1290-1.jpg (12186 просмотров) <a class='original' href='./download/file.php?id=76187&sid=87e13cb8880a5b773b5686c54b983518&mode=view' target=_blank>Загрузить оригинал (758.04 КБ)</a>
IMG_1291-1.jpg (12186 просмотров) <a class='original' href='./download/file.php?id=76188&sid=87e13cb8880a5b773b5686c54b983518&mode=view' target=_blank>Загрузить оригинал (530.54 КБ)</a>
IMG_1292-1.jpg (12186 просмотров) <a class='original' href='./download/file.php?id=76189&sid=87e13cb8880a5b773b5686c54b983518&mode=view' target=_blank>Загрузить оригинал (451.94 КБ)</a>
IMG_1293-1.jpg (12186 просмотров) <a class='original' href='./download/file.php?id=76190&sid=87e13cb8880a5b773b5686c54b983518&mode=view' target=_blank>Загрузить оригинал (477.23 КБ)</a>
Вроде как всё нормально. Из косяков я здесь обнаружил вот это :
IMG_1294-1.jpg (12186 просмотров) <a class='original' href='./download/file.php?id=76191&sid=87e13cb8880a5b773b5686c54b983518&mode=view' target=_blank>Загрузить оригинал (534.97 КБ)</a>
Кто-то был не в курсе существования ключа для шлицевых гаек. Гайка затянута, вернее забита, по самые нехочу, но об этом позже.

Открываем электрощит :
IMG_1288-1.jpg (12186 просмотров) <a class='original' href='./download/file.php?id=76192&sid=87e13cb8880a5b773b5686c54b983518&mode=view' target=_blank>Загрузить оригинал (720.43 КБ)</a>
aftaev
Зачётный участник
Зачётный участник
Сообщения: 34042
Зарегистрирован: 04 апр 2010, 19:22
Репутация: 6194
Откуда: Казахстан.
Контактная информация:

Re: Восстановление токарного ИЖ 250ИТВМ.01

Сообщение aftaev »

tzar писал(а):Вроде как всё нормально. Из косяков я здесь обнаружил вот это :
Первая стрелка - это скорее всего били, когда подтягивали подшипы
Вторая стрелка - непонятно в чем косяк?
Дилетанту сложные вещи кажутся очень простыми, и только профессионал понимает насколько сложна самая простая вещь
Кто хочет - ищет возможности, кто не хочет - ищет оправдание.
Найди работу по душе и тебе не придется работать.
tzar
Мастер
Сообщения: 353
Зарегистрирован: 26 дек 2014, 23:52
Репутация: 61
Настоящее имя: Сергей
Откуда: Казахстан, Караганда
Контактная информация:

Re: Восстановление токарного ИЖ 250ИТВМ.01

Сообщение tzar »

Далее обнаружил, что маховиком переключения можно выбрать только 3 скорости, хотя при первоначальном осмотер всё крутилось :thinking:.
Снял и разобрал механизм. Обнаружил в усмерть убитые подшипники. Всё было забито стружкой. Один из 4-х подшипников вращался только в одну сторону, второй только вдругую :hehehe:
IMG_1322-1.jpg (12180 просмотров) <a class='original' href='./download/file.php?id=76193&sid=87e13cb8880a5b773b5686c54b983518&mode=view' target=_blank>Загрузить оригинал (705.59 КБ)</a>
IMG_1323-1.jpg (12180 просмотров) <a class='original' href='./download/file.php?id=76194&sid=87e13cb8880a5b773b5686c54b983518&mode=view' target=_blank>Загрузить оригинал (495.31 КБ)</a>
Накой там открытые подшипники - загадка. Купил на замену китайские закрытые подшипники.
tzar
Мастер
Сообщения: 353
Зарегистрирован: 26 дек 2014, 23:52
Репутация: 61
Настоящее имя: Сергей
Откуда: Казахстан, Караганда
Контактная информация:

Re: Восстановление токарного ИЖ 250ИТВМ.01

Сообщение tzar »

aftaev писал(а):Вторая стрелка - непонятно в чем косяк?
Эту стрелку можно проигнорировать.
tzar
Мастер
Сообщения: 353
Зарегистрирован: 26 дек 2014, 23:52
Репутация: 61
Настоящее имя: Сергей
Откуда: Казахстан, Караганда
Контактная информация:

Re: Восстановление токарного ИЖ 250ИТВМ.01

Сообщение tzar »

Снял редуктор с мотором, расцепил их, помыл. Теперь они выглядят вот так :
IMG_1328-1.jpg (12145 просмотров) <a class='original' href='./download/file.php?id=76225&sid=87e13cb8880a5b773b5686c54b983518&mode=view' target=_blank>Загрузить оригинал (711.34 КБ)</a>
IMG_1329-1.jpg (12145 просмотров) <a class='original' href='./download/file.php?id=76226&sid=87e13cb8880a5b773b5686c54b983518&mode=view' target=_blank>Загрузить оригинал (674.07 КБ)</a>
Подшипники в двигателе под замену. В редукторе тоже, по крайней мере большая часть из них.
tzar
Мастер
Сообщения: 353
Зарегистрирован: 26 дек 2014, 23:52
Репутация: 61
Настоящее имя: Сергей
Откуда: Казахстан, Караганда
Контактная информация:

Re: Восстановление токарного ИЖ 250ИТВМ.01

Сообщение tzar »

Располовинил редуктор, обрнаружил на дне вот это :
IMG_1386-1.jpg (12141 просмотр) <a class='original' href='./download/file.php?id=76228&sid=87e13cb8880a5b773b5686c54b983518&mode=view' target=_blank>Загрузить оригинал (563.31 КБ)</a>
Оказалась частью фиксатор верхнего диска преселектора :
shema.png (12141 просмотр) <a class='original' href='./download/file.php?id=76229&sid=87e13cb8880a5b773b5686c54b983518&mode=view' target=_blank>Загрузить оригинал (243.67 КБ)</a>
tzar
Мастер
Сообщения: 353
Зарегистрирован: 26 дек 2014, 23:52
Репутация: 61
Настоящее имя: Сергей
Откуда: Казахстан, Караганда
Контактная информация:

Re: Восстановление токарного ИЖ 250ИТВМ.01

Сообщение tzar »

Вот вскрытый редуктор :
IMG_1376-1.jpg (12140 просмотров) <a class='original' href='./download/file.php?id=76230&sid=87e13cb8880a5b773b5686c54b983518&mode=view' target=_blank>Загрузить оригинал (805.64 КБ)</a>
IMG_1379-1.jpg (12140 просмотров) <a class='original' href='./download/file.php?id=76231&sid=87e13cb8880a5b773b5686c54b983518&mode=view' target=_blank>Загрузить оригинал (632.28 КБ)</a>
Теперь вторая проблема, которую я обнаружил в редукторе. Шестерня 3 ряда 3 постоянно находится в частичном зацеплении с шестерней из ряда 4. На фото это хорошо видно. Шестерня 1 ряда 3 всегда в нормальном положении при зацеплении. Шестерня 5 ряда 3 всегда заходит немного не до конца. Я так понимаю это устраняетая регулировкой положений шестеренок на валу 3? Нужно будет вставить проставки между шестернями? Их чего лучше сделать эти проставки?
tzar
Мастер
Сообщения: 353
Зарегистрирован: 26 дек 2014, 23:52
Репутация: 61
Настоящее имя: Сергей
Откуда: Казахстан, Караганда
Контактная информация:

Re: Восстановление токарного ИЖ 250ИТВМ.01

Сообщение tzar »

Грязи на дне редуктора совсем чуть-чуть. Магнит на пробке редуктора :
IMG_1374-1.jpg (12136 просмотров) <a class='original' href='./download/file.php?id=76233&sid=87e13cb8880a5b773b5686c54b983518&mode=view' target=_blank>Загрузить оригинал (451.76 КБ)</a>
Комплект подшипников для редуктора :
IMG_1351-1.jpg (12136 просмотров) <a class='original' href='./download/file.php?id=76232&sid=87e13cb8880a5b773b5686c54b983518&mode=view' target=_blank>Загрузить оригинал (663.52 КБ)</a>
У нас продаются только закрытые подшипники, так что крышечки будут выковыриваться.
Китайские крафтовские подшипники для маховика выбора скоростей. Ошибся с количеством, их нужно было 4 и одни нормальный подшипник нужен внутрь редуктора, уже куплен SKF.
Подшипники NKE оказались... как бы по мягче сказать... ну в общем вы поняли... Поставил такой фирмы подшипник в двигатель, так он сразу зашумел. Но об этом ниже. Уже купил на замену SKF.
tzar
Мастер
Сообщения: 353
Зарегистрирован: 26 дек 2014, 23:52
Репутация: 61
Настоящее имя: Сергей
Откуда: Казахстан, Караганда
Контактная информация:

Re: Восстановление токарного ИЖ 250ИТВМ.01

Сообщение tzar »

Поменял подшипники в двигателе маслостанции :
IMG_1339-1.jpg (12135 просмотров) <a class='original' href='./download/file.php?id=76234&sid=87e13cb8880a5b773b5686c54b983518&mode=view' target=_blank>Загрузить оригинал (732.35 КБ)</a>
и главном двигателе, который вынес мне весь мозг :
IMG_1345-1.jpg (12135 просмотров) <a class='original' href='./download/file.php?id=76235&sid=87e13cb8880a5b773b5686c54b983518&mode=view' target=_blank>Загрузить оригинал (921.92 КБ)</a>
Сначала ооочень долго не мог снять передний подшипник, в результате сломал съёмник :freak:. Сделал с подшипников фотографии, поехал в магазин. По маркировке получилось 2 одинаковых подшипника - 62306. Приехал, запресовал подшипники, а двигатель собрать не смог, так как между крышкой и корпусом зазор в 1 см :freak:. Полез в мусорку, оказалось, что по размерам задний подшипник должен быть 6306, а маркировка на нем 62306. Поехал опять в магазин за новым подшипником, заменил, собрал, включил двигатель. Через 5 секунд из двигателя пошел дым :freak:. Снял крышки, а там вот :
20160228_180822-1.jpg (12135 просмотров) <a class='original' href='./download/file.php?id=76236&sid=87e13cb8880a5b773b5686c54b983518&mode=view' target=_blank>Загрузить оригинал (1.34 МБ)</a>
Аватара пользователя
Coffeein
Почётный участник
Почётный участник
Сообщения: 2144
Зарегистрирован: 31 янв 2015, 15:24
Репутация: 291
Контактная информация:

Re: Восстановление токарного ИЖ 250ИТВМ.01

Сообщение Coffeein »

Наверно неправильно подключил. Хотя смотрю там всего три выхода на колодке.
Уже поздно возвращаться назад, чтобы правильно все начать с начала, но еще не поздно, все начатое правильно закончить...
Наш канал на ютуб - 24TECHO...
все про своими руками и не только.
tzar
Мастер
Сообщения: 353
Зарегистрирован: 26 дек 2014, 23:52
Репутация: 61
Настоящее имя: Сергей
Откуда: Казахстан, Караганда
Контактная информация:

Re: Восстановление токарного ИЖ 250ИТВМ.01

Сообщение tzar »

Как оказалось, сломаный фиксатор, о котором шла речь немного выше (http://www.cnc-club.ru/forum/viewtopic. ... 40#p268236), вставляется он изнутри, так что для ремонта придётся разобрать эту половину редуктора, чего делать не очень хотелось.

Мне не совсем понятно его назначение. Это понятно, что для фиксации верхнего диска во время переключения. Но фиксатор входит в диск уже практически на последней стадии переключения и все мои попытки сдвингуть диск во время переключения ни к чему, кроме защимления собственных пальцев, не привели. Я конечно делал тесты на располовиненом редукторе и в сборе/под нагрузкой всё может быть как-то иначе. Да и сломаный фиксатор говорит о том, что фиксация всё-таки необходима (иначе его и не сломало бы).

Выковыривал я остатки фиксатора из корпуса редуктора очень долго.
Вот его остатки :
IMG_1463-1.jpg (12123 просмотра) <a class='original' href='./download/file.php?id=76239&sid=87e13cb8880a5b773b5686c54b983518&mode=view' target=_blank>Загрузить оригинал (399.49 КБ)</a>
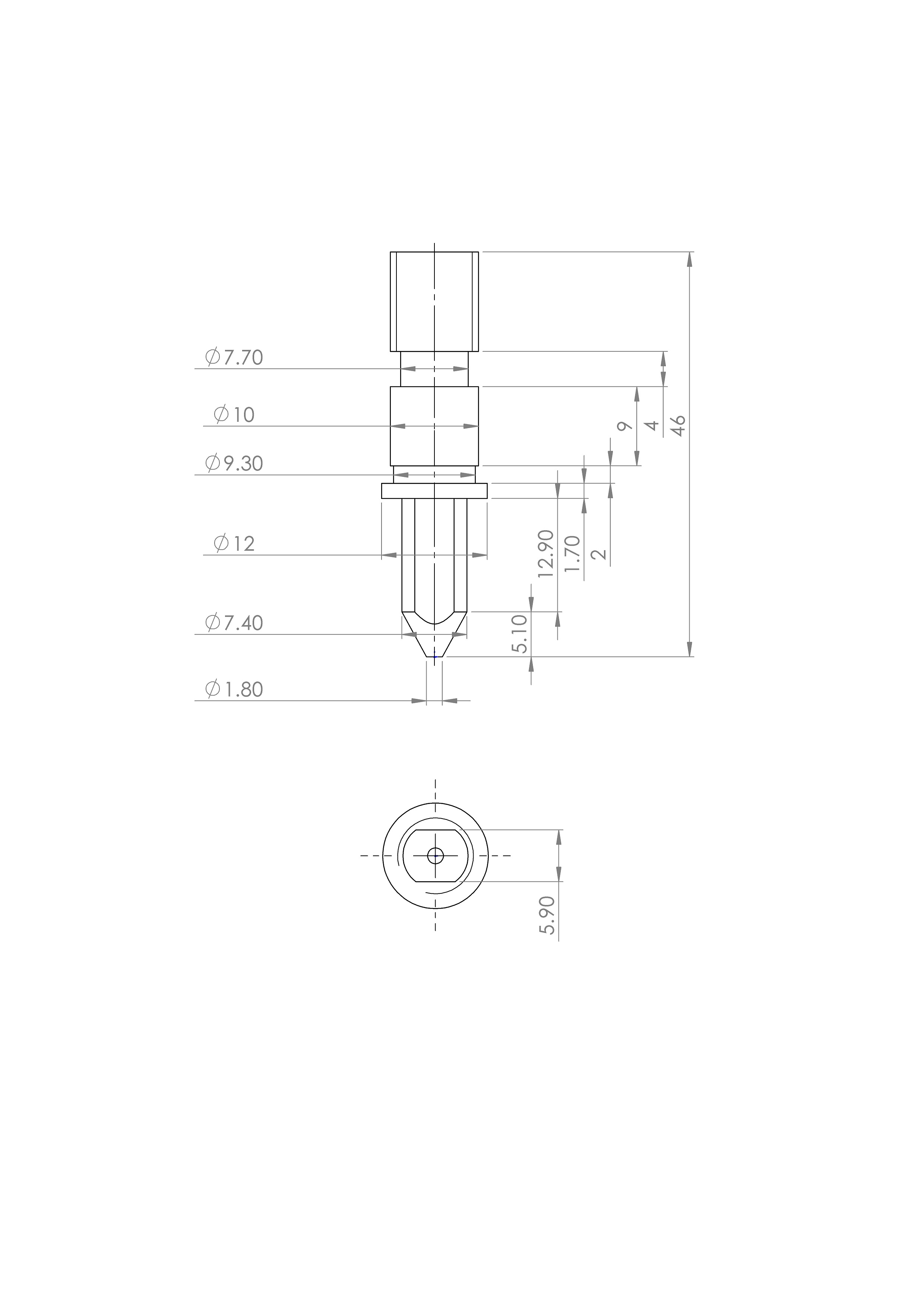
Вот его чертеж :
Фиксатор.JPG (12123 просмотра) <a class='original' href='./download/file.php?id=76238&sid=87e13cb8880a5b773b5686c54b983518&mode=view' target=_blank>Загрузить оригинал (249.32 КБ)</a>
Мне кажется он сломался из-за не очень правильной конструкции. На отломанном штыре фиксатора с противоположных сторон были сняты лыски, которые его ослабили. Вероятно лыски нужны для того, чтобы можно было зафиксировать фиксатор гаечным ключем при закручивании гайки снаружи. Вобщем решил я лыски в этом месте не снимать. Для фиксации ключем был увеличен диаметр диска над штырем до 14 мм и затем сняты лыски под 12-й ключ.

Выточили мне его из 40Х (изначально он из чугуна и закален) и закалили до 32-34 единиц :
20160310_183016-1.jpg (12123 просмотра) <a class='original' href='./download/file.php?id=76240&sid=87e13cb8880a5b773b5686c54b983518&mode=view' target=_blank>Загрузить оригинал (825.87 КБ)</a>
В редуктор встал без каких-либо проблем.
Аватара пользователя
Lexxa
Мастер
Сообщения: 2703
Зарегистрирован: 16 дек 2011, 16:48
Репутация: 319
Настоящее имя: Алексей
Откуда: ryazan
Контактная информация:

Re: Восстановление токарного ИЖ 250ИТВМ.01

Сообщение Lexxa »

зачем шпиндельную бабку со станины снял?????????
:bender:
tzar
Мастер
Сообщения: 353
Зарегистрирован: 26 дек 2014, 23:52
Репутация: 61
Настоящее имя: Сергей
Откуда: Казахстан, Караганда
Контактная информация:

Re: Восстановление токарного ИЖ 250ИТВМ.01

Сообщение tzar »

Силвер писал(а):Наверно неправильно подключил. Хотя смотрю там всего три выхода на колодке.
Нужно очень сильно стараться, чтобы подключить неправильно три провода к трем контактам :hehehe:
Когда я его разобрал для смены подшипников, из него высыпалась куча осыпавшегося лака и ниток обвязки. на валу были обнаружены капли меди. Было видно, что когда-то двигатель был хорошо перегрет, может быть даже и не один раз. Так что его кончина была лишь вопросом времени. Кроме того, при работе двигателся отчетливо была слышна неравномерность в его работе, не знаю как объяснить. Подумал, что это из-аз подшипников. Но после замены в течении тех 5 секунд, что он проработал, эта неравномерность была слышна.
tzar
Мастер
Сообщения: 353
Зарегистрирован: 26 дек 2014, 23:52
Репутация: 61
Настоящее имя: Сергей
Откуда: Казахстан, Караганда
Контактная информация:

Re: Восстановление токарного ИЖ 250ИТВМ.01

Сообщение tzar »

Lexxa писал(а):зачем шпиндельную бабку со станины снял?????????
А ты откуда знаешь?! На выложенных фотографиях этого не видно. Колдун однако?! :hehehe:
Станину на шлифовку отправлять буду.
tzar
Мастер
Сообщения: 353
Зарегистрирован: 26 дек 2014, 23:52
Репутация: 61
Настоящее имя: Сергей
Откуда: Казахстан, Караганда
Контактная информация:

Re: Восстановление токарного ИЖ 250ИТВМ.01

Сообщение tzar »

Снял фартук. Очень извращенным способом, т.к. выбить штифты из винта и валов я не смог :thinking:. Так и остались торчать из коробки подач. Да и в целом по станку практически все штифты засели очень конкретно. Мож кто знает какой-нибудь волшебный способ их вытаскивания?

Пока вытаскивал фартук, утопил практически до упора вал, к которому крепится рукоятка реверсирования подачи (рукоятку снял, так как мешала). Обратно не вылазит. Всё-равно буду разбирать фартук, так что тогда и вытащу :).
Суппорт тоже снял.

Попытался выставить станок по уровню, на винтах, но возникли вопросы. Во время танцев с уровнем пришел к выводу, что у станка по середине (грубо) прогиб. Это выработка станины или прогиб под собственным весом, т.к. станок стоит на 4-х винтах? Как понять?
tzar
Мастер
Сообщения: 353
Зарегистрирован: 26 дек 2014, 23:52
Репутация: 61
Настоящее имя: Сергей
Откуда: Казахстан, Караганда
Контактная информация:

Re: Восстановление токарного ИЖ 250ИТВМ.01

Сообщение tzar »

Офигеть... Как же меня устало мыть :freak: И это при условии, что я мою бензином при помощи моечного пистолета для компрессора, потом продуваю воздухом. Уже ушла канистра бензина, а станина и тумба ещё не мыты :freak:
Нашел рецептик жижи для мытья - 20% солярки, 20% изопропанола, пару капель фейри, остальное вода. Взбить до эмульсии. Весчь!
Вот вотки шестеренок до мойки :
IMG_1422-1.jpg (12112 просмотров) <a class='original' href='./download/file.php?id=76241&sid=87e13cb8880a5b773b5686c54b983518&mode=view' target=_blank>Загрузить оригинал (796.53 КБ)</a>
Вроде как и не грязные даже, но после мойки аж сияют :
IMG_1423-1.jpg (12112 просмотров) <a class='original' href='./download/file.php?id=76242&sid=87e13cb8880a5b773b5686c54b983518&mode=view' target=_blank>Загрузить оригинал (686.47 КБ)</a>
Через некоторе время пришел к выводу, что вода в этой смеси лишняя. Сейчас наливаю солярку, потом добавляю изопропилового спирта до проявления его эффекта ну и пару капель фейри. Потом периодически добавляю спирт (по мере его расходования/выветривания).

В принципе весь станок уже раскидал. Осталось только спустить переднюю бабку. Подъемного оборудования у меня нет, а весит она раза в два больше меня :) Даже и не знаю, как с этим быть...
Редуктор и каретку разобрал полность.

Вообще получается так, что на станке с шестеренками всё гуд, это радует. А вот примерно 80% подшипников под замену. Даже если их промыть и окунуть в масло, их всё равно или клинит, или ощущение, что поезд идёт. При таком раскладе смысла не менять оставшиеся 20% как бы и нет.
Ответить

Вернуться в «Токарные станки»