Светодиодное освещение для работы и отдыха

Показываем свои изделия, гордимся, хвастаемся, завидуем.
Аватара пользователя
DeNew Lab
Мастер
Сообщения: 442
Зарегистрирован: 09 июл 2015, 03:48
Репутация: 327
Настоящее имя: Даниил
Откуда: Москва, Зеленоград
Контактная информация:

Re: Светильник для станка

Сообщение DeNew Lab »

Predator писал(а):А боевой стул
:tongue: :hehehe: :hehehe: блин, вот там то я его и по распиливал малость :rail:
CNC Works
Kopyloff
Мастер
Сообщения: 387
Зарегистрирован: 28 мар 2013, 07:40
Репутация: 117
Настоящее имя: Сергей
Откуда: Первоуральск
Контактная информация:

Re: Светильник для станка

Сообщение Kopyloff »

Не темно? Свет не сильно холодный?
Аватара пользователя
DeNew Lab
Мастер
Сообщения: 442
Зарегистрирован: 09 июл 2015, 03:48
Репутация: 327
Настоящее имя: Даниил
Откуда: Москва, Зеленоград
Контактная информация:

Re: Светильник для станка

Сообщение DeNew Lab »

Kopyloff писал(а):Не темно? Свет не сильно холодный?
Нет, яркости не слепну если всё включено, но и не хватки не наблюдаю, температура разная, точечные холодного свечения, лента нейтрально белого, а центр квадрат почти тёплого свечения, на фото искажена температура, (мыльница) в целом наверно бы сменил точечные на "тёплые" или "нейтральные" но в виду того, что одна пара светит на станок, но "холодный" в тему.
CNC Works
Kopyloff
Мастер
Сообщения: 387
Зарегистрирован: 28 мар 2013, 07:40
Репутация: 117
Настоящее имя: Сергей
Откуда: Первоуральск
Контактная информация:

Re: Светильник для станка

Сообщение Kopyloff »

Ага, спасибо. Тоже хочу светодиодное освещение. У самого потолок 2450, и это ещё потолок натяжной не повешал :( На мерцание не проверяли? Глаза не устают от такого освещения?
Аватара пользователя
DeNew Lab
Мастер
Сообщения: 442
Зарегистрирован: 09 июл 2015, 03:48
Репутация: 327
Настоящее имя: Даниил
Откуда: Москва, Зеленоград
Контактная информация:

Re: Светильник для станка

Сообщение DeNew Lab »

Predator писал(а):Где диоды закупал?
али-экспрес родимый :?
P1060519.JPG (8410 просмотров) <a class='original' href='./download/file.php?id=61737&mode=view' target=_blank>Загрузить оригинал (246.63 КБ)</a>
кроме профиля длинного, его у нас в Митино покупал.
CNC Works
Аватара пользователя
DeNew Lab
Мастер
Сообщения: 442
Зарегистрирован: 09 июл 2015, 03:48
Репутация: 327
Настоящее имя: Даниил
Откуда: Москва, Зеленоград
Контактная информация:

Re: Светильник для станка

Сообщение DeNew Lab »

Kopyloff писал(а):На мерцание не проверяли? Глаза не устают от такого освещения?
Нет, мерцания нету, частоты ШИМ везде большие в устройствах, глазам очень комфортно, по началу не привычно было, как в гостях сидел, потом свыкся ))) вроде родное ))
Kopyloff писал(а):потолок натяжной не повешал
Не рекомендую, зло, но и оспаривать не буду, понимание позже приходит этого, само понятие с тряпкой над бошкой жить.... но тема явно не этого форума :geek:
CNC Works
Аватара пользователя
Predator
Мастер
Сообщения: 9583
Зарегистрирован: 18 июл 2013, 18:26
Репутация: 2531
Контактная информация:

Re: Светильник для станка

Сообщение Predator »

Да, на потолок лучше гипсокартон или ГВЛ, чем этот пластик.
Kopyloff
Мастер
Сообщения: 387
Зарегистрирован: 28 мар 2013, 07:40
Репутация: 117
Настоящее имя: Сергей
Откуда: Первоуральск
Контактная информация:

Re: Светильник для станка

Сообщение Kopyloff »

DeNew Lab писал(а):Не рекомендую, зло
Кхм.. Первый раз сталкиваюсь с таким отрицательным отношением к натяжным потолкам. Видимо я чего-то ещё не знаю, надо форумы покурить :)
Аватара пользователя
DeNew Lab
Мастер
Сообщения: 442
Зарегистрирован: 09 июл 2015, 03:48
Репутация: 327
Настоящее имя: Даниил
Откуда: Москва, Зеленоград
Контактная информация:

Re: Светильник для станка

Сообщение DeNew Lab »

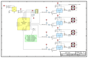
Ещё один современный уклон светильника с применением мощного светодиода от фирмы CREE MCE4WT-A2-0000-000KE5 + вторичная оптика PL124640

Схема
1.gif (8290 просмотров) <a class='original' href='./download/file.php?id=62677&mode=view' target=_blank>Загрузить оригинал (131.54 КБ)</a>
Печатная плата.
2.jpg (8290 просмотров) <a class='original' href='./download/file.php?id=62678&mode=view' target=_blank>Загрузить оригинал (500.49 КБ)</a>
3.jpg (8290 просмотров) <a class='original' href='./download/file.php?id=62679&mode=view' target=_blank>Загрузить оригинал (326.94 КБ)</a>
4.jpg (8290 просмотров) <a class='original' href='./download/file.php?id=62680&mode=view' target=_blank>Загрузить оригинал (227.85 КБ)</a>
5.jpg (8290 просмотров) <a class='original' href='./download/file.php?id=62681&mode=view' target=_blank>Загрузить оригинал (170.48 КБ)</a>
Радиатор охлаждения
6.jpg (8290 просмотров) <a class='original' href='./download/file.php?id=62682&mode=view' target=_blank>Загрузить оригинал (679.2 КБ)</a>
7.jpg (8290 просмотров) <a class='original' href='./download/file.php?id=62683&mode=view' target=_blank>Загрузить оригинал (479.47 КБ)</a>
8.jpg (8290 просмотров) <a class='original' href='./download/file.php?id=62684&mode=view' target=_blank>Загрузить оригинал (313.7 КБ)</a>
9.jpg (8290 просмотров) <a class='original' href='./download/file.php?id=62685&mode=view' target=_blank>Загрузить оригинал (562.07 КБ)</a>
10.jpg (8290 просмотров) <a class='original' href='./download/file.php?id=62686&mode=view' target=_blank>Загрузить оригинал (450.52 КБ)</a>
11.jpg (8290 просмотров) <a class='original' href='./download/file.php?id=62687&mode=view' target=_blank>Загрузить оригинал (448.3 КБ)</a>
12.jpg (8290 просмотров) <a class='original' href='./download/file.php?id=62688&mode=view' target=_blank>Загрузить оригинал (416.34 КБ)</a>
13.jpg (8290 просмотров) <a class='original' href='./download/file.php?id=62689&mode=view' target=_blank>Загрузить оригинал (296 КБ)</a>
14.jpg (8290 просмотров) <a class='original' href='./download/file.php?id=62690&mode=view' target=_blank>Загрузить оригинал (533.17 КБ)</a>
4 драйвера
15.jpg (8290 просмотров) <a class='original' href='./download/file.php?id=62691&mode=view' target=_blank>Загрузить оригинал (488.38 КБ)</a>
в сборе
16.jpg (8290 просмотров) <a class='original' href='./download/file.php?id=62692&mode=view' target=_blank>Загрузить оригинал (390.47 КБ)</a>
17.jpg (8290 просмотров) <a class='original' href='./download/file.php?id=62693&mode=view' target=_blank>Загрузить оригинал (401.68 КБ)</a>
18.jpg (8290 просмотров) <a class='original' href='./download/file.php?id=62694&mode=view' target=_blank>Загрузить оригинал (427.68 КБ)</a>
19.jpg (8290 просмотров) <a class='original' href='./download/file.php?id=62695&mode=view' target=_blank>Загрузить оригинал (241.81 КБ)</a>
20.jpg (8290 просмотров) <a class='original' href='./download/file.php?id=62696&mode=view' target=_blank>Загрузить оригинал (547.57 КБ)</a>
21.jpg (8290 просмотров) <a class='original' href='./download/file.php?id=62697&mode=view' target=_blank>Загрузить оригинал (619.6 КБ)</a>
22.jpg (8290 просмотров) <a class='original' href='./download/file.php?id=62698&mode=view' target=_blank>Загрузить оригинал (366.57 КБ)</a>
CNC Works
Аватара пользователя
DeNew Lab
Мастер
Сообщения: 442
Зарегистрирован: 09 июл 2015, 03:48
Репутация: 327
Настоящее имя: Даниил
Откуда: Москва, Зеленоград
Контактная информация:

Re: Светодиодное освещение для работы и отдыха

Сообщение DeNew Lab »

Ещё один проект мой старый. Позднее после продажи микроскопа, был куплен импортный микроскоп и готовая подсветка.
Но возможно будет полезно кому либо.

Понадобилась подсветка для микроскопа МБС-9.
Решение было не использовать галогенки, а то от них жарко, по этому тема легла в строну светодиодов.
Их количество должно быть 20 штук, кольцевой осветитель, чтобы избежать тени.

Нужно было минимум проблем с настройкой и полный контроль по току, чтобы счастливо жили «светики» перебрал много драйверов, и остановился не на самом лучшим варианте, но проблема только одна, очень маленький корпус микросхемы, в домашних условиях не каждый сможет повторить данные манипуляции по монтажу 3х3 мм. корпуса.

Схема родилась, с нужными номиналами от внимательного прочтения номенклатуры на микросхему (даташит).
1.gif (8225 просмотров) <a class='original' href='./download/file.php?id=62771&mode=view' target=_blank>Загрузить оригинал (81.03 КБ)</a>
Микросхема
2.jpg (8225 просмотров) <a class='original' href='./download/file.php?id=62772&mode=view' target=_blank>Загрузить оригинал (94.47 КБ)</a>
Первая проверка схемы.
3.jpg (8225 просмотров) <a class='original' href='./download/file.php?id=62773&mode=view' target=_blank>Загрузить оригинал (336.8 КБ)</a>
Проверка, не дурно с 3V раскачать 2 канала по 31V но потребление высокое, при входных 5V, схема потребляет 300mA.
4.jpg (8225 просмотров) <a class='original' href='./download/file.php?id=62774&mode=view' target=_blank>Загрузить оригинал (212.42 КБ)</a>
тестовая плата и примерка.
11.jpg (8225 просмотров) <a class='original' href='./download/file.php?id=62781&mode=view' target=_blank>Загрузить оригинал (679.29 КБ)</a>
12.jpg (8225 просмотров) <a class='original' href='./download/file.php?id=62782&mode=view' target=_blank>Загрузить оригинал (187.57 КБ)</a>
10.jpg (8225 просмотров) <a class='original' href='./download/file.php?id=62780&mode=view' target=_blank>Загрузить оригинал (128.32 КБ)</a>
Финишный вариант платы.
5.jpg (8225 просмотров) <a class='original' href='./download/file.php?id=62775&mode=view' target=_blank>Загрузить оригинал (369.05 КБ)</a>
Устройство в сборе.
6.jpg (8225 просмотров) <a class='original' href='./download/file.php?id=62776&mode=view' target=_blank>Загрузить оригинал (226.45 КБ)</a>
7.jpg (8225 просмотров) <a class='original' href='./download/file.php?id=62777&mode=view' target=_blank>Загрузить оригинал (353.68 КБ)</a>
8.jpg (8225 просмотров) <a class='original' href='./download/file.php?id=62778&mode=view' target=_blank>Загрузить оригинал (278.81 КБ)</a>

Для защиты электроники и отражения света кольцо покрываю белой краской, а на управляющею часть одеваю термоусадку.
9.jpg (8225 просмотров) <a class='original' href='./download/file.php?id=62779&mode=view' target=_blank>Загрузить оригинал (292.47 КБ)</a>
CNC Works
Stross
Новичок
Сообщения: 15
Зарегистрирован: 26 июл 2015, 13:22
Репутация: -18
Настоящее имя: Павел
Контактная информация:

Re: Светодиодное освещение для работы и отдыха

Сообщение Stross »

Где то натыкался на светодиодные светильники заливающего света. Наверное такими гораздо лучше было бы помещение освещать?
SVP
Мастер
Сообщения: 6140
Зарегистрирован: 19 дек 2012, 15:49
Репутация: 884
Откуда: Москва
Контактная информация:

Re: Светодиодное освещение для работы и отдыха

Сообщение SVP »

Светодиоды-то какие ставите ?
Какие попало ?
Или есть с нормальными CRI итп в продаже ?
GleboS
Новичок
Сообщения: 10
Зарегистрирован: 25 авг 2015, 23:38
Репутация: 0
Настоящее имя: Глеб
Откуда: Московская обл.
Контактная информация:

Re: Светодиодное освещение для работы и отдыха

Сообщение GleboS »

Stross писал(а):Где то натыкался на светодиодные светильники заливающего света. Наверное такими гораздо лучше было бы помещение освещать?
Я например сталкивался со светильниками ЭКОТОН-СПЗС-25 заливающего света http://www.ssr-russia.ru/catalog/svetilniki/ Но он скорее годится для освещения рабочего места а не для отдыха...
Stross
Новичок
Сообщения: 15
Зарегистрирован: 26 июл 2015, 13:22
Репутация: -18
Настоящее имя: Павел
Контактная информация:

Re: Светодиодное освещение для работы и отдыха

Сообщение Stross »

Да разные на самом деле есть. Не стыдно и в квартире некоторые повесить…
SergShil
Новичок
Сообщения: 9
Зарегистрирован: 26 авг 2015, 23:17
Репутация: 0
Настоящее имя: Сергей
Контактная информация:

Re: Светодиодное освещение для работы и отдыха

Сообщение SergShil »

SVP писал(а):Светодиоды-то какие ставите ?
Какие попало ?
Или есть с нормальными CRI итп в продаже ?
В ремэкс модули светодиодные не плохие Посмотрите, если интересно...
Аватара пользователя
den_sibirskiy
Мастер
Сообщения: 1655
Зарегистрирован: 12 апр 2014, 17:04
Репутация: 349
Настоящее имя: Ден
Откуда: Иркутск
Контактная информация:

Re: Светодиодное освещение для работы и отдыха

Сообщение den_sibirskiy »

Неее, мужик, не понямаю я как ты из этого, получил ето??? Давай на пальцах объясняй, фокусник!!!
Который раз ломаю себе голову.
Вложения
P1060793.JPG (7626 просмотров) <a class='original' href='./download/file.php?id=68419&mode=view' target=_blank>Загрузить оригинал (172.35 КБ)</a>
P1060807.JPG (7626 просмотров) <a class='original' href='./download/file.php?id=68420&mode=view' target=_blank>Загрузить оригинал (177.09 КБ)</a>
"Хватит спать пора начинать пришло твое время"
Аватара пользователя
DeNew Lab
Мастер
Сообщения: 442
Зарегистрирован: 09 июл 2015, 03:48
Репутация: 327
Настоящее имя: Даниил
Откуда: Москва, Зеленоград
Контактная информация:

Re: Светодиодное освещение для работы и отдыха

Сообщение DeNew Lab »

den_sibirskiy писал(а):Давай на пальцах объясняй, фокусник!!!
На пальцах не выйдет ))) Они и так пострадали при ковырянии :freak:
den_sibirskiy писал(а):Который раз ломаю себе голову.
Зато столько интриги :hehehe:

Ну что тут рассказывать, полный демонтаж всех компонентов на плате, а далее всё последовательно, плату от остатков, и каждую детальку чистил, цель извращения этого срисовывания схемного решения, отдельных узлов.
CNC Works
sas_75
Мастер
Сообщения: 463
Зарегистрирован: 10 мар 2015, 11:03
Репутация: 115
Настоящее имя: Сергей
Откуда: Владивосток
Контактная информация:

Re: Светодиодное освещение для работы и отдыха

Сообщение sas_75 »

А зачем полный демонтаж? Плата с односторонней печатью. Я FlatPack 1500 давно собирался разрисовать для ремонта, когда потребуется. Три слоя. Недели хватило.
Аватара пользователя
DeNew Lab
Мастер
Сообщения: 442
Зарегистрирован: 09 июл 2015, 03:48
Репутация: 327
Настоящее имя: Даниил
Откуда: Москва, Зеленоград
Контактная информация:

Re: Светодиодное освещение для работы и отдыха

Сообщение DeNew Lab »

sas_75 писал(а):А зачем полный демонтаж?
Чтобы избавится полностью от компаунда, он меня бесит :hehehe:
CNC Works
Ответить

Вернуться в «Изделия»