Изготовление втулки со спиральным пазом
Правила форума
Разрешается публиковать предложения по предоставлению услуг как физическим лицам так и коммерческим организациям, при соблюдении следующих условий:
1. должны присутствовать характеристики предлагаемых услуг, возможности оборудования
2. должна присутствовать стоимость услуги
3. должно присутствовать описание способов оплаты, доставки и места расположения (город)
4. один продавец - одна тема
Фотографии товаров приветствуются (фотографии должны быть вложениями к сообщениям).
Возможно размещение ссылки на свой сайт, с описанием товара, при обязательном соблюдении пунктов 1-3.
Администрация форума может удалить тему или сообщения из данного раздела на свое усмотрение, без объяснения причин!
Разрешается публиковать предложения по предоставлению услуг как физическим лицам так и коммерческим организациям, при соблюдении следующих условий:
1. должны присутствовать характеристики предлагаемых услуг, возможности оборудования
2. должна присутствовать стоимость услуги
3. должно присутствовать описание способов оплаты, доставки и места расположения (город)
4. один продавец - одна тема
Фотографии товаров приветствуются (фотографии должны быть вложениями к сообщениям).
Возможно размещение ссылки на свой сайт, с описанием товара, при обязательном соблюдении пунктов 1-3.
Администрация форума может удалить тему или сообщения из данного раздела на свое усмотрение, без объяснения причин!
-
bobr22
- Новичок
- Сообщения: 34
- Зарегистрирован: 21 апр 2015, 00:37
- Репутация: 7
- Настоящее имя: Антон
- Контактная информация:
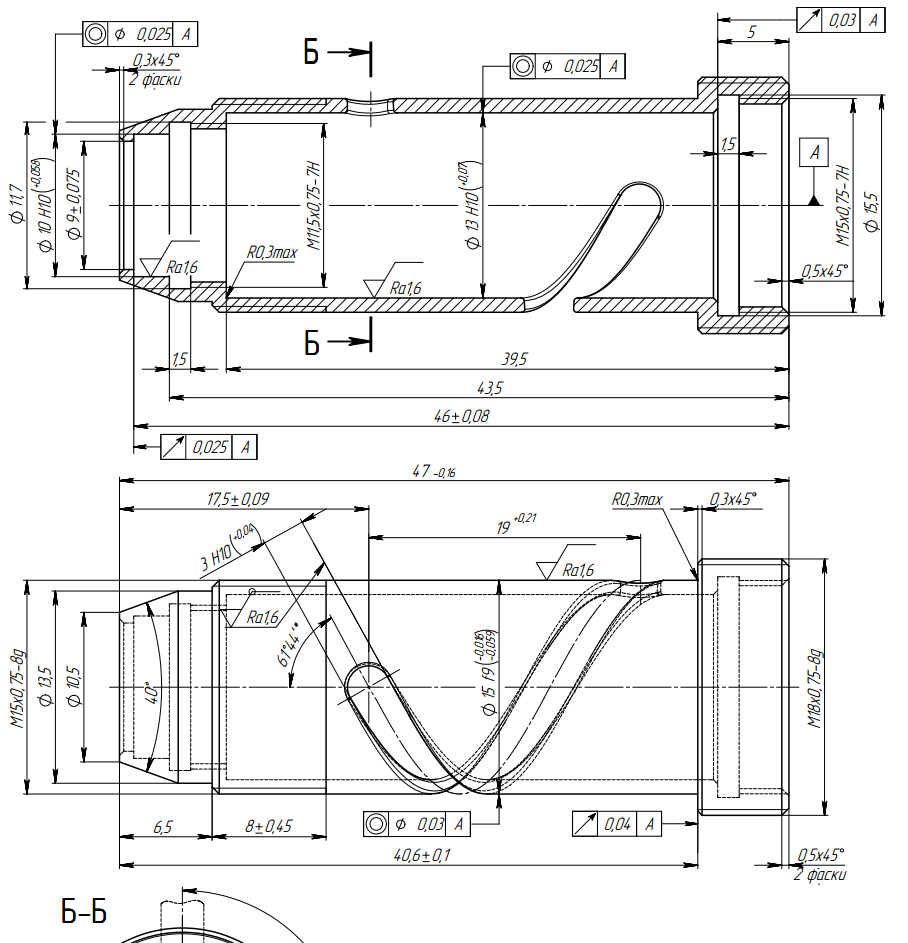
Изготовление втулки со спиральным пазом
Здравствуйте.
Нужна помощь в изготовлении опытного образца как на картинке.
Откликнитесь по возможности.
территориально не важно.
Нужна помощь в изготовлении опытного образца как на картинке.
Откликнитесь по возможности.
территориально не важно.
- terminalserver
- Кандидат
- Сообщения: 69
- Зарегистрирован: 25 фев 2015, 20:40
- Репутация: 8
- Контактная информация:
Re: Изготовление втулки со спиральным пазом
целиком чертёж можно?
материал какой?
материал какой?
-
bobr22
- Новичок
- Сообщения: 34
- Зарегистрирован: 21 апр 2015, 00:37
- Репутация: 7
- Настоящее имя: Антон
- Контактная информация:
Re: Изготовление втулки со спиральным пазом
Материал ЛС59, Л63, ваши предложения по согласованию.
- Вложения
-
- 2016.05.31.001 Корпус.zip
- (130.62 КБ) 277 скачиваний
-
- 2016.05.31.001 Корпус.pdf
- (62.78 КБ) 674 скачивания
-
bobr22
- Новичок
- Сообщения: 34
- Зарегистрирован: 21 апр 2015, 00:37
- Репутация: 7
- Настоящее имя: Антон
- Контактная информация:
Re: Изготовление втулки со спиральным пазом
Товарищи, у кого есть 4 ось на фрезер или токарник с приводным инструментом - предложите вариант сотрудничества по данной детали.
-
aftaev
- Зачётный участник

- Сообщения: 34042
- Зарегистрирован: 04 апр 2010, 19:22
- Репутация: 6194
- Откуда: Казахстан.
- Контактная информация:
Re: Изготовление втулки со спиральным пазом
Или это делается на обычном фрезерном станке с комплектной гитарой к делительной головеbobr22 писал(а):Товарищи, у кого есть 4 ось на фрезер или токарник с приводным инструментом
https://www.youtube.com/watch?v=_zFFHzE9myI
Дилетанту сложные вещи кажутся очень простыми, и только профессионал понимает насколько сложна самая простая вещь
Кто хочет - ищет возможности, кто не хочет - ищет оправдание.
Найди работу по душе и тебе не придется работать.
Кто хочет - ищет возможности, кто не хочет - ищет оправдание.
Найди работу по душе и тебе не придется работать.
-
bobr22
- Новичок
- Сообщения: 34
- Зарегистрирован: 21 апр 2015, 00:37
- Репутация: 7
- Настоящее имя: Антон
- Контактная информация:
Re: Изготовление втулки со спиральным пазом
При всём уважении но есть только станки с чпу
-
aftaev
- Зачётный участник

- Сообщения: 34042
- Зарегистрирован: 04 апр 2010, 19:22
- Репутация: 6194
- Откуда: Казахстан.
- Контактная информация:
Re: Изготовление втулки со спиральным пазом
А так тебя нужно научить как на ваших станках это сделать?
Дилетанту сложные вещи кажутся очень простыми, и только профессионал понимает насколько сложна самая простая вещь
Кто хочет - ищет возможности, кто не хочет - ищет оправдание.
Найди работу по душе и тебе не придется работать.
Кто хочет - ищет возможности, кто не хочет - ищет оправдание.
Найди работу по душе и тебе не придется работать.
-
bobr22
- Новичок
- Сообщения: 34
- Зарегистрирован: 21 апр 2015, 00:37
- Репутация: 7
- Настоящее имя: Антон
- Контактная информация:
Re: Изготовление втулки со спиральным пазом
Возможно неправильно написал.
Кто хочет и может изготовить деталь выше за деньгу - отзовитесь.
Деталь как и деньги будут переданы почтой/переводом/ТК
Кто хочет и может изготовить деталь выше за деньгу - отзовитесь.
Деталь как и деньги будут переданы почтой/переводом/ТК
-
Just_Anton
- Новичок
- Сообщения: 16
- Зарегистрирован: 09 июн 2017, 08:40
- Репутация: 0
- Настоящее имя: Антон
- Контактная информация:
Re: Изготовление втулки со спиральным пазом
Если еще актуальном можем взяться за изготовление. Какое количество штук? И куда отправлять?
- aegis
- Мастер
- Сообщения: 3171
- Зарегистрирован: 22 мар 2012, 06:59
- Репутация: 1810
- Настоящее имя: Михайло
- Откуда: Україна, Конотоп=>Запоріжжя=>Харьків
Re: Изготовление втулки со спиральным пазом
на этой детали я бы не делал это все вручную. ширина паза 3+0,04 тоесть делать фрезой 2.5 в разбежку. радиус на конце паза выйдет правда не сильно круглый. так что только на чпу такое удобно делать ИМХОaftaev писал(а):Или это делается на обычном фрезерном станке с комплектной гитарой к делительной голове
нікому нічого не нав'язую.
-
bobr22
- Новичок
- Сообщения: 34
- Зарегистрирован: 21 апр 2015, 00:37
- Репутация: 7
- Настоящее имя: Антон
- Контактная информация:
Re: Изготовление втулки со спиральным пазом
Все допуска обсуждаемы
Я понимаю что деталь не жесткая и паз раздолбит за 1проход
Важно чтобы раздолбило одинаково и с минимальной шераховатостью. Ширину компенсирую ответной деталью. На ктнец паза пофиг. Раньше делали на универсалке+поворотная ось на портальнике. Но плртальник сдулся.
Я понимаю что деталь не жесткая и паз раздолбит за 1проход
Важно чтобы раздолбило одинаково и с минимальной шераховатостью. Ширину компенсирую ответной деталью. На ктнец паза пофиг. Раньше делали на универсалке+поворотная ось на портальнике. Но плртальник сдулся.