Про сервы Yaskawa

Контроллеры, драйверы, датчики, управляющие устройства.
Optim
Новичок
Сообщения: 32
Зарегистрирован: 20 дек 2012, 22:08
Репутация: 0
Настоящее имя: Юрий
Откуда: Москва
Контактная информация:

Re: Про сервы Yaskawa

Сообщение Optim »

Действительно странно. 18 пин сброса аларма, 24 вольта кинул, светодиод красный погас. Убрал 24 вольта - загорелся... Печаль.
А где можно раздобыть такую сигму, как у Вас? Может у меня программа не подходит? Я уже не понимаю в какую сторону копать.
aftaev
Зачётный участник
Зачётный участник
Сообщения: 34042
Зарегистрирован: 04 апр 2010, 19:22
Репутация: 6194
Откуда: Казахстан.
Контактная информация:

Re: Про сервы Yaskawa

Сообщение aftaev »

Optim писал(а):А где можно раздобыть такую сигму, как у Вас?
https://www.yaskawa.com/pycprd/products ... /sigma-win
Дилетанту сложные вещи кажутся очень простыми, и только профессионал понимает насколько сложна самая простая вещь
Кто хочет - ищет возможности, кто не хочет - ищет оправдание.
Найди работу по душе и тебе не придется работать.
Аватара пользователя
mhael
Мастер
Сообщения: 2443
Зарегистрирован: 09 мар 2013, 11:22
Репутация: 769
Настоящее имя: Ильдар
Контактная информация:

Re: Про сервы Yaskawa

Сообщение mhael »

Optim
Новичок
Сообщения: 32
Зарегистрирован: 20 дек 2012, 22:08
Репутация: 0
Настоящее имя: Юрий
Откуда: Москва
Контактная информация:

Re: Про сервы Yaskawa

Сообщение Optim »

Спасибище!
Vitalik
Почётный участник
Почётный участник
Сообщения: 48
Зарегистрирован: 20 авг 2014, 19:26
Репутация: 30
Настоящее имя: Виталий
Откуда: Горишние Плавни
Контактная информация:

Re: Про сервы Yaskawa

Сообщение Vitalik »

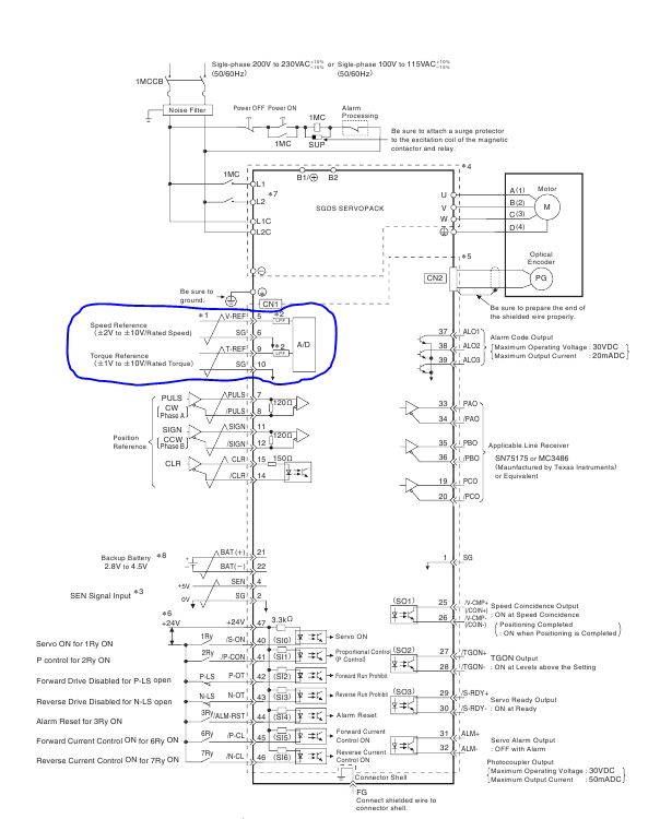
Здравствуйте!Подскажите пожалуйста можно ли через выходы обведенные на схеме
Capture-111.JPG (2176 просмотров) <a class='original' href='./download/file.php?id=32257&mode=view' target=_blank>Загрузить оригинал (72.65 КБ)</a>
управлять через Kanalog ,аналоговым сигналом. Сарво драйвер SGDS-01 A 01 A Сигма 3. Спасибо всем кто откликнется :good: .
Вложения
SIGMA III Servo Motor Catalog.pdf
на всякий случай и брошурка с описанием сервопака
(2.37 МБ) 2209 скачиваний
aftaev
Зачётный участник
Зачётный участник
Сообщения: 34042
Зарегистрирован: 04 апр 2010, 19:22
Репутация: 6194
Откуда: Казахстан.
Контактная информация:

Re: Про сервы Yaskawa

Сообщение aftaev »

Vitalik писал(а):управлять через Kanalog ,аналоговым сигналом.
Да. Только еще энкодер в Каналог завести

Сарво драйвер SGDS-01A01 степ/дир не поддерживает?
Дилетанту сложные вещи кажутся очень простыми, и только профессионал понимает насколько сложна самая простая вещь
Кто хочет - ищет возможности, кто не хочет - ищет оправдание.
Найди работу по душе и тебе не придется работать.
Vitalik
Почётный участник
Почётный участник
Сообщения: 48
Зарегистрирован: 20 авг 2014, 19:26
Репутация: 30
Настоящее имя: Виталий
Откуда: Горишние Плавни
Контактная информация:

Re: Про сервы Yaskawa

Сообщение Vitalik »

aftaev писал(а):
Сарво драйвер SGDS-01A01 степ/дир не поддерживает?
выходы Sign и Puls присутсвуют( в начале буду через степ/дир управлять). Раньше с серво не имел дела, купил на пробу один комплект, а почитав форум -испугался что я вообще не смогу им управлять (в каталоге не было информации о конкретном сервопаке). Ещё пока осталось под вопросом как синхронизировать два сервопака для одной оси. Спасибо за ответ! :) По крайней мере теперь я могу бежать в магазин за Kflop+Kanalog)
aftaev
Зачётный участник
Зачётный участник
Сообщения: 34042
Зарегистрирован: 04 апр 2010, 19:22
Репутация: 6194
Откуда: Казахстан.
Контактная информация:

Re: Про сервы Yaskawa

Сообщение aftaev »

Vitalik писал(а):выходы Sign и Puls присутсвуют( в начале буду через степ/дир управлять).
Где присутствуют в мануале? Это еще не значит что серва может работать по аналогу или степ/дир. Если она может по степ/дир работать нафига тогда Каналог брать? Кфлопа будет достаточно.
Vitalik писал(а):Ещё пока осталось под вопросом как синхронизировать два сервопака для одной оси.
элементарно - это делает ЧПУ
Vitalik писал(а):По крайней мере теперь я могу бежать в магазин за Kflop+Kanalog)
Прежде чем бежать нужно определиться что именно принимает серва.
Дилетанту сложные вещи кажутся очень простыми, и только профессионал понимает насколько сложна самая простая вещь
Кто хочет - ищет возможности, кто не хочет - ищет оправдание.
Найди работу по душе и тебе не придется работать.
Аватара пользователя
mhael
Мастер
Сообщения: 2443
Зарегистрирован: 09 мар 2013, 11:22
Репутация: 769
Настоящее имя: Ильдар
Контактная информация:

Re: Про сервы Yaskawa

Сообщение mhael »

Vitalik писал(а):SGDS-01A01
aftaev писал(а):Прежде чем бежать нужно определиться что именно принимает серва.
тут правильная серва ;) Аналог SGDH. Но мне больше нравится вариант SGDS-0xA02(не 01)
Vitalik
Почётный участник
Почётный участник
Сообщения: 48
Зарегистрирован: 20 авг 2014, 19:26
Репутация: 30
Настоящее имя: Виталий
Откуда: Горишние Плавни
Контактная информация:

Re: Про сервы Yaskawa

Сообщение Vitalik »

Если возможно обойтись без Kanalog то для меня это только плюс!
Capture-222.JPG (2152 просмотра) <a class='original' href='./download/file.php?id=32265&mode=view' target=_blank>Загрузить оригинал (230.68 КБ)</a>
Аватара пользователя
mhael
Мастер
Сообщения: 2443
Зарегистрирован: 09 мар 2013, 11:22
Репутация: 769
Настоящее имя: Ильдар
Контактная информация:

Re: Про сервы Yaskawa

Сообщение mhael »

можно и без КАналога
aftaev
Зачётный участник
Зачётный участник
Сообщения: 34042
Зарегистрирован: 04 апр 2010, 19:22
Репутация: 6194
Откуда: Казахстан.
Контактная информация:

Re: Про сервы Yaskawa

Сообщение aftaev »

mhael писал(а):можно и без КАналога
по любому его еже ли что можно докупить ;)
Дилетанту сложные вещи кажутся очень простыми, и только профессионал понимает насколько сложна самая простая вещь
Кто хочет - ищет возможности, кто не хочет - ищет оправдание.
Найди работу по душе и тебе не придется работать.
Optim
Новичок
Сообщения: 32
Зарегистрирован: 20 дек 2012, 22:08
Репутация: 0
Настоящее имя: Юрий
Откуда: Москва
Контактная информация:

Re: Про сервы Yaskawa

Сообщение Optim »

С моими сервопаками вопрос прояснился: на всех трех сгорели силовые блоки в связи со скачком напряжения в сети. Ставьте стабилизатор на вход, спасет массу нервных клеток.
Аватара пользователя
mhael
Мастер
Сообщения: 2443
Зарегистрирован: 09 мар 2013, 11:22
Репутация: 769
Настоящее имя: Ильдар
Контактная информация:

Re: Про сервы Yaskawa

Сообщение mhael »

а "мозги" живые?
Optim
Новичок
Сообщения: 32
Зарегистрирован: 20 дек 2012, 22:08
Репутация: 0
Настоящее имя: Юрий
Откуда: Москва
Контактная информация:

Re: Про сервы Yaskawa

Сообщение Optim »

mhael писал(а):а "мозги" живые?
Мозги живые, с сигмой, по крайней мере, общаются.
aftaev
Зачётный участник
Зачётный участник
Сообщения: 34042
Зарегистрирован: 04 апр 2010, 19:22
Репутация: 6194
Откуда: Казахстан.
Контактная информация:

Re: Про сервы Yaskawa

Сообщение aftaev »

щас у тебя их купят :)
Дилетанту сложные вещи кажутся очень простыми, и только профессионал понимает насколько сложна самая простая вещь
Кто хочет - ищет возможности, кто не хочет - ищет оправдание.
Найди работу по душе и тебе не придется работать.
Аватара пользователя
mhael
Мастер
Сообщения: 2443
Зарегистрирован: 09 мар 2013, 11:22
Репутация: 769
Настоящее имя: Ильдар
Контактная информация:

Re: Про сервы Yaskawa

Сообщение mhael »

Optim писал(а):с сигмой, по крайней мере, общаются
Это еще не показатель. А веду я к тому, что сгоревшая "сила" это конечно печально, но если мозги живые (наверняка только тест с живой "силой" может показать ИМХО) то на всемирной барахолке редко, но встречаются по-дешевке привода "поломанные". Можно попробовать собрать рабочую.
aftaev писал(а):щас у тебя их купят
Если бы мозги наверняка были бы живые (а это еще вопрос) и подходили бы к моелям SGDH ( а это врядли) - одну бы точно купил ;)
aftaev
Зачётный участник
Зачётный участник
Сообщения: 34042
Зарегистрирован: 04 апр 2010, 19:22
Репутация: 6194
Откуда: Казахстан.
Контактная информация:

Re: Про сервы Yaskawa

Сообщение aftaev »

mhael писал(а):то на всемирной барахолке редко, но встречаются по-дешевке привода "поломанные". Можно попробовать собрать рабочую.
у Optim, серва на сколько, на 100ватт :thinking: , проще выбросить и другу купить ;)
Вложения
123.png (2027 просмотров) <a class='original' href='./download/file.php?id=32412&mode=view' target=_blank>Загрузить оригинал (74.51 КБ)</a>
Дилетанту сложные вещи кажутся очень простыми, и только профессионал понимает насколько сложна самая простая вещь
Кто хочет - ищет возможности, кто не хочет - ищет оправдание.
Найди работу по душе и тебе не придется работать.
Аватара пользователя
mhael
Мастер
Сообщения: 2443
Зарегистрирован: 09 мар 2013, 11:22
Репутация: 769
Настоящее имя: Ильдар
Контактная информация:

Re: Про сервы Yaskawa

Сообщение mhael »

aftaev писал(а):у Optim, серва на сколько, на 100ватт, проще выбросить и другу купить
адрес ведра могу написать. обещаю провести полную утилизацию после измывательств ;)
Optim
Новичок
Сообщения: 32
Зарегистрирован: 20 дек 2012, 22:08
Репутация: 0
Настоящее имя: Юрий
Откуда: Москва
Контактная информация:

Re: Про сервы Yaskawa

Сообщение Optim »

Как оживилась дискуссия :hehehe:
Серва на 200 Вт, продавать, пока не буду уверен, что своими силами реанимировать не смогу, не буду. Не поштучно, ни вёдрами :)
Ответить

Вернуться в «Электроника»