Усилитель выходного напряжения ЦАП
-
Lexins
- Новичок
- Сообщения: 12
- Зарегистрирован: 29 май 2019, 08:38
- Репутация: 1
- Настоящее имя: Алексей Трифонов
- Контактная информация:
Усилитель выходного напряжения ЦАП
Имеется STM32F407 с выходным напряжением ЦАП (0-3,3В).
Подскажите схему усилителя напряжения до (0-10В)
Подскажите схему усилителя напряжения до (0-10В)
-
Chatter
- Кандидат
- Сообщения: 46
- Зарегистрирован: 02 фев 2016, 10:37
- Репутация: 2
- Контактная информация:
Re: Усилитель выходного напряжения ЦАП
С проца логичнее выводить ШИМ, если есть свободные ноги.
-
Lexins
- Новичок
- Сообщения: 12
- Зарегистрирован: 29 май 2019, 08:38
- Репутация: 1
- Настоящее имя: Алексей Трифонов
- Контактная информация:
Re: Усилитель выходного напряжения ЦАП
ШИМ тоже есть, но управление нужно по аналогу (0-10v)
- xvovanx
- Мастер
- Сообщения: 3776
- Зарегистрирован: 25 фев 2016, 12:27
- Репутация: 920
- Настоящее имя: Владимир
- Откуда: Latvia
- Контактная информация:
Re: Усилитель выходного напряжения ЦАП
в нете схем как грязи
- Вложения
-
- 3.3Vto10V.gif (4.29 КБ) 1946 просмотров
- N1X
- Мастер
- Сообщения: 3653
- Зарегистрирован: 16 фев 2015, 21:19
- Репутация: 1646
- Настоящее имя: Владимир
- Откуда: Беларусь, Гомель
- Контактная информация:
Re: Усилитель выходного напряжения ЦАП
Схем как грязи, только и без понимания схема - грязь...
К примеру, чтобы было действительно от нуля - нужно либо отрицательное питание ОУ, либо R2R вход и выход у ОУ. Причем надежнее таки первый вариант. Хотя если привод поддерживает настройку масштаба (мертвая зона, баланс), то в принципе может и пофиг
К примеру, чтобы было действительно от нуля - нужно либо отрицательное питание ОУ, либо R2R вход и выход у ОУ. Причем надежнее таки первый вариант. Хотя если привод поддерживает настройку масштаба (мертвая зона, баланс), то в принципе может и пофиг
- Serg
- Мастер
- Сообщения: 21923
- Зарегистрирован: 17 апр 2012, 14:58
- Репутация: 5183
- Заслуга: c781c134843e0c1a3de9
- Настоящее имя: Сергей
- Откуда: Москва
- Контактная информация:
Re: Усилитель выходного напряжения ЦАП
Это не проблема, например MAX829 и пара конденсаторов.
Я не Христос, рыбу не раздаю, но могу научить, как сделать удочку...
-
Lexins
- Новичок
- Сообщения: 12
- Зарегистрирован: 29 май 2019, 08:38
- Репутация: 1
- Настоящее имя: Алексей Трифонов
- Контактная информация:
Re: Усилитель выходного напряжения ЦАП
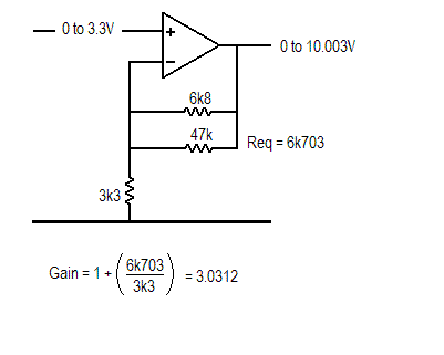
Вот еще нашел схему, проверил в симуляторе falstad, вроде похоже на рабочий вариант, кто-то может опытным глазом сказать, нет ли тут сильных косяков.
-
Lexins
- Новичок
- Сообщения: 12
- Зарегистрирован: 29 май 2019, 08:38
- Репутация: 1
- Настоящее имя: Алексей Трифонов
- Контактная информация:
Re: Усилитель выходного напряжения ЦАП
а как из двух выходов PWM (0-3,3V) получить -10..+10V (управление по принципу H-bridge).
- Serg
- Мастер
- Сообщения: 21923
- Зарегистрирован: 17 апр 2012, 14:58
- Репутация: 5183
- Заслуга: c781c134843e0c1a3de9
- Настоящее имя: Сергей
- Откуда: Москва
- Контактная информация:
Re: Усилитель выходного напряжения ЦАП
Номиналы изменить под свои частоту и напряжение PWM.
Я не Христос, рыбу не раздаю, но могу научить, как сделать удочку...
-
Duhas
- Мастер
- Сообщения: 1961
- Зарегистрирован: 10 окт 2015, 23:25
- Репутация: 285
- Настоящее имя: Андрей
- Откуда: Красноярск
- Контактная информация:
Re: Усилитель выходного напряжения ЦАП
в целом схема на столько элементарна что туда скорее надо что-нибудь добавить, чем убрать, в частности емкости по питанию ОУ
-
VaBo
- Кандидат
- Сообщения: 58
- Зарегистрирован: 10 фев 2021, 20:26
- Репутация: 4
- Настоящее имя: Вадим
- Контактная информация:
Re: Усилитель выходного напряжения ЦАП
Схема из этого поста
viewtopic.php?p=597614#p597614
проще и надежней, тем более использует однополярное питание (12-24 ведь всегда под рукой?).
Остаточное напряжение на выходе типовое 5 mV, максимальное 20 mV. Можно еще убавить, "пригрузив" выход ОУ в ноль по максимуму или совсем исключить, поставив на выходе диод или эмиттерный повторитель, ОС, естественно, подключается после добавленного компонента.
viewtopic.php?p=597614#p597614
проще и надежней, тем более использует однополярное питание (12-24 ведь всегда под рукой?).
Остаточное напряжение на выходе типовое 5 mV, максимальное 20 mV. Можно еще убавить, "пригрузив" выход ОУ в ноль по максимуму или совсем исключить, поставив на выходе диод или эмиттерный повторитель, ОС, естественно, подключается после добавленного компонента.
-
Lexins
- Новичок
- Сообщения: 12
- Зарегистрирован: 29 май 2019, 08:38
- Репутация: 1
- Настоящее имя: Алексей Трифонов
- Контактная информация:
Re: Усилитель выходного напряжения ЦАП
Да, но ..
Нужно из двух (0..3,3в) получить один выход -10в..+10в.
Нужно из двух (0..3,3в) получить один выход -10в..+10в.
-
VaBo
- Кандидат
- Сообщения: 58
- Зарегистрирован: 10 фев 2021, 20:26
- Репутация: 4
- Настоящее имя: Вадим
- Контактная информация:
Re: Усилитель выходного напряжения ЦАП
Не с начала просмотрел, поспешил.
Конденсаторы С10,11 (якобы фильтрующие, на самом деле могущие привести к возбуждению ОУ) убрать обязательно, пары резисторов R12..15 подбирать с максимальной точностью, но уверен, что все равно четкий ноль на выходе вы не получите, микросхемка ширпотребная и имеет приличное смещение как по входам, так и по выходам. Определитесь, какая величина (на обоих входах нули!) допустима?
Конденсаторы С10,11 (якобы фильтрующие, на самом деле могущие привести к возбуждению ОУ) убрать обязательно, пары резисторов R12..15 подбирать с максимальной точностью, но уверен, что все равно четкий ноль на выходе вы не получите, микросхемка ширпотребная и имеет приличное смещение как по входам, так и по выходам. Определитесь, какая величина (на обоих входах нули!) допустима?
-
VaBo
- Кандидат
- Сообщения: 58
- Зарегистрирован: 10 фев 2021, 20:26
- Репутация: 4
- Настоящее имя: Вадим
- Контактная информация:
Re: Усилитель выходного напряжения ЦАП
Тем не менее, для тех, кто чуть более нуля понимает в схемотехнике, этого достаточно.это вообще не схема, а эскиз какой то - ни питания, ни типа ОУ..
- merkwurdigliebe
- Мастер
- Сообщения: 609
- Зарегистрирован: 17 дек 2013, 22:14
- Репутация: 580
- Откуда: București
- Контактная информация:
Re: Усилитель выходного напряжения ЦАП
я вот отсюда подтырил: https://www.ti.com/lit/ug/slau525/slau525.pdf
-
VaBo
- Кандидат
- Сообщения: 58
- Зарегистрирован: 10 фев 2021, 20:26
- Репутация: 4
- Настоящее имя: Вадим
- Контактная информация:
Re: Усилитель выходного напряжения ЦАП
Сайт Техасов (и Аналог-Девайсов) - кладези полезной инфы. Почти все тематические статьи в околоэлектронных изданиях - переводы оттуда, причем "авторы" об этом стыдливо умалчивают.merkwurdigliebe писал(а): ↑22 фев 2021, 14:16 я вот отсюда подтырил: https://www.ti.com/lit/ug/slau525/slau525.pdf
Но если бы я имел STM (да или любой другой контроллер), то без вариантов использовал бы ШИМ, подавая его на любой драйвер с PUSH-PULL выходом, запитанным от нужного напряжения, далее RC-фильтр. Абсолютно линейно, не подвержено каким либо шумам и прочим аналоговым заморочкам, проблема с минусовым напряжением решается на уровне логики.