ПЧ Delta MS300
-
dreamisi
- Новичок
- Сообщения: 14
- Зарегистрирован: 22 июл 2017, 22:37
- Репутация: 0
- Контактная информация:
ПЧ Delta MS300
Доброго времени суток. Помогите пожалуйста решить задачку с ПЧ.
Нужно: передать ошибку с пч на систему ЧПУ (для аварийного останова станка в случае перегруза шпинделя).
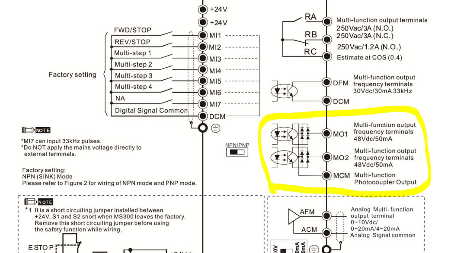
В данном пч есть программируемое реле(Ra, Rb, Rc на рисунке), оно используется для включения сож при запуске шпинделя (подается 24В на электроклапан).
Также есть обведенные на схеме многофункциональные выводы(помечены маркером), их также можно запрограммировать, но я не могу понять логику их работы. Цепь не замыкается, напряжение не подается. Мерил как между MO1/MO2 и MCM, так между MO1/MO2 и землей.
Очень прошу помочь понять принцип работы этих выходов.
Заранее благодарю за ответы.
Мануал инвертора прилагаю к сообщению
Нужно: передать ошибку с пч на систему ЧПУ (для аварийного останова станка в случае перегруза шпинделя).
В данном пч есть программируемое реле(Ra, Rb, Rc на рисунке), оно используется для включения сож при запуске шпинделя (подается 24В на электроклапан).
Также есть обведенные на схеме многофункциональные выводы(помечены маркером), их также можно запрограммировать, но я не могу понять логику их работы. Цепь не замыкается, напряжение не подается. Мерил как между MO1/MO2 и MCM, так между MO1/MO2 и землей.
Очень прошу помочь понять принцип работы этих выходов.
Заранее благодарю за ответы.
Мануал инвертора прилагаю к сообщению
- Вложения
-
- мануал инвертора.pdf
- (17.63 МБ) 270 скачиваний
-
aftaev
- Зачётный участник

- Сообщения: 34042
- Зарегистрирован: 04 апр 2010, 19:22
- Репутация: 6194
- Откуда: Казахстан.
- Контактная информация:
Re: ПЧ Delta MS300
Почитай в гугле что такое открытый коллекторdreamisi писал(а):Цепь не замыкается, напряжение не подается. Мерил как между MO1/MO2 и MCM, так между MO1/MO2 и землей.
Дилетанту сложные вещи кажутся очень простыми, и только профессионал понимает насколько сложна самая простая вещь
Кто хочет - ищет возможности, кто не хочет - ищет оправдание.
Найди работу по душе и тебе не придется работать.
Кто хочет - ищет возможности, кто не хочет - ищет оправдание.
Найди работу по душе и тебе не придется работать.
-
dreamisi
- Новичок
- Сообщения: 14
- Зарегистрирован: 22 июл 2017, 22:37
- Репутация: 0
- Контактная информация:
Re: ПЧ Delta MS300
Спасибо, прочел.
Позвольте подстрахуюсь вопросом. ТО есть по сути 24В на электроклапан я могу пустить через цепь MO1/MO2 и MCM?
Прошу прощения, если спрашиваю откровенную глупость. Я только учусь и не хочу накосячить.
Позвольте подстрахуюсь вопросом. ТО есть по сути 24В на электроклапан я могу пустить через цепь MO1/MO2 и MCM?
Прошу прощения, если спрашиваю откровенную глупость. Я только учусь и не хочу накосячить.
- raddd
- Почётный участник

- Сообщения: 1564
- Зарегистрирован: 10 фев 2015, 08:50
- Репутация: 540
- Настоящее имя: Alexey Rodionov
- Откуда: Беларусь Минский р-н
- Контактная информация:
Re: ПЧ Delta MS300
А чем меряли "замыкается"?
Там по схеме оптрон с диодным мостом. А это два диода по 0.5в и около 0.2 на оптроне потери в переходах.
На мсм подать +12в. с мо1 на светодиод и второй конец светодиода на -12в (разумеется через резистор). Ну или вместо светодиода тестером напругу померять.
Прозаанивать тестером некорректно. Т.к. нппрчжение на его щупах слишком мало чтобы пройти два диода и оптрон неоткроется.
Там по схеме оптрон с диодным мостом. А это два диода по 0.5в и около 0.2 на оптроне потери в переходах.
На мсм подать +12в. с мо1 на светодиод и второй конец светодиода на -12в (разумеется через резистор). Ну или вместо светодиода тестером напругу померять.
Прозаанивать тестером некорректно. Т.к. нппрчжение на его щупах слишком мало чтобы пройти два диода и оптрон неоткроется.
||||||||||||
||||||||||||
||||||||||||
- raddd
- Почётный участник

- Сообщения: 1564
- Зарегистрирован: 10 фев 2015, 08:50
- Репутация: 540
- Настоящее имя: Alexey Rodionov
- Откуда: Беларусь Минский р-н
- Контактная информация:
Re: ПЧ Delta MS300
Электроклапан должен потреблять не более 30милиамперdreamisi писал(а):Спасибо, прочел.
Позвольте подстрахуюсь вопросом. ТО есть по сути 24В на электроклапан я могу пустить через цепь MO1/MO2 и MCM?
Прошу прощения, если спрашиваю откровенную глупость. Я только учусь и не хочу накосячить.
Если так то можно.
Пардон. 50милиампер.
||||||||||||
||||||||||||
||||||||||||
-
dreamisi
- Новичок
- Сообщения: 14
- Зарегистрирован: 22 июл 2017, 22:37
- Репутация: 0
- Контактная информация:
Re: ПЧ Delta MS300
Подскажите пожалуйста как именно нужно подключить?
Я так понимаю на один из пинов 12В, на другой - контакт с клапана? и 2ой контакт с клапана на землю?
Голова на ночь глядя не соображает, утром прочту еще разок про подключение на открытый коллектор
Я так понимаю на один из пинов 12В, на другой - контакт с клапана? и 2ой контакт с клапана на землю?
Голова на ночь глядя не соображает, утром прочту еще разок про подключение на открытый коллектор
- raddd
- Почётный участник

- Сообщения: 1564
- Зарегистрирован: 10 фев 2015, 08:50
- Репутация: 540
- Настоящее имя: Alexey Rodionov
- Откуда: Беларусь Минский р-н
- Контактная информация:
Re: ПЧ Delta MS300
В твоем случае ролярномть не имее т значения
Подключай так как удобно.
Подключай так как удобно.
||||||||||||
||||||||||||
||||||||||||
- raddd
- Почётный участник

- Сообщения: 1564
- Зарегистрирован: 10 фев 2015, 08:50
- Репутация: 540
- Настоящее имя: Alexey Rodionov
- Откуда: Беларусь Минский р-н
- Контактная информация:
Re: ПЧ Delta MS300
На этом выходе имеет значение.
А чтобы проще понимать стрелка в обозначении полупроводниковых приборов указывает на минус.
Вот транзистор с открытым колектором. Стрелка на эмиттере NеPопалаN npn. Коллектор всегда будет смотреть на плюс. Напрямую или через нагрузку.
PопалNP pnp наоборот. Диод так же.
А чтобы проще понимать стрелка в обозначении полупроводниковых приборов указывает на минус.
Вот транзистор с открытым колектором. Стрелка на эмиттере NеPопалаN npn. Коллектор всегда будет смотреть на плюс. Напрямую или через нагрузку.
PопалNP pnp наоборот. Диод так же.
||||||||||||
||||||||||||
||||||||||||
- raddd
- Почётный участник

- Сообщения: 1564
- Зарегистрирован: 10 фев 2015, 08:50
- Репутация: 540
- Настоящее имя: Alexey Rodionov
- Откуда: Беларусь Минский р-н
- Контактная информация:
Re: ПЧ Delta MS300
И да. Поправлюсь. Схема с открытым коллктором считается тогда когда эмиттер уже гдето посажен на общую шинку. Ну а если коллектор посажен на шинку то открытый эмиттер.
Причем надо смотреть на структуру этого транзистора. Чтобы знать шинку на плюс или минус сажать.
Причем надо смотреть на структуру этого транзистора. Чтобы знать шинку на плюс или минус сажать.
||||||||||||
||||||||||||
||||||||||||
- Serg
- Мастер
- Сообщения: 21923
- Зарегистрирован: 17 апр 2012, 14:58
- Репутация: 5183
- Заслуга: c781c134843e0c1a3de9
- Настоящее имя: Сергей
- Откуда: Москва
- Контактная информация:
Re: ПЧ Delta MS300
Забейте на общие коллекторы и эмиттеры - их там нет. 
Эта схема (фототранзистор с диодным мостом) представляет собой ключ, комутирующий ток любой полярности.
Мерять что-либо тестером бесполезно - слишком малые напряжение и ток на щупах тестера, может нехватать длдя открытия полупроводникового перехода дажее в прямом направлении.
Эта схема (фототранзистор с диодным мостом) представляет собой ключ, комутирующий ток любой полярности.
Мерять что-либо тестером бесполезно - слишком малые напряжение и ток на щупах тестера, может нехватать длдя открытия полупроводникового перехода дажее в прямом направлении.
Я не Христос, рыбу не раздаю, но могу научить, как сделать удочку...
-
dreamisi
- Новичок
- Сообщения: 14
- Зарегистрирован: 22 июл 2017, 22:37
- Репутация: 0
- Контактная информация:
Re: ПЧ Delta MS300
Большое спасибо!
Осталось найти потребляемый ток клапанами, чтобы понять, реализуема эта схема вообще или нет.
Осталось найти потребляемый ток клапанами, чтобы понять, реализуема эта схема вообще или нет.
-
dreamisi
- Новичок
- Сообщения: 14
- Зарегистрирован: 22 июл 2017, 22:37
- Репутация: 0
- Контактная информация:
Re: ПЧ Delta MS300
Также возник вопрос, для чего вообще могу применяться эти программируемые выходы?
Для моего случая они судя по всему не подходят, мощность электроклапана 3,8 Вт, по току не проходит, если я ничего не напутал:(
Для моего случая они судя по всему не подходят, мощность электроклапана 3,8 Вт, по току не проходит, если я ничего не напутал:(
-
Евжений
- Мастер
- Сообщения: 1168
- Зарегистрирован: 05 апр 2016, 20:18
- Репутация: 136
- Настоящее имя: Жэзэрэл
- Откуда: Там, сям.
- Контактная информация:
Re: ПЧ Delta MS300
стр 11-14 мануала в первом посте.dreamisi писал(а):для чего вообще могу применяться эти программируемые выходы
Допустим можно в параметр 2-13 вписать 9. Значит релюшка будет срабатывать при условии что частотник готов к работе.
ВК https://vk.com/id353124059
О Боже, дай мне .... пендель!
О Боже, дай мне .... пендель!
-
dreamisi
- Новичок
- Сообщения: 14
- Зарегистрирован: 22 июл 2017, 22:37
- Репутация: 0
- Контактная информация:
Re: ПЧ Delta MS300
Ну диапазон настраиваемых параметров я понял, вопрос в применение вообще этого реле, что от них можно запитать и с какой целью, по току они слабые же( я именно про МО)Евжений писал(а):стр 11-14 мануала в первом посте.dreamisi писал(а):для чего вообще могу применяться эти программируемые выходы
Допустим можно в параметр 2-13 вписать 9. Значит релюшка будет срабатывать при условии что частотник готов к работе.
-
Евжений
- Мастер
- Сообщения: 1168
- Зарегистрирован: 05 апр 2016, 20:18
- Репутация: 136
- Настоящее имя: Жэзэрэл
- Откуда: Там, сям.
- Контактная информация:
Re: ПЧ Delta MS300
Реле твердотельное, например.
ВК https://vk.com/id353124059
О Боже, дай мне .... пендель!
О Боже, дай мне .... пендель!
-
Евжений
- Мастер
- Сообщения: 1168
- Зарегистрирован: 05 апр 2016, 20:18
- Репутация: 136
- Настоящее имя: Жэзэрэл
- Откуда: Там, сям.
- Контактная информация:
Re: ПЧ Delta MS300
И для этого тоже. На вход чпу. Или на вход серводрайвера.dreamisi писал(а):Нужно: передать ошибку с пч на систему ЧПУ (для аварийного останова станка в случае перегруза шпинделя).
ВК https://vk.com/id353124059
О Боже, дай мне .... пендель!
О Боже, дай мне .... пендель!
- Serg
- Мастер
- Сообщения: 21923
- Зарегистрирован: 17 апр 2012, 14:58
- Репутация: 5183
- Заслуга: c781c134843e0c1a3de9
- Настоящее имя: Сергей
- Откуда: Москва
- Контактная информация:
Re: ПЧ Delta MS300
У такого ток срабатывания заметно больше. В 50 мА влезет разве что ток удержания, и то не у всех.raddd писал(а):Или вот такое 24в
Я не Христос, рыбу не раздаю, но могу научить, как сделать удочку...
- raddd
- Почётный участник

- Сообщения: 1564
- Зарегистрирован: 10 фев 2015, 08:50
- Репутация: 540
- Настоящее имя: Alexey Rodionov
- Откуда: Беларусь Минский р-н
- Контактная информация:
Re: ПЧ Delta MS300
ВотUAVpilot писал(а):У такого ток срабатывания заметно больше. В 50 мА влезет разве что ток удержания, и то не у всех.raddd писал(а):Или вот такое 24в
http://belchip.by/product/?selected_product=10315
||||||||||||
||||||||||||
||||||||||||
- Serg
- Мастер
- Сообщения: 21923
- Зарегистрирован: 17 апр 2012, 14:58
- Репутация: 5183
- Заслуга: c781c134843e0c1a3de9
- Настоящее имя: Сергей
- Откуда: Москва
- Контактная информация:
Re: ПЧ Delta MS300
На картинке показаны реле, монтирующиеся на DIN-рейку и на напряжение 24В - вот про них я и говорю. А реле для монтажа на печатную плату тут как-бэ не в тему...
P.S. То, что есть всякие миниатюрные реле с током срабатывания даже в единицы миллиампер (герконовые например) я тоже знаю...
P.S. То, что есть всякие миниатюрные реле с током срабатывания даже в единицы миллиампер (герконовые например) я тоже знаю...
Я не Христос, рыбу не раздаю, но могу научить, как сделать удочку...