Pulse train это по сути step/dir?
-
Александр_
- Мастер
- Сообщения: 1743
- Зарегистрирован: 24 дек 2013, 17:47
- Репутация: 122
- Контактная информация:
Pulse train это по сути step/dir?
если в описании к сервоусилителю написано "Pulse train/speed control type" это значит что управляется по степдиру и по аналогу на выбор? Отлистал мануал до семы подачи управляющего сигнала - что-то не очень на степдир похоже. Усилитель Fuji Faldic RYS 401 S3-VVS
Заходите в гости: www.pandicon.net www.graver36.ru
-
aftaev
- Зачётный участник

- Сообщения: 34042
- Зарегистрирован: 04 апр 2010, 19:22
- Репутация: 6194
- Откуда: Казахстан.
- Контактная информация:
Re: Pulse train это по сути step/dir?
даАлександр_ писал(а): "Pulse train/speed control type" это значит что управляется по степдиру и по аналогу на выбор?
Дилетанту сложные вещи кажутся очень простыми, и только профессионал понимает насколько сложна самая простая вещь
Кто хочет - ищет возможности, кто не хочет - ищет оправдание.
Найди работу по душе и тебе не придется работать.
Кто хочет - ищет возможности, кто не хочет - ищет оправдание.
Найди работу по душе и тебе не придется работать.
-
aftaev
- Зачётный участник

- Сообщения: 34042
- Зарегистрирован: 04 апр 2010, 19:22
- Репутация: 6194
- Откуда: Казахстан.
- Контактная информация:
Re: Pulse train это по сути step/dir?
Схему подключения сервы выложи.Александр_ писал(а):тлистал мануал до семы подачи управляющего сигнала - что-то не очень на степдир похоже.
Дилетанту сложные вещи кажутся очень простыми, и только профессионал понимает насколько сложна самая простая вещь
Кто хочет - ищет возможности, кто не хочет - ищет оправдание.
Найди работу по душе и тебе не придется работать.
Кто хочет - ищет возможности, кто не хочет - ищет оправдание.
Найди работу по душе и тебе не придется работать.
-
Александр_
- Мастер
- Сообщения: 1743
- Зарегистрирован: 24 дек 2013, 17:47
- Репутация: 122
- Контактная информация:
Re: Pulse train это по сути step/dir?
вот скрины из мануала. что за схема подачи сигнала не пойму.
Заходите в гости: www.pandicon.net www.graver36.ru
-
Александр_
- Мастер
- Сообщения: 1743
- Зарегистрирован: 24 дек 2013, 17:47
- Репутация: 122
- Контактная информация:
Re: Pulse train это по сути step/dir?
есть просто возможность купить таких но не знаю стоит ли связываться. почти нет упоминаний чтобы кто-то ими пользовался. хотя характеристики отменные - и система подавления вибраций и прочие навороты. только не пойму понимают ли степдир они. ко всему прочему на вход хотят 3х220В. частотник нужен который преобразует однофазное напряжение или трансформатор 3х380->3х220?
Заходите в гости: www.pandicon.net www.graver36.ru
-
aftaev
- Зачётный участник

- Сообщения: 34042
- Зарегистрирован: 04 апр 2010, 19:22
- Репутация: 6194
- Откуда: Казахстан.
- Контактная информация:
Re: Pulse train это по сути step/dir?
Маловато схем.Александр_ писал(а):вот скрины из мануала. что за схема подачи сигнала не пойму.
Мощь какая?Александр_ писал(а): ко всему прочему на вход хотят 3х220В.
К частотникам можно подключать только двигатель. Даже два движка подключить к одному частотнику не всегда можно.Александр_ писал(а):частотник нужен который преобразует однофазное напряжение
1. подключить через понижающий трансАлександр_ писал(а):трансформатор 3х380->3х220?
2. подключить через электронный транс Питание 3ф серв 220в от 380в (электронный трансформатор) #1
3. Если мосчь до 1.5квт скорее всего будет пахать от 1ф 220в
Дилетанту сложные вещи кажутся очень простыми, и только профессионал понимает насколько сложна самая простая вещь
Кто хочет - ищет возможности, кто не хочет - ищет оправдание.
Найди работу по душе и тебе не придется работать.
Кто хочет - ищет возможности, кто не хочет - ищет оправдание.
Найди работу по душе и тебе не придется работать.
-
Александр_
- Мастер
- Сообщения: 1743
- Зарегистрирован: 24 дек 2013, 17:47
- Репутация: 122
- Контактная информация:
Re: Pulse train это по сути step/dir?
мощность 400Вт. мануалы прикрепил.
нет, судя по всему не так как мицубиши - от одной фазы с потерей мощности работает. подавай им 3х220В.
нет, судя по всему не так как мицубиши - от одной фазы с потерей мощности работает. подавай им 3х220В.
- Вложения
-
- Fuji FALDIC-Alpha servo katalogu.pdf
- (6.72 МБ) 2680 скачиваний
-
- User's manual for FALDIC-Alpha(V-Type).pdf
- (5.91 МБ) 807 скачиваний
Заходите в гости: www.pandicon.net www.graver36.ru
-
Александр_
- Мастер
- Сообщения: 1743
- Зарегистрирован: 24 дек 2013, 17:47
- Репутация: 122
- Контактная информация:
Re: Pulse train это по сути step/dir?
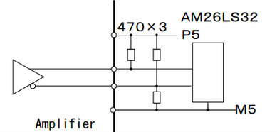
вот чтобы быть конкретнее - см. картинку.
в описании пульстрейна говорится фактически о сигналах степ+, степ-, дир+, дир-?
в описании пульстрейна говорится фактически о сигналах степ+, степ-, дир+, дир-?
Заходите в гости: www.pandicon.net www.graver36.ru
-
aftaev
- Зачётный участник

- Сообщения: 34042
- Зарегистрирован: 04 апр 2010, 19:22
- Репутация: 6194
- Откуда: Казахстан.
- Контактная информация:
Re: Pulse train это по сути step/dir?
99% будет пахать от 1ф 220вАлександр_ писал(а):мощность 400Вт. мануалы прикрепил.
Конкретно нужно брать и название сервы расшифровывать по букаФкамАлександр_ писал(а):вот чтобы быть конкретнее - см. картинку.
В в мануале есть что какие то сервы можно подключать и по аналогу и степ/дирАлександр_ писал(а):в описании пульстрейна говорится фактически о сигналах степ+, степ-, дир+, дир-?
Дилетанту сложные вещи кажутся очень простыми, и только профессионал понимает насколько сложна самая простая вещь
Кто хочет - ищет возможности, кто не хочет - ищет оправдание.
Найди работу по душе и тебе не придется работать.
Кто хочет - ищет возможности, кто не хочет - ищет оправдание.
Найди работу по душе и тебе не придется работать.
-
Александр_
- Мастер
- Сообщения: 1743
- Зарегистрирован: 24 дек 2013, 17:47
- Репутация: 122
- Контактная информация:
Re: Pulse train это по сути step/dir?
приложил картинку. это V-серия. получается, обычный степ-дир? та схема что вы обвели красным это и есть подача степ-дир сигнала? уж больно необычная.
заманчиво было бы запитать их от 1ф 220В. но как? в мануале про это ни слова.
заманчиво было бы запитать их от 1ф 220В. но как? в мануале про это ни слова.
Заходите в гости: www.pandicon.net www.graver36.ru
-
aftaev
- Зачётный участник

- Сообщения: 34042
- Зарегистрирован: 04 апр 2010, 19:22
- Репутация: 6194
- Откуда: Казахстан.
- Контактная информация:
Re: Pulse train это по сути step/dir?
Написано же Pulse train https://translate.google.ru/#en/ru/Pulse%20trainАлександр_ писал(а):та схема что вы обвели красным это и есть подача степ-дир сигнала?
Дилетанту сложные вещи кажутся очень простыми, и только профессионал понимает насколько сложна самая простая вещь
Кто хочет - ищет возможности, кто не хочет - ищет оправдание.
Найди работу по душе и тебе не придется работать.
Кто хочет - ищет возможности, кто не хочет - ищет оправдание.
Найди работу по душе и тебе не придется работать.
-
Александр_
- Мастер
- Сообщения: 1743
- Зарегистрирован: 24 дек 2013, 17:47
- Репутация: 122
- Контактная информация:
Re: Pulse train это по сути step/dir?
ну мало ли каких импульсов - может других каких-то. не мне вам рассказывать что ошибешься в 1 букве в маркировке и можно потом выбросить. в общем, к мачу получается их вполне можно прикрутить? 500Кгц это нормальная частота для степ-дира?
Заходите в гости: www.pandicon.net www.graver36.ru
- NightV
- Почётный участник

- Сообщения: 6611
- Зарегистрирован: 30 дек 2011, 09:14
- Репутация: 2279
- Настоящее имя: Владимир Айрапетян
- Откуда: Israel
- Контактная информация:
Re: Pulse train это по сути step/dir?
у меня на обоих станках такие... один отдельный, погрузчиком заносили... второй на окуме, прям на станке висит... но и сервы не по 1kwaftaev писал(а):1. подключить через понижающий транс
Всё просто! если знаешь КАК!
-
Александр_
- Мастер
- Сообщения: 1743
- Зарегистрирован: 24 дек 2013, 17:47
- Репутация: 122
- Контактная информация:
Re: Pulse train это по сути step/dir?
а что такое DI/DO?
Заходите в гости: www.pandicon.net www.graver36.ru
- N1X
- Мастер
- Сообщения: 3653
- Зарегистрирован: 16 фев 2015, 21:19
- Репутация: 1646
- Настоящее имя: Владимир
- Откуда: Беларусь, Гомель
- Контактная информация:
Re: Pulse train это по сути step/dir?
DigitalInput/DigitalOutput
-
Александр_
- Мастер
- Сообщения: 1743
- Зарегистрирован: 24 дек 2013, 17:47
- Репутация: 122
- Контактная информация:
Re: Pulse train это по сути step/dir?
я уж думал что-то страшноеN1X писал(а):DigitalInput/DigitalOutput
то есть получается можно брать? теоретически все должно с тем же мачем работать?
не пойму только два момента:
1. если на вход подается степ/дир то что это за диаграмма? должно быть 4 сигнала на 4 соответствующих пина в разъеме. а тут какие-то две линии из треугольника.
2. 500КГц это нормальная частота? У меня в SmoothStepper для шаговиков максимальная частота импульсов что-то около 4МГц а тут вроде сервы.
Заходите в гости: www.pandicon.net www.graver36.ru
- N1X
- Мастер
- Сообщения: 3653
- Зарегистрирован: 16 фев 2015, 21:19
- Репутация: 1646
- Настоящее имя: Владимир
- Откуда: Беларусь, Гомель
- Контактная информация:
Re: Pulse train это по сути step/dir?
Насчет частоты не скажу, на схеме - включение дифференциальной линии, один сигнал передается по двум проводам. AM26LS32 - приемник, треугольником они передатчик нарисовали.
https://ru.m.wikipedia.org/wiki/LVDS - физический принцип тот же.
https://ru.m.wikipedia.org/wiki/LVDS - физический принцип тот же.
-
Александр_
- Мастер
- Сообщения: 1743
- Зарегистрирован: 24 дек 2013, 17:47
- Репутация: 122
- Контактная информация:
Re: Pulse train это по сути step/dir?
спасибо! тогда наверное, нужно брать.
в этих роботах в силовом шкафу такие трансформаторы - вероятно с их помощью 3х220В и получали?
в этих роботах в силовом шкафу такие трансформаторы - вероятно с их помощью 3х220В и получали?
Заходите в гости: www.pandicon.net www.graver36.ru
-
Александр_
- Мастер
- Сообщения: 1743
- Зарегистрирован: 24 дек 2013, 17:47
- Репутация: 122
- Контактная информация:
Re: Pulse train это по сути step/dir?
в общем если удастся сторговаться попробую купить такие комплекты на пробу.
только с питанием непонятка вышла - трехфазного напряжения у меня нет и не предвидится, думал выйти из ситуации простеньким частотником. настроить его на 50Гц и 220В на выходе и запитать этим усилитель. но как я понял это неправильно? получается нет никакого сопособба сделать из однофазного напряжения трехфазное?
вопрос не праздный - куплен помимо этого привод мицубиши на шпиндель (или ось Z). там тоже 3 фазы. будет работать и от одной, конечно, но слабовато
только с питанием непонятка вышла - трехфазного напряжения у меня нет и не предвидится, думал выйти из ситуации простеньким частотником. настроить его на 50Гц и 220В на выходе и запитать этим усилитель. но как я понял это неправильно? получается нет никакого сопособба сделать из однофазного напряжения трехфазное?
вопрос не праздный - куплен помимо этого привод мицубиши на шпиндель (или ось Z). там тоже 3 фазы. будет работать и от одной, конечно, но слабовато
Заходите в гости: www.pandicon.net www.graver36.ru