Предлагаю еще вопрос: нужно ли делать освещение в цеху; в офисе; на территории предприятия и на подъездах к производству? ))))Тима писал(а):Еще такой вопрос: Нужно ли делать освещение стола станка?
6Д81Ш восстановил. вопросы по строгальному
- tooshka
- Почётный участник

- Сообщения: 1803
- Зарегистрирован: 24 окт 2012, 14:26
- Репутация: 209
- Настоящее имя: Андрей
- Откуда: Нижний Новгород
- Контактная информация:
Re: восстановление 6Д81Ш
Милая, ты услышь меня
под окном стою со своим я ЧПУ! (Протяжно; с надрывом; форте)
Внимание!!! Чрезмерное увлечение ЧПУ приводит к проблемам в семейных отношениях!
под окном стою со своим я ЧПУ! (Протяжно; с надрывом; форте)
Внимание!!! Чрезмерное увлечение ЧПУ приводит к проблемам в семейных отношениях!
- ukr-sasha
- Мастер
- Сообщения: 3401
- Зарегистрирован: 21 мар 2011, 07:47
- Репутация: 2181
- Настоящее имя: Украинец Александр Григорьевич
- Откуда: Киев, Украина
- Контактная информация:
Re: восстановление 6Д81Ш
Почему аварийные грибки нормально-открытые?
- Тима
- Почётный участник

- Сообщения: 3162
- Зарегистрирован: 01 мар 2012, 20:47
- Репутация: 1089
- Настоящее имя: Тимур
- Откуда: КБР
- Контактная информация:
Re: восстановление 6Д81Ш
Ясно! Как думаете, 10Вт светодиодный достаточно будет?
И пойдет ли вообще?

Опечатка...ukr-sasha писал(а):Почему аварийные грибки нормально-открытые?
Дорогу осилит идущий!
Я все пойму, Вы только дайте денег!!!
Я все пойму, Вы только дайте денег!!!
- tooshka
- Почётный участник

- Сообщения: 1803
- Зарегистрирован: 24 окт 2012, 14:26
- Репутация: 209
- Настоящее имя: Андрей
- Откуда: Нижний Новгород
- Контактная информация:
Re: восстановление 6Д81Ш
Советую сначала проверить как глаза будут воспринимать отраженный свет, я тут около станка одного наставил таких четыре по 30Вт. так три отключить пришлось - глаза не терпели. Лучше использовать трехцветный светодиод, глазам привычнее.Тима писал(а):Ясно! Как думаете, 10Вт светодиодный достаточно будет?
Милая, ты услышь меня
под окном стою со своим я ЧПУ! (Протяжно; с надрывом; форте)
Внимание!!! Чрезмерное увлечение ЧПУ приводит к проблемам в семейных отношениях!
под окном стою со своим я ЧПУ! (Протяжно; с надрывом; форте)
Внимание!!! Чрезмерное увлечение ЧПУ приводит к проблемам в семейных отношениях!
- Serg
- Мастер
- Сообщения: 21923
- Зарегистрирован: 17 апр 2012, 14:58
- Репутация: 5183
- Заслуга: c781c134843e0c1a3de9
- Настоящее имя: Сергей
- Откуда: Москва
- Контактная информация:
Re: восстановление 6Д81Ш
Надёжнее пускателем К3 управлять допконтактами пускателя К2, а не допсекцией S4 - если вдруг S4 "рассыпется", то такая схема всё равно не позволит включить одновременно К2 и К3.Тима писал(а):Набросал новую схему управления на переключателях...
Я не Христос, рыбу не раздаю, но могу научить, как сделать удочку...
- Тима
- Почётный участник

- Сообщения: 3162
- Зарегистрирован: 01 мар 2012, 20:47
- Репутация: 1089
- Настоящее имя: Тимур
- Откуда: КБР
- Контактная информация:
Re: восстановление 6Д81Ш
трехцветный - это RGB?tooshka писал(а):Лучше использовать трехцветный светодиод, глазам привычнее.
Дорогу осилит идущий!
Я все пойму, Вы только дайте денег!!!
Я все пойму, Вы только дайте денег!!!
- ukr-sasha
- Мастер
- Сообщения: 3401
- Зарегистрирован: 21 мар 2011, 07:47
- Репутация: 2181
- Настоящее имя: Украинец Александр Григорьевич
- Откуда: Киев, Украина
- Контактная информация:
Re: восстановление 6Д81Ш
Тогда и К4 и К5 так же.UAVpilot писал(а):Надёжнее пускателем К3 управлять допконтактами пускателя К2, а не допсекцией S4
- tooshka
- Почётный участник

- Сообщения: 1803
- Зарегистрирован: 24 окт 2012, 14:26
- Репутация: 209
- Настоящее имя: Андрей
- Откуда: Нижний Новгород
- Контактная информация:
Re: восстановление 6Д81Ш
Да.Тима писал(а):трехцветный - это RGB?
Милая, ты услышь меня
под окном стою со своим я ЧПУ! (Протяжно; с надрывом; форте)
Внимание!!! Чрезмерное увлечение ЧПУ приводит к проблемам в семейных отношениях!
под окном стою со своим я ЧПУ! (Протяжно; с надрывом; форте)
Внимание!!! Чрезмерное увлечение ЧПУ приводит к проблемам в семейных отношениях!
- Тима
- Почётный участник

- Сообщения: 3162
- Зарегистрирован: 01 мар 2012, 20:47
- Репутация: 1089
- Настоящее имя: Тимур
- Откуда: КБР
- Контактная информация:
Re: восстановление 6Д81Ш
Ах да, совсем забыл про блокировочные контакты. Они тоже куплены. Спасибо за напоминаниеUAVpilot писал(а):Надёжнее пускателем К3 управлять допконтактами пускателя К2, а не допсекцией S4 - если вдруг S4 "рассыпется", то такая схема всё равно не позволит включить одновременно К2 и К3.Тима писал(а):Набросал новую схему управления на переключателях...
Дорогу осилит идущий!
Я все пойму, Вы только дайте денег!!!
Я все пойму, Вы только дайте денег!!!
- Тима
- Почётный участник

- Сообщения: 3162
- Зарегистрирован: 01 мар 2012, 20:47
- Репутация: 1089
- Настоящее имя: Тимур
- Откуда: КБР
- Контактная информация:
Re: восстановление 6Д81Ш
Боюсь я его здесь не найду...tooshka писал(а):Да.Тима писал(а):трехцветный - это RGB?
Дорогу осилит идущий!
Я все пойму, Вы только дайте денег!!!
Я все пойму, Вы только дайте денег!!!
- Тима
- Почётный участник

- Сообщения: 3162
- Зарегистрирован: 01 мар 2012, 20:47
- Репутация: 1089
- Настоящее имя: Тимур
- Откуда: КБР
- Контактная информация:
Re: восстановление 6Д81Ш
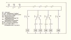
Подправил схему.
Исправил контакт "Грибка", добавил блокировочные контакты, Исправил переключатели S5 и S6. Эти переключатели типа 2-0-1, на 3 положения. Может я его неправильно нарисовал и сейчас... 
Дорогу осилит идущий!
Я все пойму, Вы только дайте денег!!!
Я все пойму, Вы только дайте денег!!!
- ukr-sasha
- Мастер
- Сообщения: 3401
- Зарегистрирован: 21 мар 2011, 07:47
- Репутация: 2181
- Настоящее имя: Украинец Александр Григорьевич
- Откуда: Киев, Украина
- Контактная информация:
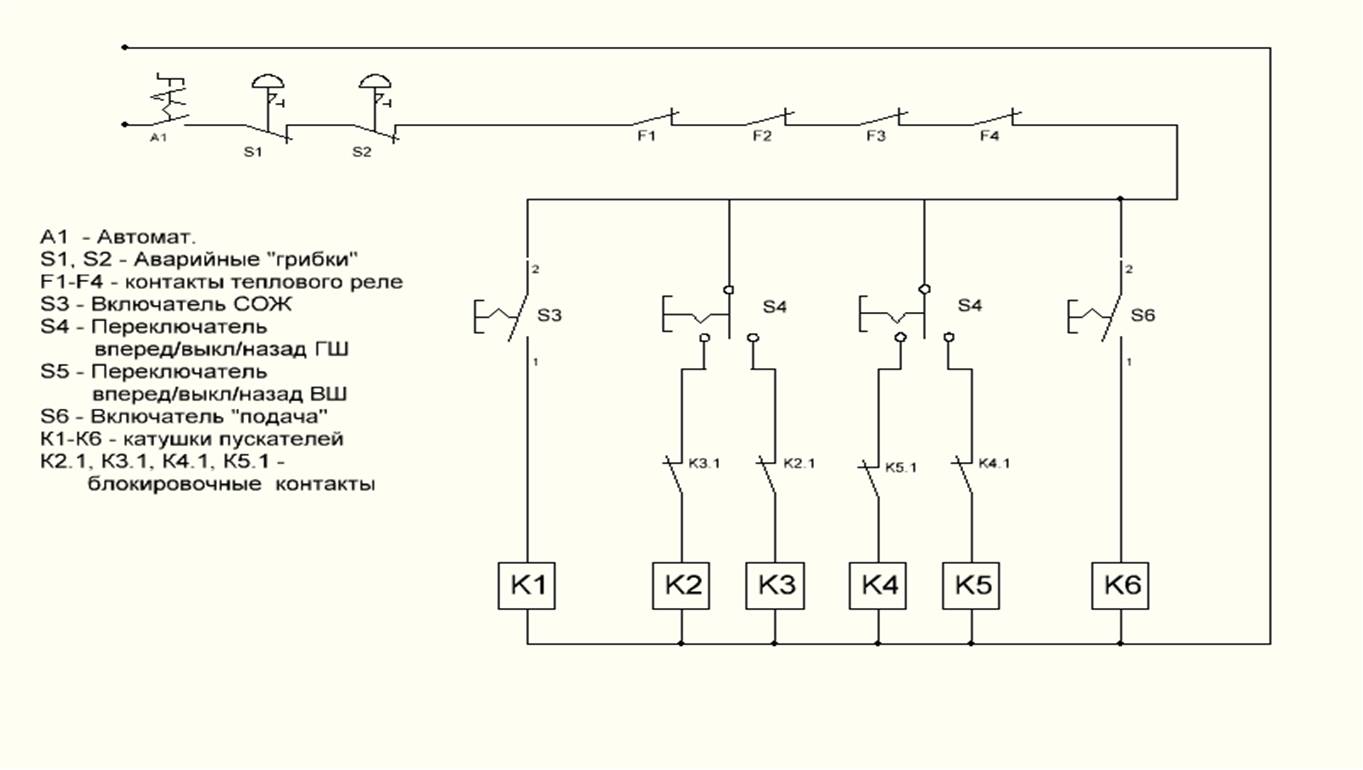
Re: восстановление 6Д81Ш
Да. Там один входной контакт переключается на либо второй либо третий.Тима писал(а):Может я его неправильно нарисовал и сейчас...
- Вложения
-
- 123.JPG (1.67 КБ) 1606 просмотров
- Тима
- Почётный участник

- Сообщения: 3162
- Зарегистрирован: 01 мар 2012, 20:47
- Репутация: 1089
- Настоящее имя: Тимур
- Откуда: КБР
- Контактная информация:
Re: восстановление 6Д81Ш
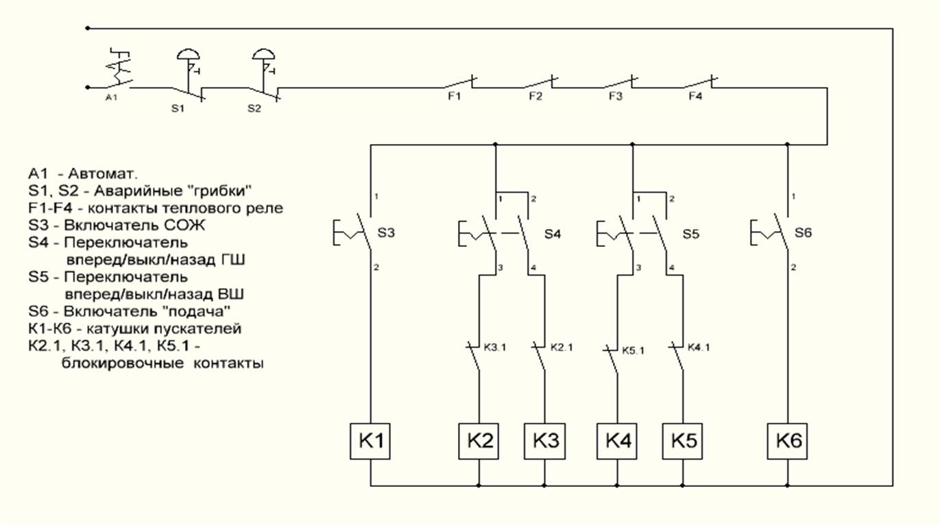
Вот и силовую подправил:
Все-таки решил поставить автоматы на каждый двиг помимо общего...
И схему управления...
И схему управления...
Дорогу осилит идущий!
Я все пойму, Вы только дайте денег!!!
Я все пойму, Вы только дайте денег!!!
- Тима
- Почётный участник

- Сообщения: 3162
- Зарегистрирован: 01 мар 2012, 20:47
- Репутация: 1089
- Настоящее имя: Тимур
- Откуда: КБР
- Контактная информация:
Re: восстановление 6Д81Ш
Работа продолжается.
Почистил и ободрал старую краску... Красильщик из меня не ах-ти, но покрасил. Как говорится "что выросло, то выросло"... Смонтировал пусковую аппаратуру... Проложил силовую часть... Пока все.
Сделал бы больше, еслиб начальство не отвлекало от шабашки и не требовало отрабатывать зарплату.
Завтра, если звезды совпадут, буду управление кидать...
Почистил и ободрал старую краску... Красильщик из меня не ах-ти, но покрасил. Как говорится "что выросло, то выросло"... Смонтировал пусковую аппаратуру... Проложил силовую часть... Пока все.
Сделал бы больше, еслиб начальство не отвлекало от шабашки и не требовало отрабатывать зарплату.
Завтра, если звезды совпадут, буду управление кидать...
Дорогу осилит идущий!
Я все пойму, Вы только дайте денег!!!
Я все пойму, Вы только дайте денег!!!
- Тима
- Почётный участник

- Сообщения: 3162
- Зарегистрирован: 01 мар 2012, 20:47
- Репутация: 1089
- Настоящее имя: Тимур
- Откуда: КБР
- Контактная информация:
Re: восстановление 6Д81Ш
Спасибо. Я старался...)))
Дорогу осилит идущий!
Я все пойму, Вы только дайте денег!!!
Я все пойму, Вы только дайте денег!!!
- mhael
- Мастер
- Сообщения: 2443
- Зарегистрирован: 09 мар 2013, 11:22
- Репутация: 769
- Настоящее имя: Ильдар
- Контактная информация:
Re: восстановление 6Д81Ш
Вот же засранцы... От важного дела на всякую ерунду небось отвлекаютТима писал(а):Сделал бы больше, еслиб начальство не отвлекало от шабашки и не требовало отрабатывать зарплату
А в целом - хорошо.
- Тима
- Почётный участник

- Сообщения: 3162
- Зарегистрирован: 01 мар 2012, 20:47
- Репутация: 1089
- Настоящее имя: Тимур
- Откуда: КБР
- Контактная информация:
Re: восстановление 6Д81Ш
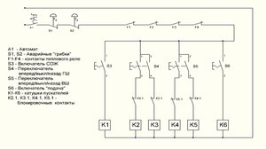
Закончил монтаж цепей управления...
Добавил в схему пару индикаторов: "Готовность к работе" и "Тепловое реле".
Дорогу осилит идущий!
Я все пойму, Вы только дайте денег!!!
Я все пойму, Вы только дайте денег!!!
- N1X
- Мастер
- Сообщения: 3653
- Зарегистрирован: 16 фев 2015, 21:19
- Репутация: 1646
- Настоящее имя: Владимир
- Откуда: Беларусь, Гомель
- Контактная информация:
Re: восстановление 6Д81Ш
А на маркировке проводов сэкономил? Хреновая практика. Когда нужно будет отремонтировать — пожалеешь )
- Тима
- Почётный участник

- Сообщения: 3162
- Зарегистрирован: 01 мар 2012, 20:47
- Репутация: 1089
- Настоящее имя: Тимур
- Откуда: КБР
- Контактная информация:
Re: восстановление 6Д81Ш
Когда делал заказ, думал что взял маркера. А начал монтаж, оказалось забыл дома.... 
Дорогу осилит идущий!
Я все пойму, Вы только дайте денег!!!
Я все пойму, Вы только дайте денег!!!