Портальный А3 РП от Вектроника

Фрезерные и гравировальные станки для обработки мягких материалов (дерево, пластики, мягкие металлы).
aldemm
Опытный
Сообщения: 125
Зарегистрирован: 09 сен 2016, 04:56
Репутация: 15
Настоящее имя: Alexander
Контактная информация:

Re: Портальный А3 РП от Вектроника

Сообщение aldemm »

Samodelkin 88 писал(а):Расскажите, какой шпиндель идет в комплекте?...интересно.
Покупал только механику.
Шпиндель заказывал у MGG, здесь более подробно: Re: Портальный А3 РП от Вектроника #22
шпиндель писал(а):такой же хруст, всё промыл думал уйдёт, но нет..а потом посмотрел, понюхал , послушал, реально заглушка как погремушка
Хочется верить. Вопрос в том, что звук имеет определенную периодичность. Будь то железный канал, "звон" был бы равномерным, такое чувство, что определенный шар на каждом круге издает хруст.
Аватара пользователя
verser
Мастер
Сообщения: 1905
Зарегистрирован: 21 июл 2013, 22:28
Репутация: 1282
Настоящее имя: Сергей
Откуда: Тбилиси
Контактная информация:

Re: Портальный А3 РП от Вектроника

Сообщение verser »

aldemm писал(а):такое чувство, что определенный шар на каждом круге издает хруст.
Очень похоже, что в гайку попала мелкая стружка. На видео швп выглядит сухим. Может помочь периодическая обильная смазка швп с очисткой от стружки и пыли.
aldemm
Опытный
Сообщения: 125
Зарегистрирован: 09 сен 2016, 04:56
Репутация: 15
Настоящее имя: Alexander
Контактная информация:

Re: Портальный А3 РП от Вектроника

Сообщение aldemm »

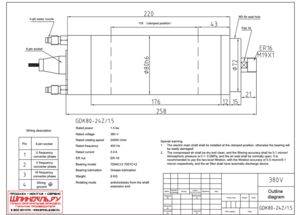
В соседней теме узнал, что у шпинделей есть зона за которою его нужно зажимать в хомуте (clamped position). Оставлю картинку своего шпинделя здесь, чтобы не потерять.
Screenshot at Dec 25 16-56-34.png (6556 просмотров) <a class='original' href='./download/file.php?id=173965&mode=view' target=_blank>Загрузить оригинал (130.23 КБ)</a>
Аватара пользователя
Rom327
Почётный участник
Почётный участник
Сообщения: 2989
Зарегистрирован: 03 апр 2015, 13:23
Репутация: 437
Настоящее имя: Роман
Откуда: Подольск
Контактная информация:

Re: Портальный А3 РП от Вектроника

Сообщение Rom327 »

Ну и где надо крепить? Ты бы заштриховал расположение хомутов, чтобы было понятно...
Это сугубо мое мнение, могу и ошибаться...
https://vk.com/rom327
GRBL настройки: http://blogandbux.blogspot.com/2018/07/ ... revod.html
G коды: http://3d-stanki.ru/spravochnik/program ... stankov-2/
Аватара пользователя
xenon-alien
Почётный участник
Почётный участник
Сообщения: 4520
Зарегистрирован: 01 янв 2013, 13:13
Репутация: 925
Настоящее имя: Daniel
Откуда: Закарпатская обл. Украина
Контактная информация:

Re: Портальный А3 РП от Вектроника

Сообщение xenon-alien »

Rom327 писал(а):Ну и где надо крепить? Ты бы заштриховал расположение хомутов, чтобы было понятно...
118 mm clamped position
Что не понятно? Обдасть штриховкой отмечена.
Аватара пользователя
frezeryga
Почётный участник
Почётный участник
Сообщения: 13713
Зарегистрирован: 18 авг 2013, 16:08
Репутация: 5069
Откуда: Жуковский
Контактная информация:

Re: Портальный А3 РП от Вектроника

Сообщение frezeryga »

креепить между пунктирами. но из практики это не шибко принципиально. у меня закреплен в запретной зоне и уже не один год.
aldemm
Опытный
Сообщения: 125
Зарегистрирован: 09 сен 2016, 04:56
Репутация: 15
Настоящее имя: Alexander
Контактная информация:

Re: Портальный А3 РП от Вектроника

Сообщение aldemm »

Rom327 писал(а):Ну и где надо крепить
Как уже сказали, зона отмечена пунктиром и обозвана "clamped position". Я как понимаю, от шпинделя к шпинделю она меняется.
drey82
Мастер
Сообщения: 639
Зарегистрирован: 24 авг 2014, 10:29
Репутация: 82
Настоящее имя: Drey
Откуда: Воронеж
Контактная информация:

Re: Портальный А3 РП от Вектроника

Сообщение drey82 »

на вид зона отмеченная на картинке как раз над обмотками статора и при зажиме в кронштейн для шпинделя ( китайский вариант - те что литые ) улучшит его охлаждение вот и все (на сколько градусов еще вопрос) ИМХО
aldemm
Опытный
Сообщения: 125
Зарегистрирован: 09 сен 2016, 04:56
Репутация: 15
Настоящее имя: Alexander
Контактная информация:

Re: Портальный А3 РП от Вектроника

Сообщение aldemm »

Первая алюминиевая деталь. Планирую в дальнейшем на нее крепить заготовки и базировать относительно ее.
DSCF3030.JPG (3569 просмотров) <a class='original' href='./download/file.php?id=187508&mode=view' target=_blank>Загрузить оригинал (6.22 МБ)</a>
DSCF3033.JPG (3569 просмотров) <a class='original' href='./download/file.php?id=187511&mode=view' target=_blank>Загрузить оригинал (5.17 МБ)</a>
По размерам: 135-60 мм
Получилось: 134,96-59,96 мм
-4 сотки - или из-за меньшего диаметра китайской фрезы или жесткости нехватает. Склоняюсь к первому.
DSCF3031.JPG (3569 просмотров) <a class='original' href='./download/file.php?id=187509&mode=view' target=_blank>Загрузить оригинал (4.14 МБ)</a>
DSCF3032.JPG (3569 просмотров) <a class='original' href='./download/file.php?id=187510&mode=view' target=_blank>Загрузить оригинал (4.98 МБ)</a>
Фреза AZZKOR 4 мм 3 зуба 9000 оборотов. Подача черновая: 600 заглубление 0,8, чистовая: 400 на всю глубину (8мм), припуск 0,05 мм.
Плоскость делал фрезой по дереву на 24 мм.
Аватара пользователя
RNDL
Опытный
Сообщения: 176
Зарегистрирован: 06 июн 2018, 18:29
Репутация: 67
Контактная информация:

Re: Портальный А3 РП от Вектроника

Сообщение RNDL »

Если бы фреза была меньше, размеры детали получились бы в плюсе :)
aldemm
Опытный
Сообщения: 125
Зарегистрирован: 09 сен 2016, 04:56
Репутация: 15
Настоящее имя: Alexander
Контактная информация:

Re: Портальный А3 РП от Вектроника

Сообщение aldemm »

RNDL писал(а): 13 окт 2020, 23:07 Если бы фреза была меньше, размеры детали получились бы в плюсе :)
Согласен!
nevkon
Почётный участник
Почётный участник
Сообщения: 2477
Зарегистрирован: 17 июл 2015, 10:25
Репутация: 310
Настоящее имя: Константин
Откуда: Балаково (Саратовская обл.)
Контактная информация:

Re: Портальный А3 РП от Вектроника

Сообщение nevkon »

Может быть многое - фреза большего диаметра, биение фрезы, люфты, затягивание фрезы в материал (если подача встречная). А еще может быть методика измерения и погрешность измерительного прибора.
MGG
Мастер
Сообщения: 3673
Зарегистрирован: 08 фев 2016, 16:33
Репутация: 1010
Настоящее имя: Манн Геннадий Геннадьевич
Откуда: Москва
Контактная информация:

Re: Портальный А3 РП от Вектроника

Сообщение MGG »

Биенеие проверь.
А так в ноль если все так линейно то можно на фрезу дать +0.02 к размеру.
http://www.cnc-club.ru/forum/viewtopic. ... 76#p304076 Поставки оборудования для ваших станков
https://www.instagram.com/dtw.moscow/
dtw.moscow@gmail.com
aldemm
Опытный
Сообщения: 125
Зарегистрирован: 09 сен 2016, 04:56
Репутация: 15
Настоящее имя: Alexander
Контактная информация:

Re: Портальный А3 РП от Вектроника

Сообщение aldemm »

aldemm писал(а): 26 июл 2019, 14:58 Подскажите пожалуйста, люди знающие.

Суть проблемы, SolidCam в УП генерируется вот эта строка "N5 G0 Z10 (Retour aux origines machine)". Из-за чего, если обнуляться по столу, в начале фреза уходит на 10 мм и портит деталь (если таковая по оси З больше 10 мм).
Я как понял за эту строку ответственен постпроцессор.

Можно ли этот параметр настраиваеть из интерфейса SolidCam?

ПО: SolidWorks + SolidCam -> Mach3
Постпроцессор: Re: SolidCAM #637

Пример кода:
%
O1 (ПОДСТАВКА-1)
G51 X1Y1
N5 G0 Z10 (Retour aux origines machine)
N10 (Номер инструмента 1 - Диаметр фрезы 3.175 D1 H1)
N15 T1 M6 D1 H1
N20 S24000 M4
N25 M8
N30 (P-contour)
N35 G0 G54 X37.65 Y35.
N40 G43 H1 Z40.
Была такая проблема. Сейчас опять столкнулся с этим, хочу таки исправить. Изучил постпроцессор, так и не смог найти функции которая вернет мне безопасную высоту, установленную SolidCam
При этом нашел сами строки и переменные которые отвечают за это, НО такое чувство что на этапе "@start_program" они не проинициализированы посему всегда возвращают 0

Для понимания, все функции которые нашел выдают:

Код: Выделить всё

N5 G0 Z10 (Retour aux origines machine)
N10 G0 Z0.
N15 G0 Z0.
N20 G0 Z0.
N25 G0 Z0.
N30  X0. Y0.
N35 G43 H2 Z0.
И соответвующая часть постпроцессора:

Код: Выделить всё

@start_program

       
    {nl, 'G51 X1Y1'}
        call @gen_nb
    {'G0 Z10 (Retour aux origines machine)'}
	
	call @gen_nb
	{'G0 Z'zpos}
	 
	 call @gen_nb
	{'G0 Z'znext}
	
	call @gen_nb
	{'G0 Z'zhome}
	
	call @gen_nb
	{'G0 Z'drill_lower_z}
	
	call @gen_nb
	call @home_number 
         {' X'xpos, ' Y'ypos}
         call @gen_nb
         {'G43 H'tool_number,' Z'zpos}
endp
Прошу совета у знатоков.
Screenshot_5.jpg (3369 просмотров) <a class='original' href='./download/file.php?id=187714&mode=view' target=_blank>Загрузить оригинал (122.13 КБ)</a>
max73
Мастер
Сообщения: 352
Зарегистрирован: 08 авг 2016, 12:41
Репутация: 21
Настоящее имя: Maxim
Контактная информация:

Re: Портальный А3 РП от Вектроника

Сообщение max73 »

aldemm писал(а): Плоскость делал фрезой по дереву на 24 мм.
если не секрет, а что за фреза и какие параметры?

еще с чистовой не понятно, прям так на все 8мм?
aldemm
Опытный
Сообщения: 125
Зарегистрирован: 09 сен 2016, 04:56
Репутация: 15
Настоящее имя: Alexander
Контактная информация:

Re: Портальный А3 РП от Вектроника

Сообщение aldemm »

max73 писал(а): 07 ноя 2020, 15:16
aldemm писал(а): Плоскость делал фрезой по дереву на 24 мм.
если не секрет, а что за фреза и какие параметры?

еще с чистовой не понятно, прям так на все 8мм?
Чистовая - да, на всю глубину.

Фреза обычная по дереву из Леруа (легко гуглится: Фреза пазовая прямая (24х25 мм; хвостовик 8 мм) по дереву Энкор). По режимам не скажу, так как делал вручную.
max73
Мастер
Сообщения: 352
Зарегистрирован: 08 авг 2016, 12:41
Репутация: 21
Настоящее имя: Maxim
Контактная информация:

Re: Портальный А3 РП от Вектроника

Сообщение max73 »

я не совсем понимаю, 8мм глубины выбирали? ИМХО для портальников не многовато ли?

и что, прям фрезой по дереву сняли верхний слой? не совсем ясно, а чего народ тут балеринки мастерит из резцов?
Я спрашиваю, потому что сам присматриваю решение для обработки плоскости, но пока только 10й фрезой.
aldemm
Опытный
Сообщения: 125
Зарегистрирован: 09 сен 2016, 04:56
Репутация: 15
Настоящее имя: Alexander
Контактная информация:

Re: Портальный А3 РП от Вектроника

Сообщение aldemm »

8 мм это на чистовой, подача 400, на всю глубину 8мм, снимал 0,05 мм

По поводу фрезы по дереву - купите и попробуйте, стоит она рублей 300. Вопрос в том что точность изготовления оных может сильно хромать
Как-нибудь сниму видео, если будет время.
aldemm
Опытный
Сообщения: 125
Зарегистрирован: 09 сен 2016, 04:56
Репутация: 15
Настоящее имя: Alexander
Контактная информация:

Re: Портальный А3 РП от Вектроника

Сообщение aldemm »

:o :o :o :o :o :o :o Освоил iMachining - чудо штука! :o :o :o :o :o :o :o

Выставлял уровень 2, так как делал в первый раз. Холостой ход 4000 (смотреть начиная с 4:55)
https://youtu.be/9FuBQZnn7vI?t=295

Фреза 4мм, 4 зуба, вылет 20, твердосплав.
9000 об, подача 430 (чистовая 350) - эти параметры установлены в настройках фрезы. Подачу как понимаю он сам рассчитывает.
DSCF0199.JPG (2988 просмотров) <a class='original' href='./download/file.php?id=189287&mode=view' target=_blank>Загрузить оригинал (7.53 МБ)</a>
П.с. по итогу я деталь запорол, но удовольствие получил.
Rinerk
Новичок
Сообщения: 24
Зарегистрирован: 04 апр 2019, 23:53
Репутация: 3
Настоящее имя: Дмитрий
Откуда: Санкт-Петербург
Контактная информация:

Re: Портальный А3 РП от Вектроника

Сообщение Rinerk »

aldemm писал(а): 20 окт 2020, 12:09
aldemm писал(а): 26 июл 2019, 14:58 Подскажите пожалуйста, люди знающие.

Суть проблемы, SolidCam в УП генерируется вот эта строка "N5 G0 Z10 (Retour aux origines machine)". Из-за чего, если обнуляться по столу, в начале фреза уходит на 10 мм и портит деталь (если таковая по оси З больше 10 мм).
Я как понял за эту строку ответственен постпроцессор.

Можно ли этот параметр настраиваеть из интерфейса SolidCam?

ПО: SolidWorks + SolidCam -> Mach3
Постпроцессор: Re: SolidCAM #637

Пример кода:
%
O1 (ПОДСТАВКА-1)
G51 X1Y1
N5 G0 Z10 (Retour aux origines machine)
N10 (Номер инструмента 1 - Диаметр фрезы 3.175 D1 H1)
N15 T1 M6 D1 H1
N20 S24000 M4
N25 M8
N30 (P-contour)
N35 G0 G54 X37.65 Y35.
N40 G43 H1 Z40.
Была такая проблема. Сейчас опять столкнулся с этим, хочу таки исправить. Изучил постпроцессор, так и не смог найти функции которая вернет мне безопасную высоту, установленную SolidCam
При этом нашел сами строки и переменные которые отвечают за это, НО такое чувство что на этапе "@start_program" они не проинициализированы посему всегда возвращают 0

Для понимания, все функции которые нашел выдают:

Код: Выделить всё

N5 G0 Z10 (Retour aux origines machine)
N10 G0 Z0.
N15 G0 Z0.
N20 G0 Z0.
N25 G0 Z0.
N30  X0. Y0.
N35 G43 H2 Z0.
И соответвующая часть постпроцессора:

Код: Выделить всё

@start_program

       
    {nl, 'G51 X1Y1'}
        call @gen_nb
    {'G0 Z10 (Retour aux origines machine)'}
	
	call @gen_nb
	{'G0 Z'zpos}
	 
	 call @gen_nb
	{'G0 Z'znext}
	
	call @gen_nb
	{'G0 Z'zhome}
	
	call @gen_nb
	{'G0 Z'drill_lower_z}
	
	call @gen_nb
	call @home_number 
         {' X'xpos, ' Y'ypos}
         call @gen_nb
         {'G43 H'tool_number,' Z'zpos}
endp
Прошу совета у знатоков.

Screenshot_5.jpg
Из того что я для себя в солидкаме уяснил - если по Z что-то не так - ищи в настройках систем координат (параметры плоскостей безопасности). У меня так в начале работы первый станок стартовал по Z на +120 (при общем ходе 80) Тоже искал в посте и не нашел, н потом увидел 120 в солидкаме
Ответить

Вернуться в «Фрезерные станки по дереву и пластикам, гравировальные станки, роутеры»