Не гравер, но маленький фрезер. Ужо всё.

Тяжелые фрезерные станки по металлу.
Аватара пользователя
nERV
Мастер
Сообщения: 1519
Зарегистрирован: 27 сен 2013, 19:00
Репутация: 624
Настоящее имя: Александр
Откуда: Ульяновск
Контактная информация:

Re: Не гравер, но маленький фрезер. В процессе.

Сообщение nERV »

Урвал такую мамку, вернее почти готовый комп. Годно ли оно в "стойку" с месой и линуксом, или нужно что-то мощнее?
Атом 1.6ггц, 945 чипсет, 2гб оперативки.
Вложения
IMG_20150128_222107.jpg (2799 просмотров) <a class='original' href='./download/file.php?id=41823&mode=view' target=_blank>Загрузить оригинал (1.6 МБ)</a>
Аватара пользователя
Serg
Мастер
Сообщения: 21923
Зарегистрирован: 17 апр 2012, 14:58
Репутация: 5183
Заслуга: c781c134843e0c1a3de9
Настоящее имя: Сергей
Откуда: Москва
Контактная информация:

Re: Не гравер, но маленький фрезер. В процессе.

Сообщение Serg »

Годно.
Но с "красивыми" интерфейсами типа gscreen и gmocappy скорее всего будет подтормаживать.
Я не Христос, рыбу не раздаю, но могу научить, как сделать удочку...
Аватара пользователя
elephant007
Мастер
Сообщения: 857
Зарегистрирован: 18 ноя 2012, 13:12
Репутация: 332
Откуда: Сибирь, Томск
Контактная информация:

Re: Не гравер, но маленький фрезер. В процессе.

Сообщение elephant007 »

у меня трудится на более древнем 525 Атоме. Интерфейс стандартный, МЕСы нет.
Аватара пользователя
nERV
Мастер
Сообщения: 1519
Зарегистрирован: 27 сен 2013, 19:00
Репутация: 624
Настоящее имя: Александр
Откуда: Ульяновск
Контактная информация:

Re: Не гравер, но маленький фрезер. В процессе.

Сообщение nERV »

Благодарю за ответы!
А бывают ли в продаже переходники для pci чтоб плату пожно было расположить горизонтально, параллельно материнке, или паять придется?
Дмитро
Почётный участник
Почётный участник
Сообщения: 1060
Зарегистрирован: 14 сен 2013, 01:20
Репутация: 1139
Настоящее имя: Дмитрий
Откуда: Киев

Re: Не гравер, но маленький фрезер. В процессе.

Сообщение Дмитро »

nERV писал(а):А бывают ли в продаже
Все есть. http://www.ebay.com/sch/i.html?_from=R4 ... e&_sacat=0
leprud
Почётный участник
Почётный участник
Сообщения: 348
Зарегистрирован: 01 апр 2014, 19:16
Репутация: 111
Откуда: Москва
Контактная информация:

Re: Не гравер, но маленький фрезер. В процессе.

Сообщение leprud »

Такие же есть с гибким шлейфом и иногда даже в местных магазинах
Аватара пользователя
nERV
Мастер
Сообщения: 1519
Зарегистрирован: 27 сен 2013, 19:00
Репутация: 624
Настоящее имя: Александр
Откуда: Ульяновск
Контактная информация:

Re: Не гравер, но маленький фрезер. В процессе.

Сообщение nERV »

Приехали очередные железки, но нет времени что-то делать со станком :(
Вложения
IMG_20150130_201921.jpg (2657 просмотров) <a class='original' href='./download/file.php?id=41942&mode=view' target=_blank>Загрузить оригинал (566.75 КБ)</a>
IMG_20150130_201547.jpg (2657 просмотров) <a class='original' href='./download/file.php?id=41943&mode=view' target=_blank>Загрузить оригинал (697.87 КБ)</a>
Аватара пользователя
nERV
Мастер
Сообщения: 1519
Зарегистрирован: 27 сен 2013, 19:00
Репутация: 624
Настоящее имя: Александр
Откуда: Ульяновск
Контактная информация:

Re: Не гравер, но маленький фрезер. В процессе.

Сообщение nERV »

Просветите пожалуйста по концевикам на осях станка. Сколько их ставить целесообразно?
По одному ставим на поиск нуля, работают совместно с z меткой энкодера.
Сервоусилители имеют входы концевиков, и их туда хочу завести, чтоб привод на "железном" уровне блокировал движение оси.
Концнвики для самой чпу необходимы? Чпушный концнвик расположить перед "аварийным", если уж его проедем, то сервопривод подстрахует.
Т.е еще пара, итого 5. Как-то дохрена на одну ось. Или можно как-то проще сделать?
Аватара пользователя
Serg
Мастер
Сообщения: 21923
Зарегистрирован: 17 апр 2012, 14:58
Репутация: 5183
Заслуга: c781c134843e0c1a3de9
Настоящее имя: Сергей
Откуда: Москва
Контактная информация:

Re: Не гравер, но маленький фрезер. В процессе.

Сообщение Serg »

На "ближнем" конце ставишь два концевика - один ограничительный, другой (перед ним) как датчик HOME. На "дальнем" конце достаточного одного ограничительного.
Датчик HOME понятно куда подключать. А ограничительные подключаешь одновременно и к ЧПУ и к сервоприводам (лучше коннечно несложную логику применить чтоб входы ЧПУ сэкономить).
В таком варианте при назде на концевик ЧПУ всё выключит, но будет возможность съехать с концевика, причём сервопривод не даст съехать не в ту сторону.

P.S. На LinuxCNC это точно работает, а с Mach3 я не знаком.
Я не Христос, рыбу не раздаю, но могу научить, как сделать удочку...
Аватара пользователя
nERV
Мастер
Сообщения: 1519
Зарегистрирован: 27 сен 2013, 19:00
Репутация: 624
Настоящее имя: Александр
Откуда: Ульяновск
Контактная информация:

Re: Не гравер, но маленький фрезер. В процессе.

Сообщение nERV »

Вроде все так, только вот уровни сигналов разные.
Если использовать месу, то ей нужно 24в, усилители работают с сигналами 5в. Ну да ладно, разберусь по ходу пьесы. Жаль что у приводов нет выходных сигналов по концевикам, есть только один - "fault", и все.
Нашел недорого большой жирный трансформатор на чипмейкере, как раз питать сервоприводы пойдет. У него 4 обмотки по 48в, самое то напряжение для моих моторов.
Как лучше сделать, соединить все обмотки параллельно и питать все привода от этой "скрутки", или каждому приводу свою обмотку выделить? В первом случае получаем бОльшую перегрузочную способность, ибо далеко не всегда все моторы будут кушать максимальный ток одновременно, несколько обмоток будут кормить один сильно жрущий мотор. Во втором случае имеем гальваническую развязку приводов друг от друга по питанию.
Аватара пользователя
Serg
Мастер
Сообщения: 21923
Зарегистрирован: 17 апр 2012, 14:58
Репутация: 5183
Заслуга: c781c134843e0c1a3de9
Настоящее имя: Сергей
Откуда: Москва
Контактная информация:

Re: Не гравер, но маленький фрезер. В процессе.

Сообщение Serg »

Похоже производитель усилителей конкретно экономил... Обычно на этих входах оптороны стоят...
Проблема легко решается датчиками с открытым коллектором и диодами.
Я не Христос, рыбу не раздаю, но могу научить, как сделать удочку...
Аватара пользователя
nERV
Мастер
Сообщения: 1519
Зарегистрирован: 27 сен 2013, 19:00
Репутация: 624
Настоящее имя: Александр
Откуда: Ульяновск
Контактная информация:

Re: Не гравер, но маленький фрезер. В процессе.

Сообщение nERV »

Возможно и так. Может и из других соображений исходили.
"Note: that all of the logic inputs can tolerate +24VDC." :) Все меняется к лучшему.

Еще вопрос. В усилке есть вход для энкодера, но нет выхода сигналов энкодера для системы ЧПУ. Просто параллелить?
Можно ли сигналы "фаза А" завести в усилитель, а "не фаза А" в ЧПУ?
Вложения
Новый точечный рисунок.jpg (2511 просмотров) <a class='original' href='./download/file.php?id=42480&mode=view' target=_blank>Загрузить оригинал (206.43 КБ)</a>
BA10_20_30.pdf
(670.45 КБ) 1141 скачивание
Аватара пользователя
Hanter
Мастер
Сообщения: 5414
Зарегистрирован: 27 янв 2012, 14:52
Репутация: 4338
Настоящее имя: Алексей
Откуда: Питер
Контактная информация:

Re: Не гравер, но маленький фрезер. В процессе.

Сообщение Hanter »

а смысл ? вы хотите запустить усилок в режиме скорости по энкодеру ? ставьте в режим тока и заводите энкодер в контролер.. все будет нормально.
Опыт - это когда на смену вопросам: "Что? Где? Когда? Как? Почему?" Приходит единственный вопрос: "Нахрена?"
==========================================
фрезерная и токарная обработка на станках с чпу.
Резка, гибка, сварка и порошковая окраса.
Аватара пользователя
Serg
Мастер
Сообщения: 21923
Зарегистрирован: 17 апр 2012, 14:58
Репутация: 5183
Заслуга: c781c134843e0c1a3de9
Настоящее имя: Сергей
Откуда: Москва
Контактная информация:

Re: Не гравер, но маленький фрезер. В процессе.

Сообщение Serg »

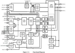
nERV писал(а):Еще вопрос. В усилке есть вход для энкодера, но нет выхода сигналов энкодера для системы ЧПУ. Просто параллелить?
Можно ли сигналы "фаза А" завести в усилитель, а "не фаза А" в ЧПУ?
В разделе 2.4 всё нарисовано и описано.
Я не Христос, рыбу не раздаю, но могу научить, как сделать удочку...
Аватара пользователя
nERV
Мастер
Сообщения: 1519
Зарегистрирован: 27 сен 2013, 19:00
Репутация: 624
Настоящее имя: Александр
Откуда: Ульяновск
Контактная информация:

Re: Не гравер, но маленький фрезер. В процессе.

Сообщение nERV »

Покрутил моторчики от этих драйверов, оказалось что ничего сложного :)
Но мой BLDC моторчик довольно сильно греется на номинальном токе, к тому же еще и подшипники там хрустят и слегка подклинивают. При разборе этих моторов есть какие-то нюансы? К примеру, ротор там с магнитами, можно ли его вынимать из статора "в свободное плавание", или стоит его упихать в стальную трубу?
Вложения
IMG_20150225_130823.jpg (2353 просмотра) <a class='original' href='./download/file.php?id=43863&mode=view' target=_blank>Загрузить оригинал (678.94 КБ)</a>
Аватара пользователя
Сергей Саныч
Мастер
Сообщения: 9116
Зарегистрирован: 30 май 2012, 14:20
Репутация: 2858
Откуда: Тюмень
Контактная информация:

Re: Не гравер, но маленький фрезер. В процессе.

Сообщение Сергей Саныч »

nERV писал(а):или стоит его упихать в стальную трубу?
Если упихнешь в трубу, хуже не будет.
Чудес не бывает. Бывают фокусы.
Аватара пользователя
megagad
Почётный участник
Почётный участник
Сообщения: 3208
Зарегистрирован: 05 апр 2014, 18:57
Репутация: 712
Откуда: Реуспублика Крым, Бахчисарай.
Контактная информация:

Re: Не гравер, но маленький фрезер. В процессе.

Сообщение megagad »

Сергей Саныч писал(а):Если упихнешь в трубу, хуже не будет.
Ага - особенно если магниты неодимы - заодно и трубу от грязи изнутри почистит :D Вопрос возникнет потом - как извлечь ротор из трубы.
We Do What We Must, Because We Can!
Причинять добро, наносить пользу и подвергать ласке.
Аватара пользователя
Сергей Саныч
Мастер
Сообщения: 9116
Зарегистрирован: 30 май 2012, 14:20
Репутация: 2858
Откуда: Тюмень
Контактная информация:

Re: Не гравер, но маленький фрезер. В процессе.

Сообщение Сергей Саныч »

megagad писал(а):заодно и трубу от грязи изнутри почистит
так сдуру... не только ротор сломать можно. Понятно, что труба должна чистой быть.
megagad писал(а):Вопрос возникнет потом - как извлечь ротор из трубы.
Так же, как из статора. Прислонить одно к другому и перетолкать.
Чудес не бывает. Бывают фокусы.
Аватара пользователя
Hanter
Мастер
Сообщения: 5414
Зарегистрирован: 27 янв 2012, 14:52
Репутация: 4338
Настоящее имя: Алексей
Откуда: Питер
Контактная информация:

Re: Не гравер, но маленький фрезер. В процессе.

Сообщение Hanter »

а нахрена ? ротор - тупо ротор с магнитами.. "фреймлес"-ы вообще по отдельности поставляются.. http://www.ebay.com/itm/Kollmorgen-Fram ... 20f61db1d3 http://www.ebay.com/itm/KOLLMORGAN-BMS- ... 418fc0d131 метки тока ставьте везде.. чтобы все вернуть в свои места.. ну и холлы вероятно придется с осцилоскопом выставить...
Опыт - это когда на смену вопросам: "Что? Где? Когда? Как? Почему?" Приходит единственный вопрос: "Нахрена?"
==========================================
фрезерная и токарная обработка на станках с чпу.
Резка, гибка, сварка и порошковая окраса.
Аватара пользователя
nERV
Мастер
Сообщения: 1519
Зарегистрирован: 27 сен 2013, 19:00
Репутация: 624
Настоящее имя: Александр
Откуда: Ульяновск
Контактная информация:

Re: Не гравер, но маленький фрезер. В процессе.

Сообщение nERV »

Про выставление холлов можно и подробнее. Что и куда крутить, какие сигналы должны получаться?
Ответить

Вернуться в «Фрезерные станки по металлам»