"Чтобы не создавать отдельную тему ради одного вопроса"
- MX_Master
- Мастер
- Сообщения: 7490
- Зарегистрирован: 27 июн 2015, 19:45
- Репутация: 3113
- Настоящее имя: Михаил
- Откуда: Алматы
- Контактная информация:
Re: "Чтобы не создавать отдельную тему ради одного вопроса"
Нет, это работать не будет.
-
foforum
- Мастер
- Сообщения: 227
- Зарегистрирован: 02 июл 2012, 06:43
- Репутация: 5
- Контактная информация:
Re: "Чтобы не создавать отдельную тему ради одного вопроса"
В интерфейсе GPIO можно настроить каждую ногу или надо перепаять ЛПТ кабель, если паять есть диаграмма, или дешевое готовое решение?
- MX_Master
- Мастер
- Сообщения: 7490
- Зарегистрирован: 27 июн 2015, 19:45
- Репутация: 3113
- Настоящее имя: Михаил
- Откуда: Алматы
- Контактная информация:
Re: "Чтобы не создавать отдельную тему ради одного вопроса"
Я имел ввиду, что кабель USB-LPT работать не будет. Насчёт gpio у Raspberry я не в курсе 
-
Kupfershcmidt
- Мастер
- Сообщения: 2295
- Зарегистрирован: 04 авг 2019, 15:54
- Репутация: 323
- Настоящее имя: Сергей
- Контактная информация:
Re: "Чтобы не создавать отдельную тему ради одного вопроса"
Кто-нибудь может сказать за мелкие быстрые (60000 об\мин) шпинделя с алика? Думал в качестве фрезерного на токарнике мелком приладить...
Типа такого....
Типа такого....
-
foforum
- Мастер
- Сообщения: 227
- Зарегистрирован: 02 июл 2012, 06:43
- Репутация: 5
- Контактная информация:
Re: "Чтобы не создавать отдельную тему ради одного вопроса"
Помогите найти аналог платы расширения для Рпай как в видео
https://www.youtube.com/watch?v=a7UodK7 ... yanBallard
https://www.youtube.com/watch?v=a7UodK7 ... yanBallard
-
Anklin
- Кандидат
- Сообщения: 63
- Зарегистрирован: 07 ноя 2020, 14:43
- Репутация: 0
- Контактная информация:
Re: "Чтобы не создавать отдельную тему ради одного вопроса"
Здравствуйте. Мужики, второй день снова ломаю голову.Ранее уже создавал ветку по этому вопросу. Но тогда проблема как то решилась.
Сейчас приобрел два индуктивных датчика NPN NO, подключил ,все заработало на удивление с первого раза, домашнюю позицию ищет. Но проблема при включении шпинделя. Комп переходит в BSOD, Из ранее предложенных вариантов перепробовал все. Отключил интерфесную плату от шпинделя и драйверов, замыканием реле вручную шпиндель включаеться и набирает обороты. Подскажите куда дальше копать.
Сейчас приобрел два индуктивных датчика NPN NO, подключил ,все заработало на удивление с первого раза, домашнюю позицию ищет. Но проблема при включении шпинделя. Комп переходит в BSOD, Из ранее предложенных вариантов перепробовал все. Отключил интерфесную плату от шпинделя и драйверов, замыканием реле вручную шпиндель включаеться и набирает обороты. Подскажите куда дальше копать.
-
Kupfershcmidt
- Мастер
- Сообщения: 2295
- Зарегистрирован: 04 авг 2019, 15:54
- Репутация: 323
- Настоящее имя: Сергей
- Контактная информация:
-
Anklin
- Кандидат
- Сообщения: 63
- Зарегистрирован: 07 ноя 2020, 14:43
- Репутация: 0
- Контактная информация:
Re: "Чтобы не создавать отдельную тему ради одного вопроса"
У меня вот такая интерфесная плата, Под номером один это реле шпиндела. 2- это минус всех датчиков. IN1-4 сответсвенно сигнальные кабеля. Красным цветом обозначены драйвера.
Два последних, индуктивных датчика я запитал от платы +5В, с порта СОМ , Мач увидел датчики, распознал под 11 и 12 портами. Станок начал исакать домашнюю позицию. Но при включении шпинделя, комп переходит в аварийный режим.
Два последних, индуктивных датчика я запитал от платы +5В, с порта СОМ , Мач увидел датчики, распознал под 11 и 12 портами. Станок начал исакать домашнюю позицию. Но при включении шпинделя, комп переходит в аварийный режим.
-
Anklin
- Кандидат
- Сообщения: 63
- Зарегистрирован: 07 ноя 2020, 14:43
- Репутация: 0
- Контактная информация:
Re: "Чтобы не создавать отдельную тему ради одного вопроса"
Эта проблема началась при подключении первого датчика на автоноль, тогда разобрался ,переподключил драйвера по схеме с форума и добавил заземление. Все тогда заработало. Проблема я так понимаю в потенциале который приходит в компютер
-
Anklin
- Кандидат
- Сообщения: 63
- Зарегистрирован: 07 ноя 2020, 14:43
- Репутация: 0
- Контактная информация:
Re: "Чтобы не создавать отдельную тему ради одного вопроса"
Сейчас просто отключил все датчики от платы, оставил только реле шпинделя и драйвера, так все работает, шпиндель набирает обороты
-
Anklin
- Кандидат
- Сообщения: 63
- Зарегистрирован: 07 ноя 2020, 14:43
- Репутация: 0
- Контактная информация:
Re: "Чтобы не создавать отдельную тему ради одного вопроса"
Подключил станок к другому компютеру, все датчики ,шпиндель работают, в аварийный режим не переходит.
- daemon78
- Мастер
- Сообщения: 1693
- Зарегистрирован: 02 окт 2018, 15:02
- Репутация: 103
- Настоящее имя: Владимир
- Откуда: Москва
- Контактная информация:
Re: "Чтобы не создавать отдельную тему ради одного вопроса"
Всем привет.
Подскажите пожалуйста STL вьюер, желательно чтобы можно было размеры модели видеть.
Подскажите пожалуйста STL вьюер, желательно чтобы можно было размеры модели видеть.
Мой первый станок Первый станок Кусака 1 и куча вопросов #1
Мой второй станок Кусака 2.0 и вопросы к форумчанам #1
Мой второй станок Кусака 2.0 и вопросы к форумчанам #1
-
MutCNC
- Кандидат
- Сообщения: 59
- Зарегистрирован: 23 фев 2018, 02:09
- Репутация: 0
- Настоящее имя: Ruslan
- Контактная информация:
Re: "Чтобы не создавать отдельную тему ради одного вопроса"
Здравствуйте. Как и каким инструментом можно проконтролировать извернутость (пропеллер) плоскости в процессе шабрения?
При условии что плоскость вертикальная, т.е. уровень не положишь.
При условии что плоскость вертикальная, т.е. уровень не положишь.
- xenon-alien
- Почётный участник

- Сообщения: 4520
- Зарегистрирован: 01 янв 2013, 13:13
- Репутация: 925
- Настоящее имя: Daniel
- Откуда: Закарпатская обл. Украина
- Контактная информация:
Re: "Чтобы не создавать отдельную тему ради одного вопроса"
Кто пробовал такой переходник - Linumeric USB/LPT с LCNC?
https://www.youtube.com/watch?v=QZuGxhvYxlo
https://www.youtube.com/watch?v=QZuGxhvYxlo
- Mamont
- Мастер
- Сообщения: 2005
- Зарегистрирован: 10 дек 2015, 12:21
- Репутация: 391
- Настоящее имя: Виталий
- Откуда: РБ Минск
- Контактная информация:
Re: "Чтобы не создавать отдельную тему ради одного вопроса"
Стола не видно. Значит высокочувствительный уровень закрепить на угольнике. Угольник закрепить на каретках, прокатить по рельсам
-
MutCNC
- Кандидат
- Сообщения: 59
- Зарегистрирован: 23 фев 2018, 02:09
- Репутация: 0
- Настоящее имя: Ruslan
- Контактная информация:
Re: "Чтобы не создавать отдельную тему ради одного вопроса"
Я пробовал этот вариант. Проблема этого способа в том что рельсы и каретка тоже имеют погрешность. Но самое неприятное, после того как промерил всю длину, делаю карту измерений, после снимаю рельсы и шабрю предположительно высокий участок. Слепой съем металла. При повторном измерении можно получить совсем другую картину. Думаю степень затяжки болтов тоже меняют результат.
-
foforum
- Мастер
- Сообщения: 227
- Зарегистрирован: 02 июл 2012, 06:43
- Репутация: 5
- Контактная информация:
Re: "Чтобы не создавать отдельную тему ради одного вопроса"
Нужно менять этот подшипник?
my-files.su/gcj0w0
my-files.su/gcj0w0
- Bioraptor
- Мастер
- Сообщения: 532
- Зарегистрирован: 05 ноя 2018, 22:17
- Репутация: 68
- Настоящее имя: Дима
- Контактная информация:
Re: "Чтобы не создавать отдельную тему ради одного вопроса"
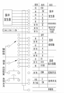
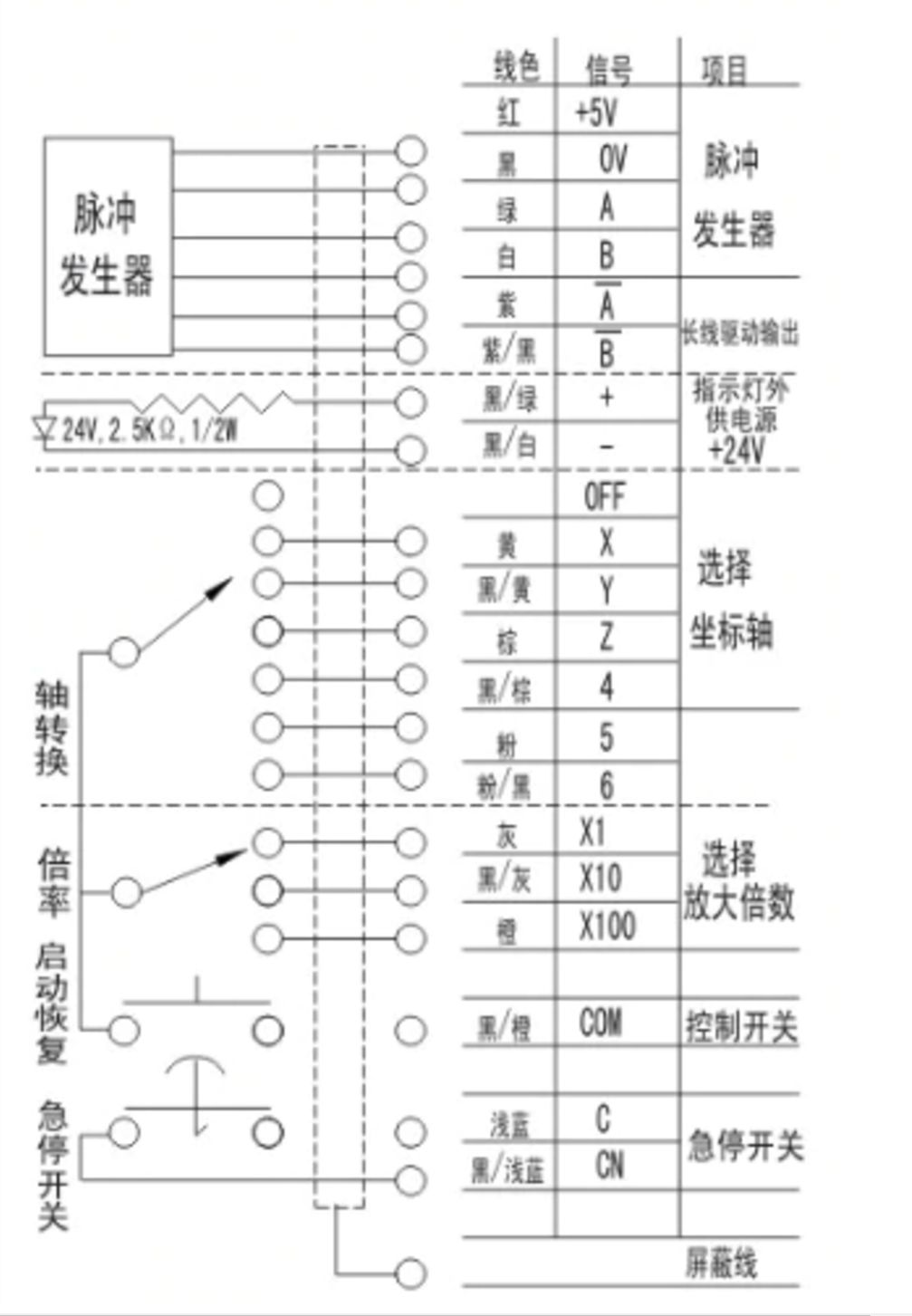
Приветствую, кто имел дело с подключением пульта ручного управления?
Помогите разобраться, никак не могу понять как нужно подключать данное устройство к моей плате.
Пульт подключается через разъём DB 15, судя по мануалу пинов задействовано только 14.
1.К каким пинам цеплять диод зелёный который на пульте, правильно ли я понял, что это пины 1 и 11?
2.К каким пинам подключать Е-стоп, 4 и 11 или 1 и 4?
3.Так как я буду использовать максиму 4 оси то пины 3 и 5 мне можно не задействовать?
У пульта есть жилка ораньжево-чёрная(COM), её нужно куда то подключать, за что она отвечает?
Плата: ZK Motion https://www.nvcnc.net/pdf/ZKMotionUserManual.pdf
Пульт такой:
Помогите разобраться, никак не могу понять как нужно подключать данное устройство к моей плате.
Пульт подключается через разъём DB 15, судя по мануалу пинов задействовано только 14.
1.К каким пинам цеплять диод зелёный который на пульте, правильно ли я понял, что это пины 1 и 11?
2.К каким пинам подключать Е-стоп, 4 и 11 или 1 и 4?
3.Так как я буду использовать максиму 4 оси то пины 3 и 5 мне можно не задействовать?
У пульта есть жилка ораньжево-чёрная(COM), её нужно куда то подключать, за что она отвечает?
Плата: ZK Motion https://www.nvcnc.net/pdf/ZKMotionUserManual.pdf
Пульт такой:
-
Rus_Lan
- Кандидат
- Сообщения: 91
- Зарегистрирован: 26 окт 2020, 08:45
- Репутация: 11
- Настоящее имя: Ruslan
- Контактная информация:
Re: "Чтобы не создавать отдельную тему ради одного вопроса"
1. Да 1и 11
2. ? Зависит от настройки ZK
3. Можно не задействовать.
4. СОМ Это общий переключателей множителя и осей.
Вроде так, если не ошибаюсь.
2. ? Зависит от настройки ZK
3. Можно не задействовать.
4. СОМ Это общий переключателей множителя и осей.
Вроде так, если не ошибаюсь.