Подключение драйверов к контроллеру
-
lex78
- Новичок
- Сообщения: 5
- Зарегистрирован: 10 мар 2016, 08:51
- Репутация: 0
- Настоящее имя: алексей
- Контактная информация:
Re: Подключение драйверов к контроллеру
подскажите правильно или нет.
- Taganrog
- Мастер
- Сообщения: 1238
- Зарегистрирован: 15 апр 2015, 16:32
- Репутация: 284
- Настоящее имя: Евгений
- Откуда: Брянск
- Контактная информация:
Re: Подключение драйверов к контроллеру
Дык это ж стандартная схема . Из мануалов. В чем вопрос ? Правельно ли они написанны ? или вы собрали а оно не работает ?
- michael-yurov
- Почётный участник

- Сообщения: 11731
- Зарегистрирован: 26 июл 2012, 00:10
- Репутация: 4703
- Настоящее имя: Михаил Львович
- Откуда: Новоуральск
- Контактная информация:
Re: Подключение драйверов к контроллеру
Подключение обмоток я бы перепроверил.
-
lex78
- Новичок
- Сообщения: 5
- Зарегистрирован: 10 мар 2016, 08:51
- Репутация: 0
- Настоящее имя: алексей
- Контактная информация:
Re: Подключение драйверов к контроллеру
просто сомнения были по минусу контролера , рисовал сам .. спасибо за ответ.
- Cross
- Опытный
- Сообщения: 166
- Зарегистрирован: 21 июл 2015, 18:29
- Репутация: 4
- Настоящее имя: Артем
- Контактная информация:
Re: Подключение драйверов к контроллеру
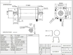
Здравствуйте господа! Проверьте пожалуйста правильность подключения. Не могу понять куда подсоединять ENBL в моем случае? Перечитал тему и походу нет однозначного ответа, все зависит от драйвера? ШД у меня вот такие:
-
martyns
- Новичок
- Сообщения: 1
- Зарегистрирован: 10 май 2016, 14:06
- Репутация: 0
- Настоящее имя: владимир
- Контактная информация:
Re: Подключение драйверов к контроллеру
сделал по вашей схеме все пахало пока не начал калибровку, оси Х и А ушли в разные стороны ?????!!!! как в этом случаи быть подскажите а то капец)Leonov-x писал(а):Примерная схема подключения: ENBL+ на драйвере - разрешить работу драйвера, грубо говоря е стоп кнопка сработала, мы прекращаем подачу 5 вольт, соответственно драйвер переходит просто в решим удержания вала. Либо справа где выходы, там есть 5В туда ENBL+ и подключаешь, ENBL- обычно не к чему подключать ненужноkamazoom писал(а):Здравствуйте! Подскажите пожалуйста как подключить драйвер к плате интерефейса.
Вот что имеется:
Плата Драйвер Заранее благодарен!
-
tecnocat
- Опытный
- Сообщения: 101
- Зарегистрирован: 09 июн 2014, 08:07
- Репутация: 39
- Контактная информация:
Re: Подключение драйверов к контроллеру
На любой из этих осей махнуть обмотки двигателя местами
-
vetaliikk
- Новичок
- Сообщения: 22
- Зарегистрирован: 01 окт 2016, 18:14
- Репутация: 1
- Настоящее имя: Виктор
- Контактная информация:
Re: Подключение драйверов к контроллеру
Задался вопросом подключения...
Нашел пару схемок чтобы для себя подытожить все вышеописанное..
По питанию на 5в где-то вычитал что по правильному хорошо бы использовать отдельный БП под это дело
по типу такого https://ru.aliexpress.com/item/MS-15-5- ... 95450562f5
Хотя нашел еще и такое решение Хотя по ходу никто с этим особо не париться и все просто берут питание от БП компьютера,
А вот если Плата опторазвязки с питанием от USB? типа такой то получается что она запитывается от USB и доп.питания +5 на нее больше не нужно!?
Если где ошибся поправте...
Нашел пару схемок чтобы для себя подытожить все вышеописанное..
По питанию на 5в где-то вычитал что по правильному хорошо бы использовать отдельный БП под это дело
по типу такого https://ru.aliexpress.com/item/MS-15-5- ... 95450562f5
Хотя нашел еще и такое решение Хотя по ходу никто с этим особо не париться и все просто берут питание от БП компьютера,
А вот если Плата опторазвязки с питанием от USB? типа такой то получается что она запитывается от USB и доп.питания +5 на нее больше не нужно!?
Если где ошибся поправте...
-
stank0
- Новичок
- Сообщения: 15
- Зарегистрирован: 08 дек 2016, 23:00
- Репутация: 1
- Настоящее имя: Stan
- Откуда: Moscow
- Контактная информация:
Re: Подключение драйверов к контроллеру
На этой плате есть перемычка (USB/internal )
-
DenLis
- Новичок
- Сообщения: 12
- Зарегистрирован: 17 ноя 2016, 20:47
- Репутация: 0
- Настоящее имя: Ден
- Контактная информация:
Re: Подключение драйверов к контроллеру
Добрый день.
Прошу совета и помощи у Вас товарищи.
Подскажите, пожалуйста по поводу соединения контроллера и драйвера.
у меня вот такой контроллер на контакте COM у меня "+" Нашёл картинку по подключению к драйверу (драйвер у меня другой DM556D) Судя по картинке получается, что общий "+", хотя у всех остальных в схемах подключения по принципу общий "-".
Вопрос: подключать как на картинке (с общим "+") или как у всех с общим "-"?
Большое спасибо.
Прошу совета и помощи у Вас товарищи.
Подскажите, пожалуйста по поводу соединения контроллера и драйвера.
у меня вот такой контроллер на контакте COM у меня "+" Нашёл картинку по подключению к драйверу (драйвер у меня другой DM556D) Судя по картинке получается, что общий "+", хотя у всех остальных в схемах подключения по принципу общий "-".
Вопрос: подключать как на картинке (с общим "+") или как у всех с общим "-"?
Большое спасибо.
-
DenLis
- Новичок
- Сообщения: 12
- Зарегистрирован: 17 ноя 2016, 20:47
- Репутация: 0
- Настоящее имя: Ден
- Контактная информация:
Re: Подключение драйверов к контроллеру
Большое спасибо, что подсказали.
Подскажите, пожалуйста ещё один момент.
Можно ли как-то подключить к данной плате кнопку E-Stop? Отдельных выходов для кнопки на плате нет.
Большое спасибо.
Подскажите, пожалуйста ещё один момент.
Можно ли как-то подключить к данной плате кнопку E-Stop? Отдельных выходов для кнопки на плате нет.
Большое спасибо.
-
Enot_1
- Мастер
- Сообщения: 1359
- Зарегистрирован: 28 апр 2015, 00:12
- Репутация: 242
- Настоящее имя: Arkadiy
- Откуда: Краснодар
- Контактная информация:
Re: Подключение драйверов к контроллеру
На любой из 4-х доступных в этой плате пинов по картинке. Прописываем в программе управления что на этом пине висит е стоп.DenLis писал(а):Большое спасибо, что подсказали.
Подскажите, пожалуйста ещё один момент.
Можно ли как-то подключить к данной плате кнопку E-Stop? Отдельных выходов для кнопки на плате нет.
Большое спасибо.
http://wiki.zentoolworks.com/index.php/ ... dle_relay)
С лимитами совсем не обязательно её параллелить. Одну кнопку оставить.
-
Noobzer
- Новичок
- Сообщения: 4
- Зарегистрирован: 20 мар 2017, 22:30
- Репутация: 0
- Настоящее имя: Denis
- Контактная информация:
Re: Подключение драйверов к контроллеру
Доброго времени суток!
Помогите плз разобраться - есть драйверы wantai dq542ma и их же движки на 3А. подключил одну ось пока(как Х) руководствуясь этой темой. Опторазвязка db25-1205. При включении блока питания драйвера мотор стает на удержание и греется(не сильно, рука терпит) но мач мотор не крутит
Подключил 5в с бп компа, перемычки на опторазвязке (те которые 2 вместе) стоят, третья не знаю за что отвечает отсутствует.
на драйвере выставил 400 шагов и ток 2,69А.
В Маче пины выставил, драйвер порта стоит, тест мачевской утилитой проходит, при выходе из конфигуратора енейбл срабатывает и отрубает драйвер(горит красный диод) пока не нажму ресет.
Подскажите пожалуйста куда копать, а то уже мозг пухнет
Помогите плз разобраться - есть драйверы wantai dq542ma и их же движки на 3А. подключил одну ось пока(как Х) руководствуясь этой темой. Опторазвязка db25-1205. При включении блока питания драйвера мотор стает на удержание и греется(не сильно, рука терпит) но мач мотор не крутит
Подключил 5в с бп компа, перемычки на опторазвязке (те которые 2 вместе) стоят, третья не знаю за что отвечает отсутствует.
на драйвере выставил 400 шагов и ток 2,69А.
В Маче пины выставил, драйвер порта стоит, тест мачевской утилитой проходит, при выходе из конфигуратора енейбл срабатывает и отрубает драйвер(горит красный диод) пока не нажму ресет.
Подскажите пожалуйста куда копать, а то уже мозг пухнет
- dima7411
- Почётный участник

- Сообщения: 1055
- Зарегистрирован: 26 янв 2014, 14:06
- Репутация: 337
- Настоящее имя: Дмитрий
- Откуда: Копейск
- Контактная информация:
Re: Подключение драйверов к контроллеру
Если предложу выдернуть колодку "Enable_Nafig" и подключить с общим "+", это в рамках приличий?
Ставить мотор "на удержание" этот драйвер обязан. Но, греться не должен, может ток многоват, по мотору не видно.
По пинам МАЧа, не подскажу (
+5В - питание оптронов на входах драйвера. На КАЖДОМ входе. Управляющий сигнал - это "минус" на входе. (-PUL), (-DIR), соответственно, может и енабле энтот!
наверняка есть схема подключения к этому драйверу, и не сильно запутанная.
Ставить мотор "на удержание" этот драйвер обязан. Но, греться не должен, может ток многоват, по мотору не видно.
По пинам МАЧа, не подскажу (
+5В - питание оптронов на входах драйвера. На КАЖДОМ входе. Управляющий сигнал - это "минус" на входе. (-PUL), (-DIR), соответственно, может и енабле энтот!
наверняка есть схема подключения к этому драйверу, и не сильно запутанная.
-
Noobzer
- Новичок
- Сообщения: 4
- Зарегистрирован: 20 мар 2017, 22:30
- Репутация: 0
- Настоящее имя: Denis
- Контактная информация:
Re: Подключение драйверов к контроллеру
Подключил по общему минусу. С тем же результатом(
Поставил другой драйвер и другой мотор... та ж фигня
На всякий случай если у китайцев перепутаны провода обмоток тоже их попробовал подключить по другому....
На всякий случай если у китайцев перепутаны провода обмоток тоже их попробовал подключить по другому....
-
Noobzer
- Новичок
- Сообщения: 4
- Зарегистрирован: 20 мар 2017, 22:30
- Репутация: 0
- Настоящее имя: Denis
- Контактная информация:
Re: Подключение драйверов к контроллеру
ночью мозг уже не работал - проморгал сом завести на минус драйвера. все заработало 
-
kret_a_v
- Новичок
- Сообщения: 1
- Зарегистрирован: 14 дек 2009, 09:44
- Репутация: 0
- Контактная информация:
Re: Подключение драйверов к контроллеру
приветствую всех
собираю второй мини CNC для своих хобийных штук
прошу помощи!
стоит задача обезопасить от сгорания 4 драйвера на TB6560HQ
на 4 драйвера подается 32 в от одного транса на 250 ватт
при пропадании на одном из драйвере 5 вольт , должна отрубаться линия на 32 в
32в коммутирую твердотельным реле 40ампер с управлением 3-32в
в теории понимаю что это что то типа логического элемента 4И
т.е. на выходе этого блока лог. 1 (5в) только тогда , когда 5в присутствует на 4х входах
если хоть на одном из входах будет лог.0 , то выход соответственно должен стать тоде лог.0
п.с. игрался со стандартной логикой 155 серии ЛА, ЛЛ ,ЛП и т.п.
но видно не на того учился
может кто то подсказать простое доступное схемное решение, или состряпать схемку и прошивку для AVR Tiny13
и попутно застопорился в сопряжении драйвера от космодрома
CNC Driver TB6560 mod разъем Х2
X2-1 +5V
X2-2 DIR направление вращения
X2-3 EN разрешение работы (активный уровень высокий)
X2-4 STEP сигнал шага
с опторазвязкой - Итерфейсная плата для CNC станка OB-v4.1
ее схема монтажка и печатка прикреплены
разъем X7, X8, X9, X10
Контакт /Название/ Назначение
1 /DIR /Сигнал направления
2 /ENABLE/ Сигнал включения драйвера
3 /STEP/ Сигнал шага
4/ 0V/ Общий
скачать печатку схему и монтажку OB-v4.1
собираю второй мини CNC для своих хобийных штук
прошу помощи!
стоит задача обезопасить от сгорания 4 драйвера на TB6560HQ
на 4 драйвера подается 32 в от одного транса на 250 ватт
при пропадании на одном из драйвере 5 вольт , должна отрубаться линия на 32 в
32в коммутирую твердотельным реле 40ампер с управлением 3-32в
в теории понимаю что это что то типа логического элемента 4И
т.е. на выходе этого блока лог. 1 (5в) только тогда , когда 5в присутствует на 4х входах
если хоть на одном из входах будет лог.0 , то выход соответственно должен стать тоде лог.0
п.с. игрался со стандартной логикой 155 серии ЛА, ЛЛ ,ЛП и т.п.
но видно не на того учился
может кто то подсказать простое доступное схемное решение, или состряпать схемку и прошивку для AVR Tiny13
и попутно застопорился в сопряжении драйвера от космодрома
CNC Driver TB6560 mod разъем Х2
X2-1 +5V
X2-2 DIR направление вращения
X2-3 EN разрешение работы (активный уровень высокий)
X2-4 STEP сигнал шага
с опторазвязкой - Итерфейсная плата для CNC станка OB-v4.1
ее схема монтажка и печатка прикреплены
разъем X7, X8, X9, X10
Контакт /Название/ Назначение
1 /DIR /Сигнал направления
2 /ENABLE/ Сигнал включения драйвера
3 /STEP/ Сигнал шага
4/ 0V/ Общий
скачать печатку схему и монтажку OB-v4.1
- maga_ges
- Кандидат
- Сообщения: 95
- Зарегистрирован: 02 июн 2017, 02:01
- Репутация: 20
- Настоящее имя: Магомед
- Контактная информация:
Re: Подключение драйверов к контроллеру
Купил комплект электроники лля ЧПУ от магазина Wantai motors: драйвера dq520ma, шаговики нема 23 и плата опторазвязки db25-1205 черного цвета. У кого нибудь получилось заставить эту платку работать, а то я три дня с ним боролся так и не смог его заставить заработать, в итоге пришел к мысли что плата неисправная. Компа с виндой хр пока нет, подключал все это через ардуино и грбл, драйвера если напрямую к ардуине подключить то нормально работают а вот если db25-1205 через ардуинку не хочет работать. Моторы заклинены и не двигаются хотя я и подключал к энейбл и плюс и минус и даже равно ))).