Подключение драйверов к контроллеру

Контроллеры, драйверы, датчики, управляющие устройства.
Аватара пользователя
murdered
Кандидат
Сообщения: 75
Зарегистрирован: 11 окт 2012, 21:33
Репутация: 4
Настоящее имя: дмитрий горин
Откуда: г.Долгопрудный Московская обл.
Контактная информация:

Подключение драйверов к контроллеру

Сообщение murdered »

Есть вот такой наборчик:
Все вроде понятно, кроме подключения драйверов к контроллеру. А именно:
1. Откуда лучше брать +5В.
2. Как подключать step (pul), dir и enable?


ЗЫ все это планируется использовать не на станке, а для съемки timelapse с перемещением фотоаппарата.
Тема опубликована из личных сообщений. --Nick
Вложения
6OdE9n1ZJak.jpg (13498 просмотров) <a class='original' href='./download/file.php?id=8524&mode=view' target=_blank>Загрузить оригинал (172.18 КБ)</a>
FhU8FHBseY4.jpg (13498 просмотров) <a class='original' href='./download/file.php?id=8525&mode=view' target=_blank>Загрузить оригинал (118.74 КБ)</a>
glnVOXQZlj8.jpg (13498 просмотров) <a class='original' href='./download/file.php?id=8526&mode=view' target=_blank>Загрузить оригинал (156.45 КБ)</a>
jbQfBVTNNIA.jpg (13498 просмотров) <a class='original' href='./download/file.php?id=8527&mode=view' target=_blank>Загрузить оригинал (152.09 КБ)</a>
LwYy9wIG7sU.jpg (13498 просмотров) <a class='original' href='./download/file.php?id=8528&mode=view' target=_blank>Загрузить оригинал (164.72 КБ)</a>
MCBZHk0VZ6A.jpg (13498 просмотров) <a class='original' href='./download/file.php?id=8529&mode=view' target=_blank>Загрузить оригинал (179.79 КБ)</a>
QV6WyVTKJiQ.jpg (13498 просмотров) <a class='original' href='./download/file.php?id=8530&mode=view' target=_blank>Загрузить оригинал (172.08 КБ)</a>
rJjwBWjcnWI.jpg (13498 просмотров) <a class='original' href='./download/file.php?id=8531&mode=view' target=_blank>Загрузить оригинал (196.71 КБ)</a>
UAxA3VCzebw.jpg (13498 просмотров) <a class='original' href='./download/file.php?id=8532&mode=view' target=_blank>Загрузить оригинал (145.11 КБ)</a>
Аватара пользователя
Nick
Мастер
Сообщения: 22776
Зарегистрирован: 23 ноя 2009, 16:45
Репутация: 1735
Заслуга: Developer
Откуда: Gatchina, Saint-Petersburg distr., Russia
Контактная информация:

Re: Подключение драйверов к контроллеру

Сообщение Nick »

В силу своей "неосведомленности" в делах электроники решил тему опубликовать в открытых форумах :monkey:.

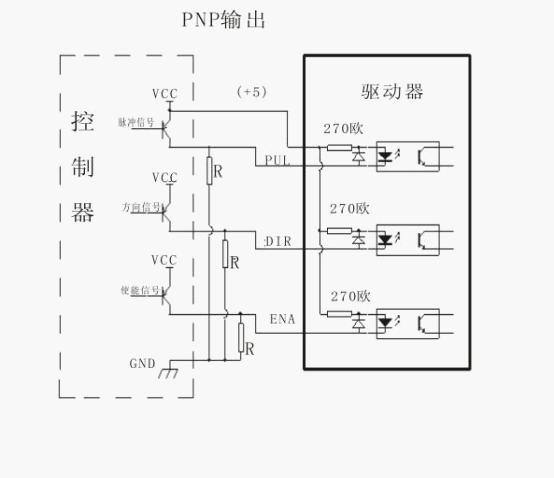
На сайте вантмотора нашел вот такую схему:
с примечанием:
Note: When VCC=5V, R=0
When VCC=12V, R=1K, >1/8W
When VCC=24V, R=2K,>1/8W
Т.е. если мы найдем 5В, то нужно провода step/dir/enable с контроллера присоединить к соответствующим пинам и параллельно к земле?
А если будет не 5В? То все тоже самое, только к земле через сопротивление? И можно ли в этом случае больше чем 5В на +5V драйвера подавать?
Вложения
2012_9_13_92240_221732.jpg (13496 просмотров) <a class='original' href='./download/file.php?id=8533&mode=view' target=_blank>Загрузить оригинал (20.88 КБ)</a>
Аватара пользователя
Rafiq
Мастер
Сообщения: 1053
Зарегистрирован: 28 сен 2012, 18:11
Репутация: 6
Откуда: Tatarstan Respublikası, Yar Çallı şəhəre
Контактная информация:

Re: Подключение драйверов к контроллеру

Сообщение Rafiq »

Ни в коем случае не делай так! Если +5 В, R=0, открытие транзистора в штриховом прямоугольнике приведет к КЗ на землю, и он сгорит. Чей злой гений придумал эту "схему", не знаю. Кстати, для напряжения > 5 В, она тоже не годится, выбрось ее нахрен.

То, что в жирном черном прямоугольнике, я так понимаю, входные цепи драйвера? Тогда можно больше +5 подать, важно, чтобы не был превышен ток. Но я сделал бы по классической схеме управление оптронами, контур тока такой: Питание - Резистор 270 Ом - Диод оптрона - дополнительный резистор R - Ключ с открытым стоком (или коллектором) - Земля (схему рисовать лень, но я думаю ты понял)

Скажи марку применяемых в драйвере оптронов, напряжение источника, я тебе рассчитаю R и правильную схему нарисую (возможно, придется инвертировать пины в LinuxCNC).
Аватара пользователя
Rafiq
Мастер
Сообщения: 1053
Зарегистрирован: 28 сен 2012, 18:11
Репутация: 6
Откуда: Tatarstan Respublikası, Yar Çallı şəhəre
Контактная информация:

Re: Подключение драйверов к контроллеру

Сообщение Rafiq »

+5 только приколхозить стабилизатор на +5 В на отдельной платке, если +5 нужно только для питания логики, то 7805 тебе в помощь, минимум обвязки (один кондер на выходе), и подключай к +24, тока радиатор ей наверное все же понадобится.

Но у тебя есть более существенная проблема - не будет оно работать через переходник USB<->LPT. Ищи комп с ЛПТ.
Аватара пользователя
Ворон226
Мастер
Сообщения: 1923
Зарегистрирован: 01 окт 2012, 18:14
Репутация: 181
Откуда: Солнечногорск Московской обл. - Борки Конаковского р-на - Скоморохово Фировского р-на
Контактная информация:

Re: Подключение драйверов к контроллеру

Сообщение Ворон226 »

Подключить так:
Коллектор транзистора - резистор 270 Ом - светодиод оптрона - GND платы. Дополнительный резистор в этом случае не нужен.

Схема, предложенная Rafig-ом не годится для твоих плат, т.к. на твоей схеме эммитер транзистора уже висит на питании. Если открытый коллектор повесить на землю - при открытии транзистора будет КЗ по питанию.
Хочешь быть счастливым? Будь им!
Аватара пользователя
Rafiq
Мастер
Сообщения: 1053
Зарегистрирован: 28 сен 2012, 18:11
Репутация: 6
Откуда: Tatarstan Respublikası, Yar Çallı şəhəre
Контактная информация:

Re: Подключение драйверов к контроллеру

Сообщение Rafiq »

Ворон226 писал(а):Подключить так:
Коллектор транзистора - резистор 270 Ом - светодиод оптрона - GND платы. Дополнительный резистор в этом случае не нужен.

Схема, предложенная Rafig-ом не годится для твоих плат, т.к. на твоей схеме эммитер транзистора уже висит на питании. Если открытый коллектор повесить на землю - при открытии транзистора будет КЗ по питанию.
Пардон, забыл уточнить - то, что обведено штриховой линией, просто выкидывается. Твой вариант лучше тем, что резистор в базе не нужен, но у эмиттерного повторителя перепад 0.6 В, если выходной каскад - ТТЛ, напряжения высокого уровня может не хватить в конфигурации с эмиттерным повторителем. Но скорее всего там полный размах. Да и зачем - МОП транзисторы рулят, еще лучше взять микруху с открытым стоком - ведь драйверов по крайней мере 3 штуки, значит надо будет 9 выходов. Дополнительный резистор последовательно с оптроном все равно будет нужен, если напряжение питания больше 5 В, естественно, выходы буфера должны выдерживать это напряжение.
Аватара пользователя
Rafiq
Мастер
Сообщения: 1053
Зарегистрирован: 28 сен 2012, 18:11
Репутация: 6
Откуда: Tatarstan Respublikası, Yar Çallı şəhəre
Контактная информация:

Re: Подключение драйверов к контроллеру

Сообщение Rafiq »

А, все понял, все относится к вопросу murdered. В этом случае, все будет работать, не надо ничего химичить, сделать платку стабилизатора на +5 из +24, и просто подключить драйверы к контроллеру, а его - к ЛПТ. Тем более, +5 на драйверы заводить по любому нужно. У меня тоже БП на 24 В. Вот фотка моей платы. SMD микросхема в левом верхнем углу, возле разъема +24 В и есть [импульсный] стабилизатор на +5 В.

Если делать самому:
http://www.r3p.ru/articles/29
Только на выходе (между выходом и землей) обязательно нужен кондер.

Лучше конечно импульсный, можно обойтись без радиатора, но это чуть посложнее, еще индуктивность нужна будет как минимум кроме кондера.
Вложения
IMG_1429.JPG (13472 просмотра) <a class='original' href='./download/file.php?id=8536&mode=view' target=_blank>Загрузить оригинал (3.39 МБ)</a>
Аватара пользователя
Nick
Мастер
Сообщения: 22776
Зарегистрирован: 23 ноя 2009, 16:45
Репутация: 1735
Заслуга: Developer
Откуда: Gatchina, Saint-Petersburg distr., Russia
Контактная информация:

Re: Подключение драйверов к контроллеру

Сообщение Nick »

Rafiq писал(а):То, что в жирном черном прямоугольнике, я так понимаю, входные цепи драйвера? Тогда можно больше +5 подать, важно, чтобы не был превышен ток. Но я сделал бы по классической схеме управление оптронами, контур тока такой: Питание - Резистор 270 Ом - Диод оптрона - дополнительный резистор R - Ключ с открытым стоком (или коллектором) - Земля (схему рисовать лень, но я думаю ты понял)
Лично я ничего не понял :freak:, для меня все эти слова это что-то космическое.

Насколько я понимаю, то, что в пунктирном прямоугольнике должно быть внутри контроллера, то, что в сплошном - внутри драйвера. Т.е. это уже не поменять...

Вот гляжу на схему и думаю. Если на +5 подать +5.
Rafiq писал(а):Но у тебя есть более существенная проблема - не будет оно работать через переходник USB<->LPT. Ищи комп с ЛПТ.
А ты откуда про USB<->LPT знаешь? Я вроде про это не писал :)
Аватара пользователя
Rafiq
Мастер
Сообщения: 1053
Зарегистрирован: 28 сен 2012, 18:11
Репутация: 6
Откуда: Tatarstan Respublikası, Yar Çallı şəhəre
Контактная информация:

Re: Подключение драйверов к контроллеру

Сообщение Rafiq »

Nick писал(а):
Rafiq писал(а):То, что в жирном черном прямоугольнике, я так понимаю, входные цепи драйвера? Тогда можно больше +5 подать, важно, чтобы не был превышен ток. Но я сделал бы по классической схеме управление оптронами, контур тока такой: Питание - Резистор 270 Ом - Диод оптрона - дополнительный резистор R - Ключ с открытым стоком (или коллектором) - Земля (схему рисовать лень, но я думаю ты понял)
Лично я ничего не понял :freak:, для меня все эти слова это что-то космическое.

Насколько я понимаю, то, что в пунктирном прямоугольнике должно быть внутри контроллера, то, что в сплошном - внутри драйвера. Т.е. это уже не поменять...

Вот гляжу на схему и думаю. Если на +5 подать +5.
Rafiq писал(а):Но у тебя есть более существенная проблема - не будет оно работать через переходник USB<->LPT. Ищи комп с ЛПТ.
А ты откуда про USB<->LPT знаешь? Я вроде про это не писал :)
Забей. Топикстартеру надо всего лишь собрать стабилизатор +5 В, что делается элементарно на 7805 микрухе и одном кондере, и скорее всего просто соединить вместе одноименные выходы контроллера (Step, Dir, Enable) с одноименными входами драйверов, на +5 подать именно +5, тем более что в любом случае +5 должно быть заведено на драйверы. Я просто подумал вначале, что твой вопрос по сопряжению никак не связан с первым постом. Схема, тобой приведенная, скорее всего "левая". И вообще неработоспособная при +5 В. Ссылку на инглише можешь кинуть на сайт производителя драйверов и контроллера? Одна фирма? Я посмотрю доки, тогда точнее скажу.

Да, кстати, в БП на 24 В дампер есть?

На седьмой сверху фотке ЮСБ - шнурок. Что означает, скорее всего у автора нет ЛПТ.
Последний раз редактировалось Rafiq 15 окт 2012, 15:05, всего редактировалось 1 раз.
Аватара пользователя
Nick
Мастер
Сообщения: 22776
Зарегистрирован: 23 ноя 2009, 16:45
Репутация: 1735
Заслуга: Developer
Откуда: Gatchina, Saint-Petersburg distr., Russia
Контактная информация:

Re: Подключение драйверов к контроллеру

Сообщение Nick »

Rafiq писал(а):просто все соединить вместе.
А как именно соединить? Как на схеме???
А может ли он звять +5В с БП компьютера?
Аватара пользователя
Rafiq
Мастер
Сообщения: 1053
Зарегистрирован: 28 сен 2012, 18:11
Репутация: 6
Откуда: Tatarstan Respublikası, Yar Çallı şəhəre
Контактная информация:

Re: Подключение драйверов к контроллеру

Сообщение Rafiq »

Nick писал(а):
Rafiq писал(а):просто все соединить вместе.
А как именно соединить? Как на схеме???
А может ли он звять +5В с БП компьютера?
Соединить не как по схеме, выкинь вообще эту схему. Нет, 5 В с компа брать нельзя, только с источника питания драйверов. Не будет опторазвязки со станком иначе. Да на 7805 стаб делать всего три детали надо - сама 7805, электролит на выход и радиатор. И я дополнил предыдущее сообщение, перечитай.
Аватара пользователя
Nick
Мастер
Сообщения: 22776
Зарегистрирован: 23 ноя 2009, 16:45
Репутация: 1735
Заслуга: Developer
Откуда: Gatchina, Saint-Petersburg distr., Russia
Контактная информация:

Re: Подключение драйверов к контроллеру

Сообщение Nick »

Аватара пользователя
Rafiq
Мастер
Сообщения: 1053
Зарегистрирован: 28 сен 2012, 18:11
Репутация: 6
Откуда: Tatarstan Respublikası, Yar Çallı şəhəre
Контактная информация:

Re: Подключение драйверов к контроллеру

Сообщение Rafiq »

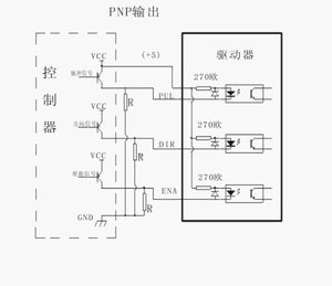
Кажись, доперло :) просто схема в штриховом прямоугольнике, китайские товарищи обозначили p-канальные МОП транзисторы как биполярные p-n-p :D :D Но на 5 вольтах эта схема (если R=0, как они написали) сожжет выходы контроллера. С тем, что должно поступать на входы драйвера, понятно, теперь надо разобраться с выходами контроллера. На него есть описание? Если его выходы уже имеют открытый сток, их можно просто напрямую соединить проводом со входами драйвера, напряжение разумеется +5 В. Т.е., должно быть так

Если же выходы контроллера - простой двухтактный логический выход (как в LPT), надо смотреть по допустимому втекающему току, который выходы способны принять. Если он больше 20 мА (жаль, что в спецификациях драйвера не указан входной ток, но должен быть около 13 мА) - прямое соединение допустимо, если нет - придется ставить между контроллером и драйвером буфер с открытым стоком, и уже его выход присоединять так, как я нарисовал.

Посмотрел описание, а я ведь тебе наврал :D Вообще, +5 можно взять от компа - оно ведь относится только к сигнальным входам и нужно для оптронов, сама микруха драйвера получает +5 из +24. И если LPT может принимать ток 20 мА на низком уровне, то цепануть напрямую к ЛПТ, как на моей схеме. Опторазвязка уже внутри драйвера. Так что плату контроллера с опторазвязкой ТС купил зря
Вложения
cont_drv_conn.jpg (13458 просмотров) <a class='original' href='./download/file.php?id=8537&mode=view' target=_blank>Загрузить оригинал (20.82 КБ)</a>
Аватара пользователя
Rafiq
Мастер
Сообщения: 1053
Зарегистрирован: 28 сен 2012, 18:11
Репутация: 6
Откуда: Tatarstan Respublikası, Yar Çallı şəhəre
Контактная информация:

Re: Подключение драйверов к контроллеру

Сообщение Rafiq »

Посмотрел щас спецификации LPT - он должен принимать 14 мА, реальное значение должно быть больше. Так что:
1) Берем +5 от компа
2) Соединяем LPT пины напрямую с входами драйверов.
Если китайцы не соврали,
Opto-isolated signal I/O
то все должно работать :)

Початился с китаянкой с того сайта... хз, нужна плата контроллера или нет... утвеждает, что нужна... но в то же время утверждает, что опторазвязка в драйвере есть, если так, то нафига двойная опторазвязка? :shock:

Все же для проверки я попробовал бы запустить от AVR, который я запрограммил для тестирования драйверов и ШД и лабораторного БП... Ну и открыл бы один драйвер посмотреть на предмет опторазвязки.
Последний раз редактировалось Rafiq 15 окт 2012, 17:22, всего редактировалось 1 раз.
Аватара пользователя
Ворон226
Мастер
Сообщения: 1923
Зарегистрирован: 01 окт 2012, 18:14
Репутация: 181
Откуда: Солнечногорск Московской обл. - Борки Конаковского р-на - Скоморохово Фировского р-на
Контактная информация:

Re: Подключение драйверов к контроллеру

Сообщение Ворон226 »

Rafiq писал(а):
Ворон226 писал(а):Подключить так:
Коллектор транзистора - резистор 270 Ом - светодиод оптрона - GND платы. Дополнительный резистор в этом случае не нужен.

Схема, предложенная Rafig-ом не годится для твоих плат, т.к. на твоей схеме эммитер транзистора уже висит на питании. Если открытый коллектор повесить на землю - при открытии транзистора будет КЗ по питанию.
Пардон, забыл уточнить - то, что обведено штриховой линией, просто выкидывается. Твой вариант лучше тем, что резистор в базе не нужен, но у эмиттерного повторителя перепад 0.6 В, если выходной каскад - ТТЛ, напряжения высокого уровня может не хватить в конфигурации с эмиттерным повторителем. Но скорее всего там полный размах. Да и зачем - МОП транзисторы рулят, еще лучше взять микруху с открытым стоком - ведь драйверов по крайней мере 3 штуки, значит надо будет 9 выходов. Дополнительный резистор последовательно с оптроном все равно будет нужен, если напряжение питания больше 5 В, естественно, выходы буфера должны выдерживать это напряжение.
Дело в том, что в приведенной схеме эммитерным повторителем и не пахнет... P-N-P-транзисторы, включенные в режиме обычного ключа. Поэтому на входы оптронов будет подаваться напряжение +5В - 0,2В (падение напряжения между коллектором и эммитером транзистора в открытом состоянии).

Опять повторюсь - если следовать приведённой схеме. Что там на самом деле я не проверял.
Хочешь быть счастливым? Будь им!
Аватара пользователя
Rafiq
Мастер
Сообщения: 1053
Зарегистрирован: 28 сен 2012, 18:11
Репутация: 6
Откуда: Tatarstan Respublikası, Yar Çallı şəhəre
Контактная информация:

Re: Подключение драйверов к контроллеру

Сообщение Rafiq »

Но если это обычный ключ, базу подключить на низкий уровень не выйдет - только если в базе будет резистор. Кстати, открытый ключ означает, что весь ток пойдет не через оптрон, а через ключ и R - именно поэтому я сказал, что при +5 В (если R должен быть равен нулю, как они утверждают) - схема сгорит. А вот когда ключ закрыт, тогда ток пойдет через оптрон.
Аватара пользователя
Ворон226
Мастер
Сообщения: 1923
Зарегистрирован: 01 окт 2012, 18:14
Репутация: 181
Откуда: Солнечногорск Московской обл. - Борки Конаковского р-на - Скоморохово Фировского р-на
Контактная информация:

Re: Подключение драйверов к контроллеру

Сообщение Ворон226 »

Rafiq писал(а):Но если это обычный ключ, базу подключить на низкий уровень не выйдет - только если в базе будет резистор. Кстати, открытый ключ означает, что весь ток пойдет не через оптрон, а через ключ и R - именно поэтому я сказал, что при +5 В (если R должен быть равен нулю, как они утверждают) - схема сгорит. А вот когда ключ закрыт, тогда ток пойдет через оптрон.
Дело в том, что мы не знаем всей схемы, даже предоконечного каскада. Но, если на выходе составной ключ из n-p-n и p-n-p транзисторов, то соединение контроллера с контроллером по приведённой на сайте схеме вполне может работать! (пришлось таки сходить на сайт производителя...)
Но ОШИБКА на сайте ЕСТЬ. Это утверждение, что при питании в 5В номинал резистора R=0 Ом. Это в корне неверно. А вот, если номинал резистора будет равен 250 Ом, например, то схема будет работать и так (хотя корректнее все же будет соединение, описанное мной выше).

А гадать какой именно транзистор на выходе контроллера не имея принципиальной схемы или живой платы - дело неблагодарное.
Хочешь быть счастливым? Будь им!
Аватара пользователя
Rafiq
Мастер
Сообщения: 1053
Зарегистрирован: 28 сен 2012, 18:11
Репутация: 6
Откуда: Tatarstan Respublikası, Yar Çallı şəhəre
Контактная информация:

Re: Подключение драйверов к контроллеру

Сообщение Rafiq »

Ворон226 писал(а): А гадать какой именно транзистор на выходе контроллера не имея принципиальной схемы или живой платы - дело неблагодарное.
Абсолютли, как сказали бы американцы :D А что ты думаешь насчет подключения драйвера напрямую к ЛПТ с взятием +5 В от компа?
Я так понял, опторазвязка в драйвере есть, и +5 нужно только для питания светодиодов оптронов (+5 для микрухи драйвера берется от +24), и если они не соврали в части, обведенной жирным прямоугольником, должно работать. Я никак не могу взять в толк, зачем, если опторазвязка есть в драйвере, нужна плата с ЛПТ разъемом и кучей оптронов? Двойная изоляция для надежности? :D :D :D :D Я никогда не встречал такого решения в подобных приложениях, хотя кучу полуторакилометровых максимум телефонных кабелей с токовой петлей, проложенных по заводскому корпусу, развязывал с обеих сторон.
Аватара пользователя
Ворон226
Мастер
Сообщения: 1923
Зарегистрирован: 01 окт 2012, 18:14
Репутация: 181
Откуда: Солнечногорск Московской обл. - Борки Конаковского р-на - Скоморохово Фировского р-на
Контактная информация:

Re: Подключение драйверов к контроллеру

Сообщение Ворон226 »

Я думаю, что не на всех LPT есть опторазвязки. Это раз.
Два. Драйвер может подключаться не сразу к LPT, а к контроллеру, который может находиться вместе в компом, а драйвер рядом с шаговиком. Потому и опторазвязки и т.п.

А три - я вообще не понял - в чём проблема-то? ;)
Человеку нужно подключить к контроллеру драйвер. Ему пдсказали. Вроде разногласий нет. Чел помалкивает... Об чём спор? ;)
Хочешь быть счастливым? Будь им!
Аватара пользователя
Nick
Мастер
Сообщения: 22776
Зарегистрирован: 23 ноя 2009, 16:45
Репутация: 1735
Заслуга: Developer
Откуда: Gatchina, Saint-Petersburg distr., Russia
Контактная информация:

Re: Подключение драйверов к контроллеру

Сообщение Nick »

Rafiq писал(а): Я никак не могу взять в толк, зачем, если опторазвязка есть в драйвере, нужна плата с ЛПТ разъемом и кучей оптронов?
Ну во-первых удобнее соединять - втыкаешь разъем и разводишь проводки по винтовым разъемам, а не с пинов lpt пытаешься что-то забрать. Плюс все равно надо развязку делать на периферию, почему бы заодно и на step/dir не сделать?
Ответить

Вернуться в «Электроника»