Проект портального фрезера на трансклюкаторах

Фрезерные и гравировальные станки для обработки мягких материалов (дерево, пластики, мягкие металлы).
spike
Почётный участник
Почётный участник
Сообщения: 358
Зарегистрирован: 08 фев 2010, 01:03
Репутация: 5
Контактная информация:

Проект портального фрезера на трансклюкаторах

Сообщение spike »

Цель - создание портального фрезера с применением модулей линейного перемещения типа "трансклюкатор".
Назначение фрезера - отработка программно-технических решений проекта GIGAMESH NC, проверка работоспособности конструкции трансклюкаторов и последовательное изготовление деталей для их апгрейда и других роботов (станков с параллельными кинематическими связями).
Обрабатываемые материалы - пенополистирол, дерево, аллюминий (без фанатизма).

Вводные: фрезер Metabo FME 737, стеклотекстолитовая плита толщиной 25мм, три трансклюкатора с моторами FL60STH86, три драйвера G210. Кроме того: две каретки для трансклюкаторов ранних конструкций, моторы от Роботронов, три драйвера L297-L298-L6210, куча прочего барахла...

Размеры рабочего поля по XY: ориентировочно 500х500мм, ход по оси Z: 100-200мм.

Вобчем пока такой конструктив нарисовался:
ПТ 1.PNG (11812 просмотров) <a class='original' href='./download/file.php?id=2600&mode=view' target=_blank>Загрузить оригинал (67.36 КБ)</a>
ПТ2.PNG (11812 просмотров) <a class='original' href='./download/file.php?id=2601&mode=view' target=_blank>Загрузить оригинал (65.34 КБ)</a>
ПТ3.PNG (11812 просмотров) <a class='original' href='./download/file.php?id=2602&mode=view' target=_blank>Загрузить оригинал (57.62 КБ)</a>
ПТ4.PNG (11812 просмотров) <a class='original' href='./download/file.php?id=2603&mode=view' target=_blank>Загрузить оригинал (37.59 КБ)</a>
Есть какие замечания или идеи, товарищи?
Самому не очень нравится расположение каретки Z, а именно слишком высоко располагается крепление каретки - получается большой рычаг на кручение каретки Y. )bw3(
spike
Почётный участник
Почётный участник
Сообщения: 358
Зарегистрирован: 08 фев 2010, 01:03
Репутация: 5
Контактная информация:

Re: Проект портального фрезера на трансклюкаторах

Сообщение spike »

Да... блин... стеклотекстолит это я вам скажу... )ai( Три афигенных бошевских пилки по металлу как слизало зубья... Скорость распила - 7см/мин )be( в среднем... А в довершение еще и лобзик Makita лобзать перестал )ac( . Теперь ремонт...
Какая-то неделя вообще херовая - еще драйвер G210 один спалил (защиты от КЗ в нем нету...): удлиннил провода внутри блока управления, замотал изолентой, а на одной из спаек жилка одна отошла, припоем залилась и получилась такая иголочка, ну дальше понятно... такчто народ, внимательно надо. Буду пытаться перепаять полевики, надеюсь боле ничего не погорело...
spike
Почётный участник
Почётный участник
Сообщения: 358
Зарегистрирован: 08 фев 2010, 01:03
Репутация: 5
Контактная информация:

Re: Проект портального фрезера на трансклюкаторах

Сообщение spike »

Лобзик отремонтировал, пилю...
Вот что получается:
DSCN5561_resize.jpg (11766 просмотров) <a class='original' href='./download/file.php?id=2611&mode=view' target=_blank>Загрузить оригинал (322.34 КБ)</a>
DSCN5578_resize.jpg (11766 просмотров) <a class='original' href='./download/file.php?id=2612&mode=view' target=_blank>Загрузить оригинал (365.5 КБ)</a>
DSCN5581_resize.jpg (11766 просмотров) <a class='original' href='./download/file.php?id=2613&mode=view' target=_blank>Загрузить оригинал (306.22 КБ)</a>
Изменил немного конструкцию каретки по Y, на случай если окажется что жесткости одной каретки на кручение будет недостаточно - поставлю вторую:
1.PNG (11766 просмотров) <a class='original' href='./download/file.php?id=2614&mode=view' target=_blank>Загрузить оригинал (75.42 КБ)</a>
spike
Почётный участник
Почётный участник
Сообщения: 358
Зарегистрирован: 08 фев 2010, 01:03
Репутация: 5
Контактная информация:

Re: Проект портального фрезера на трансклюкаторах

Сообщение spike »

Пришли IRF540N, отремонтировал я сгоревший G210 )bp( , заказывал 8 шт., т.к. где-то на буржуйских ресурсах видел что рекомендовали заменять сразу все полевики, но что-то мне это странным показалось... Решил методом сравнения-исключения вычислить горелые: стал ноги им прозванивать, у одного, который был заведомо сгоревший звонились все ноги накоротко, а у его "напарника" тоже было КЗ. Остальные - одинаково, с сопротивлением примерно равным. Короче перепаял эти два. Включил - работает! )bw(
DSCN5615_resize.jpg (11749 просмотров) <a class='original' href='./download/file.php?id=2617&mode=view' target=_blank>Загрузить оригинал (375.86 КБ)</a>
DSCN5621_resize.jpg (11749 просмотров) <a class='original' href='./download/file.php?id=2618&mode=view' target=_blank>Загрузить оригинал (389.64 КБ)</a>
Погонял портальчик по XY... побаловался со скоростями - чуть не до баловался, сначала 1000 ш/с - ездит, 3000 - ездит, быстро... 5000 ездит, потом пек, и одна сторона по Х едет, а вторая колом - портал мой как захрустит, движки-то звери (31кг·см), бэмц - подшипник внутри каретки лопнул и тут только я сообразил отключить все... Вот так вот схема эта (с двумя моторами по Х) подвести может, если б не отключил - свернуло бы нафиг портал...
DSCN5627_resize.jpg (11748 просмотров) <a class='original' href='./download/file.php?id=2620&mode=view' target=_blank>Загрузить оригинал (297.55 КБ)</a>
А вот жертвы стеклотекстолита:
DSCN5609_resize.jpg (11749 просмотров) <a class='original' href='./download/file.php?id=2616&mode=view' target=_blank>Загрузить оригинал (257.05 КБ)</a>
В сравнении пилки Bosch и некие Runner (кто-нибудь про такую слышал?). Bosch - красивые ровненькие, отлично покрашенные... Runner - плохо покрашенные, с заусенцем от штампа... Воsch пилит ровно не бьет ее, но садится пилка быстро очень, Runner - колбасит пилку, мама не горюй, при запиле, но когда в материале - все ок... и не садится практически - вот эта одна пилка Runner пропилила ну можт чуть меньше чем все остальные вместе взятые. Цена: 150р за 5шт против 120р за 5шт.
spike
Почётный участник
Почётный участник
Сообщения: 358
Зарегистрирован: 08 фев 2010, 01:03
Репутация: 5
Контактная информация:

Re: Проект портального фрезера на трансклюкаторах

Сообщение spike »

Полностью собранный конструктив Y и установленный трансклюкатор Z показали что вторую каретку на Y надо ставить - нагружая рукой можно получить смещение вдоль Х на 1-2 мм, что совсем не гуд.
Кстати подшипник поменялся без разборки каретки )ab( .
spike
Почётный участник
Почётный участник
Сообщения: 358
Зарегистрирован: 08 фев 2010, 01:03
Репутация: 5
Контактная информация:

Re: Проект портального фрезера на трансклюкаторах

Сообщение spike »

Ну вот, черновая сборка готова:
DSCN5674_resize.jpg (11727 просмотров) <a class='original' href='./download/file.php?id=2621&mode=view' target=_blank>Загрузить оригинал (174.11 КБ)</a>
DSCN5678_resize.jpg (11727 просмотров) <a class='original' href='./download/file.php?id=2622&mode=view' target=_blank>Загрузить оригинал (189.87 КБ)</a>
Кстати, подшипники на трансклюкаторе Z поставил по такой схеме:
DSCN5638_r_resize.jpg (11727 просмотров) <a class='original' href='./download/file.php?id=2623&mode=view' target=_blank>Загрузить оригинал (175.5 КБ)</a>
Нижняя гайка "законтрена" Threadlock`ом красным (типа неразборным), посмотрим как будет держать...
DSCN5640_r_resize.jpg (11727 просмотров) <a class='original' href='./download/file.php?id=2625&mode=view' target=_blank>Загрузить оригинал (166.47 КБ)</a>
... нормалек.
spike
Почётный участник
Почётный участник
Сообщения: 358
Зарегистрирован: 08 фев 2010, 01:03
Репутация: 5
Контактная информация:

Re: Проект портального фрезера на трансклюкаторах

Сообщение spike »

Вот такая простая модификация и совершенно другая реакция на давление - смещение ну можт 0.5мм, но это уже при весьма значительных усилиях:
DSC06482_resize.JPG (11716 просмотров) <a class='original' href='./download/file.php?id=2626&mode=view' target=_blank>Загрузить оригинал (161.44 КБ)</a>
Даже интересно, конструктив получается, как бы так сказать, не совсем таким, как представлялся при проектировании, некоторые характеристики оказались недооценены, например масса и габариты, некоторые переоценены - например - жесткость... Так что САD это конечно хорошо, но это еще не все. Кстати, при изготовлении деталей особо удобно иметь под рукой не просто чертеж, а 3D модель со всеми размерами, с любой стороны.
spike
Почётный участник
Почётный участник
Сообщения: 358
Зарегистрирован: 08 фев 2010, 01:03
Репутация: 5
Контактная информация:

Re: Проект портального фрезера на трансклюкаторах

Сообщение spike »

Первая "фрезеровка", пока только XY:
MOV00036.zip
(823.89 КБ) 676 скачиваний
результат:
DSC06486.JPG (11704 просмотра) <a class='original' href='./download/file.php?id=2629&mode=view' target=_blank>Загрузить оригинал (303.99 КБ)</a>
spike
Почётный участник
Почётный участник
Сообщения: 358
Зарегистрирован: 08 фев 2010, 01:03
Репутация: 5
Контактная информация:

Re: Проект портального фрезера на трансклюкаторах

Сообщение spike »

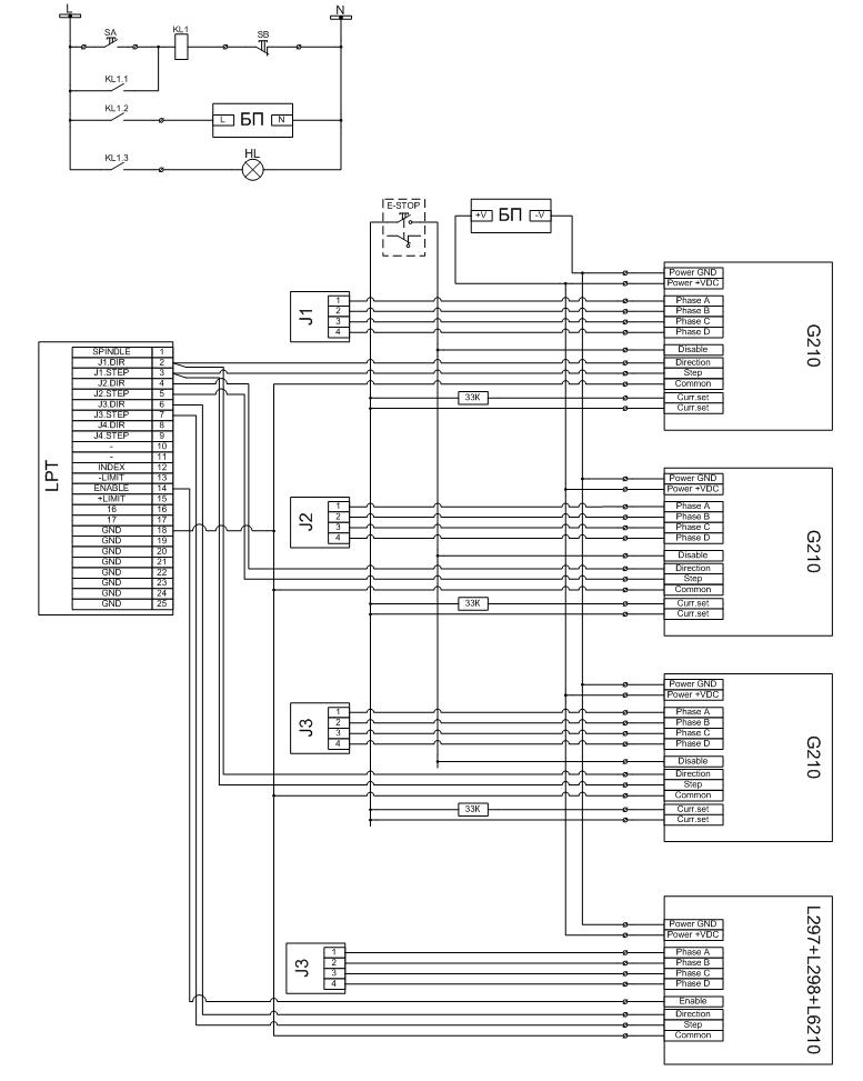
Схема силовой части и распайка LPT-порта:
Схема.png (11686 просмотров) <a class='original' href='./download/file.php?id=2633&mode=view' target=_blank>Загрузить оригинал (66.23 КБ)</a>
spike
Почётный участник
Почётный участник
Сообщения: 358
Зарегистрирован: 08 фев 2010, 01:03
Репутация: 5
Контактная информация:

Re: Проект портального фрезера на трансклюкаторах

Сообщение spike »

Поставил пока на ось Z моторчик от Роботрона, управляется он этим драйвером. Получается что этот привод ограничивает скорости остальных приводов (крутить его с частотой более 300ш/сек в полушаге с этой нагрузкой низзя, но эту частоту держит надежно). Пока в программе GIGAMESH 1H нельзя задать разные скорости приводов.
DSC06489_resize.JPG (11673 просмотра) <a class='original' href='./download/file.php?id=2639&mode=view' target=_blank>Загрузить оригинал (137.19 КБ)</a>
Такой вот кулер пришлось присобачить - греется жестоко...
Попробовал фрезернуть такую детальку:
ДЕТАЛЬ3-3-D.ZIP
(1.1 КБ) 696 скачиваний
В процессе:
DSC06513_resize.JPG (11673 просмотра) <a class='original' href='./download/file.php?id=2640&mode=view' target=_blank>Загрузить оригинал (187.11 КБ)</a>
результат:
DSC06514_resize.JPG (11673 просмотра) <a class='original' href='./download/file.php?id=2641&mode=view' target=_blank>Загрузить оригинал (179.08 КБ)</a>
Из ньюансов работы с GIGAMESH 1H: в CAM`е управляющую программу нужно готовить с учетом того, что в начале обработки фреза должна находиться в нуле координат детали. Т.е. например в этой детали ноль находится посередине детали на верхней плоскости, туда подводим фрезу (ставим ее так, чтобы деталь уместилась на заготовке) и чуток заглубляем. Запускаем обработку.
spike
Почётный участник
Почётный участник
Сообщения: 358
Зарегистрирован: 08 фев 2010, 01:03
Репутация: 5
Контактная информация:

Re: Проект портального фрезера на трансклюкаторах

Сообщение spike »

Пробовал потихоньку фрезеровать аллюминий:
Первая проба: самодельную "фрезу" вытянуло из цанги
DSC06521_resize.JPG (11654 просмотра) <a class='original' href='./download/file.php?id=2643&mode=view' target=_blank>Загрузить оригинал (186.71 КБ)</a>
Более удачная попытка:
DSC06525_resize.JPG (11654 просмотра) <a class='original' href='./download/file.php?id=2644&mode=view' target=_blank>Загрузить оригинал (187.06 КБ)</a>
Дальше обработка идет уже цилиндрической бор-фрезой, у которой, к сожалению, не заточен торец... )ac(
Тут можно сказать уже результат:
DSC06527_resize.JPG (11654 просмотра) <a class='original' href='./download/file.php?id=2645&mode=view' target=_blank>Загрузить оригинал (111.5 КБ)</a>
Дальше попытки фрезеровать фаску и фейс:
DSC06529_resize.JPG (11654 просмотра) <a class='original' href='./download/file.php?id=2646&mode=view' target=_blank>Загрузить оригинал (208.58 КБ)</a>
DSC06532_resize.JPG (11654 просмотра) <a class='original' href='./download/file.php?id=2647&mode=view' target=_blank>Загрузить оригинал (174.65 КБ)</a>
Эволюция )ab( , в хронологическом порядке:
DSC06533_resize.JPG (11654 просмотра) <a class='original' href='./download/file.php?id=2648&mode=view' target=_blank>Загрузить оригинал (123.31 КБ)</a>
Видео:
MOV00037.zip
(387.23 КБ) 694 скачивания
Выводы:
первый и самый главный: аллюминий фрезеровать можно, но без фанатизма, как и планировалось. Жесткость станка позволяет спокойно снимать по 0.2мм с подачей где-то 100-200мм/мин, можт и больше можно - пока не пробовал.
Но: нужно обязательно заменить мотор и, возможно драйвер, по Z - нет надежности в его работе, это заметно на фасках, иногда не справляется, теряет шаги. Т.е. мало того что тормозит весь станок, да и еще косячит.
Для нормальной работы кроме нормального привода по Z и нормальной фрезы нужно:
  1. выставить вертикальность оси инструмента
  2. замутить стол и фрезернуть горизонт
  3. доработать GIGAMESH 1H по этим позициям
spike
Почётный участник
Почётный участник
Сообщения: 358
Зарегистрирован: 08 фев 2010, 01:03
Репутация: 5
Контактная информация:

Re: Проект портального фрезера на трансклюкаторах

Сообщение spike »

Сделал вот сувенирчик жене
черновая обработка:
DSC06542_resize.JPG (11638 просмотров) <a class='original' href='./download/file.php?id=2653&mode=view' target=_blank>Загрузить оригинал (172.04 КБ)</a>
чистовая:
DSC06544_resize.JPG (11638 просмотров) <a class='original' href='./download/file.php?id=2654&mode=view' target=_blank>Загрузить оригинал (162 КБ)</a>
результат:
DSC06547_resize.JPG (11638 просмотров) <a class='original' href='./download/file.php?id=2655&mode=view' target=_blank>Загрузить оригинал (105.65 КБ)</a>
время обработки почти час
DSC06537_resize.JPG (11638 просмотров) <a class='original' href='./download/file.php?id=2652&mode=view' target=_blank>Загрузить оригинал (131.44 КБ)</a>
исходник:
M1.ZIP
(2.13 КБ) 653 скачивания
spike
Почётный участник
Почётный участник
Сообщения: 358
Зарегистрирован: 08 фев 2010, 01:03
Репутация: 5
Контактная информация:

Re: Проект портального фрезера на трансклюкаторах

Сообщение spike »

Думал, думал как выставить вертикальность шпинделя и придумал:
DSC06551_resize.JPG (11638 просмотров) <a class='original' href='./download/file.php?id=2658&mode=view' target=_blank>Загрузить оригинал (100.48 КБ)</a>
DSC06552_resize.JPG (11638 просмотров) <a class='original' href='./download/file.php?id=2659&mode=view' target=_blank>Загрузить оригинал (101.07 КБ)</a>
дальше фрезерну стол, а потом опять выставлю
Гость

Re: Проект портального фрезера на трансклюкаторах

Сообщение Гость »

spike писал(а):Думал, думал как выставить вертикальность шпинделя и придумал
Спасибо за идею!
spike
Почётный участник
Почётный участник
Сообщения: 358
Зарегистрирован: 08 фев 2010, 01:03
Репутация: 5
Контактная информация:

Re: Проект портального фрезера на трансклюкаторах

Сообщение spike »

Гость, незачто! )ab(

Нормальная фреза твердосплавная, нормальный привод оси Z, ну и вот результат:
DSC06644_измен.размер.JPG (10610 просмотров) <a class='original' href='./download/file.php?id=2799&mode=view' target=_blank>Загрузить оригинал (237.17 КБ)</a>
DSC06645_измен.размер.JPG (10610 просмотров) <a class='original' href='./download/file.php?id=2800&mode=view' target=_blank>Загрузить оригинал (229.49 КБ)</a>
Обработка под управлением GIGAMESH 2H, подача до 0.3 м/мин, без СОЖ, 0.25мм в глубину за проход, с чистовой обработкой припуска 0.1 мм на стенках. Время обработки, что-то около 40 минут.
Погрешности: +0.05 мм на диаметре и примерно столько же на внешних размерах. Поверхность обработки не слишком чистая, имеется небольшой наклеп.
Аватара пользователя
scout
Опытный
Сообщения: 114
Зарегистрирован: 11 янв 2010, 00:52
Репутация: 11
Откуда: Протвино
Контактная информация:

Re: Проект портального фрезера на трансклюкаторах

Сообщение scout »

DSC06692_измен.размер.JPG (8578 просмотров) <a class='original' href='./download/file.php?id=2855&mode=view' target=_blank>Загрузить оригинал (209.95 КБ)</a>
DSC06695_измен.размер.JPG (8578 просмотров) <a class='original' href='./download/file.php?id=2852&mode=view' target=_blank>Загрузить оригинал (237.42 КБ)</a>
прям из под станка, заусенцы есть, поэтому кажется что кривые пазы, на самом деле идеальные. Это будут зажимы для ремня, фирмовые, причем менее нам подходящие, стоят по 20 евров штучка, вот такая вот экономия.

Небольшую модернизацию сделали:
DSC06674_измен.размер.JPG (8578 просмотров) <a class='original' href='./download/file.php?id=2853&mode=view' target=_blank>Загрузить оригинал (190.8 КБ)</a>
моторы грелись прилично, на капельку суперклея приклеили вот заготовки наши и все стало просто здорово, чуть теплые моторы. В исходной конструкции плохая теплоотдача станине.

Вот какие стружки получаются при фрезеровке:
DSC06685_измен.размер.JPG (8578 просмотров) <a class='original' href='./download/file.php?id=2854&mode=view' target=_blank>Загрузить оригинал (164.16 КБ)</a>
)ay(
СергейВН
Новичок
Сообщения: 6
Зарегистрирован: 01 ноя 2013, 08:15
Репутация: 0
Контактная информация:

Re: Проект портального фрезера на трансклюкаторах

Сообщение СергейВН »

spike писал(а):Думал, думал как выставить вертикальность шпинделя и придумал:
DSC06551_resize.JPG
DSC06552_resize.JPG
дальше фрезерну стол, а потом опять выставлю
Сразу видно, геометрию в школе не прогуливал ). Все генеальное-просто!
Ответить

Вернуться в «Фрезерные станки по дереву и пластикам, гравировальные станки, роутеры»