Друзья нужна помощь необходимо организовать обратную связь частотник – Мач3.
-
Vlad1M
- Новичок
- Сообщения: 30
- Зарегистрирован: 04 окт 2015, 12:35
- Репутация: 0
- Настоящее имя: Ковалев Владимир Михайлович
- Откуда: Казхстан
- Контактная информация:
Друзья нужна помощь необходимо организовать обратную связь частотник – Мач3.
ЧПУ гравировально-фрезерный
Рабочее поле:800/400/80
По дереву и мягким металлам Друзья нужна помощь. Прошу только не пинайте, почитай там посмотри здесь все это проходили.
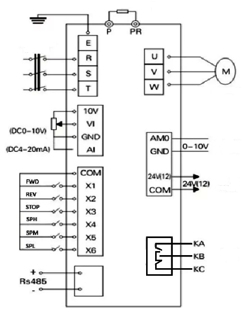
Теперь по сути. Задача такая - организовать обратную связь частотник – Мач3. Необходимо что-бы при уходе частотника в ошибку сигнал поступал в мач3, а сигнал из мач3 поступал на частотник и выключал шпиндель. Отсутствие этой связки все кто работает на ЧПУ знают к чему это приводит, сломанный инструмент, загубленная заготовка. Мой частотник 1,5киловата все работает. Моя задача организовать
обратную связь. Я сделал плату управления (преобразователь шим, защита от перегрева шпинделя и Е-стоп )
Е стоп выведен на многофункциональные входы (Х1-Х6). Х1 вперед, Х2 реверс, в настройках Х3 стоп- P046 004 или 013 можно выставить как
004: Остановка, 013: Аварийный останов; Все работает но есть проблема при подачи сигнала Е стоп на Х3 шпиндель снижает обороты где то до 140Гц 8000 об/мин. и полной остановки не происходит. Помогите понять причину
Рабочее поле:800/400/80
По дереву и мягким металлам Друзья нужна помощь. Прошу только не пинайте, почитай там посмотри здесь все это проходили.
Теперь по сути. Задача такая - организовать обратную связь частотник – Мач3. Необходимо что-бы при уходе частотника в ошибку сигнал поступал в мач3, а сигнал из мач3 поступал на частотник и выключал шпиндель. Отсутствие этой связки все кто работает на ЧПУ знают к чему это приводит, сломанный инструмент, загубленная заготовка. Мой частотник 1,5киловата все работает. Моя задача организовать
обратную связь. Я сделал плату управления (преобразователь шим, защита от перегрева шпинделя и Е-стоп )
Е стоп выведен на многофункциональные входы (Х1-Х6). Х1 вперед, Х2 реверс, в настройках Х3 стоп- P046 004 или 013 можно выставить как
004: Остановка, 013: Аварийный останов; Все работает но есть проблема при подачи сигнала Е стоп на Х3 шпиндель снижает обороты где то до 140Гц 8000 об/мин. и полной остановки не происходит. Помогите понять причину
-
lkbyysq
- Мастер
- Сообщения: 2284
- Зарегистрирован: 14 май 2016, 09:40
- Репутация: 346
- Настоящее имя: Станислав Ерофеев
- Откуда: Санкт-Петербург
Re: Друзья нужна помощь необходимо организовать обратную связь частотник – Мач3.
Замечательно, все работает! Раз все работает, значит при подачи сигнала на Х3 происходит либо остановка, либо аварийная остановка (в зависимости от P046).
Читаем дальше.
Так все работает, или НЕ все работает?Vlad1M писал(а): но есть проблема при подачи сигнала Е стоп на Х3 шпиндель снижает обороты где то до 140Гц 8000 об/мин. и полной остановки не происходит.
-
Vlad1M
- Новичок
- Сообщения: 30
- Зарегистрирован: 04 окт 2015, 12:35
- Репутация: 0
- Настоящее имя: Ковалев Владимир Михайлович
- Откуда: Казхстан
- Контактная информация:
Re: Друзья нужна помощь необходимо организовать обратную связь частотник – Мач3.
шпиндель вращается ( 400Гц- 24000об/мин.) при подачи сигнала Е стоп на Х3 шпиндель снижает обороты где то до 140Гц 8000 об/мин. и полной остановки не происходит. здесь понятно что при подачи сигнала Е стоп, шпиндель должен остановится пока не будет снят сигнал Е стоп
При подачи сигнала Е стоп на Х3 шпиндель и МАЧ 3 прекращают работу. Это же понятно.
1. Три многофункциональных терминала могут быть использованы для подключения трехпроводной системы для реализации переключения вращения ВПЕРЕД / НАЗАД, которое широко применяется в случаях переключения ВПЕРЕД / НАЗАД фотоэлектрических переключателей.
Настройка параметров:
P001=1 - внешнее управление
P002=3 - источник сигнала
P003 = 50 - рабочая частота
P044=01 - пуск
P045=03 - изменение направления вращения;
P046=04 – для остановки Выберите многофункциональные клеммы Х1, Х2 и Х3
Описание действия:
При срабатывании Х1 инвертор будет вращаться вперед (пуск);
При срабатывании Х2 инвертор будет вращаться в обратном направлении;
При нажатии кнопки STOP инвертор остановится.
Это из мануала
-
lkbyysq
- Мастер
- Сообщения: 2284
- Зарегистрирован: 14 май 2016, 09:40
- Репутация: 346
- Настоящее имя: Станислав Ерофеев
- Откуда: Санкт-Петербург
Re: Друзья нужна помощь необходимо организовать обратную связь частотник – Мач3.
Т.е. вот именно эту схему собрали, а она не работает. Так?
-
Vlad1M
- Новичок
- Сообщения: 30
- Зарегистрирован: 04 окт 2015, 12:35
- Репутация: 0
- Настоящее имя: Ковалев Владимир Михайлович
- Откуда: Казхстан
- Контактная информация:
Re: Друзья нужна помощь необходимо организовать обратную связь частотник – Мач3.
У меня собрано по схеме камутации см. выше эта схема из мануала я же там написал.
При подачи сигнала Е стоп на Х3 мач останавливается а шпиндель снижает обороты где то до 140Гц 8000 об/мин.
А надо что-бы шпиндель тоже останавливался.
При подачи сигнала Е стоп на Х3 мач останавливается а шпиндель снижает обороты где то до 140Гц 8000 об/мин.
А надо что-бы шпиндель тоже останавливался.
-
lkbyysq
- Мастер
- Сообщения: 2284
- Зарегистрирован: 14 май 2016, 09:40
- Репутация: 346
- Настоящее имя: Станислав Ерофеев
- Откуда: Санкт-Петербург
Re: Друзья нужна помощь необходимо организовать обратную связь частотник – Мач3.
Я думаю, что нужно спросить у разработчика той схемы коммутации, по которой вы собрали, на каком основании он принял решение изменить схему подключения, рекомендованную разработчиком инвертора. Желательно конечно получить видео с подтверждением правильной работы этой схемы.
- xenon-alien
- Почётный участник

- Сообщения: 4520
- Зарегистрирован: 01 янв 2013, 13:13
- Репутация: 925
- Настоящее имя: Daniel
- Откуда: Закарпатская обл. Украина
- Контактная информация:
Re: Друзья нужна помощь необходимо организовать обратную связь частотник – Мач3.
-
Последний раз редактировалось xenon-alien 20 апр 2023, 18:46, всего редактировалось 1 раз.
-
Vlad1M
- Новичок
- Сообщения: 30
- Зарегистрирован: 04 окт 2015, 12:35
- Репутация: 0
- Настоящее имя: Ковалев Владимир Михайлович
- Откуда: Казхстан
- Контактная информация:
Re: Друзья нужна помощь необходимо организовать обратную связь частотник – Мач3.
Благодарю за ответ. Все правильно. Запускаем МАЧ все работает в штатном режиме обороты шпинделя 24000 об.мин. 400 Гц, нажимаем Е стоп
красный гибок станок тупо встал а шпиндель продолжает вращаться 140Гц 8000 об.мин. Что заметил - снимаешь сигнал с Х3 шпиндель останавливается отпускаешь грибок шпиндель останавливается, и пока не сделаешь сброс в МАЧе далее перезапуск, все работает. Я думаю это потому что сигнала ШИМ нет. Это где-то что-то в настройках. Сам решить не могу по этому и поднял вопрос. Решить вопрос конечно можно но не хочу городить агарод, ЧП должен сам решать эти проблемы правильно надо настроить.
На многофункциональных входах (Х1-Х6) в режиме ожидания +потенциал 4,3V. Вот еще манул с его помощью делал перевод таблица настройки один в один с моим мануалом сканировал свой мануал переводил и сравнивал перевод. И еще один вопрос обороты шпинделя не соответствуют частоте на малых оборотах минимальная частота выставлена 100Гц показания 140Гц с пульта управления выставлено 100Гц и показания 100Гц. Наводит на мысль что сигнал ШИМ выдает с преобразователя завышенное напряжение. У меня на входе в Ч.П показывает 1,4V. схемы взяты из интернета, схема камутации моя как у меня подключено так и нарисовано. Подключения сделаны путем проб и ошибок методом тыка пробовал всяко. А схема изготовителя
не могу понять. Кнопка стоп отключает СОМ полностью. Я отключал Х3 и все прекрасно работает
Переключатель на 3 положения с фиксацией. При подачи сигнала на Х3 он снижает обороты, у меня подключена кнопка стоп на Х3 СОМ соединен на прямую. Нажимаем кнопку стоп сигнал поступает на Х3. Сигнал Е стоп поступает в МАЧ реле отключает Х1 должна произойти остановка шпинделя. А шпиндель продолжает вращаться на минимальных оборотах.
красный гибок станок тупо встал а шпиндель продолжает вращаться 140Гц 8000 об.мин. Что заметил - снимаешь сигнал с Х3 шпиндель останавливается отпускаешь грибок шпиндель останавливается, и пока не сделаешь сброс в МАЧе далее перезапуск, все работает. Я думаю это потому что сигнала ШИМ нет. Это где-то что-то в настройках. Сам решить не могу по этому и поднял вопрос. Решить вопрос конечно можно но не хочу городить агарод, ЧП должен сам решать эти проблемы правильно надо настроить.
На многофункциональных входах (Х1-Х6) в режиме ожидания +потенциал 4,3V. Вот еще манул с его помощью делал перевод таблица настройки один в один с моим мануалом сканировал свой мануал переводил и сравнивал перевод. И еще один вопрос обороты шпинделя не соответствуют частоте на малых оборотах минимальная частота выставлена 100Гц показания 140Гц с пульта управления выставлено 100Гц и показания 100Гц. Наводит на мысль что сигнал ШИМ выдает с преобразователя завышенное напряжение. У меня на входе в Ч.П показывает 1,4V. схемы взяты из интернета, схема камутации моя как у меня подключено так и нарисовано. Подключения сделаны путем проб и ошибок методом тыка пробовал всяко. А схема изготовителя
не могу понять. Кнопка стоп отключает СОМ полностью. Я отключал Х3 и все прекрасно работает
Переключатель на 3 положения с фиксацией. При подачи сигнала на Х3 он снижает обороты, у меня подключена кнопка стоп на Х3 СОМ соединен на прямую. Нажимаем кнопку стоп сигнал поступает на Х3. Сигнал Е стоп поступает в МАЧ реле отключает Х1 должна произойти остановка шпинделя. А шпиндель продолжает вращаться на минимальных оборотах.
Последний раз редактировалось Vlad1M 20 апр 2023, 14:37, всего редактировалось 1 раз.
-
lkbyysq
- Мастер
- Сообщения: 2284
- Зарегистрирован: 14 май 2016, 09:40
- Репутация: 346
- Настоящее имя: Станислав Ерофеев
- Откуда: Санкт-Петербург
Re: Друзья нужна помощь необходимо организовать обратную связь частотник – Мач3.
Было бы странно, если бы он не останавливался.
В мануале так и написано:
"
1. Трехпроводные схемы. Используйте поворотный переключатель для управления инвертором вперед /назад и остановом. SB1.прямое вращение ( нормально разомкнутый контакт ). SB2. обратное вращение ( нормально разомкнутый контакт ). SB3. Остановка ( нормально замкнутый контакт )
"
Оставьте в воздухе " Х3 стоп". Управляйте только через "пуск".
Измерьте на VI напряжения нулевых и максимальных оборотов, которые приходят на управление частотником, и забейте в него зависимость частоты на выходе от напряжения на входе.
Параметры 072-076, страница 43-44.
-
Vlad1M
- Новичок
- Сообщения: 30
- Зарегистрирован: 04 окт 2015, 12:35
- Репутация: 0
- Настоящее имя: Ковалев Владимир Михайлович
- Откуда: Казхстан
- Контактная информация:
Re: Друзья нужна помощь необходимо организовать обратную связь частотник – Мач3.
Было бы странно, если бы он не останавливался.
Установка Х3 - Р 046 = 04 (остановка) Р 046 = 13 аварийная остановка, работает при поступлении сигнала на Х3 а не при снятии Все настройки у меня сделаны (посмотри выше) при частоте 100Гц должно быть 6000 об.мин. А у меня показывает 140Гц почему?
Установка Х3 - Р 046 = 04 (остановка) Р 046 = 13 аварийная остановка, работает при поступлении сигнала на Х3 а не при снятии Все настройки у меня сделаны (посмотри выше) при частоте 100Гц должно быть 6000 об.мин. А у меня показывает 140Гц почему?
Последний раз редактировалось Vlad1M 21 апр 2023, 11:31, всего редактировалось 1 раз.
-
lkbyysq
- Мастер
- Сообщения: 2284
- Зарегистрирован: 14 май 2016, 09:40
- Репутация: 346
- Настоящее имя: Станислав Ерофеев
- Откуда: Санкт-Петербург
Re: Друзья нужна помощь необходимо организовать обратную связь частотник – Мач3.
Чем вы измеряли частоту 100Гц? Частотомер подключили?
Куда вы подавали частоту 100Гц, если подавать надо напряжение на вход VI.
Потому, что не настроен инвертор.
Вам вот по этому принципу.
-
Vlad1M
- Новичок
- Сообщения: 30
- Зарегистрирован: 04 окт 2015, 12:35
- Репутация: 0
- Настоящее имя: Ковалев Владимир Михайлович
- Откуда: Казхстан
- Контактная информация:
Re: Друзья нужна помощь необходимо организовать обратную связь частотник – Мач3.
Если бы я знал чо в мануале чушь я бы не читал и как определить что это чушь.lkbyysq писал(а): Если в мануале написана чушь, то прямо так и скажите "в мануале ошибка".
Если бы мне надо было сделать так я давно бы уже сделал
-
Vlad1M
- Новичок
- Сообщения: 30
- Зарегистрирован: 04 окт 2015, 12:35
- Репутация: 0
- Настоящее имя: Ковалев Владимир Михайлович
- Откуда: Казхстан
- Контактная информация:
Re: Друзья нужна помощь необходимо организовать обратную связь частотник – Мач3.
Спасибо в мануале такая картинка есть. Лучше подскажи как это настроить.
Последний раз редактировалось Vlad1M 20 апр 2023, 17:18, всего редактировалось 1 раз.
- xvovanx
- Мастер
- Сообщения: 3776
- Зарегистрирован: 25 фев 2016, 12:27
- Репутация: 920
- Настоящее имя: Владимир
- Откуда: Latvia
- Контактная информация:
Re: Друзья нужна помощь необходимо организовать обратную связь частотник – Мач3.
Вы пробуйте сначала без ваших плат блокировки проверить работу и остановку шпинделя, в ПЧ просто перемычкой на Х3. И тогда станет ясно, что не работает как надо, либо плата блокировки, либо ПЧ.