Устройство "SCHAUBLIN UART DOCTOR"

Токарные станки с ЧПУ.
Аватара пользователя
Ev3658
Новичок
Сообщения: 35
Зарегистрирован: 13 фев 2017, 16:08
Репутация: 29
Настоящее имя: Евгений
Контактная информация:

Устройство "SCHAUBLIN UART DOCTOR"

Сообщение Ev3658 »

Постараюсь восстановить и поддержать тему.
Устройство собиралось не один раз многими людьми по темам на chipmaker`e с использованием его файлообменника.
К сожалению там случился конфликт и данные убрали вместе со всей наработкой за много лет.

SCHAUBLIN UART DOCTOR

Это устройство зарекомендовало себя очень надёжно, стабильно, очень простым и спасательным :roll:

SD Flash карта нужна не более 2 Гигабайт.
Файловая система FAT подойдёт, размещение файлов простое.
Формат файлов TXT (Ascii)

Устройство способно:
- загружать данные для восстановления двух разных станков
- согласовать синтаксис передачи данных станка и частично проверять на правильность.
- скорость работы стандартная для сброшенной стойки 300 бод, 7 бит, 1 чётный CTS/RTS
- Сохранять и загружать программы

Так как устройство создавалось за 15-20 дней + неделя-дне на отладку вперемешку повседневного ремонта на работе всего, то уж что создал, то создал.

Видео инструкция по сборке:

[youtube]https://www.youtube.com/watch?v=fnO6v0Hce3Q[/youtube]
видео отладки протатипа: Схема устройства простая:
схема.rar
Схема Schaublin Uart Doctor.
(594.03 КБ) 266 скачиваний
Схема Schaublin Uart Doctor (6224 просмотра) <a class='original' href='./download/file.php?id=197527&sid=12e7f40496f959f94ca24c2aa89b708c&mode=view' target=_blank>Загрузить оригинал (840.5 КБ)</a>
Схема Schaublin Uart Doctor
Вы можете не заморачиваться с преобразователем напряжения ±12в. и использовать DC-DC преобразователи.
Так-же можете АЦП подтянуть на плюс, чтоб не следил за АКБ и напряжением преобразователя.
Преобразователь напряжения нужен для драйвера RS232, я использовал от старой материнской платы, кажись Pentium II. Только в UART уровнем ±12 вольт можно общаться с ЧПУ (порог срабатывания единицы +6 вольт).

Содержимое флешки простое:
Содержимое флешки.rar
Содержимое флешки.
Данные для Schaublin 102 CNC и 128 CNC
TEA1 TEA1 PCP и программы
bin файл - открывайте смело в блокноте, учтите, кодировка должна быть ASCII
(9.27 КБ) 285 скачиваний
Папка BIN содержит два файла BIN - открывайте в текстовом редакторе и переправляйте машинные параметры как угодно.
В корне флешки текстовый файл PROGRAMM.TXT - это загружаемые программы.
Устройство само нумирует программы и при приёме выстраивает их по очереди (вроде работает).

На всякий случай машинные параметры:
Параметры Sinumerik 810T.pdf
Параметры Schaublin 102 CNC 128 CNC
(319.01 КБ) 1591 скачивание
Прошивка устройства в BIN и в HEX формате + картинка с FUSE BITS (это параметры контроллера при прошивке):
Прошивка.rar
Прошивка устройства Schaublin Uart Doctor
(90.8 КБ) 277 скачиваний
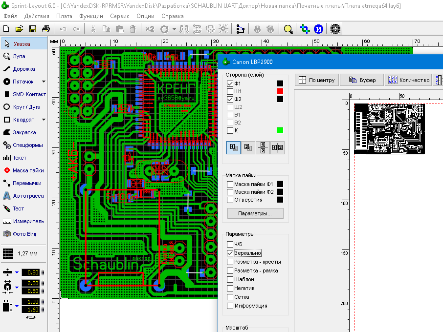
Печатная плата в формате *.lay6 (программа Sprint LayOut 6.0)
Печатные платы.rar
Печатная плата устройства Schaublin Uart Doctor.
Формат *.lay6 (Sprint LayOut)
(85.62 КБ) 261 скачивание
Печатная плата устройства Schaublin Uart Doctor (6224 просмотра) <a class='original' href='./download/file.php?id=197529&sid=12e7f40496f959f94ca24c2aa89b708c&mode=view' target=_blank>Загрузить оригинал (121.79 КБ)</a>
Печатная плата устройства Schaublin Uart Doctor

Я бы рекомендовал всё-же отЛУТить плату, хотя уже дважды собирали многодрыгом и пауком :controller: wave

Почему не компьютер?
Компьютер глючил, программа WinPCin от Siemens порой глючила и решалось перезагрузкой компа, да и ящик лишний в помещении и в целом нужен был редко.

Устройство просто убрало весь геморой с восстановлением ПО и программ, а после я сделал профилактику и заменил кучу батареек в стойке и переделал сменные батареи в АКБ с блоком зарядки от зарядника сотового телефона.

Осталось памятное видео, неделю наблюдал как пытаются восстановить станок Schaublin 102 CNC и заснял немного этот процесс:
https://www.youtube.com/watch?v=HX6I8XQcQ78

Устройство простое и после сборки готово работать при условии достаточного питания драйвера RS232.

И кстати, если вы не поняли что это, загляните в Инструкцию с картинками (делал тоже торопясь, прошу прощения).
Интструкция Schaublin UART Doctor.rar
Инструкция оператора/электронщика по восстановлению PLC и машинных параметров.
(2.7 МБ) 288 скачиваний




Немного показываю возможности устройства:

[youtube]https://www.youtube.com/watch?v=9slMFqUDA8Y&t=129s[/youtube]




P:S: Так как в LCD 2004 отсутствовал кириллический знакогенератор, то я использовал в памяти LCD 8 ячеек под некоторые русские буквы, а остальные брал из латиницы. Это отразилось немного на словарном запасе устройства, всё-же смысл интерфейса короток и ясен :beer_blow:
Аватара пользователя
azbukived
Опытный
Сообщения: 172
Зарегистрирован: 13 окт 2012, 17:08
Репутация: 5
Контактная информация:

Re: Устройство "SCHAUBLIN UART DOCTOR"

Сообщение azbukived »

Полезная вещица, в любой её недоработке. Можно идти вперёд.
Евгений 1988
Новичок
Сообщения: 2
Зарегистрирован: 05 ноя 2022, 16:01
Репутация: 0
Настоящее имя: Свистунов Евгений Леонидович
Контактная информация:

Re: Устройство "SCHAUBLIN UART DOCTOR"

Сообщение Евгений 1988 »

Здравствуйте.А это устройство подходит для schaublin 128cnc на bosch alpha 2?
Даниил77744
Новичок
Сообщения: 1
Зарегистрирован: 21 июл 2023, 19:29
Репутация: 0
Контактная информация:

Re: Устройство "SCHAUBLIN UART DOCTOR"

Сообщение Даниил77744 »

Здравствуйте. На Ардуио нано получается сделать?
Петр198888
Новичок
Сообщения: 1
Зарегистрирован: 01 фев 2024, 10:16
Репутация: 0
Настоящее имя: Петр
Контактная информация:

Re: Устройство "SCHAUBLIN UART DOCTOR"

Сообщение Петр198888 »

Ev3658 писал(а): 22 авг 2021, 01:29 Постараюсь восстановить и поддержать тему.
Устройство собиралось не один раз многими людьми по темам на chipmaker`e с использованием его файлообменника.
К сожалению там случился конфликт и данные убрали вместе со всей наработкой за много лет.

SCHAUBLIN UART DOCTOR

Это устройство зарекомендовало себя очень надёжно, стабильно, очень простым и спасательным :roll:

SD Flash карта нужна не более 2 Гигабайт.
Файловая система FAT подойдёт, размещение файлов простое.
Формат файлов TXT (Ascii)

Устройство способно:
- загружать данные для восстановления двух разных станков
- согласовать синтаксис передачи данных станка и частично проверять на правильность.
- скорость работы стандартная для сброшенной стойки 300 бод, 7 бит, 1 чётный CTS/RTS
- Сохранять и загружать программы

Так как устройство создавалось за 15-20 дней + неделя-дне на отладку вперемешку повседневного ремонта на работе всего, то уж что создал, то создал.

Видео инструкция по сборке:

[youtube]https://www.youtube.com/watch?v=fnO6v0Hce3Q[/youtube]
видео отладки протатипа: Схема устройства простая:
схема.rar
схема.JPG

Вы можете не заморачиваться с преобразователем напряжения ±12в. и использовать DC-DC преобразователи.
Так-же можете АЦП подтянуть на плюс, чтоб не следил за АКБ и напряжением преобразователя.
Преобразователь напряжения нужен для драйвера RS232, я использовал от старой материнской платы, кажись Pentium II. Только в UART уровнем ±12 вольт можно общаться с ЧПУ (порог срабатывания единицы +6 вольт).

Содержимое флешки простое:
Содержимое флешки.rar
Папка BIN содержит два файла BIN - открывайте в текстовом редакторе и переправляйте машинные параметры как угодно.
В корне флешки текстовый файл PROGRAMM.TXT - это загружаемые программы.
Устройство само нумирует программы и при приёме выстраивает их по очереди (вроде работает).

На всякий случай машинные параметры:
Параметры Sinumerik 810T.pdf

Прошивка устройства в BIN и в HEX формате + картинка с FUSE BITS (это параметры контроллера при прошивке):
Прошивка.rar

Печатная плата в формате *.lay6 (программа Sprint LayOut 6.0)
Печатные платы.rar
2021-08-22_01-14-06.png


Я бы рекомендовал всё-же отЛУТить плату, хотя уже дважды собирали многодрыгом и пауком :controller: wave

Почему не компьютер?
Компьютер глючил, программа WinPCin от Siemens порой глючила и решалось перезагрузкой компа, да и ящик лишний в помещении и в целом нужен был редко.

Устройство просто убрало весь геморой с восстановлением ПО и программ, а после я сделал профилактику и заменил кучу батареек в стойке и переделал сменные батареи в АКБ с блоком зарядки от зарядника сотового телефона.

Осталось памятное видео, неделю наблюдал как пытаются восстановить станок Schaublin 102 CNC и заснял немного этот процесс:
https://www.youtube.com/watch?v=HX6I8XQcQ78

Устройство простое и после сборки готово работать при условии достаточного питания драйвера RS232.

И кстати, если вы не поняли что это, загляните в Инструкцию с картинками (делал тоже торопясь, прошу прощения).
Интструкция Schaublin UART Doctor.rar





Немного показываю возможности устройства:

[youtube]https://www.youtube.com/watch?v=9slMFqUDA8Y&t=129s[/youtube]




P:S: Так как в LCD 2004 отсутствовал кириллический знакогенератор, то я использовал в памяти LCD 8 ячеек под некоторые русские буквы, а остальные брал из латиницы. Это отразилось немного на словарном запасе устройства, всё-же смысл интерфейса короток и ясен :beer_blow:
Добрый день. Как с вами можно связаться? mirl88@yandex.ru вот моя почта есть несколько вопросов которые меня интересуют. просьба связаться или дать ваши контакты
Ответить

Вернуться в «Токарные станки»