Тяжелый станок 500х400х200 по алюминию
- Nick
- Мастер
- Сообщения: 22776
- Зарегистрирован: 23 ноя 2009, 16:45
- Репутация: 1735
- Заслуга: Developer
- Откуда: Gatchina, Saint-Petersburg distr., Russia
- Контактная информация:
Re: Тяжелый станок 500х400х200 по алюминию
Придет контроллер, будем придумывать, куда это прикрутить 
- Serg
- Мастер
- Сообщения: 21923
- Зарегистрирован: 17 апр 2012, 14:58
- Репутация: 5183
- Заслуга: c781c134843e0c1a3de9
- Настоящее имя: Сергей
- Откуда: Москва
- Контактная информация:
Re: Тяжелый станок 500х400х200 по алюминию
А можно поставить 4 датчика (лучше оптические) в одном месте и всегда знать какой именно инструмент выбран...
Я не Христос, рыбу не раздаю, но могу научить, как сделать удочку...
-
nkp
- Мастер
- Сообщения: 8340
- Зарегистрирован: 28 ноя 2011, 00:25
- Репутация: 1589
- Контактная информация:
Re: Тяжелый станок 500х400х200 по алюминию
и с одним датчиком можно замутитьUAVpilot писал(а):А можно поставить 4 датчика (лучше оптические) в одном месте и всегда знать какой именно инструмент выбран...
(ну в смысле с 1+1) основной +home
- Serg
- Мастер
- Сообщения: 21923
- Зарегистрирован: 17 апр 2012, 14:58
- Репутация: 5183
- Заслуга: c781c134843e0c1a3de9
- Настоящее имя: Сергей
- Откуда: Москва
- Контактная информация:
Re: Тяжелый станок 500х400х200 по алюминию
Не, я имел в виду всего 4 датчика, а в диске напротив каждого инструмента свой набор отверстий (двоичный код) и в любой момент можно узнать номер выбранного датчика без всякого хоминга.
Я не Христос, рыбу не раздаю, но могу научить, как сделать удочку...
-
nkp
- Мастер
- Сообщения: 8340
- Зарегистрирован: 28 ноя 2011, 00:25
- Репутация: 1589
- Контактная информация:
Re: Тяжелый станок 500х400х200 по алюминию
Вот это подход
Будет самая простая схема ладдера .Остальное -один компонент хал!
Будет самая простая схема ладдера .Остальное -один компонент хал!
- Nick
- Мастер
- Сообщения: 22776
- Зарегистрирован: 23 ноя 2009, 16:45
- Репутация: 1735
- Заслуга: Developer
- Откуда: Gatchina, Saint-Petersburg distr., Russia
- Контактная информация:
Re: Тяжелый станок 500х400х200 по алюминию
ИМХО наоборот сначала придется все это в число переводить, хотя можно через wsumnkp писал(а):Будет самая простая схема ладдера .Остальное -один компонент хал!
Но как-то надо будет еще отслеживать, что мы надо читать датчики, т.е. надо 5 датчиков.
ЗЫ и опять же это не LinuxCNC
- Алексс
- Почётный участник

- Сообщения: 2210
- Зарегистрирован: 20 июл 2012, 15:49
- Репутация: 266
- Заслуга: IQ32
- Настоящее имя: Алексей
- Откуда: Прага
- Контактная информация:
Re: Тяжелый станок 500х400х200 по алюминию
а еще можно rfid метки на инструмент повесить - вообще красотень будет! 
Каждая собака, бегущая на поводке впереди хозяина, думает, что ведет его за собой.
- Serg
- Мастер
- Сообщения: 21923
- Зарегистрирован: 17 апр 2012, 14:58
- Репутация: 5183
- Заслуга: c781c134843e0c1a3de9
- Настоящее имя: Сергей
- Откуда: Москва
- Контактная информация:
Re: Тяжелый станок 500х400х200 по алюминию
Не осилил твой оборот речи и не понял зачем пятый датчик.Nick писал(а): Но как-то надо будет еще отслеживать, что мы надо читать датчики, т.е. надо 5 датчиков.
Я не Христос, рыбу не раздаю, но могу научить, как сделать удочку...
- Алексс
- Почётный участник

- Сообщения: 2210
- Зарегистрирован: 20 июл 2012, 15:49
- Репутация: 266
- Заслуга: IQ32
- Настоящее имя: Алексей
- Откуда: Прага
- Контактная информация:
Re: Тяжелый станок 500х400х200 по алюминию
пятый - сигнал для считывания.
Каждая собака, бегущая на поводке впереди хозяина, думает, что ведет его за собой.
- Serg
- Мастер
- Сообщения: 21923
- Зарегистрирован: 17 апр 2012, 14:58
- Репутация: 5183
- Заслуга: c781c134843e0c1a3de9
- Настоящее имя: Сергей
- Откуда: Москва
- Контактная информация:
Re: Тяжелый станок 500х400х200 по алюминию
Зачем? Сигнал для считывания - это наличие сигнала хотя-бы от одного и 4-х датчиков.
Я не Христос, рыбу не раздаю, но могу научить, как сделать удочку...
- Алексс
- Почётный участник

- Сообщения: 2210
- Зарегистрирован: 20 июл 2012, 15:49
- Репутация: 266
- Заслуга: IQ32
- Настоящее имя: Алексей
- Откуда: Прага
- Контактная информация:
Re: Тяжелый станок 500х400х200 по алюминию
тогда они должны быть очень точно установлены. так ?
Каждая собака, бегущая на поводке впереди хозяина, думает, что ведет его за собой.
-
nkp
- Мастер
- Сообщения: 8340
- Зарегистрирован: 28 ноя 2011, 00:25
- Репутация: 1589
- Контактная информация:
Re: Тяжелый станок 500х400х200 по алюминию
Скорость вращения сравнительно небольшая
можно просто "растянуть" время считывания в том же ладдере
и станет не критична разница во времени появления сигнала на датчиках
может я не о том...
можно просто "растянуть" время считывания в том же ладдере
и станет не критична разница во времени появления сигнала на датчиках
может я не о том...
- Serg
- Мастер
- Сообщения: 21923
- Зарегистрирован: 17 апр 2012, 14:58
- Репутация: 5183
- Заслуга: c781c134843e0c1a3de9
- Настоящее имя: Сергей
- Откуда: Москва
- Контактная информация:
Re: Тяжелый станок 500х400х200 по алюминию
Не забываем как работает сам механизм! Смена позиции инструмента длится Х секунд, при этом X/2 времени тратится на собственно вращение магазина, а X/2 времени отверстия находятся напротив датчиков (холостой ход кривошипа).
Я не Христос, рыбу не раздаю, но могу научить, как сделать удочку...
- Сергей Саныч
- Мастер
- Сообщения: 9116
- Зарегистрирован: 30 май 2012, 14:20
- Репутация: 2858
- Откуда: Тюмень
- Контактная информация:
Re: Тяжелый станок 500х400х200 по алюминию
А как мы узнаем, что кривошип не просто вышел из паза, но и фиксирующий сектор полностью вошел в зацепление с колесом, а не где-то на полпути?
Чудес не бывает. Бывают фокусы.
- Serg
- Мастер
- Сообщения: 21923
- Зарегистрирован: 17 апр 2012, 14:58
- Репутация: 5183
- Заслуга: c781c134843e0c1a3de9
- Настоящее имя: Сергей
- Откуда: Москва
- Контактная информация:
Re: Тяжелый станок 500х400х200 по алюминию
Датчики сработали - значит инструмент в правильной позиции. Полностью или не полностью фиксирующий сектор полностью вошел в зацепление с колесом нас волновать не должно - главное, что колесо зафиксировано.
Я не Христос, рыбу не раздаю, но могу научить, как сделать удочку...
-
nik1
- Мастер
- Сообщения: 8408
- Зарегистрирован: 02 окт 2012, 07:37
- Репутация: 3629
- Откуда: Красногорск
- Контактная информация:
Re: Тяжелый станок 500х400х200 по алюминию
Малость переделал запирающую часть, на фотке хорошо видно где.
Вот теперь колесо крутится довольно мягко, нет ударчика на стыке .
Вот теперь колесо крутится довольно мягко, нет ударчика на стыке .
-
nik1
- Мастер
- Сообщения: 8408
- Зарегистрирован: 02 окт 2012, 07:37
- Репутация: 3629
- Откуда: Красногорск
- Контактная информация:
Re: Тяжелый станок 500х400х200 по алюминию
http://www.thomas-zietz.de/prod_fs3mg_optionen.html#
Парни, собираюсь начать делать стол, примерно как у Немца
В принципе проблем не вижу, кроме как сделать съёмную ванну под стружку
Реально в домашних условиях сварить такое корыто ? железо там наверное не очень толстое.
Такое корыто наверное надо варить полуавтоматом?
Парни, собираюсь начать делать стол, примерно как у Немца
В принципе проблем не вижу, кроме как сделать съёмную ванну под стружку
Реально в домашних условиях сварить такое корыто ? железо там наверное не очень толстое.
Такое корыто наверное надо варить полуавтоматом?
-
nik1
- Мастер
- Сообщения: 8408
- Зарегистрирован: 02 окт 2012, 07:37
- Репутация: 3629
- Откуда: Красногорск
- Контактная информация:
Re: Тяжелый станок 500х400х200 по алюминию
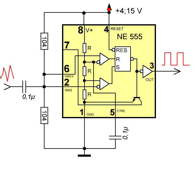
Потихой собираю материал для датчика
Корпус наверное будет дюраль или капролон, прозрачного материала нет.
В качестве триггера хочу поставить микруху 555, потому что она есть дома
В планарном виде нет , посему наверное будет снаружи.
И может на выход поставлю бипер, но это ещё под вопросом.
Корпус наверное будет дюраль или капролон, прозрачного материала нет.
В качестве триггера хочу поставить микруху 555, потому что она есть дома
В планарном виде нет , посему наверное будет снаружи.
И может на выход поставлю бипер, но это ещё под вопросом.
- tooshka
- Почётный участник

- Сообщения: 1803
- Зарегистрирован: 24 окт 2012, 14:26
- Репутация: 209
- Настоящее имя: Андрей
- Откуда: Нижний Новгород
- Контактная информация:
Re: Тяжелый станок 500х400х200 по алюминию
У меня на станках стальные штивты торчат в разных комбинациях и 4 индуктивных датчика.aftaev писал(а):Вариантов установки нужного инструмента куча. Например можно поставить абсолютный энкодер и по нему отслеживать позицию. Или взять самому сделать счетное устройство. Напротив каждого инструмента ставиться пластинка с отверстиями/прорезями + оптопары. 4 датчика = 16 инструмента. Отверстиями по бинарной задаем номер инструмента. Контроллер будет считывать номер инструмента и его точно позиционировать.
Милая, ты услышь меня
под окном стою со своим я ЧПУ! (Протяжно; с надрывом; форте)
Внимание!!! Чрезмерное увлечение ЧПУ приводит к проблемам в семейных отношениях!
под окном стою со своим я ЧПУ! (Протяжно; с надрывом; форте)
Внимание!!! Чрезмерное увлечение ЧПУ приводит к проблемам в семейных отношениях!
-
nik1
- Мастер
- Сообщения: 8408
- Зарегистрирован: 02 окт 2012, 07:37
- Репутация: 3629
- Откуда: Красногорск
- Контактная информация:
Re: Тяжелый станок 500х400х200 по алюминию
Приму к сведению и такой вариант.
Почти доделал датчик, ещё чуть тюнинга по железу и буду паять -ставить триггер.
По возврату щупа, пока есть дрейф в 0.01 сотку, но это на не преклеенной платке с шарами.
Настраивается на токарном просто, но есть проблемке. Надо проточить кулачки патрона, а то
есть биение при проворачивании .
Почти доделал датчик, ещё чуть тюнинга по железу и буду паять -ставить триггер.
По возврату щупа, пока есть дрейф в 0.01 сотку, но это на не преклеенной платке с шарами.
Настраивается на токарном просто, но есть проблемке. Надо проточить кулачки патрона, а то
есть биение при проворачивании .
