Покритикуйте схему детектора нуля

Аватара пользователя
AndyBig
Мастер
Сообщения: 3971
Зарегистрирован: 07 мар 2014, 04:01
Репутация: 1121
Откуда: юг России
Контактная информация:

Re: Покритикуйте схему детектора нуля

Сообщение AndyBig »

ScrewDriver писал(а):Вот тебе статья со схемой
Во, точно, на том сайте я ее и видел :)
Аватара пользователя
Сергей Саныч
Мастер
Сообщения: 9116
Зарегистрирован: 30 май 2012, 14:20
Репутация: 2858
Откуда: Тюмень
Контактная информация:

Re: Покритикуйте схему детектора нуля

Сообщение Сергей Саныч »

AndyBig писал(а):Для сварки аккумуляторов лентой
...обычно используется конденсаторная сварка.
Чудес не бывает. Бывают фокусы.
Аватара пользователя
AndyBig
Мастер
Сообщения: 3971
Зарегистрирован: 07 мар 2014, 04:01
Репутация: 1121
Откуда: юг России
Контактная информация:

Re: Покритикуйте схему детектора нуля

Сообщение AndyBig »

Но точечная слегка более универсальна :)
Аватара пользователя
raddd
Почётный участник
Почётный участник
Сообщения: 1564
Зарегистрирован: 10 фев 2015, 08:50
Репутация: 540
Настоящее имя: Alexey Rodionov
Откуда: Беларусь Минский р-н
Контактная информация:

Re: Покритикуйте схему детектора нуля

Сообщение raddd »

если хочешь регулировать по высокой стороне транса. там есть какие то грабли связаные с индуктивностью транса.
как то давно собирал сварочник (инвертора ооочень дорого и экзотично было) с стабилизацией тока дуги.
так вот собирал как раз с (широтно-фазной стабилизацией??? непомню)ю
там два операционника. первый из переменки транса, по нулю делает треугольник с нарастающим фронтом.
второй сравнивает напругу с шунта и треугольником на выходе 2 оптотиристора содеповских управляют тиристорами в выпрямительном мосту.(ОС это переменник установки тока. и там же кнопка выключения дуги ).
работало на ура! если кнопкой не рвать дугу то она тянется очень длинная!
транс- зарядное от погрузчика с отрезаной третьей парой обмоток вместе с железом. т.е переделан с 3х фас на 1ну-2е.
схемы не осталось а вот плата гдето есть.
визуально помню. погуглю мот найду.
||||||||||||
||||||||||||
Аватара пользователя
AndyBig
Мастер
Сообщения: 3971
Зарегистрирован: 07 мар 2014, 04:01
Репутация: 1121
Откуда: юг России
Контактная информация:

Re: Покритикуйте схему детектора нуля

Сообщение AndyBig »

Да там известная трабла индуктивной нагрузки - отставание фазы тока от фазы напряжения :) Это я в курсе :)
Аватара пользователя
AndyBig
Мастер
Сообщения: 3971
Зарегистрирован: 07 мар 2014, 04:01
Репутация: 1121
Откуда: юг России
Контактная информация:

Re: Покритикуйте схему детектора нуля

Сообщение AndyBig »

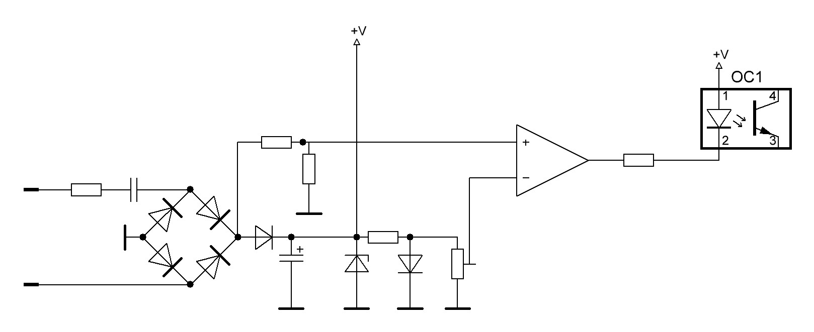
Все-таки решил последовать совету Lunatic и ввести гистерезис. Вот такая схема:
scheme_sim.png (10979 просмотров) <a class='original' href='./download/file.php?id=125617&mode=view' target=_blank>Загрузить оригинал (19.26 КБ)</a>
Отфрезеровал платку, собрал, полазил осциллографом.

Вот такое сравнение симулиции и реальных сигналов получилось (большое окно - симуляция, в нем в маленьком окне реальное измерение). Синим везде сигнал в точке X7, желтым сигналы в указанных точках.

Точка X3:
x7_x3_cmp.png (10979 просмотров) <a class='original' href='./download/file.php?id=125618&mode=view' target=_blank>Загрузить оригинал (15.1 КБ)</a>
Точка X6:
x7_x6_cmp.png (10979 просмотров) <a class='original' href='./download/file.php?id=125619&mode=view' target=_blank>Загрузить оригинал (15.93 КБ)</a>
Точка X6 увеличено по временной шкале:
x7_x6_s_cmp.png (10979 просмотров) <a class='original' href='./download/file.php?id=125620&mode=view' target=_blank>Загрузить оригинал (14.66 КБ)</a>
Выход оптопары Тут уже без симуляции):
x7x5.png
x7x5.png (6.79 КБ) 10979 просмотров
Выход оптопары увеличено по временной шкале:
x7x5_s.png
x7x5_s.png (6.37 КБ) 10979 просмотров
Сначала собирал без гистерезиса, все тоже работало согласно симуляторным ожиданиям, но решил перестраховаться :)
sas_75
Мастер
Сообщения: 463
Зарегистрирован: 10 мар 2015, 11:03
Репутация: 115
Настоящее имя: Сергей
Откуда: Владивосток
Контактная информация:

Re: Покритикуйте схему детектора нуля

Сообщение sas_75 »

Ну, гистерезис вводят несколько иначе, тогда можно было бы получить импульс на каждой полуволне.
Аватара пользователя
AndyBig
Мастер
Сообщения: 3971
Зарегистрирован: 07 мар 2014, 04:01
Репутация: 1121
Откуда: юг России
Контактная информация:

Re: Покритикуйте схему детектора нуля

Сообщение AndyBig »

sas_75 писал(а):гистерезис вводят несколько иначе, тогда можно было бы получить импульс на каждой полуволне
Как именно?
Lunatic
Мастер
Сообщения: 460
Зарегистрирован: 09 мар 2015, 20:25
Репутация: 75
Настоящее имя: Дмитрий
Контактная информация:

Re: Покритикуйте схему детектора нуля

Сообщение Lunatic »

А от того что напряжение на входе "-" операционника сильно больше его питания операционнику не поплохеет? Могу ошибаться, но по моему входное не должно превышать питающее напряжение?
Lunatic
Мастер
Сообщения: 460
Зарегистрирован: 09 мар 2015, 20:25
Репутация: 75
Настоящее имя: Дмитрий
Контактная информация:

Re: Покритикуйте схему детектора нуля

Сообщение Lunatic »

Lunatic писал(а):А от того что напряжение на входе "-" операционника сильно больше его питания операционнику не поплохеет? Могу ошибаться, но по моему входное не должно превышать питающее напряжение?
Глянул даташит, синфазное входное напряжение должно быть как минимум на 1,5 В ниже напряжения питания. Получается если только на одном входе напряжение превышает питание, это допустимо.
Аватара пользователя
AndyBig
Мастер
Сообщения: 3971
Зарегистрирован: 07 мар 2014, 04:01
Репутация: 1121
Откуда: юг России
Контактная информация:

Re: Покритикуйте схему детектора нуля

Сообщение AndyBig »

По даташиту допускается до 32 вольт вверх на одном или обоих входах, а вот вниз не более чем на 0.3 вольта ниже минусового питания :)
sas_75
Мастер
Сообщения: 463
Зарегистрирован: 10 мар 2015, 11:03
Репутация: 115
Настоящее имя: Сергей
Откуда: Владивосток
Контактная информация:

Re: Покритикуйте схему детектора нуля

Сообщение sas_75 »

AndyBig писал(а):
sas_75 писал(а):гистерезис вводят несколько иначе, тогда можно было бы получить импульс на каждой полуволне
Как именно?

В принципе можно без введения гистерезиса, вот так
Вложения
Схема.JPG (10931 просмотр) <a class='original' href='./download/file.php?id=125676&mode=view' target=_blank>Загрузить оригинал (48.08 КБ)</a>
sas_75
Мастер
Сообщения: 463
Зарегистрирован: 10 мар 2015, 11:03
Репутация: 115
Настоящее имя: Сергей
Откуда: Владивосток
Контактная информация:

Re: Покритикуйте схему детектора нуля

Сообщение sas_75 »

На выходе компаратора будет формироваться положительный импульс, длительность которого можно регулировать подстроечником.
sas_75
Мастер
Сообщения: 463
Зарегистрирован: 10 мар 2015, 11:03
Репутация: 115
Настоящее имя: Сергей
Откуда: Владивосток
Контактная информация:

Re: Покритикуйте схему детектора нуля

Сообщение sas_75 »

Можно отказаться от формирователя на транзисторе
Вложения
Схема 2.JPG (10927 просмотров) <a class='original' href='./download/file.php?id=125677&mode=view' target=_blank>Загрузить оригинал (60.16 КБ)</a>
Аватара пользователя
N1X
Мастер
Сообщения: 3653
Зарегистрирован: 16 фев 2015, 21:19
Репутация: 1646
Настоящее имя: Владимир
Откуда: Беларусь, Гомель
Контактная информация:

Re: Покритикуйте схему детектора нуля

Сообщение N1X »

Слишком сложно и непонятно для чего. Я так понимаю МК в устройстве один фиг будет. Тогда компаратор там не нужен - оптопары вполне достаточно, посмотри как сделано у человека в паяльной станции:
Ссылка на проект, чтобы было понятно откуда взято: http://www.leoniv.diod.club/projects/po ... xs-90.html
Вот схема: http://www.leoniv.diod.club/projects/po ... 90_v04.pdf
Вот нужный кусок:
Снимок.PNG (10909 просмотров) <a class='original' href='./download/file.php?id=125684&mode=view' target=_blank>Загрузить оригинал (76.9 КБ)</a>
Смысл в том, что при наличии МК не нужно ловить ноль, нужна просто синхра с сетью, а дальше делается просто один раз калибровка по фазе, запоминается в МК и учитывается при расчете угла зажигания тиристоров...
У автора оптопара двунаправленная, если нужно ловить переход только в одном направлении, то сканает и просто 817я и встречно 1N4148.
Просто и надежно...
Аватара пользователя
AndyBig
Мастер
Сообщения: 3971
Зарегистрирован: 07 мар 2014, 04:01
Репутация: 1121
Откуда: юг России
Контактная информация:

Re: Покритикуйте схему детектора нуля

Сообщение AndyBig »

sas_75 писал(а):В принципе можно без введения гистерезиса, вот так
Ну у меня изначально так и было - делитель на резисторах вместо подстроечника.
А вот брать вход после диодного моста, поставив после него диод по питанию я не догадался :) В этой схеме - да, можно отказаться от транзистора и конденсатора в его базе.
Сейчас посмотрю в эмуляции картинку по этой схеме :)
N1X писал(а):Слишком сложно и непонятно для чего. Я так понимаю МК в устройстве один фиг будет. Тогда компаратор там не нужен - оптопары вполне достаточно, посмотри как сделано у человека в паяльной станции:
Да, такая схема - самое простое решение, но оно мне не нравится. Во-первых, нужно рассеивать почти ватт тепла на резисторах, а во-вторых на выходе оптопары сигнал будет появляться с задержкой и эта задержка будет зависеть от напряжения в сети. Тогда как с операционником мощность, выделяемая гасящей цепью (R1+C1) меньше 15 милливатт и задержка не зависит от сетевого напряжения. У меня же не стоит задача сэкономить 10 долларов на партии 100 штук :)
Аватара пользователя
AndyBig
Мастер
Сообщения: 3971
Зарегистрирован: 07 мар 2014, 04:01
Репутация: 1121
Откуда: юг России
Контактная информация:

Re: Покритикуйте схему детектора нуля

Сообщение AndyBig »

sas_75 писал(а):без введения гистерезиса, вот так
Посмотрел в эмуляции, фаза после гасящего конденсатора запаздывает на 90 град, что-то я об этом забыл совсем :) И это запаздывание слегка гуляет в зависимости от сетевого напряжения, но гуляет несущественно. Наверное на этом и остановлюсь, спасибо за подсказку :) Только все же оставлю ПОС для гистерезиса.
Screenshot_8.png (10885 просмотров) <a class='original' href='./download/file.php?id=125691&mode=view' target=_blank>Загрузить оригинал (14.31 КБ)</a>
Screenshot_9.png
Screenshot_9.png (10.65 КБ) 10885 просмотров
Аватара пользователя
AndyBig
Мастер
Сообщения: 3971
Зарегистрирован: 07 мар 2014, 04:01
Репутация: 1121
Откуда: юг России
Контактная информация:

Re: Покритикуйте схему детектора нуля

Сообщение AndyBig »

Может кому будет интересно или даже пригодится на практике :)
Почитал умные книжки о контактной сварке, посидел с симулятором. Немного разобрался с фазовым регулированием индуктивной нагрузки (коей является и трансформатор).

Вот почему для коммутации такой нагрузки нельзя (точнее нежелательно) ставить в управление симистором оптрон с детектором нуля.
Далее будут графики эмуляции трансформатора с индуктивностью первичной обмотки 300 мГн.
Как известно, в индуктивной нагрузке ток отстает от напряжения на некий угол, который можно выразить и во временнЫх единицах:
phase_control_U_I.png (10855 просмотров) <a class='original' href='./download/file.php?id=125847&mode=view' target=_blank>Загрузить оригинал (25.24 КБ)</a>
В умных книжках пишут следующее:
phase_control_citate.png (10855 просмотров) <a class='original' href='./download/file.php?id=125848&mode=view' target=_blank>Загрузить оригинал (123.35 КБ)</a>
("Оборудование контактной сварки", Р. Ф. Катаев, В. С. Милютин, М. Г. Близник - довольно занимательная брошюрка для постижения основ)

И действительно, на симуляции хорошо это видно. Вот открытие симистора при переходе напряжения через ноль:
phase_control_U_I_0ms.png (10855 просмотров) <a class='original' href='./download/file.php?id=125850&mode=view' target=_blank>Загрузить оригинал (25.99 КБ)</a>
В первом полупериоде ток значительно скаканул. На вторичке трансформатора происходит то же самое - скачок тока в первом полупериоде.

А теперь открытие симистора с задержкой, равной отставанию фазы тока от напряжения:
phase_control_U_I_4ms.png (10855 просмотров) <a class='original' href='./download/file.php?id=125851&mode=view' target=_blank>Загрузить оригинал (25.23 КБ)</a>
Абсолютно ровный номинальный ток без провалов и скачков.

Ну и задержка побольше:
phase_control_U_I_6ms.png (10855 просмотров) <a class='original' href='./download/file.php?id=125852&mode=view' target=_blank>Загрузить оригинал (23.64 КБ)</a>
Тоже никаких скачков, а средний потребляемый (а значит и отдаваемый со вторички) уменьшен.

То есть для правильной регулировки тока в индуктивной нагрузке нужно открывать симисторы не раньше, чем через время отставания фазы тока после перехода напряжения через ноль, то есть отталкиваться от расчетного перехода тока через ноль.
Лично для меня это как-то не слишком интуитивно - какая фаза тока если ток не течет при закрытом симисторе :) Однако так оно работает :)
Аватара пользователя
mrKrivedko
Кандидат
Сообщения: 55
Зарегистрирован: 02 апр 2017, 13:00
Репутация: 11
Настоящее имя: Дима Сибиряк
Контактная информация:

Re: Покритикуйте схему детектора нуля

Сообщение mrKrivedko »

AndyBig писал(а):Может кому будет интересно или даже пригодится на практике
спасибо. информация очень даже интересная. пригодилась. поправил управление точечной сварке. )
Ответить

Вернуться в «Оффтоп»