Во, точно, на том сайте я ее и виделScrewDriver писал(а):Вот тебе статья со схемой
Покритикуйте схему детектора нуля
- AndyBig
- Мастер
- Сообщения: 3971
- Зарегистрирован: 07 мар 2014, 04:01
- Репутация: 1121
- Откуда: юг России
- Контактная информация:
Re: Покритикуйте схему детектора нуля
- Сергей Саныч
- Мастер
- Сообщения: 9116
- Зарегистрирован: 30 май 2012, 14:20
- Репутация: 2858
- Откуда: Тюмень
- Контактная информация:
Re: Покритикуйте схему детектора нуля
...обычно используется конденсаторная сварка.AndyBig писал(а):Для сварки аккумуляторов лентой
Чудес не бывает. Бывают фокусы.
- AndyBig
- Мастер
- Сообщения: 3971
- Зарегистрирован: 07 мар 2014, 04:01
- Репутация: 1121
- Откуда: юг России
- Контактная информация:
Re: Покритикуйте схему детектора нуля
Но точечная слегка более универсальна 
- raddd
- Почётный участник

- Сообщения: 1564
- Зарегистрирован: 10 фев 2015, 08:50
- Репутация: 540
- Настоящее имя: Alexey Rodionov
- Откуда: Беларусь Минский р-н
- Контактная информация:
Re: Покритикуйте схему детектора нуля
если хочешь регулировать по высокой стороне транса. там есть какие то грабли связаные с индуктивностью транса.
как то давно собирал сварочник (инвертора ооочень дорого и экзотично было) с стабилизацией тока дуги.
так вот собирал как раз с (широтно-фазной стабилизацией??? непомню)ю
там два операционника. первый из переменки транса, по нулю делает треугольник с нарастающим фронтом.
второй сравнивает напругу с шунта и треугольником на выходе 2 оптотиристора содеповских управляют тиристорами в выпрямительном мосту.(ОС это переменник установки тока. и там же кнопка выключения дуги ).
работало на ура! если кнопкой не рвать дугу то она тянется очень длинная!
транс- зарядное от погрузчика с отрезаной третьей парой обмоток вместе с железом. т.е переделан с 3х фас на 1ну-2е.
схемы не осталось а вот плата гдето есть.
визуально помню. погуглю мот найду.
как то давно собирал сварочник (инвертора ооочень дорого и экзотично было) с стабилизацией тока дуги.
так вот собирал как раз с (широтно-фазной стабилизацией??? непомню)ю
там два операционника. первый из переменки транса, по нулю делает треугольник с нарастающим фронтом.
второй сравнивает напругу с шунта и треугольником на выходе 2 оптотиристора содеповских управляют тиристорами в выпрямительном мосту.(ОС это переменник установки тока. и там же кнопка выключения дуги ).
работало на ура! если кнопкой не рвать дугу то она тянется очень длинная!
транс- зарядное от погрузчика с отрезаной третьей парой обмоток вместе с железом. т.е переделан с 3х фас на 1ну-2е.
схемы не осталось а вот плата гдето есть.
визуально помню. погуглю мот найду.
||||||||||||
||||||||||||
||||||||||||
- AndyBig
- Мастер
- Сообщения: 3971
- Зарегистрирован: 07 мар 2014, 04:01
- Репутация: 1121
- Откуда: юг России
- Контактная информация:
Re: Покритикуйте схему детектора нуля
Да там известная трабла индуктивной нагрузки - отставание фазы тока от фазы напряжения
Это я в курсе 
- AndyBig
- Мастер
- Сообщения: 3971
- Зарегистрирован: 07 мар 2014, 04:01
- Репутация: 1121
- Откуда: юг России
- Контактная информация:
Re: Покритикуйте схему детектора нуля
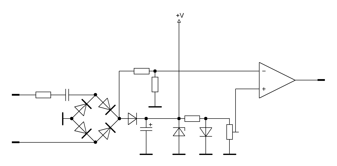
Все-таки решил последовать совету Lunatic и ввести гистерезис. Вот такая схема:
Отфрезеровал платку, собрал, полазил осциллографом.
Вот такое сравнение симулиции и реальных сигналов получилось (большое окно - симуляция, в нем в маленьком окне реальное измерение). Синим везде сигнал в точке X7, желтым сигналы в указанных точках.
Точка X3: Точка X6: Точка X6 увеличено по временной шкале: Выход оптопары Тут уже без симуляции): Выход оптопары увеличено по временной шкале: Сначала собирал без гистерезиса, все тоже работало согласно симуляторным ожиданиям, но решил перестраховаться
Вот такое сравнение симулиции и реальных сигналов получилось (большое окно - симуляция, в нем в маленьком окне реальное измерение). Синим везде сигнал в точке X7, желтым сигналы в указанных точках.
Точка X3: Точка X6: Точка X6 увеличено по временной шкале: Выход оптопары Тут уже без симуляции): Выход оптопары увеличено по временной шкале: Сначала собирал без гистерезиса, все тоже работало согласно симуляторным ожиданиям, но решил перестраховаться
-
sas_75
- Мастер
- Сообщения: 463
- Зарегистрирован: 10 мар 2015, 11:03
- Репутация: 115
- Настоящее имя: Сергей
- Откуда: Владивосток
- Контактная информация:
Re: Покритикуйте схему детектора нуля
Ну, гистерезис вводят несколько иначе, тогда можно было бы получить импульс на каждой полуволне.
- AndyBig
- Мастер
- Сообщения: 3971
- Зарегистрирован: 07 мар 2014, 04:01
- Репутация: 1121
- Откуда: юг России
- Контактная информация:
Re: Покритикуйте схему детектора нуля
Как именно?sas_75 писал(а):гистерезис вводят несколько иначе, тогда можно было бы получить импульс на каждой полуволне
-
Lunatic
- Мастер
- Сообщения: 460
- Зарегистрирован: 09 мар 2015, 20:25
- Репутация: 75
- Настоящее имя: Дмитрий
- Контактная информация:
Re: Покритикуйте схему детектора нуля
А от того что напряжение на входе "-" операционника сильно больше его питания операционнику не поплохеет? Могу ошибаться, но по моему входное не должно превышать питающее напряжение?
-
Lunatic
- Мастер
- Сообщения: 460
- Зарегистрирован: 09 мар 2015, 20:25
- Репутация: 75
- Настоящее имя: Дмитрий
- Контактная информация:
Re: Покритикуйте схему детектора нуля
Глянул даташит, синфазное входное напряжение должно быть как минимум на 1,5 В ниже напряжения питания. Получается если только на одном входе напряжение превышает питание, это допустимо.Lunatic писал(а):А от того что напряжение на входе "-" операционника сильно больше его питания операционнику не поплохеет? Могу ошибаться, но по моему входное не должно превышать питающее напряжение?
- AndyBig
- Мастер
- Сообщения: 3971
- Зарегистрирован: 07 мар 2014, 04:01
- Репутация: 1121
- Откуда: юг России
- Контактная информация:
Re: Покритикуйте схему детектора нуля
По даташиту допускается до 32 вольт вверх на одном или обоих входах, а вот вниз не более чем на 0.3 вольта ниже минусового питания 
-
sas_75
- Мастер
- Сообщения: 463
- Зарегистрирован: 10 мар 2015, 11:03
- Репутация: 115
- Настоящее имя: Сергей
- Откуда: Владивосток
- Контактная информация:
Re: Покритикуйте схему детектора нуля
AndyBig писал(а):Как именно?sas_75 писал(а):гистерезис вводят несколько иначе, тогда можно было бы получить импульс на каждой полуволне
В принципе можно без введения гистерезиса, вот так
-
sas_75
- Мастер
- Сообщения: 463
- Зарегистрирован: 10 мар 2015, 11:03
- Репутация: 115
- Настоящее имя: Сергей
- Откуда: Владивосток
- Контактная информация:
Re: Покритикуйте схему детектора нуля
На выходе компаратора будет формироваться положительный импульс, длительность которого можно регулировать подстроечником.
- N1X
- Мастер
- Сообщения: 3653
- Зарегистрирован: 16 фев 2015, 21:19
- Репутация: 1646
- Настоящее имя: Владимир
- Откуда: Беларусь, Гомель
- Контактная информация:
Re: Покритикуйте схему детектора нуля
Слишком сложно и непонятно для чего. Я так понимаю МК в устройстве один фиг будет. Тогда компаратор там не нужен - оптопары вполне достаточно, посмотри как сделано у человека в паяльной станции:
Ссылка на проект, чтобы было понятно откуда взято: http://www.leoniv.diod.club/projects/po ... xs-90.html
Вот схема: http://www.leoniv.diod.club/projects/po ... 90_v04.pdf
Вот нужный кусок: Смысл в том, что при наличии МК не нужно ловить ноль, нужна просто синхра с сетью, а дальше делается просто один раз калибровка по фазе, запоминается в МК и учитывается при расчете угла зажигания тиристоров...
У автора оптопара двунаправленная, если нужно ловить переход только в одном направлении, то сканает и просто 817я и встречно 1N4148.
Просто и надежно...
Ссылка на проект, чтобы было понятно откуда взято: http://www.leoniv.diod.club/projects/po ... xs-90.html
Вот схема: http://www.leoniv.diod.club/projects/po ... 90_v04.pdf
Вот нужный кусок: Смысл в том, что при наличии МК не нужно ловить ноль, нужна просто синхра с сетью, а дальше делается просто один раз калибровка по фазе, запоминается в МК и учитывается при расчете угла зажигания тиристоров...
У автора оптопара двунаправленная, если нужно ловить переход только в одном направлении, то сканает и просто 817я и встречно 1N4148.
Просто и надежно...
- AndyBig
- Мастер
- Сообщения: 3971
- Зарегистрирован: 07 мар 2014, 04:01
- Репутация: 1121
- Откуда: юг России
- Контактная информация:
Re: Покритикуйте схему детектора нуля
Ну у меня изначально так и было - делитель на резисторах вместо подстроечника.sas_75 писал(а):В принципе можно без введения гистерезиса, вот так
А вот брать вход после диодного моста, поставив после него диод по питанию я не догадался
Сейчас посмотрю в эмуляции картинку по этой схеме
Да, такая схема - самое простое решение, но оно мне не нравится. Во-первых, нужно рассеивать почти ватт тепла на резисторах, а во-вторых на выходе оптопары сигнал будет появляться с задержкой и эта задержка будет зависеть от напряжения в сети. Тогда как с операционником мощность, выделяемая гасящей цепью (R1+C1) меньше 15 милливатт и задержка не зависит от сетевого напряжения. У меня же не стоит задача сэкономить 10 долларов на партии 100 штукN1X писал(а):Слишком сложно и непонятно для чего. Я так понимаю МК в устройстве один фиг будет. Тогда компаратор там не нужен - оптопары вполне достаточно, посмотри как сделано у человека в паяльной станции:
- AndyBig
- Мастер
- Сообщения: 3971
- Зарегистрирован: 07 мар 2014, 04:01
- Репутация: 1121
- Откуда: юг России
- Контактная информация:
Re: Покритикуйте схему детектора нуля
Посмотрел в эмуляции, фаза после гасящего конденсатора запаздывает на 90 град, что-то я об этом забыл совсемsas_75 писал(а):без введения гистерезиса, вот так
- AndyBig
- Мастер
- Сообщения: 3971
- Зарегистрирован: 07 мар 2014, 04:01
- Репутация: 1121
- Откуда: юг России
- Контактная информация:
Re: Покритикуйте схему детектора нуля
Может кому будет интересно или даже пригодится на практике 
Почитал умные книжки о контактной сварке, посидел с симулятором. Немного разобрался с фазовым регулированием индуктивной нагрузки (коей является и трансформатор).
Вот почему для коммутации такой нагрузки нельзя (точнее нежелательно) ставить в управление симистором оптрон с детектором нуля.
Далее будут графики эмуляции трансформатора с индуктивностью первичной обмотки 300 мГн.
Как известно, в индуктивной нагрузке ток отстает от напряжения на некий угол, который можно выразить и во временнЫх единицах: В умных книжках пишут следующее: ("Оборудование контактной сварки", Р. Ф. Катаев, В. С. Милютин, М. Г. Близник - довольно занимательная брошюрка для постижения основ)
И действительно, на симуляции хорошо это видно. Вот открытие симистора при переходе напряжения через ноль: В первом полупериоде ток значительно скаканул. На вторичке трансформатора происходит то же самое - скачок тока в первом полупериоде.
А теперь открытие симистора с задержкой, равной отставанию фазы тока от напряжения: Абсолютно ровный номинальный ток без провалов и скачков.
Ну и задержка побольше: Тоже никаких скачков, а средний потребляемый (а значит и отдаваемый со вторички) уменьшен.
То есть для правильной регулировки тока в индуктивной нагрузке нужно открывать симисторы не раньше, чем через время отставания фазы тока после перехода напряжения через ноль, то есть отталкиваться от расчетного перехода тока через ноль.
Лично для меня это как-то не слишком интуитивно - какая фаза тока если ток не течет при закрытом симисторе
Однако так оно работает 
Почитал умные книжки о контактной сварке, посидел с симулятором. Немного разобрался с фазовым регулированием индуктивной нагрузки (коей является и трансформатор).
Вот почему для коммутации такой нагрузки нельзя (точнее нежелательно) ставить в управление симистором оптрон с детектором нуля.
Далее будут графики эмуляции трансформатора с индуктивностью первичной обмотки 300 мГн.
Как известно, в индуктивной нагрузке ток отстает от напряжения на некий угол, который можно выразить и во временнЫх единицах: В умных книжках пишут следующее: ("Оборудование контактной сварки", Р. Ф. Катаев, В. С. Милютин, М. Г. Близник - довольно занимательная брошюрка для постижения основ)
И действительно, на симуляции хорошо это видно. Вот открытие симистора при переходе напряжения через ноль: В первом полупериоде ток значительно скаканул. На вторичке трансформатора происходит то же самое - скачок тока в первом полупериоде.
А теперь открытие симистора с задержкой, равной отставанию фазы тока от напряжения: Абсолютно ровный номинальный ток без провалов и скачков.
Ну и задержка побольше: Тоже никаких скачков, а средний потребляемый (а значит и отдаваемый со вторички) уменьшен.
То есть для правильной регулировки тока в индуктивной нагрузке нужно открывать симисторы не раньше, чем через время отставания фазы тока после перехода напряжения через ноль, то есть отталкиваться от расчетного перехода тока через ноль.
Лично для меня это как-то не слишком интуитивно - какая фаза тока если ток не течет при закрытом симисторе
- mrKrivedko
- Кандидат
- Сообщения: 55
- Зарегистрирован: 02 апр 2017, 13:00
- Репутация: 11
- Настоящее имя: Дима Сибиряк
- Контактная информация:
Re: Покритикуйте схему детектора нуля
спасибо. информация очень даже интересная. пригодилась. поправил управление точечной сварке. )AndyBig писал(а):Может кому будет интересно или даже пригодится на практике