Покритикуйте схему детектора нуля

Аватара пользователя
AndyBig
Мастер
Сообщения: 3971
Зарегистрирован: 07 мар 2014, 04:01
Репутация: 1121
Откуда: юг России
Контактная информация:

Покритикуйте схему детектора нуля

Сообщение AndyBig »

Знаю, на форуме есть электронщики. Сам я в силовой, да и вообще аналоговой, схемотехнике не силен :)
Вот накидал схему детекции нуля сетевого напряжения. В симуляции все работает замечательно, но может я не вижу каких-то подводных камней?
Схема:
Screenshot_74.jpg (8190 просмотров) <a class='original' href='./download/file.php?id=125452&mode=view' target=_blank>Загрузить оригинал (68.63 КБ)</a>
Результат симуляции:
Screenshot_73.jpg (8190 просмотров) <a class='original' href='./download/file.php?id=125451&mode=view' target=_blank>Загрузить оригинал (173.01 КБ)</a>
синим - сетевое напряжение, фиолетовым - напряжение на выходе оптопары.
Вложения
Screenshot_8.jpg (8190 просмотров) <a class='original' href='./download/file.php?id=125449&mode=view' target=_blank>Загрузить оригинал (73.5 КБ)</a>
Последний раз редактировалось AndyBig 27 ноя 2017, 14:57, всего редактировалось 1 раз.
Lunatic
Мастер
Сообщения: 458
Зарегистрирован: 09 мар 2015, 20:25
Репутация: 75
Настоящее имя: Дмитрий
Контактная информация:

Re: Покритикуйте схему детектора нуля

Сообщение Lunatic »

Если не секрет, для чего?
Ноль при возрастании сетевого напряжения ловить не надо?
Lunatic
Мастер
Сообщения: 458
Зарегистрирован: 09 мар 2015, 20:25
Репутация: 75
Настоящее имя: Дмитрий
Контактная информация:

Re: Покритикуйте схему детектора нуля

Сообщение Lunatic »

Положительной обратной связи не хватает - резистора с выхода операционника на вход+. Как рассчитывается уже не помню, можно нагуглить . Для задания гистерезиса - зоны нечуствительности и соответствено для отсеивания вероятных помех. Все таки реальное сетевое напряжение может оказаться не таким идеальным, как в эмуляторе.
Аватара пользователя
Serg
Мастер
Сообщения: 21923
Зарегистрирован: 17 апр 2012, 14:58
Репутация: 5183
Заслуга: c781c134843e0c1a3de9
Настоящее имя: Сергей
Откуда: Москва
Контактная информация:

Re: Покритикуйте схему детектора нуля

Сообщение Serg »

Да и диоды D1, D2, D4 лишние. :)
Я не Христос, рыбу не раздаю, но могу научить, как сделать удочку...
Аватара пользователя
AndyBig
Мастер
Сообщения: 3971
Зарегистрирован: 07 мар 2014, 04:01
Репутация: 1121
Откуда: юг России
Контактная информация:

Re: Покритикуйте схему детектора нуля

Сообщение AndyBig »

Lunatic писал(а):Если не секрет, для чего?
Ноль при возрастании сетевого напряжения ловить не надо?
Хочу контактную сварку соорудить из трансформатора микроволновки :))
Нет, достаточно ловить начало хотя бы одного полупериода.
Lunatic писал(а):Положительной обратной связи не хватает - резистора с выхода операционника на вход+. Как рассчитывается уже не помню, можно нагуглить . Для задания гистерезиса - зоны нечуствительности и соответствено для отсеивания вероятных помех. Все таки реальное сетевое напряжение может оказаться не таким идеальным, как в эмуляторе.
Ну, тут есть некоторый порог срабатывания компаратора на ОУ, он задается делителем на положительном входе.
UAVpilot писал(а):Да и диоды D1, D2, D4 лишние.
Черт, смотрел на первую схему и не мог понять логику :)) Уберу-ка я ее из сообщения, чтобы не путаться в позиционных обозначениях.
Нет, диодный мост не лишний, без него питание не выходит на номинальное напряжение :)
Аватара пользователя
verser
Мастер
Сообщения: 1903
Зарегистрирован: 21 июл 2013, 22:28
Репутация: 1282
Настоящее имя: Сергей
Откуда: Тбилиси
Контактная информация:

Re: Покритикуйте схему детектора нуля

Сообщение verser »

Ещё есть вот такая проверенная энерго- и затратно- эффективная схема детектора нуля
zerocross.gif
zerocross.gif (7.85 КБ) 8146 просмотров
Описание.
Аватара пользователя
Serg
Мастер
Сообщения: 21923
Зарегистрирован: 17 апр 2012, 14:58
Репутация: 5183
Заслуга: c781c134843e0c1a3de9
Настоящее имя: Сергей
Откуда: Москва
Контактная информация:

Re: Покритикуйте схему детектора нуля

Сообщение Serg »

AndyBig писал(а):Нет, диодный мост не лишний, без него питание не выходит на номинальное напряжение :)
Чёт сомнительно. В крайнем случае ёмкость C2 увеличить вдвое. :)
Я не Христос, рыбу не раздаю, но могу научить, как сделать удочку...
Аватара пользователя
AndyBig
Мастер
Сообщения: 3971
Зарегистрирован: 07 мар 2014, 04:01
Репутация: 1121
Откуда: юг России
Контактная информация:

Re: Покритикуйте схему детектора нуля

Сообщение AndyBig »

Не, там как минимум D1 и D3 должны оставаться. Так что экономия не сильно большая выходит :)
verser писал(а):Ещё есть вот такая проверенная энерго- и затратно- эффективная схема детектора нуля
Да, видел ее, но чем-то не понравилась. Попробую сейчас ее просимулировать :)
Аватара пользователя
Сергей Саныч
Мастер
Сообщения: 9116
Зарегистрирован: 30 май 2012, 14:20
Репутация: 2858
Откуда: Тюмень
Контактная информация:

Re: Покритикуйте схему детектора нуля

Сообщение Сергей Саныч »

UAVpilot писал(а):диоды D1, D2, D4 лишние
D1 не лишний. Без него ток через С1 не пойдет.
Чудес не бывает. Бывают фокусы.
Аватара пользователя
AndyBig
Мастер
Сообщения: 3971
Зарегистрирован: 07 мар 2014, 04:01
Репутация: 1121
Откуда: юг России
Контактная информация:

Re: Покритикуйте схему детектора нуля

Сообщение AndyBig »

Просимулировал схему verser, вспомнил почему не остановился на ней :)
Screenshot_75.jpg (8102 просмотра) <a class='original' href='./download/file.php?id=125455&mode=view' target=_blank>Загрузить оригинал (155.26 КБ)</a>
Задержки между нулем напряжения и током светодиода и имульсы тока на светодиод какие-то некрасивые по форме :D
По энергоэффективности эта схема примерно равна моему варианту.
Lunatic
Мастер
Сообщения: 458
Зарегистрирован: 09 мар 2015, 20:25
Репутация: 75
Настоящее имя: Дмитрий
Контактная информация:

Re: Покритикуйте схему детектора нуля

Сообщение Lunatic »

AndyBig писал(а): Ну, тут есть некоторый порог срабатывания компаратора на ОУ, он задается делителем на положительном входе.
Резистор в положительной обратной связи задает не порог срабатывания, а зону обратного не-срабатывания. При наличии резистора уровни положительного срабатывания компаратора и отрицательного будут разные и компаратор не будет реагировать на небольшой всплеск .
Duhas
Мастер
Сообщения: 1961
Зарегистрирован: 10 окт 2015, 23:25
Репутация: 285
Настоящее имя: Андрей
Откуда: Красноярск
Контактная информация:

Re: Покритикуйте схему детектора нуля

Сообщение Duhas »

ну не знаю, я когда ваял диммер сделал так - http://cxem.net/arduino/arduino71.php первая картинка
Аватара пользователя
AndyBig
Мастер
Сообщения: 3971
Зарегистрирован: 07 мар 2014, 04:01
Репутация: 1121
Откуда: юг России
Контактная информация:

Re: Покритикуйте схему детектора нуля

Сообщение AndyBig »

Lunatic писал(а):Резистор в положительной обратной связи задает не порог срабатывания, а зону обратного не-срабатывания. При наличии резистора уровни положительного срабатывания компаратора и отрицательного будут разные и компаратор не будет реагировать на небольшой всплеск .
Да, я знаю что такое гистерезис :) Я имею в виду, что ОУ переключаться будет не при нуле, где напряжение может колебаться, а уже на подъеме синусоиды, где шансов на это гораздо меньше. Плюс еще небольшую защиту от импульсных помех дает конденсатор в базе транзистора, да и у оптопары частота не бесконечна :)
Duhas писал(а):я когда ваял диммер сделал так
Там и двумя диодами можно обойтись вместо диодного моста, но от обогрева схемы резисторами я отказался сразу :)
Аватара пользователя
R6MF49T2
Мастер
Сообщения: 235
Зарегистрирован: 14 июл 2016, 17:18
Репутация: 32
Откуда: Великий Новгород/Санкт-Петербург
Контактная информация:

Re: Покритикуйте схему детектора нуля

Сообщение R6MF49T2 »

AndyBig писал(а): Хочу контактную сварку соорудить из трансформатора микроволновки :))
Только как можно осторожнее, мощности большие, для летального исхода хватит стать проводником на доли секунды. Это не с умножителями баловаться.
Аватара пользователя
raddd
Почётный участник
Почётный участник
Сообщения: 1564
Зарегистрирован: 10 фев 2015, 08:50
Репутация: 540
Настоящее имя: Alexey Rodionov
Откуда: Беларусь Минский р-н
Контактная информация:

Re: Покритикуйте схему детектора нуля

Сообщение raddd »

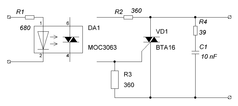
http://radio-hobby.org/uploads/datashee ... oc3030.pdf
или MOC306X..
оптосемистор с включением при переходе через ноль.
к нему Bta41-600 и готовая твердотелка.
||||||||||||
||||||||||||
Аватара пользователя
raddd
Почётный участник
Почётный участник
Сообщения: 1564
Зарегистрирован: 10 фев 2015, 08:50
Репутация: 540
Настоящее имя: Alexey Rodionov
Откуда: Беларусь Минский р-н
Контактная информация:

Re: Покритикуйте схему детектора нуля

Сообщение raddd »

типа так
post-86494-0-78772900-1327668690.gif
post-86494-0-78772900-1327668690.gif (6.49 КБ) 8045 просмотров
||||||||||||
||||||||||||
Аватара пользователя
AndyBig
Мастер
Сообщения: 3971
Зарегистрирован: 07 мар 2014, 04:01
Репутация: 1121
Откуда: юг России
Контактная информация:

Re: Покритикуйте схему детектора нуля

Сообщение AndyBig »

R6MF49T2 писал(а):Только как можно осторожнее, мощности большие, для летального исхода хватит стать проводником на доли секунды. Это не с умножителями баловаться.
Обычные 220 переменки :) Во вторичной цепи там мощности хоть и большие, но напряжение мизерное, единицы вольта :)
raddd писал(а):оптосемистор с включением при переходе через ноль.
Нет, коммутировать включение трансформатора точечной сварки таким оптосимистором как раз не канает, там включение будет с разным смещением от перехода напряжения через ноль для точного задания времени импульса. А оптосимистор с детектором нуля позволит регулировать длительность импульса только с дискретностью 10 мс.
Аватара пользователя
Сергей Саныч
Мастер
Сообщения: 9116
Зарегистрирован: 30 май 2012, 14:20
Репутация: 2858
Откуда: Тюмень
Контактная информация:

Re: Покритикуйте схему детектора нуля

Сообщение Сергей Саныч »

AndyBig писал(а):коммутировать включение трансформатора точечной сварки таким оптосимистором как раз не канает, там включение будет с разным смещением от перехода напряжения через ноль для точного задания времени импульса. А оптосимистор с детектором нуля позволит регулировать длительность импульса только с дискретностью 10 мс.
А куда точнее-то для сварки?
Чудес не бывает. Бывают фокусы.
Аватара пользователя
AndyBig
Мастер
Сообщения: 3971
Зарегистрирован: 07 мар 2014, 04:01
Репутация: 1121
Откуда: юг России
Контактная информация:

Re: Покритикуйте схему детектора нуля

Сообщение AndyBig »

Для сварки аккумуляторов лентой шаг в 10 мс может быть великоватым, особенно для предварительного, прогревочного импульса. Ну и плюс хочу иметь возможность плавно (относительно) наращивать ток
Аватара пользователя
ScrewDriver
Мастер
Сообщения: 1942
Зарегистрирован: 06 сен 2016, 01:44
Репутация: 498
Настоящее имя: Василий
Откуда: Москва
Контактная информация:

Re: Покритикуйте схему детектора нуля

Сообщение ScrewDriver »

Вот тебе статья со схемой, схема та же, что и у Verser.
Проверена живьем не однократно.
http://www.radiolocman.com/shem/schemat ... ?di=125698
Промышленная автоматика, ПЛК, приводы, SCADA системы
Мой Ютуб канал.
Ответить

Вернуться в «Оффтоп»