не могу запустить схемуHQ860MA с DB25 и ШД Nema 34
не могу запустить схемуHQ860MA с DB25 и ШД Nema 34
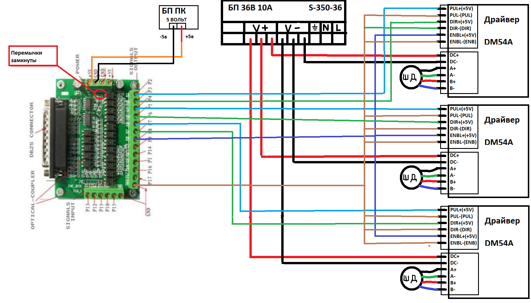
Добрый день друзья))Помогите ,не могу запустить схему ,собрал уже несколько схем на выходе нуль((Даю ссылку: эта схема собрана по другой схеме)Вот ещё одна схема которую прислали Китайцы))
- Вложения
-
- wantai wiring.pdf
- (8.97 КБ) 1157 скачиваний
Последний раз редактировалось Игорь 15 июн 2013, 14:02, всего редактировалось 3 раза.
-
Bombus
- Новичок
- Сообщения: 19
- Зарегистрирован: 14 июн 2013, 23:43
- Репутация: 0
- Контактная информация:
Re: не могу запустить схемуHQ860MA с DB25 и ШД Nema 34
Вроде как надо объединить минус от бп на 5 вольт и бп для моторов.
А извиняюсь не заметил((
А извиняюсь не заметил((
- vovafed
- Мастер
- Сообщения: 1822
- Зарегистрирован: 08 фев 2013, 16:19
- Репутация: 325
- Настоящее имя: Владимир
- Откуда: башкортостан
- Контактная информация:
Re: не могу запустить схемуHQ860MA с DB25 и ШД Nema 34
последняя должна быть рабочейИгорь писал(а):эта схема собрана по другой схеме)Вот ещё одна схема которую прислали Китайцы))
драйвера стоят на удержании когда подключаете?
лучше енабле раскидать на разные пины вон их сколько свободных
в драйверах опто развязка стоит входное сопротивление низкое достаточно а тут еще паралельно сразу три драйвера
Re: не могу запустить схемуHQ860MA с DB25 и ШД Nema 34
Спасибо!Вот я начал тщательно прочитывать настройку программы))оказывается при тестировании драйвера он не увидел его((его просто нет))вот ещё раз папробую переустановить и протестировать драйвер на оценку импульса))
Re: не могу запустить схемуHQ860MA с DB25 и ШД Nema 34
Ущё раз вы не подскажете как можно подсоединить обычный разьём LPTк материнке где только USB разьёмы??Спасибо))
Последний раз редактировалось Игорь 16 июн 2013, 16:37, всего редактировалось 1 раз.
- tooshka
- Почётный участник

- Сообщения: 1803
- Зарегистрирован: 24 окт 2012, 14:26
- Репутация: 209
- Настоящее имя: Андрей
- Откуда: Нижний Новгород
- Контактная информация:
Re: не могу запустить схемуHQ860MA с DB25 и ШД Nema 34
А что такое "обычный разьем" ?)))Игорь писал(а):подсоединить обычный разьём
Милая, ты услышь меня
под окном стою со своим я ЧПУ! (Протяжно; с надрывом; форте)
Внимание!!! Чрезмерное увлечение ЧПУ приводит к проблемам в семейных отношениях!
под окном стою со своим я ЧПУ! (Протяжно; с надрывом; форте)
Внимание!!! Чрезмерное увлечение ЧПУ приводит к проблемам в семейных отношениях!
Re: не могу запустить схемуHQ860MA с DB25 и ШД Nema 34
Разьём LPT)))
- tooshka
- Почётный участник

- Сообщения: 1803
- Зарегистрирован: 24 окт 2012, 14:26
- Репутация: 209
- Настоящее имя: Андрей
- Откуда: Нижний Новгород
- Контактная информация:
Re: не могу запустить схемуHQ860MA с DB25 и ШД Nema 34
Воткнуть карту PCI 2xLPTИгорь писал(а):Разьём LPT)))
Милая, ты услышь меня
под окном стою со своим я ЧПУ! (Протяжно; с надрывом; форте)
Внимание!!! Чрезмерное увлечение ЧПУ приводит к проблемам в семейных отношениях!
под окном стою со своим я ЧПУ! (Протяжно; с надрывом; форте)
Внимание!!! Чрезмерное увлечение ЧПУ приводит к проблемам в семейных отношениях!
- michael-yurov
- Почётный участник

- Сообщения: 11730
- Зарегистрирован: 26 июл 2012, 00:10
- Репутация: 4703
- Настоящее имя: Михаил Львович
- Откуда: Новоуральск
- Контактная информация:
Re: не могу запустить схемуHQ860MA с DB25 и ШД Nema 34
Что-то мне не нравится розовый провод от разъема VDD платы.
Он случай но не на плюс питания драйверов уходит?
Питание драйверов и остальную схему никак нельзя связывать, а то погорит все вместе с компьютером.
У интерфейсной платы есть 2 цепи питания - одна для входной части, другая, для выходной.
Перемычки соединяют их вместе.
Он случай но не на плюс питания драйверов уходит?
Питание драйверов и остальную схему никак нельзя связывать, а то погорит все вместе с компьютером.
У интерфейсной платы есть 2 цепи питания - одна для входной части, другая, для выходной.
Перемычки соединяют их вместе.
Re: не могу запустить схемуHQ860MA с DB25 и ШД Nema 34
Да ,чёрный и красный с блока питания, 5Вол.а второй с платы с разьёма VDD идёт на все плюсовыё Dir/PUL/Tnbl кроме VDC там своё питани 60 вольт!
- michael-yurov
- Почётный участник

- Сообщения: 11730
- Зарегистрирован: 26 июл 2012, 00:10
- Репутация: 4703
- Настоящее имя: Михаил Львович
- Откуда: Новоуральск
- Контактная информация:
Re: не могу запустить схемуHQ860MA с DB25 и ШД Nema 34
Ну, если так, то наверное, нормально все.Игорь писал(а):Да ,чёрный и красный с блока питания, 5Вол.а второй с платы с разьёма VDD идёт на все плюсовыё Dir/PUL/Tnbl кроме VDC там своё питани 60 вольт!
Можно попробовать не плюс общий сделать, а землю. Может заработает?
Re: не могу запустить схемуHQ860MA с DB25 и ШД Nema 34
Спасибо папробую на выходных нужно для системы жеских подобрать и отпишусь))michael-yurov писал(а):Ну, если так, то наверное, нормально все.Можно попробовать не плюс общий сделать, а землю. Может заработает?
Re: не могу запустить схемуHQ860MA с DB25 и ШД Nema 34
Спасибо ребята))Всё запустил!!Движки отрабатывают))Теперь осталось купить уголки ,ролики и всё для механики)) огромное спасибо ))
- michael-yurov
- Почётный участник

- Сообщения: 11730
- Зарегистрирован: 26 июл 2012, 00:10
- Репутация: 4703
- Настоящее имя: Михаил Львович
- Откуда: Новоуральск
- Контактная информация:
Re: не могу запустить схемуHQ860MA с DB25 и ШД Nema 34
Стой, стой, стой!Игорь писал(а):Спасибо ребята))Всё запустил!!Движки отрабатывают))
Чего сделал то? Что не так было?
А то плохой конец у сказки получается!
-
Dak
- Кандидат
- Сообщения: 87
- Зарегистрирован: 18 сен 2014, 19:43
- Репутация: 1
- Настоящее имя: Dak
- Контактная информация:
Re: не могу запустить схемуHQ860MA с DB25 и ШД Nema 34
вот а человек сейчас мучаеться с такой же проблеммой!!!и незнает как ее решить(
-
Dr.Freeman
- Новичок
- Сообщения: 1
- Зарегистрирован: 11 окт 2017, 19:23
- Репутация: 0
- Настоящее имя: Пётр
- Контактная информация:
Re: не могу запустить схемуHQ860MA с DB25 и ШД Nema 34
Ааааа. Купил такой же набор. Информации мало очень по подключению..