Брутальность конструкции поражает воображение - "неужели это все для того, чтоб возить пером по бумаге
Рама сварная из стали около 7 мм толщиной
Трубчатые направляющие тоже ничего себе.
Вертикальная жесткость - "на отлично"
Некоторый люфт есть при попытке перекоса портала, но возможно нужно протянуть крепления перекладин к кареткам
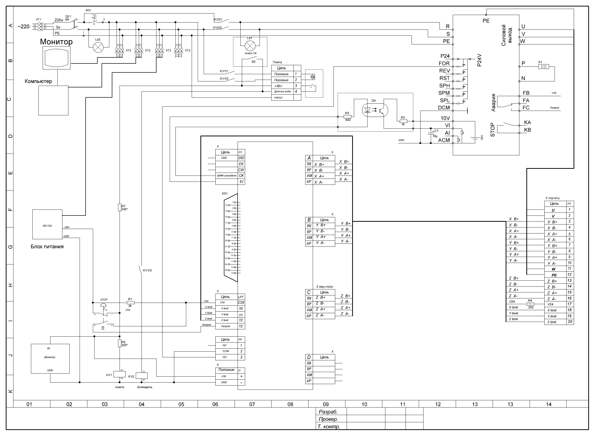
бонусом шли 2 движка с редукторами и плата-драйвер. 3 канала, LPT
перемещения ограничены длиной зубчатых реек 800х500 мм
Есть желание сделать фрезерный по дереву...


