Отчаянный Вы товарищ! С такими познаниями хотите подружиться с электроникой?Dimager писал(а):Отсюда два провода к 220 в розетку, я правильно понял?
А по выводам, то да! к ним.

Отчаянный Вы товарищ! С такими познаниями хотите подружиться с электроникой?Dimager писал(а):Отсюда два провода к 220 в розетку, я правильно понял?

Спасибо, главное ярое желание есть.shalek писал(а):Отчаянный Вы товарищ! С такими познаниями хотите подружиться с электроникой?


Согласен, смешно))) а от блока к контроллеру так?aftaev писал(а):а ты про простой БП

Уважаемый! Вы нам сразу все покажите, а то не в терпеж. Некоторые вроде меня пошагово не понимают. Давай уж сразу все.Dimager писал(а):Согласен, смешно))) а от блока к контроллеру так?

будет новогодний салютDimager писал(а):Согласен, смешно))) а от блока к контроллеру так?

А как сделать, чтоб без салютов?)aftaev писал(а):будет новогодний салют

То куды CN0 ты собрался сунуть + 24в это выход питания +5в для питания экрана. А питание на контроллер подается CN1Dimager писал(а):А как без салютов?)

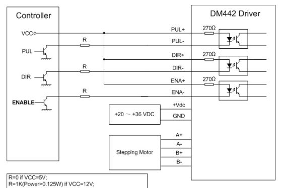
Разницы нет.Dimager писал(а):В чем принципиальная разница этих схем и какую выбрать?



Крутиться не будет. ENA вообще подключать не нужно. Те проводки обозначенные ? подключать не надо вообщеDimager писал(а):Так получается?
Можно подключить двумя разными способами.Dimager писал(а):Так получается?

там I/O в притык на определеный лазерный гравер рассчитан (3,4 оси) и особо не на конфигурируешьсяUAVpilot писал(а):либо (лучше) соединить паралельно и на какой-нибудь свободный OutN, соотв. образом его настроив.
