Laser Galvo Head XY+Z помогите с настройкой EMC2

Обсуждение установки, настройки и использования LinuxCNC. Вопросы по Gкоду.
LarsGT
Новичок
Сообщения: 30
Зарегистрирован: 10 сен 2014, 15:23
Репутация: 0
Контактная информация:

Laser Galvo Head XY+Z помогите с настройкой EMC2

Сообщение LarsGT »

Приветствую!
Долго читал форум, наконец-то дошел до практики, и появились вопросы.
Строю вот такую отклоняющую систему:
http://www.youtube.com/watch?v=gK14SaaYMoc
Управляется по LPT (драйвер лазера LM317 - pin9, драйвер моторов L298 управляется тремя пинами на канал, два направления и Enable), крутых магнитных энкодеров не нашел, прикрутил от оптических мышей :roll: может быть получится, посчитал редукторы, в теории получается чуть более 2000 точек на 30градусов отклонения зеркал.

Все спаял, осталось EMC2 настроить... С linux дело имел оочень мало..
Есть, от Автора сего девайса, файл кинематики и папка проекта из его linuxcnc.
Начал настройку, первым делом включил lapic, а то даже тест не запускался - GRUB_CMDLINE_LINUX_DEFAULT="quiet splash lapic". Тест сказал, что Servo thread (1.0ms): Max interval - 997914(ns), Max Jitter - 5074(ns) и Base thread (25.0µ): Max interval - 33628(ns), Max Jitter - 8807(ns)
Потом установил кинематику - sudo apt-get install linuxcnc-dev
sudo comp --install galvo9kins.c

И вот думаю теперь, как же менять параметры, нету stepconf. Если просто запускаю, то сразу ошибки не читает ось Z. И непонятное происходит.
Кто может подсказать/помочь, как правильно запустить у себя на ПК, эти файлы?
Аватара пользователя
Serg
Мастер
Сообщения: 21923
Зарегистрирован: 17 апр 2012, 14:58
Репутация: 5183
Заслуга: c781c134843e0c1a3de9
Настоящее имя: Сергей
Откуда: Москва
Контактная информация:

Re: Laser Galvo Head XY+Z помогите с настройкой EMC2

Сообщение Serg »

LarsGT писал(а):Если просто запускаю, то сразу ошибки не читает ось Z. И непонятное происходит.
А уж нам-то и тем более непонятно что у вас там происходит - ведь мы даже е видим, что за ошибки у вас, да и как всё настроено совсем непонятно.
Я не Христос, рыбу не раздаю, но могу научить, как сделать удочку...
LarsGT
Новичок
Сообщения: 30
Зарегистрирован: 10 сен 2014, 15:23
Репутация: 0
Контактная информация:

Re: Laser Galvo Head XY+Z помогите с настройкой EMC2

Сообщение LarsGT »

У меня есть файл кинематики и папка с файлами hal, xml, ini
1. Кинематику запустил sudo comp --install galvo9kins.c
2. Папку с файлами положил в свою папку/linuxcnc/configs
Запускаю LinuxCNC, запускаю все это дело, открывается окно, вверху пишет - нет файла, и окошко с ошибкой - "Ошибка G-кода на axis.ngc, Около строки 10 в /usr/share/axis/images/axis.ngc: Bad character 'z' used".
Строка 9, где начинается код Z оси: G0 Z3.0
Дальше не идет (
Аватара пользователя
Serg
Мастер
Сообщения: 21923
Зарегистрирован: 17 апр 2012, 14:58
Репутация: 5183
Заслуга: c781c134843e0c1a3de9
Настоящее имя: Сергей
Откуда: Москва
Контактная информация:

Re: Laser Galvo Head XY+Z помогите с настройкой EMC2

Сообщение Serg »

LarsGT писал(а):У меня есть файл кинематики и папка с файлами hal, xml, ini
Рад за вас, у нас этих файлов нет, поэтому можем только догадываться что у вас там происходит. :wik:
LarsGT писал(а):Ошибка G-кода на axis.ngc, Около строки 10 в /usr/share/axis/images/axis.ngc: Bad character 'z' used".
Ну можно предположить, что у вашего станка нет оси Z, а в файле axis.ngc она используется. Очевидно надо просто не загружать axis.ngc...
Я не Христос, рыбу не раздаю, но могу научить, как сделать удочку...
Аватара пользователя
Nick
Мастер
Сообщения: 22776
Зарегистрирован: 23 ноя 2009, 16:45
Репутация: 1735
Заслуга: Developer
Откуда: Gatchina, Saint-Petersburg distr., Russia
Контактная информация:

Re: Laser Galvo Head XY+Z помогите с настройкой EMC2

Сообщение Nick »

Сделай простой ngc, и проверяй на нем.
Кстати, параметры своей системы ты в кинематике задал?

Код: Выделить всё

G01 X10 
G01 Y10 
G01 X0 
G01 Y0
LarsGT
Новичок
Сообщения: 30
Зарегистрирован: 10 сен 2014, 15:23
Репутация: 0
Контактная информация:

Re: Laser Galvo Head XY+Z помогите с настройкой EMC2

Сообщение LarsGT »

Спасибо за ответы! Но пока не получается, но очень хочется! И время есть, знать бы как правильно делается )
Все же наверное, что-то не правильно делаю.
Сделал простой axis.ngc
1. Запускаю систему, сразу сообщение: RTAPI: ERROR: Unexpected realtime delay on task 1. This message will only display once per session. Run the Lattency Test and resolve before continuing.
Полагаю, надо уменьшить тайминги, ноут не быстрый - это в ini файле?
2. Включаю питание -> Все в начало -> Пуск - Снова сообщение: Не могу делать G1 с нулевой подачей..

PS Пока только лазер нормально включается при экспериментах.

Файлы прицепил.
Вложения
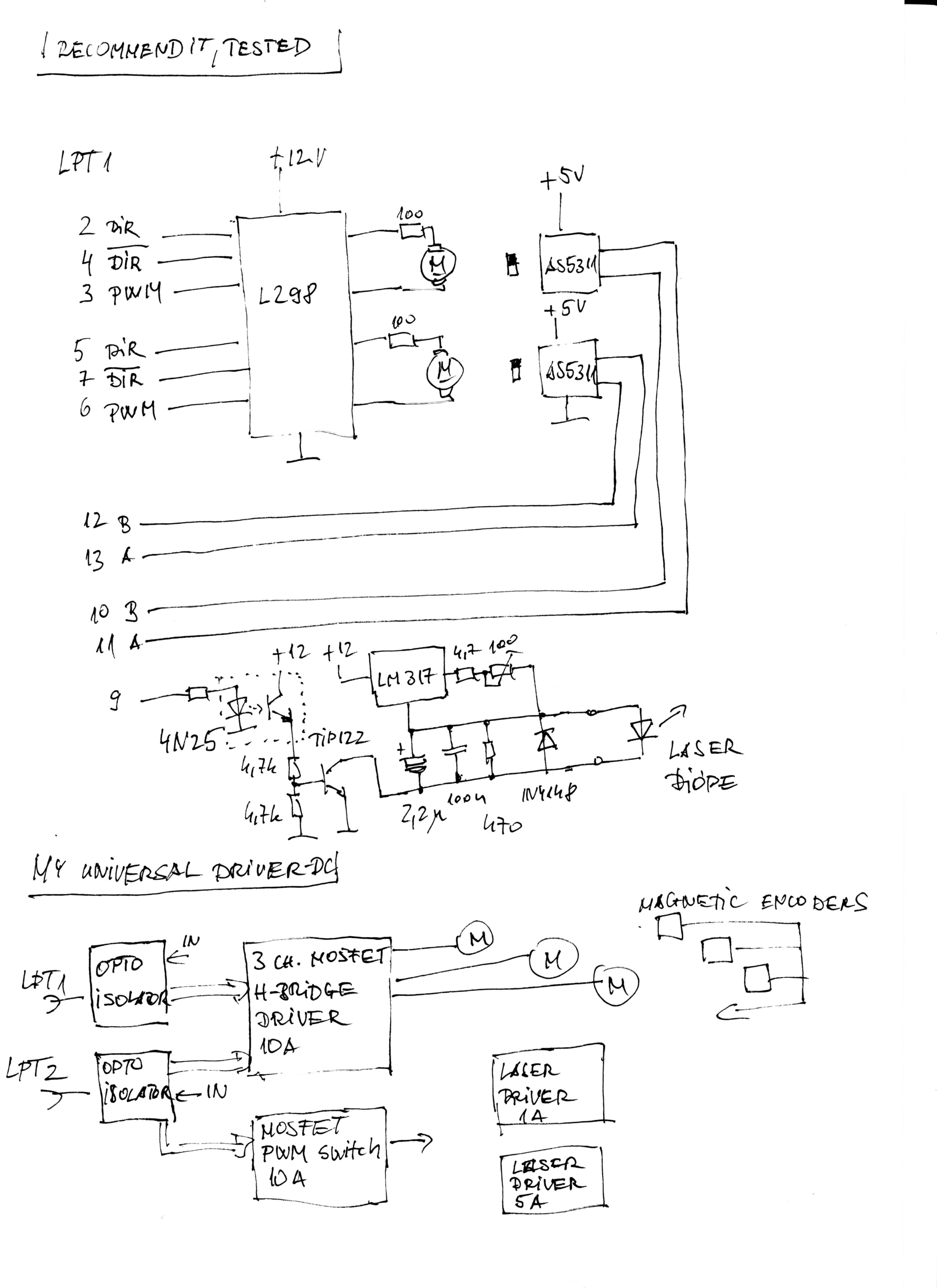
Схема подключений к LPT (4211 просмотров) <a class='original' href='./download/file.php?id=33347&mode=view' target=_blank>Загрузить оригинал (504.64 КБ)</a>
Схема подключений к LPT
galvo9kins.c
Кинематика
(3.85 КБ) 1176 скачиваний
GALVO-servo-test.zip
Папка с файлами проекта
(15.27 КБ) 515 скачиваний
LarsGT
Новичок
Сообщения: 30
Зарегистрирован: 10 сен 2014, 15:23
Репутация: 0
Контактная информация:

Re: Laser Galvo Head XY+Z помогите с настройкой EMC2

Сообщение LarsGT »

Сделал так:
G00 X0 Y0
M3 S10000
G1 F100.0
G01 X10
G01 Y10
G01 X0
G01 Y0
M5
M2
При этом вышеописанных ошибок не возникает, только в конце: joint 0 following error
Аватара пользователя
Serg
Мастер
Сообщения: 21923
Зарегистрирован: 17 апр 2012, 14:58
Репутация: 5183
Заслуга: c781c134843e0c1a3de9
Настоящее имя: Сергей
Откуда: Москва
Контактная информация:

Re: Laser Galvo Head XY+Z помогите с настройкой EMC2

Сообщение Serg »

LarsGT писал(а):Полагаю, надо уменьшить тайминги, ноут не быстрый - это в ini файле?
Увеличить BASE_PERIOD.
LarsGT писал(а):2. Включаю питание -> Все в начало -> Пуск - Снова сообщение: Не могу делать G1 с нулевой подачей..
Первую строчку замени на
G01 X10 F100
Я не Христос, рыбу не раздаю, но могу научить, как сделать удочку...
Аватара пользователя
NightV
Почётный участник
Почётный участник
Сообщения: 6611
Зарегистрирован: 30 дек 2011, 09:14
Репутация: 2279
Настоящее имя: Владимир Айрапетян
Откуда: Israel
Контактная информация:

Re: Laser Galvo Head XY+Z помогите с настройкой EMC2

Сообщение NightV »

LarsGT писал(а):только в конце: joint 0 following error
попробуй увеличить параметр FERROR для X
Всё просто! если знаешь КАК!
LarsGT
Новичок
Сообщения: 30
Зарегистрирован: 10 сен 2014, 15:23
Репутация: 0
Контактная информация:

Re: Laser Galvo Head XY+Z помогите с настройкой EMC2

Сообщение LarsGT »

Сделал все рекомендации. joint 0 following error так и остается. Движки не крутятся, при подключенной схеме. Убрал редукторы, то есть оставил только движки с креплением зеркал - закрутились! Оочень слабый момент.. Они не крутили диски энкодеров. (энкодеры оптические, на микросхеме OM02, там есть X и -X, Y и -Y квадратурные выходы). Городил пасиковую передачу, 4:1 в общем не тянет.
Там точность 400dpi (400 точек на 2,5см), 30 град зеркала, после редуктора 12,56 см длина пути. То есть 2009.6 точек. Если я правильно конечно думаю, AB канал, можно конечно увеличить в 4ре раза..
Думаю вот заказать оригинальные из видео, т.е. AS5311 с магнитными полосками (там есть программируемая нулевая точка, кстати! )
Вложения
Внутренности мыши, в центре OM02 optical sensor 400dpi (4197 просмотров) <a class='original' href='./download/file.php?id=33355&mode=view' target=_blank>Загрузить оригинал (528.92 КБ)</a>
Внутренности мыши, в центре OM02 optical sensor 400dpi
Предыдущая конструкция - работала лучше.. (4197 просмотров) <a class='original' href='./download/file.php?id=33356&mode=view' target=_blank>Загрузить оригинал (547.93 КБ)</a>
Предыдущая конструкция - работала лучше..
Текущая реинкарнация (слева снизу мышь, 2009 точек 120 град, крепление зеркала, вращение 30 град (4197 просмотров) <a class='original' href='./download/file.php?id=33357&mode=view' target=_blank>Загрузить оригинал (594.74 КБ)</a>
Текущая реинкарнация (слева снизу мышь, 2009 точек 120 град, крепление зеркала, вращение 30 град
LarsGT
Новичок
Сообщения: 30
Зарегистрирован: 10 сен 2014, 15:23
Репутация: 0
Контактная информация:

Re: Laser Galvo Head XY+Z помогите с настройкой EMC2

Сообщение LarsGT »

Срин экрана
Вложения
WP_20140917_002.jpg (4190 просмотров) <a class='original' href='./download/file.php?id=33361&mode=view' target=_blank>Загрузить оригинал (835.22 КБ)</a>
nkp
Мастер
Сообщения: 8340
Зарегистрирован: 28 ноя 2011, 00:25
Репутация: 1589
Контактная информация:

Re: Laser Galvo Head XY+Z помогите с настройкой EMC2

Сообщение nkp »

LarsGT писал(а):Запускаю систему, сразу сообщение: RTAPI: ERROR: Unexpected realtime delay on task 1. This message will only display once per session. Run the Lattency Test and resolve before continuing
а какие ,интересно , показатели Latency Test ?
LarsGT
Новичок
Сообщения: 30
Зарегистрирован: 10 сен 2014, 15:23
Репутация: 0
Контактная информация:

Re: Laser Galvo Head XY+Z помогите с настройкой EMC2

Сообщение LarsGT »

nkp писал(а):
LarsGT писал(а):Запускаю систему, сразу сообщение: RTAPI: ERROR: Unexpected realtime delay on task 1. This message will only display once per session. Run the Lattency Test and resolve before continuing
а какие ,интересно , показатели Latency Test ?
В первом сообщении http://cnc-club.ru/forum/viewtopic.php? ... 13#p139013 Спасибо.
Аватара пользователя
Nick
Мастер
Сообщения: 22776
Зарегистрирован: 23 ноя 2009, 16:45
Репутация: 1735
Заслуга: Developer
Откуда: Gatchina, Saint-Petersburg distr., Russia
Контактная информация:

Re: Laser Galvo Head XY+Z помогите с настройкой EMC2

Сообщение Nick »

1. приложи файлы ini и hal.
LarsGT писал(а):joint 0 following error
LinuxCNC отсдеживает обратную связь от двигателей. Если abs ([обратная связь]-[заданное положение]) > FERROR для оси, то будет following error - т.е. ошибка следования траектории.

Какие у тебя стоят двигатели? Как выполнена оьратная связь?
Посмотри на значения пинов обратной связи и задания для оси.
LarsGT
Новичок
Сообщения: 30
Зарегистрирован: 10 сен 2014, 15:23
Репутация: 0
Контактная информация:

Re: Laser Galvo Head XY+Z помогите с настройкой EMC2

Сообщение LarsGT »

Nik, в прикрепленном zip в 6 посте, там же и файл кинематики ты просил. Обратная связь в посте 10 :wik:
На всякий случай отдельно прикрепил эти файлы.
Вложения
puma_delta_sim_6.hal
hal и ini
(10.63 КБ) 1112 скачиваний
delta.ini
hal и ini
(13.6 КБ) 1109 скачиваний
galvo9kins.c
кинематика
(3.85 КБ) 1123 скачивания
Аватара пользователя
Nick
Мастер
Сообщения: 22776
Зарегистрирован: 23 ноя 2009, 16:45
Репутация: 1735
Заслуга: Developer
Откуда: Gatchina, Saint-Petersburg distr., Russia
Контактная информация:

Re: Laser Galvo Head XY+Z помогите с настройкой EMC2

Сообщение Nick »

Ну вроде более менее, только хал написан видно очень давно, сейчас такими командами никто не пользуется, но не суть.

Пробуй следующее:
1. запускаешь linuxcnc, открываешь hal watch и там пины axis.0.motor-pos-cmd и encoder.0.position и pid.0.output.
Там должны быть 0.
2. пытаешься дать команду оси g0 x0.1 смотришь, что происходит
3. пытаешься крутить вручную диск, сморишь как меняется encoder.0.position и pid.0.output.

можешь все это со скриншотами или с видео сюда.
LarsGT
Новичок
Сообщения: 30
Зарегистрирован: 10 сен 2014, 15:23
Репутация: 0
Контактная информация:

Re: Laser Galvo Head XY+Z помогите с настройкой EMC2

Сообщение LarsGT »

Пока пробовал движки и энкодеры отдельно, движки крутятся, энкодеры работают. Надо придумать, теперь как без редуктора зацепить энкодеры на движки (
Аватара пользователя
Nick
Мастер
Сообщения: 22776
Зарегистрирован: 23 ноя 2009, 16:45
Репутация: 1735
Заслуга: Developer
Откуда: Gatchina, Saint-Petersburg distr., Russia
Контактная информация:

Re: Laser Galvo Head XY+Z помогите с настройкой EMC2

Сообщение Nick »

LarsGT писал(а):Пока пробовал движки и энкодеры отдельно, движки крутятся, энкодеры работают.
чтобы не вылетал following error они должны работать вместе притом синхронно ;)
LarsGT
Новичок
Сообщения: 30
Зарегистрирован: 10 сен 2014, 15:23
Репутация: 0
Контактная информация:

Re: Laser Galvo Head XY+Z помогите с настройкой EMC2

Сообщение LarsGT »

Синхронно не работают, поочереди только ( Сначала начинает крутиться первый, потом второй вместе с ним, и оба останавливаются, когда запускаю axis.ngc:
G01 X10 F100
M3 10000
G1 F400.0
G01 X10
G01 Y10
G01 X0
G01 Y0
M5
M2

PS Энкодеры отключены пока что. Кстати пока не знаю наверняка, хватит ли этих энкодеров, для поворота движков на 30 градусов, как в оригинальной конструкции автора, там ведь магнитные крутые AS5311.. Мои 400 тиков на 2,5 см

Сейчас попробую, сделать как ты написал.
LarsGT
Новичок
Сообщения: 30
Зарегистрирован: 10 сен 2014, 15:23
Репутация: 0
Контактная информация:

Re: Laser Galvo Head XY+Z помогите с настройкой EMC2

Сообщение LarsGT »

Nick писал(а):Ну вроде более менее, только хал написан видно очень давно, сейчас такими командами никто не пользуется, но не суть.

Пробуй следующее:
1. запускаешь linuxcnc, открываешь hal watch и там пины axis.0.motor-pos-cmd и encoder.0.position и pid.0.output.
Там должны быть 0.
2. пытаешься дать команду оси g0 x0.1 смотришь, что происходит
3. пытаешься крутить вручную диск, сморишь как меняется encoder.0.position и pid.0.output.

можешь все это со скриншотами или с видео сюда.
Hal-метре axis.0.motor-pos-cmd было -4.8, подкрутил энкодер в 0, и везде (axis.0.motor-pos-cmd, encoder.0.position, pid.0.output) стало 0
Когда даю команду g0 x0.1 движок X начинает пищать :roll: не крутится, но видно, что пытается. Если дать g0 x15 то крутится примерно 2 секунды.

Картинки прикрепил, видео в архиве.
Вложения
axis.0.motor-pos-cmd (4135 просмотров) <a class='original' href='./download/file.php?id=33384&mode=view' target=_blank>Загрузить оригинал (906.55 КБ)</a>
axis.0.motor-pos-cmd
encoder.0.position (4135 просмотров) <a class='original' href='./download/file.php?id=33385&mode=view' target=_blank>Загрузить оригинал (800.07 КБ)</a>
encoder.0.position
pid.0.output (4135 просмотров) <a class='original' href='./download/file.php?id=33386&mode=view' target=_blank>Загрузить оригинал (914.63 КБ)</a>
pid.0.output
video.zip
video
(9.65 МБ) 416 скачиваний
Ответить

Вернуться в «LinuxCNC»