Кто-нибудь связывал StepMaster 2.5 с платкой SenSync

Контроллеры, драйверы, датчики, управляющие устройства.
19Aleksandr76
Новичок
Сообщения: 6
Зарегистрирован: 11 мар 2020, 21:31
Репутация: 1
Настоящее имя: Александр Петрович
Контактная информация:

Кто-нибудь связывал StepMaster 2.5 с платкой SenSync

Сообщение 19Aleksandr76 »

Кто-нибудь связывал StepMaster 2.5 с платкой синхронизации осей SenSync от ЧПУ Технологий/Если можно это сделать то подскажите как .если есть схема буду рад посмотреть.спасибо за помощь!на оси два движка .датчиков наверное 4 надо ставить?подскажите кто шарит.
Вложения
2020-03-09_23-55-22.png
2020-03-09_23-55-22.png (68.6 КБ) 4956 просмотров
Зерноед
Кандидат
Сообщения: 96
Зарегистрирован: 01 апр 2019, 15:02
Репутация: 29
Настоящее имя: Александр
Откуда: Курск
Контактная информация:

Re: Кто-нибудь связывал StepMaster 2.5 с платкой SenSync

Сообщение Зерноед »

Я подключал на коленке для теста. Не вспомню схему, но точно знаю, что в описаниях степмастера и этой платы была противоположность подключения. По факту там можно в двух вариантах подключать.
Аватара пользователя
max_ku
Кандидат
Сообщения: 56
Зарегистрирован: 20 ноя 2019, 13:07
Репутация: 3
Настоящее имя: Максим
Откуда: г.Пенза
Контактная информация:

Re: Кто-нибудь связывал StepMaster 2.5 с платкой SenSync

Сообщение max_ku »

Тоже решаю данный вопрос. По платке нарисовал схему выходов.
IMG_2738.JPG (4904 просмотра) <a class='original' href='./download/file.php?id=178156&mode=view' target=_blank>Загрузить оригинал (252.09 КБ)</a>
Аватара пользователя
max_ku
Кандидат
Сообщения: 56
Зарегистрирован: 20 ноя 2019, 13:07
Репутация: 3
Настоящее имя: Максим
Откуда: г.Пенза
Контактная информация:

Re: Кто-нибудь связывал StepMaster 2.5 с платкой SenSync

Сообщение max_ku »

Опторазвязка на шаговые импульсы есть! Насчет сигнала OUT пока не понятно. Должен подключаться на входной сигнал Limit платы управления. Но, похоже надо делать тоже через оптопару.
Аватара пользователя
wldev
Мастер
Сообщения: 1650
Зарегистрирован: 24 янв 2012, 16:04
Репутация: 510
Настоящее имя: Сергей Бочаров
Откуда: Новосибирск
Контактная информация:

Re: Кто-нибудь связывал StepMaster 2.5 с платкой SenSync

Сообщение wldev »

А не проще у производителя спросить?

У этой платы есть особенность:
Она не использует сигнал Dir - направление.
То есть она производит выравнивание портала пока не сработают оба датчика, далее она переходит в режим работы по любому из датчиков.
Таким образом ей можно выставить перпендикулярность только один раз после включения.
Новости: https://t.me/wldevruch
Обсуждения: https://t.me/wldevgr
Аватара пользователя
max_ku
Кандидат
Сообщения: 56
Зарегистрирован: 20 ноя 2019, 13:07
Репутация: 3
Настоящее имя: Максим
Откуда: г.Пенза
Контактная информация:

Re: Кто-нибудь связывал StepMaster 2.5 с платкой SenSync

Сообщение max_ku »

Это все понятно
Аватара пользователя
max_ku
Кандидат
Сообщения: 56
Зарегистрирован: 20 ноя 2019, 13:07
Репутация: 3
Настоящее имя: Максим
Откуда: г.Пенза
Контактная информация:

Re: Кто-нибудь связывал StepMaster 2.5 с платкой SenSync

Сообщение max_ku »

Производитель разрабатывал ее под свою плату развязки LPT-DPTR
2020-03-13_14-06-30.png (4858 просмотров) <a class='original' href='./download/file.php?id=178178&mode=view' target=_blank>Загрузить оригинал (374.9 КБ)</a>
Аватара пользователя
max_ku
Кандидат
Сообщения: 56
Зарегистрирован: 20 ноя 2019, 13:07
Репутация: 3
Настоящее имя: Максим
Откуда: г.Пенза
Контактная информация:

Re: Кто-нибудь связывал StepMaster 2.5 с платкой SenSync

Сообщение max_ku »

Схемы входов лимитов у StepMaster 2.5 и LPT-DPTR 1.3 немного по-разному сделаны. У StepMaster 2.5 полностью изолированное питание для датчиков +V и GND. У LPT-DPTR 1.3 - GND общий для питания платы и для питания датчиков.
Аватара пользователя
max_ku
Кандидат
Сообщения: 56
Зарегистрирован: 20 ноя 2019, 13:07
Репутация: 3
Настоящее имя: Максим
Откуда: г.Пенза
Контактная информация:

Re: Кто-нибудь связывал StepMaster 2.5 с платкой SenSync

Сообщение max_ku »

Подключил!!!
Аватара пользователя
max_ku
Кандидат
Сообщения: 56
Зарегистрирован: 20 ноя 2019, 13:07
Репутация: 3
Настоящее имя: Максим
Откуда: г.Пенза
Контактная информация:

Re: Кто-нибудь связывал StepMaster 2.5 с платкой SenSync

Сообщение max_ku »

Правда без датчика OUT пока.
Аватара пользователя
max_ku
Кандидат
Сообщения: 56
Зарегистрирован: 20 ноя 2019, 13:07
Репутация: 3
Настоящее имя: Максим
Откуда: г.Пенза
Контактная информация:

Re: Кто-нибудь связывал StepMaster 2.5 с платкой SenSync

Сообщение max_ku »

Выход "OUT" SenSync через оптрон PC817 подключил на вход "Limit Y" StepMaster. Работает!
Зерноед
Кандидат
Сообщения: 96
Зарегистрирован: 01 апр 2019, 15:02
Репутация: 29
Настоящее имя: Александр
Откуда: Курск
Контактная информация:

Re: Кто-нибудь связывал StepMaster 2.5 с платкой SenSync

Сообщение Зерноед »

max_ku писал(а):Выход "OUT" SenSync через оптрон PC817 подключил на вход "Limit Y" StepMaster. Работает!
Делитесь схемой/фото, чтобы не ушло в небытие
Аватара пользователя
max_ku
Кандидат
Сообщения: 56
Зарегистрирован: 20 ноя 2019, 13:07
Репутация: 3
Настоящее имя: Максим
Откуда: г.Пенза
Контактная информация:

Re: Кто-нибудь связывал StepMaster 2.5 с платкой SenSync

Сообщение max_ku »

Позже нарисую. С подключением драйверов там все просто. В моем случае был драйвер Leadshine DM860
Последний раз редактировалось max_ku 15 мар 2020, 17:44, всего редактировалось 1 раз.
Аватара пользователя
max_ku
Кандидат
Сообщения: 56
Зарегистрирован: 20 ноя 2019, 13:07
Репутация: 3
Настоящее имя: Максим
Откуда: г.Пенза
Контактная информация:

Re: Кто-нибудь связывал StepMaster 2.5 с платкой SenSync

Сообщение max_ku »

Еще установил раздельные блоки питания на StepMaster 12В и на SenSync 36В
Последний раз редактировалось max_ku 15 мар 2020, 17:57, всего редактировалось 1 раз.
Аватара пользователя
max_ku
Кандидат
Сообщения: 56
Зарегистрирован: 20 ноя 2019, 13:07
Репутация: 3
Настоящее имя: Максим
Откуда: г.Пенза
Контактная информация:

Re: Кто-нибудь связывал StepMaster 2.5 с платкой SenSync

Сообщение max_ku »

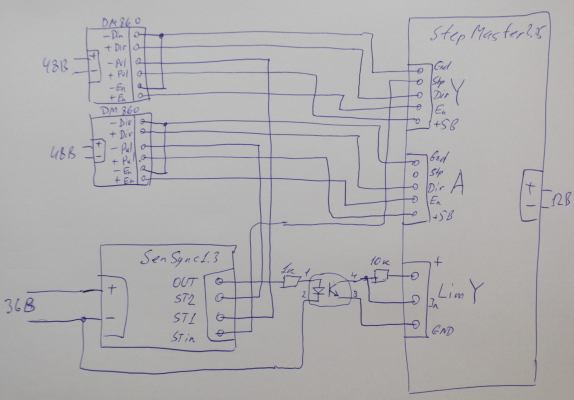
Окончательный вариант такой: Разные блоки питания StepMaster 2.5 - 12В, плата SenSync 1.3 - 36В. Подключение сигнала OUT через оптопару (схема стандартная). Общую схему позже нарисую, если кому интересно.
Последний раз редактировалось max_ku 15 мар 2020, 17:58, всего редактировалось 1 раз.
Аватара пользователя
max_ku
Кандидат
Сообщения: 56
Зарегистрирован: 20 ноя 2019, 13:07
Репутация: 3
Настоящее имя: Максим
Откуда: г.Пенза
Контактная информация:

Re: Кто-нибудь связывал StepMaster 2.5 с платкой SenSync

Сообщение max_ku »

Блок управления портальным ЧПУ фрезером. 3 канала на 48В 8А, 1 канал на 36В 6А. Управление через LPT порт.
Интерфейсная плата StepMaster 2.5. Плата выравнивания портала SenSyn 1.3.
(на фото не хватает инвертера и драйвера DM556)
Программное обеспечение LinuxCNC 2.7.15
IMG_2739.JPG (4720 просмотров) <a class='original' href='./download/file.php?id=178325&mode=view' target=_blank>Загрузить оригинал (270.09 КБ)</a>
Последний раз редактировалось max_ku 15 мар 2020, 18:01, всего редактировалось 2 раза.
Аватара пользователя
max_ku
Кандидат
Сообщения: 56
Зарегистрирован: 20 ноя 2019, 13:07
Репутация: 3
Настоящее имя: Максим
Откуда: г.Пенза
Контактная информация:

Re: Кто-нибудь связывал StepMaster 2.5 с платкой SenSync

Сообщение max_ku »

IMG_2746.JPG (4700 просмотров) <a class='original' href='./download/file.php?id=178328&mode=view' target=_blank>Загрузить оригинал (112.99 КБ)</a>
Аватара пользователя
wldev
Мастер
Сообщения: 1650
Зарегистрирован: 24 янв 2012, 16:04
Репутация: 510
Настоящее имя: Сергей Бочаров
Откуда: Новосибирск
Контактная информация:

Re: Кто-нибудь связывал StepMaster 2.5 с платкой SenSync

Сообщение wldev »

А зачем 10КОм?
Новости: https://t.me/wldevruch
Обсуждения: https://t.me/wldevgr
Аватара пользователя
shatrovmaxim
Мастер
Сообщения: 447
Зарегистрирован: 26 сен 2016, 09:31
Репутация: 117
Настоящее имя: Максим
Откуда: Запорожье, Украина
Контактная информация:

Re: Кто-нибудь связывал StepMaster 2.5 с платкой SenSync

Сообщение shatrovmaxim »

Bender писал(а):А зачем 10КОм?
Подтяжка от ложных срабатываний, в принципе лишним не будет)
Аватара пользователя
max_ku
Кандидат
Сообщения: 56
Зарегистрирован: 20 ноя 2019, 13:07
Репутация: 3
Настоящее имя: Максим
Откуда: г.Пенза
Контактная информация:

Re: Кто-нибудь связывал StepMaster 2.5 с платкой SenSync

Сообщение max_ku »

Использую Linux CNC. Каналы Y и A настроены как спаренные на стандартной кинематике Trivkins. Поэтому ось Y можно смело двигать в ручном режиме с клавиатуры.
Ответить

Вернуться в «Электроника»