Китайский Ардуино и Grbl Controller
-
dreamer_kgn
- Новичок
- Сообщения: 1
- Зарегистрирован: 13 май 2016, 17:48
- Репутация: 0
- Контактная информация:
Re: Китайский Ардуино и Grbl Controller
Ребята, доброго времени суток.
Есть клон ардуино мега 2560, залил туда Grbl9fMega2560 от LETARTARE.
Проблема возникла с осями, X и Z я нашёл, а вот Y не получилось.
Понимания кода не хватает, чтоб найти распиновку.
Может, уважаемое сообщество может ткнуть носом, куда смотреть? (:
Спасибо за понимание и помощь. (:
Есть клон ардуино мега 2560, залил туда Grbl9fMega2560 от LETARTARE.
Проблема возникла с осями, X и Z я нашёл, а вот Y не получилось.
Понимания кода не хватает, чтоб найти распиновку.
Может, уважаемое сообщество может ткнуть носом, куда смотреть? (:
Спасибо за понимание и помощь. (:
- FedorM84
- Кандидат
- Сообщения: 97
- Зарегистрирован: 23 май 2014, 05:14
- Репутация: 6
- Контактная информация:
Re: Китайский Ардуино и Grbl Controller
Подскажите пожалуйста, как на данной плате возможно реализовано управление 2-я ШД от одного дравера. Есть Нано и А4988, хочу разобраться, понять принцип и спаять аналог самостоятельно!
http://ru.aliexpress.com/item/USB-CNC-2 ... 08272.html
http://ru.aliexpress.com/item/USB-CNC-2 ... 08272.html
- xenon-alien
- Почётный участник

- Сообщения: 4520
- Зарегистрирован: 01 янв 2013, 13:13
- Репутация: 925
- Настоящее имя: Daniel
- Откуда: Закарпатская обл. Украина
- Контактная информация:
Re: Китайский Ардуино и Grbl Controller
Вот так подключается к драйверу ШД. Максимум что вы можете сделать это подключить ещё один ШД (как на данной плате) это параллельно, или последовательно контактам 1В 1А 2А 2В. По другому никак. И эти ШД должны быть на одной оси.FedorM84 писал(а):Подскажите пожалуйста, как на данной плате возможно реализовано управление 2-я ШД от одного дравера. Есть Нано и А4988, хочу разобраться, понять принцип и спаять аналог самостоятельно!
http://ru.aliexpress.com/item/USB-CNC-2 ... 08272.html
А если правильно делать, то на каждый ШД желательно свой драйвер ставить. И параллельно подключить их контактам STEP DIR микроконтроллера.
Как вот на такой плате реализовано перемычками над силовым контактом 12-36 В. (там 3 оси и 1 драйвер можно клонироавть любой из 3-х осей контактам STEP DIR) cnc shield для Ардуино уно Самая дешовая что нашел.
http://ru.aliexpress.com/item/Free-ship ... d5fc7ba8f5
- FedorM84
- Кандидат
- Сообщения: 97
- Зарегистрирован: 23 май 2014, 05:14
- Репутация: 6
- Контактная информация:
Re: Китайский Ардуино и Grbl Controller
Спасибо. Драйвера и arduino у меня есть. Шилд отдельно прикуплю, использую если с самоделкой не получится. Где в прошивке GRBL прописывать распиновку STEP, DIR, ENABLE для каждого драйвера, пин управления лазером и вентилятором для arduino? Куда вбить характеристики ШД? Можно ли в качестве управляющего софта прикрутить Benbox?Вот так подключается к драйверу ШД.
- xenon-alien
- Почётный участник

- Сообщения: 4520
- Зарегистрирован: 01 янв 2013, 13:13
- Репутация: 925
- Настоящее имя: Daniel
- Откуда: Закарпатская обл. Украина
- Контактная информация:
Re: Китайский Ардуино и Grbl Controller
Я не силен в этих вопросах но вот пару ссылок для уно и настройки.FedorM84 писал(а):Спасибо. Драйвера и arduino у меня есть. Где в GRBL прописывать распиновку STEP, DIR, ENABLE, управления лазером и вентилятором для arduino? Куда вбить характеристика ШД? Можно ли в качестве управляющего софта прикрутить Benbox?
https://github.com/grbl/grbl/wiki/Connecting-Grbl
https://github.com/grbl/grbl/wiki/Configuring-Grbl-v0.9
- FedorM84
- Кандидат
- Сообщения: 97
- Зарегистрирован: 23 май 2014, 05:14
- Репутация: 6
- Контактная информация:
Re: Китайский Ардуино и Grbl Controller
Спасибо, то что нужно. Для Nano наверняка распиновка такая же.xenon-alien писал(а): Я не силен в этих вопросах но вот пару ссылок для уно и настройки.
https://github.com/grbl/grbl/wiki/Connecting-Grbl
https://github.com/grbl/grbl/wiki/Configuring-Grbl-v0.9
- xenon-alien
- Почётный участник

- Сообщения: 4520
- Зарегистрирован: 01 янв 2013, 13:13
- Репутация: 925
- Настоящее имя: Daniel
- Откуда: Закарпатская обл. Украина
- Контактная информация:
Re: Китайский Ардуино и Grbl Controller
Вот что нашел. Сравни, совпадает ли.FedorM84 писал(а):Спасибо, то что нужно. Для Nano наверняка распиновка такая же.
- FedorM84
- Кандидат
- Сообщения: 97
- Зарегистрирован: 23 май 2014, 05:14
- Репутация: 6
- Контактная информация:
Re: Китайский Ардуино и Grbl Controller
Да, совпадает.xenon-alien писал(а): Сравни, совпадает ли.
Еще не совсем понятно чем управлять лазером. Находил простую схему контроллера на микросхеме UNL2003, но такое подозрение, что она не будет жечь оттенки серого. Лазер на 500мв.
- xenon-alien
- Почётный участник

- Сообщения: 4520
- Зарегистрирован: 01 янв 2013, 13:13
- Репутация: 925
- Настоящее имя: Daniel
- Откуда: Закарпатская обл. Украина
- Контактная информация:
Re: Китайский Ардуино и Grbl Controller
До лазеров еще не добрался, но некоторые умудряются палить как выжигалкой. просто скоростя перемещения меняются и таким образом получают оттенки серого.FedorM84 писал(а):Еще не совсем понятно чем управлять лазером. Находил простую схему контроллера на микросхеме UNL2003, но такое подозрение, что она не будет жечь оттенки серого. Лазер на 500мв.
https://www.youtube.com/user/timcnc/videos
А вот тут чувак примудрил ПАУК к Ардуино, но не поделился опытом. Пытается заработать на этом. Так что коммерческая тайна.
https://www.youtube.com/user/x4axis/videos
А в основном ещё умудряются как-то подключать к третей оси TTL модуляцию лазера (если не ошибаюсь). Но ещё не вникал в этот вопрос глубже.
- FedorM84
- Кандидат
- Сообщения: 97
- Зарегистрирован: 23 май 2014, 05:14
- Репутация: 6
- Контактная информация:
Re: Китайский Ардуино и Grbl Controller
А резистор с конденсатором не нужно подключать как на шилде? (на пины контроллера не обращайте внимания)
Последний раз редактировалось FedorM84 29 май 2016, 01:18, всего редактировалось 1 раз.
- xenon-alien
- Почётный участник

- Сообщения: 4520
- Зарегистрирован: 01 янв 2013, 13:13
- Репутация: 925
- Настоящее имя: Daniel
- Откуда: Закарпатская обл. Украина
- Контактная информация:
Re: Китайский Ардуино и Grbl Controller
Я обошелся и без подтягивающего резистора (а ты поставь на всякий пожарный), но конденсатор ставил.
- FedorM84
- Кандидат
- Сообщения: 97
- Зарегистрирован: 23 май 2014, 05:14
- Репутация: 6
- Контактная информация:
Re: Китайский Ардуино и Grbl Controller
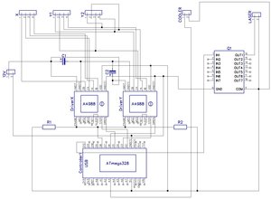
Вот накидал в диптрейсе схемку. Делаю это первый раз в жизни, по-тому возможно выглядит коряво и с косяками
Кстати, можно ли заменить электролиты на керамику в этой схеме? Еще нашел вот такую схему управления лазером. Только не понятно куда подключать контакт TTL, чтобы GRPL с ним нормально работал. В варианте с UNL2003 микросхема подключается к дискретному D12 и оттенки серого там, по видимому, через G код. И доработал схему под 3 дравера, но с подключением контакта непонятки пока - или 11, или 12 пин
Так же, как я понял, MS1/MS2/MS3 отвечают за режим работы шаговиков. На оригинальной плате (см. фото из первого поста темы) они все замкнуты на 5V, сделаю также. Если обратить внимание на это фото можно увидеть там микросхему ULN2001D, но при этом он спокойно печатает оттенки серого через китайский софт. Не знаю как это воспроизвести в GRBL. За неимением LT1121 буду делать на ULN2003, которая у меня есть. Еще на выходе выходе лазера на исходной платке стоит резюк 96 Ом, тоже оставлю, возможно запараллелю потенциометром. Почему, кстати, охлаждение в GRBL висит на аналоговом пине, а не на цифровом? Он же просто включен или выключен.
Сгенерил такую платку, но пока не редактировал, просто прикинул компоненты. Еще нужно разъем питания на плату купить.
Кстати, можно ли заменить электролиты на керамику в этой схеме? Еще нашел вот такую схему управления лазером. Только не понятно куда подключать контакт TTL, чтобы GRPL с ним нормально работал. В варианте с UNL2003 микросхема подключается к дискретному D12 и оттенки серого там, по видимому, через G код. И доработал схему под 3 дравера, но с подключением контакта непонятки пока - или 11, или 12 пин
- FedorM84
- Кандидат
- Сообщения: 97
- Зарегистрирован: 23 май 2014, 05:14
- Репутация: 6
- Контактная информация:
Re: Китайский Ардуино и Grbl Controller
Кстати, почему на CNC Shield запараллелены 4 конденсатора для всех драйверов? Разве одного не достаточно?
- FedorM84
- Кандидат
- Сообщения: 97
- Зарегистрирован: 23 май 2014, 05:14
- Репутация: 6
- Контактная информация:
Re: Китайский Ардуино и Grbl Controller
В общем беда. Подсоединил драйвера по схеме, но на выходах на обмотки нулевое напряжение.
Прошивка 0.9 grbl.
VMOT 12V;
VDD 6.3V (должно же 5 быть);
Enable - меняется от 0 до 1.4V;
MS1-MS3 так же 6.3V
RESET/SLEEP - 0.23V;
STEP и DIR меняются в зависимости от G кода, то бишь сигнал на них с контроллера приходит.
Между землей и 1 или 2 - 12V и не меняется. Между самими обмотками 1 и 2 - 0V.
Лазер прекрасно работает при этом, но я погорячился с резюком 100 - слишком большое падение на нем, так что заменил перемычкой.
Как должно быть? Это дохлые драйвера или что-то еще?
Прошивка 0.9 grbl.
VMOT 12V;
VDD 6.3V (должно же 5 быть);
Enable - меняется от 0 до 1.4V;
MS1-MS3 так же 6.3V
RESET/SLEEP - 0.23V;
STEP и DIR меняются в зависимости от G кода, то бишь сигнал на них с контроллера приходит.
Между землей и 1 или 2 - 12V и не меняется. Между самими обмотками 1 и 2 - 0V.
Лазер прекрасно работает при этом, но я погорячился с резюком 100 - слишком большое падение на нем, так что заменил перемычкой.
Как должно быть? Это дохлые драйвера или что-то еще?
- yurayerz
- Опытный
- Сообщения: 132
- Зарегистрирован: 04 янв 2015, 02:46
- Репутация: 33
- Настоящее имя: Юрий
- Откуда: Ярославль
- Контактная информация:
Re: Китайский Ардуино и Grbl Controller
Это конкретный залёт! Драйвера и дуина просто обязаны были попередохнуть! Хотя действительно непонятно, откуда они могли появиться...FedorM84 писал(а):VDD 6.3V (должно же 5 быть);
- FedorM84
- Кандидат
- Сообщения: 97
- Зарегистрирован: 23 май 2014, 05:14
- Репутация: 6
- Контактная информация:
Re: Китайский Ардуино и Grbl Controller
Тем более что это с 5V пина ардуинвского идет похоже. Хотя я тестил на UNO, а не на нанке (нанка оказалась на 168 атмеге), перемычки кинул с колодок на дуину. Придет нормальная нанка, проверю на ней. Сейчас готовая платка с исправлениями некоторых косяков в схемотехнике (ох и нубяра же я в этомyurayerz писал(а): Это конкретный залёт! Драйвера и дуина просто обязаны были попередохнуть! Хотя действительно непонятно, откуда они могли появиться...
-
ViktorK1979
- Новичок
- Сообщения: 4
- Зарегистрирован: 07 июн 2016, 14:58
- Репутация: 0
- Контактная информация:
Re: Китайский Ардуино и Grbl Controller
Помогите разобраться с проблемой : не работает связка из китайской MEGA 2650 ch340 + cnc shield v 3.0 + DRV8825 + Grbl9fMega2560 и много разных шаговых двигателей. ШД и драйверы проверялись простым скетчем для драйверов такого типа. Управляющие сигналы в данном случае поступали (STEP, DIR). Изначально даже с простым скетчем через шилд ничего не работало, пока я перемычкой на шилде не соединил выводы EN и GND, только тогда заработало. Теперь о прошивке - заливал много всяких версий для меги 2650, например : Grbl9fMega2560, из этого набора перепробовал все. Также заливал НЕХ код. Результат - идет обмен между ПК и ардуиной, посылаю команды по осям, но шаговики упорно не вращаются, такое ощущение, что стоят на удержании, даже тональность писка не изменяется. Потом я снял шилд и залил проверочный скетч по новой, подключил светодиоды с резисторами к PWM пинам №2,5 (ось Х) и наблюдал мигание в соответствии с залитой программой вращения в разные стороны. Соответственно, с выходов что то получаем. Потом залил опять Grbl9fMega2560 и попробовал позажигать светодиоды, нажимая кнопки в программе Grblcontroller - безрезультатно. Посмотрел файл cpu_map там пины №2,5 (ось Х). Не могу понять где ошибаюсь? В ардуиннах новичек, может прошиваю неправильно, почему то скачанные прошивки имеют разный набор файлов, библиотек. Непонятно, например, нужно ли подключать библиотеки при прошивке Grbl, или же нужно просто прошивать пример. Библиотека при этом уже добавлена в IDE. Ещё натыкался на то что играет роль версия самого IDE, у меня стоит 1.6.3 и портабельная 1.0.1. пробовал обеими . Если идет обмен между ПК и ардуиной, значит ли это что прошил плату правильно ? Пробовал две китайских меги, купленных у разных продаванов - результат отрицательный, хотя проверочным скетчем всё крутится-вертится.
- xenon-alien
- Почётный участник

- Сообщения: 4520
- Зарегистрирован: 01 янв 2013, 13:13
- Репутация: 925
- Настоящее имя: Daniel
- Откуда: Закарпатская обл. Украина
- Контактная информация:
Re: Китайский Ардуино и Grbl Controller
https://www.youtube.com/watch?v=J0pui596QZsViktorK1979 писал(а):Помогите разобраться с проблемой : не работает связка из китайской MEGA 2650 ch340 + cnc shield v 3.0 + DRV8825 + Grbl9fMega2560 и много разных шаговых двигателей. ШД проверялись простым скетчем для драйверов такого типа. Управляющие сигналы в данном случае поступали (STEP, DIR). Изначально даже с простым скетчем через шилд ничего не работало, пока я перемычкой на шилде не соединил выводы EN и GND, только тогда заработало. Теперь о прошивке - заливал много всяких версий для меги 2650, например : Grbl9fMega2560, из этого набора перепробовал все. Также заливал НЕХ код. Результат - идет обмен между ПК и ардуиной, посылаю команды по осям, но шаговики упорно не вращаются, такое ощущение, что стоят на удержании, даже тональность писка не изменяется. Потом я снял шилд и залил проверочный скетч по новой, подключил светодиоды с резисторами к PWM пинам №2,5 (ось Х) и наблюдал мигание в соответствии с залитой программой вращения в разные стороны. Соответственно, с выходов что то получаем. Потом залил опять Grbl9fMega2560 и попробовал позажигать светодиодами, нажимая кнопки в программе Grblcontroller - безрезультатно. Посмотрел файл cpu_map там пины №2,5 (ось Х). Не могу понять где ошибаюсь? В ардуиннах новичек, может прошиваю неправильно, почему то скачанные прошивки имеют разный набор файлов, библиотек. Непонятно например нужно ли подключать библиотеки при прошивке Grbl или же нужно просто прошиватьпример. В общем много непонятного и если идет обмен между ПК и ардуиной, значит ли это что прошил плату правильно ? Пробовал две китайских меги, купленных у разных продаванов - результат отрицательный, хотя проверочным скетчем всё крутится-вертится.
Подобным образом подключалось?
Ну и комменты и описание к видео можно почитать. Может найдется что-то полезное.
Ну и вот это можно перечесть, если ещё не читали.
http://zapmaker.org/arduino/programming ... -mega2560/
http://zapmaker.org/arduino/programming ... inal-page/
- Maxekb77
- Мастер
- Сообщения: 1658
- Зарегистрирован: 05 окт 2013, 00:04
- Репутация: 285
- Настоящее имя: Максим
- Откуда: Екатеринбург
- Контактная информация:
Re: Китайский Ардуино и Grbl Controller
ViktorK1979, Может все таки прочитать инструкцию
-
ViktorK1979
- Новичок
- Сообщения: 4
- Зарегистрирован: 07 июн 2016, 14:58
- Репутация: 0
- Контактная информация:
Re: Китайский Ардуино и Grbl Controller
какую ?Maxekb77 писал(а):ViktorK1979, Может все таки прочитать инструкцию