Фрезер из графопостроителя

Фрезерные и гравировальные станки для обработки мягких материалов (дерево, пластики, мягкие металлы).
Аватара пользователя
odekolon
Мастер
Сообщения: 1125
Зарегистрирован: 05 ноя 2014, 14:53
Репутация: 360
Настоящее имя: Борис
Контактная информация:

Фрезер из графопостроителя

Сообщение odekolon »

Приобрели тут по случаю основу из старого советского графопостроителя.
Брутальность конструкции поражает воображение - "неужели это все для того, чтоб возить пером по бумаге :shock: "
Рама сварная из стали около 7 мм толщиной
Трубчатые направляющие тоже ничего себе.
Вертикальная жесткость - "на отлично"
Некоторый люфт есть при попытке перекоса портала, но возможно нужно протянуть крепления перекладин к кареткам
бонусом шли 2 движка с редукторами и плата-драйвер. 3 канала, LPT
перемещения ограничены длиной зубчатых реек 800х500 мм

Есть желание сделать фрезерный по дереву...
Вложения
Портал (7829 просмотров) <a class='original' href='./download/file.php?id=43901&mode=view' target=_blank>Загрузить оригинал (367.62 КБ)</a>
Портал
Привод X (7829 просмотров) <a class='original' href='./download/file.php?id=43902&mode=view' target=_blank>Загрузить оригинал (507.59 КБ)</a>
Привод X
"Капиталистом стать можно лишь тогда, когда обогатишь свою память знанием всех тех богатств, которые выработало человечество"
Аватара пользователя
Fisher
Почётный участник
Почётный участник
Сообщения: 3391
Зарегистрирован: 09 апр 2012, 12:39
Репутация: 424
Откуда: Киров
Контактная информация:

Re: Фрезер из графопостроителя

Сообщение Fisher »

odekolon писал(а):это все для того, чтоб возить пером по бумаге
а Вы хотите
odekolon писал(а):сделать фрезерный по дереву...
www.cncru.ru - все виды станков с ЧПУ. Комплектующие.
Аватара пользователя
odekolon
Мастер
Сообщения: 1125
Зарегистрирован: 05 ноя 2014, 14:53
Репутация: 360
Настоящее имя: Борис
Контактная информация:

Re: Фрезер из графопостроителя

Сообщение odekolon »

to Fisher

Вы первую часть предложения наверное не поняли....
жесткость конструкции просто поражает - я на каретку смело сесть могу
"Капиталистом стать можно лишь тогда, когда обогатишь свою память знанием всех тех богатств, которые выработало человечество"
Аватара пользователя
Fisher
Почётный участник
Почётный участник
Сообщения: 3391
Зарегистрирован: 09 апр 2012, 12:39
Репутация: 424
Откуда: Киров
Контактная информация:

Re: Фрезер из графопостроителя

Сообщение Fisher »

odekolon писал(а):Некоторый люфт есть при попытке перекоса портала,
где именно люфт? в каретках?
www.cncru.ru - все виды станков с ЧПУ. Комплектующие.
Аватара пользователя
odekolon
Мастер
Сообщения: 1125
Зарегистрирован: 05 ноя 2014, 14:53
Репутация: 360
Настоящее имя: Борис
Контактная информация:

Re: Фрезер из графопостроителя

Сообщение odekolon »

Fisher писал(а):
odekolon писал(а):Некоторый люфт есть при попытке перекоса портала,
где именно люфт? в каретках?
пока детально не разбирались, возможно в точках крепления поперечных направляющих
просто направляющие снимались, а протяжку мы не делали
"Капиталистом стать можно лишь тогда, когда обогатишь свою память знанием всех тех богатств, которые выработало человечество"
Аватара пользователя
sergey27rus
Почётный участник
Почётный участник
Сообщения: 1146
Зарегистрирован: 15 авг 2013, 07:22
Репутация: 730
Настоящее имя: Сергей
Откуда: Хабаровск Дальний Восток РФ
Контактная информация:

Re: Фрезер из графопостроителя

Сообщение sergey27rus »

А диаметры направляек? И как происходит преднатяг в каретках, подпружинен подшипник или эксентрик?
Аватара пользователя
Сергей Саныч
Мастер
Сообщения: 9116
Зарегистрирован: 30 май 2012, 14:20
Репутация: 2858
Откуда: Тюмень
Контактная информация:

Re: Фрезер из графопостроителя

Сообщение Сергей Саныч »

odekolon писал(а):жесткость конструкции просто поражает - я на каретку смело сесть могу
я на диван смело сесть смогу - и что можно сказать про жесткость дивана?
Прочность и жесткость - все-таки разные вещи, особенно в применении к станку.

А про аппарат трудно что-то сказать - как правило, в них катались обычные подшипники по направляющим, а люфт выбирался пружинами. Это не лучший вариант для фрезерного станка.
Чудес не бывает. Бывают фокусы.
Аватара пользователя
odekolon
Мастер
Сообщения: 1125
Зарегистрирован: 05 ноя 2014, 14:53
Репутация: 360
Настоящее имя: Борис
Контактная информация:

Re: Фрезер из графопостроителя

Сообщение odekolon »

sergey27rus писал(а):А диаметры направляек? И как происходит преднатяг в каретках, подпружинен подшипник или эксентрик?
я щас пока далеко от железки, направляющие где-то 35 мм, шлифованый цельный прут.
люфт выбирается шайбами(толщиной) под винты , которыми подтягиваются подшипники, То есть все очень жестко.
"Капиталистом стать можно лишь тогда, когда обогатишь свою память знанием всех тех богатств, которые выработало человечество"
Аватара пользователя
sergey27rus
Почётный участник
Почётный участник
Сообщения: 1146
Зарегистрирован: 15 авг 2013, 07:22
Репутация: 730
Настоящее имя: Сергей
Откуда: Хабаровск Дальний Восток РФ
Контактная информация:

Re: Фрезер из графопостроителя

Сообщение sergey27rus »

Но все ровно если поставить все по центру стола, подставить индикатор и надавить, я думаю вы удивитесь.
Как вы будите ставить ось Z? У вас одна направляйка "силовая" другая просто поддерживает край, и нагрузку на себя не возьмет, а станина (из толстых труб) вернее масса и направляйки так сделаны для того, что б во время движения перо не дрожало, тем более в паре с зубчатой рейкой и ШД.
Аватара пользователя
odekolon
Мастер
Сообщения: 1125
Зарегистрирован: 05 ноя 2014, 14:53
Репутация: 360
Настоящее имя: Борис
Контактная информация:

Re: Фрезер из графопостроителя

Сообщение odekolon »

sergey27rus писал(а):Но все ровно если поставить все по центру стола, подставить индикатор и надавить, я думаю вы удивитесь.
Как вы будите ставить ось Z? У вас одна направляйка "силовая" другая просто поддерживает край, и нагрузку на себя не возьмет, а станина (из толстых труб) вернее масса и направляйки так сделаны для того, что б во время движения перо не дрожало, тем более в паре с зубчатой рейкой и ШД.
что-ж все может быть....
но на ощупь все жестко.. и в вертикальном направлении не люфтит ни вверх, ни вниз (на ощупь естественно).
поставим стол на ножки и будем посмотреть.
естественно от такой самоделки ждать высокой точности не приходится (ну по разным причинам), но бюждетный фрезер, мне кажется заработает.
"Капиталистом стать можно лишь тогда, когда обогатишь свою память знанием всех тех богатств, которые выработало человечество"
Аватара пользователя
Nick
Мастер
Сообщения: 22776
Зарегистрирован: 23 ноя 2009, 16:45
Репутация: 1735
Заслуга: Developer
Откуда: Gatchina, Saint-Petersburg distr., Russia
Контактная информация:

Re: Фрезер из графопостроителя

Сообщение Nick »

А почему бы и нет. 35-я направляшка это уже хорошо. Большинство китайских граверов на таком поле на 16-20мм ездит и ничего.
Пролет там не большой. Если есть выборка люфта, то все будет работать.
Правда когда повесишь шпиндель работчая область может уменьшится.

Тут главное что все готово - вложения это + ось + шпиндель и все.
Аватара пользователя
odekolon
Мастер
Сообщения: 1125
Зарегистрирован: 05 ноя 2014, 14:53
Репутация: 360
Настоящее имя: Борис
Контактная информация:

Re: Фрезер из графопостроителя

Сообщение odekolon »

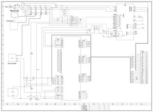
Схема пульта (7570 просмотров) <a class='original' href='./download/file.php?id=50686&mode=view' target=_blank>Загрузить оригинал (413.49 КБ)</a>
Схема пульта
Фрезер потихоньку делается
Выбраны люфты в цилиндрах, присобачены ножки
установлена ось Z и шпиндель
собираем пульт управления под LinuxCNC..
почти все из подручных материалов - что было, то и привинчиваем...
Вложения
ось Z и шпиндель (7570 просмотров) <a class='original' href='./download/file.php?id=50687&mode=view' target=_blank>Загрузить оригинал (119.54 КБ)</a>
ось Z и шпиндель
Пульт управления (7570 просмотров) <a class='original' href='./download/file.php?id=50688&mode=view' target=_blank>Загрузить оригинал (239.76 КБ)</a>
Пульт управления
Пульт в процессе монтажа (7570 просмотров) <a class='original' href='./download/file.php?id=50689&mode=view' target=_blank>Загрузить оригинал (281.53 КБ)</a>
Пульт в процессе монтажа
"Капиталистом стать можно лишь тогда, когда обогатишь свою память знанием всех тех богатств, которые выработало человечество"
Аватара пользователя
N1X
Мастер
Сообщения: 3653
Зарегистрирован: 16 фев 2015, 21:19
Репутация: 1646
Настоящее имя: Владимир
Откуда: Беларусь, Гомель
Контактная информация:

Re: Фрезер из графопостроителя

Сообщение N1X »

А суппорт Z висит на двух линейных подшипниках? :shock:
Аватара пользователя
odekolon
Мастер
Сообщения: 1125
Зарегистрирован: 05 ноя 2014, 14:53
Репутация: 360
Настоящее имя: Борис
Контактная информация:

Re: Фрезер из графопостроителя

Сообщение odekolon »

запустим пока так, а там видно будет...
"Капиталистом стать можно лишь тогда, когда обогатишь свою память знанием всех тех богатств, которые выработало человечество"
Аватара пользователя
odekolon
Мастер
Сообщения: 1125
Зарегистрирован: 05 ноя 2014, 14:53
Репутация: 360
Настоящее имя: Борис
Контактная информация:

Re: Фрезер из графопостроителя

Сообщение odekolon »

станочек собран, подключен
начинаем отладку...

Выстругали первый блин (пионерский значок - для тех кто не в курсе, а лысый дедушка - это ленин :hehehe: )
Он же, первый эксперимент в арткаме
размер 50х50, материал липа
строгали гравером, практически иголкой, (единственное, чего нашлось под рукой :( )
Вложения
вот такой пульт управления получился (7427 просмотров) <a class='original' href='./download/file.php?id=52119&mode=view' target=_blank>Загрузить оригинал (313.45 КБ)</a>
вот такой пульт управления получился
вид на рабочее поле, в качестве которого, привинтили пока  стандартную столешницу от кухни (7427 просмотров) <a class='original' href='./download/file.php?id=52120&mode=view' target=_blank>Загрузить оригинал (284.98 КБ)</a>
вид на рабочее поле, в качестве которого, привинтили пока стандартную столешницу от кухни
первый блин (7427 просмотров) <a class='original' href='./download/file.php?id=52121&mode=view' target=_blank>Загрузить оригинал (265.72 КБ)</a>
первый блин
он же после доработки шкуркой (7427 просмотров) <a class='original' href='./download/file.php?id=52122&mode=view' target=_blank>Загрузить оригинал (254.5 КБ)</a>
он же после доработки шкуркой
"Капиталистом стать можно лишь тогда, когда обогатишь свою память знанием всех тех богатств, которые выработало человечество"
Аватара пользователя
odekolon
Мастер
Сообщения: 1125
Зарегистрирован: 05 ноя 2014, 14:53
Репутация: 360
Настоящее имя: Борис
Контактная информация:

Re: Фрезер из графопостроителя

Сообщение odekolon »

ну что ж - основное сделано!
станок полносьтю собран и отлажен!
- сделана рабочая поверхность из фанеры 20мм по технологии http://www.cnc-club.ru/forum/viewtopic. ... 4&start=60
фанера лежит на трех регулируемых балках из профильной трубы. Это позволило выровнять рабочую поверхность относительно плоскости движения инструмента с точностью <0.2 мм.
в качестве гаек использованы такие штуки (по совету igorvpetrov) калибра М6
Изображение
шаг между точками крепежа 75 мм
- изготовлен набор прижимов и фиксаторов
- внедрена система компенсации длины инструмента http://www.cnc-club.ru/forum/viewtopic. ... &start=160
черная линия на рабочем поле - траектория к месту смены инструмента
-усилена конструкция оси Z (установлена еще пара линейных подшипников)
это сократило ход по оси Z
общие габариты рабочего поля получились 870х490х95

в планах - хотелось бы привинтить беспроводный джойстик, облагородить внешний вид, сделать управление шпинделем по Modbus
Вложения
рабочее поле (7182 просмотра) <a class='original' href='./download/file.php?id=57434&mode=view' target=_blank>Загрузить оригинал (919.66 КБ)</a>
рабочее поле
"Капиталистом стать можно лишь тогда, когда обогатишь свою память знанием всех тех богатств, которые выработало человечество"
Аватара пользователя
odekolon
Мастер
Сообщения: 1125
Зарегистрирован: 05 ноя 2014, 14:53
Репутация: 360
Настоящее имя: Борис
Контактная информация:

Может Nick медальку даст...

Сообщение odekolon »

История с фрезером из графопостроителя, привела к неожиданному результату:
пришел знакомый, увидел лошадь и решил приобресть станочек.
IMG_7967_cr2.jpg (6975 просмотров) <a class='original' href='./download/file.php?id=58619&mode=view' target=_blank>Загрузить оригинал (206.39 КБ)</a>

Кстати, лошади - как то связаны с кармой этого станка - самая первая попытка что-либо вырезать была именно лошадь (вышло правда коряво) :hehehe:
лошадь.jpg (6975 просмотров) <a class='original' href='./download/file.php?id=58620&mode=view' target=_blank>Загрузить оригинал (357.09 КБ)</a>
в дальнейшем, отработка технологии резания шла тоже на небольшой картинке "лошадь в подкове"

Может Nick медальку даст... :oops:

вопросы на медаль:

что в станке нравится?
(для просмотра содержимого нажмите на ссылку)
- бюджет
- некотрорая "брутальность" конструкции
Что в станке не нравится?
(для просмотра содержимого нажмите на ссылку)
- привод оси Z только с одной стороны (кстати, несмотря на то, что конструкция собрана для того чтоб "возить пером по бумаге" направляющие X установлены так, что способны принимать вертикальные нагрузки с двух сторон ) но все-таки таскать портал только с одной стороны как-то неправильно...
- поскольку привод Z установлен сбоку каретки, рабочая зона X "вылезла" за границы основного проема и чуток зашла на станину. Но нет худа без добра - просверлив дырку, в станине был установлен датчик определения высоты инструмента.
- жесткости все-таки не хватает - вчера попробовали обрабатывать дюраль с подачей 1000 мм\мин и съемом по вертикали 0,3 мм - виден характерный рисунок дрожания инструмента.

Что в следующий раз сделал бы по-другому?
(для просмотра содержимого нажмите на ссылку)
- не туда выведен кабель к станочному пульту -приходится отходить от пульта с клавой в руках чтоб смотреть на рабочее поле.
- датчики лимитов - только электронные!
- увеличил бы сечение профилей на которых лежит рабочая поверхность.
"Капиталистом стать можно лишь тогда, когда обогатишь свою память знанием всех тех богатств, которые выработало человечество"
Аватара пользователя
Nick
Мастер
Сообщения: 22776
Зарегистрирован: 23 ноя 2009, 16:45
Репутация: 1735
Заслуга: Developer
Откуда: Gatchina, Saint-Petersburg distr., Russia
Контактная информация:

Re: Фрезер из графопостроителя

Сообщение Nick »

+ медалька!
Ответить

Вернуться в «Фрезерные станки по дереву и пластикам, гравировальные станки, роутеры»