Японец BROTHER TC-229
- ScrewDriver
- Мастер
- Сообщения: 1942
- Зарегистрирован: 06 сен 2016, 01:44
- Репутация: 498
- Настоящее имя: Василий
- Откуда: Москва
- Контактная информация:
Re: Японец BROTHER TC-229
фильтрация помех это, высоковольтных
Промышленная автоматика, ПЛК, приводы, SCADA системы
Мой Ютуб канал.
Мой Ютуб канал.
-
aftaev
- Зачётный участник

- Сообщения: 34042
- Зарегистрирован: 04 апр 2010, 19:22
- Репутация: 6194
- Откуда: Казахстан.
- Контактная информация:
Re: Японец BROTHER TC-229
Запросто находиться, первая попавшая сцылка: https://prom.ua/p492909299-varistor-myg-20k911.html на 910вольтjohn1987887 писал(а):Во.
Дилетанту сложные вещи кажутся очень простыми, и только профессионал понимает насколько сложна самая простая вещь
Кто хочет - ищет возможности, кто не хочет - ищет оправдание.
Найди работу по душе и тебе не придется работать.
Кто хочет - ищет возможности, кто не хочет - ищет оправдание.
Найди работу по душе и тебе не придется работать.
-
john1987887
- Мастер
- Сообщения: 3296
- Зарегистрирован: 08 сен 2013, 17:26
- Репутация: 1802
- Контактная информация:
Re: Японец BROTHER TC-229
А что так много? В сети 380 напряжение может прыгнуть до 910?
Brother TC - 229 http://www.cnc-club.ru/forum/viewtopic. ... 46&t=15250
Brother TC - 225 viewtopic.php?f=146&t=31044
7045 http://www.cnc-club.ru/forum/viewtopic.php?t=6965
токарный http://www.cnc-club.ru/forum/viewtopic. ... 48&t=14096
Brother TC - 225 viewtopic.php?f=146&t=31044
7045 http://www.cnc-club.ru/forum/viewtopic.php?t=6965
токарный http://www.cnc-club.ru/forum/viewtopic. ... 48&t=14096
- ScrewDriver
- Мастер
- Сообщения: 1942
- Зарегистрирован: 06 сен 2016, 01:44
- Репутация: 498
- Настоящее имя: Василий
- Откуда: Москва
- Контактная информация:
Re: Японец BROTHER TC-229
импульсные помехи от ПЧ так срубаются. Это не защита от сети, это защита сети от ПЧ, что стоит в шкафу.john1987887 писал(а):В сети 380 напряжение может прыгнуть до 910?
Промышленная автоматика, ПЛК, приводы, SCADA системы
Мой Ютуб канал.
Мой Ютуб канал.
-
aftaev
- Зачётный участник

- Сообщения: 34042
- Зарегистрирован: 04 апр 2010, 19:22
- Репутация: 6194
- Откуда: Казахстан.
- Контактная информация:
Re: Японец BROTHER TC-229
Просто поставь как было и все. Стоит, значит нюжнЁjohn1987887 писал(а):А что так много? В сети 380 напряжение может прыгнуть до 910?
Дилетанту сложные вещи кажутся очень простыми, и только профессионал понимает насколько сложна самая простая вещь
Кто хочет - ищет возможности, кто не хочет - ищет оправдание.
Найди работу по душе и тебе не придется работать.
Кто хочет - ищет возможности, кто не хочет - ищет оправдание.
Найди работу по душе и тебе не придется работать.
-
john1987887
- Мастер
- Сообщения: 3296
- Зарегистрирован: 08 сен 2013, 17:26
- Репутация: 1802
- Контактная информация:
Re: Японец BROTHER TC-229
Поставлю.aftaev писал(а):Просто поставь как было и все.
Brother TC - 229 http://www.cnc-club.ru/forum/viewtopic. ... 46&t=15250
Brother TC - 225 viewtopic.php?f=146&t=31044
7045 http://www.cnc-club.ru/forum/viewtopic.php?t=6965
токарный http://www.cnc-club.ru/forum/viewtopic. ... 48&t=14096
Brother TC - 225 viewtopic.php?f=146&t=31044
7045 http://www.cnc-club.ru/forum/viewtopic.php?t=6965
токарный http://www.cnc-club.ru/forum/viewtopic. ... 48&t=14096
-
john1987887
- Мастер
- Сообщения: 3296
- Зарегистрирован: 08 сен 2013, 17:26
- Репутация: 1802
- Контактная информация:
Re: Японец BROTHER TC-229
Долго и кропотливо делаю новый шкаф. Заложил место и всякие автоматы/пускатели под 4-ю ось.
Присутствует полная номенклатура напряжений:
100 В, 220 В - одна фаза
200 В, 380 В - три фазы
Присутствует полная номенклатура напряжений:
100 В, 220 В - одна фаза
200 В, 380 В - три фазы
Brother TC - 229 http://www.cnc-club.ru/forum/viewtopic. ... 46&t=15250
Brother TC - 225 viewtopic.php?f=146&t=31044
7045 http://www.cnc-club.ru/forum/viewtopic.php?t=6965
токарный http://www.cnc-club.ru/forum/viewtopic. ... 48&t=14096
Brother TC - 225 viewtopic.php?f=146&t=31044
7045 http://www.cnc-club.ru/forum/viewtopic.php?t=6965
токарный http://www.cnc-club.ru/forum/viewtopic. ... 48&t=14096
-
john1987887
- Мастер
- Сообщения: 3296
- Зарегистрирован: 08 сен 2013, 17:26
- Репутация: 1802
- Контактная информация:
Re: Японец BROTHER TC-229
Привет. Есть вопрос по подключению тормозных резисторов к драйверам. На дровах есть три контакта В1, В2, В3. Резистор подключается между В1 и В2. Интересует, что за символ "+" нарисован рядом с контактом В1? В мануале он тоже нарисован, но никаких пояснений нету. У резистора ведь нету полярности. Я так понимаю, что это просто кусок проволоки (типа нихрома?) залитый в кирпич из керамики. Есть ли разница как его подключать? На выходах с резистора провода никак не обозначены.
Brother TC - 229 http://www.cnc-club.ru/forum/viewtopic. ... 46&t=15250
Brother TC - 225 viewtopic.php?f=146&t=31044
7045 http://www.cnc-club.ru/forum/viewtopic.php?t=6965
токарный http://www.cnc-club.ru/forum/viewtopic. ... 48&t=14096
Brother TC - 225 viewtopic.php?f=146&t=31044
7045 http://www.cnc-club.ru/forum/viewtopic.php?t=6965
токарный http://www.cnc-club.ru/forum/viewtopic. ... 48&t=14096
-
Duhas
- Мастер
- Сообщения: 1961
- Зарегистрирован: 10 окт 2015, 23:25
- Репутация: 285
- Настоящее имя: Андрей
- Откуда: Красноярск
- Контактная информация:
Re: Японец BROTHER TC-229
разницы быть не должно, +сом обозначен скорее всего горячий конец резистора, подключенный к положительному проводнику звена постоянного тока, а к минусу он коммутируется ключом.
- Hanter
- Мастер
- Сообщения: 5414
- Зарегистрирован: 27 янв 2012, 14:52
- Репутация: 4338
- Настоящее имя: Алексей
- Откуда: Питер
- Контактная информация:
Re: Японец BROTHER TC-229
+1. Резистор без разницы как подключать. насколько помню - где то упоминалось что на эти концы может быть заведена система регенерации, плюс помечен для нее. Плюс некоторые усилки могут быть подключены по ДС линии. может быть что и тут такая возможность заложена. Но для резистора пофигу.
Опыт - это когда на смену вопросам: "Что? Где? Когда? Как? Почему?" Приходит единственный вопрос: "Нахрена?"
==========================================
фрезерная и токарная обработка на станках с чпу.
Резка, гибка, сварка и порошковая окраса.
==========================================
фрезерная и токарная обработка на станках с чпу.
Резка, гибка, сварка и порошковая окраса.
-
john1987887
- Мастер
- Сообщения: 3296
- Зарегистрирован: 08 сен 2013, 17:26
- Репутация: 1802
- Контактная информация:
Re: Японец BROTHER TC-229
Родной провод от японца, идущий к резисторам, для каждой оси имел обозначения типа XRY и XRCOM, где Х - обозначение оси, R - resistor, Y и COM - соотв. контакты на драйвере. Получается мне нужно цеплять СОМ на В1, а У на В2? Или можно наоборот?Duhas писал(а):+сом обозначен скорее всего горячий конец резистора
Пока писал уже ответили. Всем спасибо.
Brother TC - 229 http://www.cnc-club.ru/forum/viewtopic. ... 46&t=15250
Brother TC - 225 viewtopic.php?f=146&t=31044
7045 http://www.cnc-club.ru/forum/viewtopic.php?t=6965
токарный http://www.cnc-club.ru/forum/viewtopic. ... 48&t=14096
Brother TC - 225 viewtopic.php?f=146&t=31044
7045 http://www.cnc-club.ru/forum/viewtopic.php?t=6965
токарный http://www.cnc-club.ru/forum/viewtopic. ... 48&t=14096
-
MGG
- Мастер
- Сообщения: 3673
- Зарегистрирован: 08 фев 2016, 16:33
- Репутация: 1010
- Настоящее имя: Манн Геннадий Геннадьевич
- Откуда: Москва
- Контактная информация:
Re: Японец BROTHER TC-229
Мануал глянул, b1 и b2 если внешний тормоз, b2 и b3 между собой воткнуть если встроенным пользоваться.
Понимаю что уже не актуально, но все же
Мануал чуть позже на почту свежий закину, что я кидал электронный первые версии, сейчас сам глянул испугался. Сейчас все гораздо лучше
Понимаю что уже не актуально, но все же
Мануал чуть позже на почту свежий закину, что я кидал электронный первые версии, сейчас сам глянул испугался. Сейчас все гораздо лучше
http://www.cnc-club.ru/forum/viewtopic. ... 76#p304076 Поставки оборудования для ваших станков
https://www.instagram.com/dtw.moscow/
dtw.moscow@gmail.com
https://www.instagram.com/dtw.moscow/
dtw.moscow@gmail.com
-
john1987887
- Мастер
- Сообщения: 3296
- Зарегистрирован: 08 сен 2013, 17:26
- Репутация: 1802
- Контактная информация:
Re: Японец BROTHER TC-229
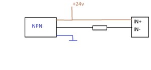
Привет! Есть вопрос по подключению индуктивного датчика NPN к плате развязки.
У меня на автосменщике установлен индуктивный NPN, который сигналит о том, что карусель вышла в нужное положение. Датчик на 24 вольта.
Ниже представлен отрывок из мануала на плату, из которого следует, что входы для датчиков имеют оптопары. И приведен пример подключения датчика. Я правильно понял, что пример представлен для PNP датчика? Соответственно, что подключить мой датчик, мне нужно действовать по следующей схеме? Или есть нюансы?
У меня на автосменщике установлен индуктивный NPN, который сигналит о том, что карусель вышла в нужное положение. Датчик на 24 вольта.
Ниже представлен отрывок из мануала на плату, из которого следует, что входы для датчиков имеют оптопары. И приведен пример подключения датчика. Я правильно понял, что пример представлен для PNP датчика? Соответственно, что подключить мой датчик, мне нужно действовать по следующей схеме? Или есть нюансы?
Brother TC - 229 http://www.cnc-club.ru/forum/viewtopic. ... 46&t=15250
Brother TC - 225 viewtopic.php?f=146&t=31044
7045 http://www.cnc-club.ru/forum/viewtopic.php?t=6965
токарный http://www.cnc-club.ru/forum/viewtopic. ... 48&t=14096
Brother TC - 225 viewtopic.php?f=146&t=31044
7045 http://www.cnc-club.ru/forum/viewtopic.php?t=6965
токарный http://www.cnc-club.ru/forum/viewtopic. ... 48&t=14096
-
Lunatic
- Мастер
- Сообщения: 460
- Зарегистрирован: 09 мар 2015, 20:25
- Репутация: 75
- Настоящее имя: Дмитрий
- Контактная информация:
Re: Японец BROTHER TC-229
Резистора от +24 до черного провода не хватает 1 кОм. Но тогда схема инверсная получается - при активном датчике входная оптопара не активна, и наоборот.
-
Lunatic
- Мастер
- Сообщения: 460
- Зарегистрирован: 09 мар 2015, 20:25
- Репутация: 75
- Настоящее имя: Дмитрий
- Контактная информация:
Re: Японец BROTHER TC-229
Или так с прямой логикой - датчик активен, оптопара активна.
-
Lunatic
- Мастер
- Сообщения: 460
- Зарегистрирован: 09 мар 2015, 20:25
- Репутация: 75
- Настоящее имя: Дмитрий
- Контактная информация:
Re: Японец BROTHER TC-229
Судя по мануалу в нем нарисован NPN датчик.
-
john1987887
- Мастер
- Сообщения: 3296
- Зарегистрирован: 08 сен 2013, 17:26
- Репутация: 1802
- Контактная информация:
Re: Японец BROTHER TC-229
Спасибо! Разобрался. Сначала не понял, что за значок на схеме у датчика, оказалось, что это нагрузка, которая и есть вход в оптопару.
Brother TC - 229 http://www.cnc-club.ru/forum/viewtopic. ... 46&t=15250
Brother TC - 225 viewtopic.php?f=146&t=31044
7045 http://www.cnc-club.ru/forum/viewtopic.php?t=6965
токарный http://www.cnc-club.ru/forum/viewtopic. ... 48&t=14096
Brother TC - 225 viewtopic.php?f=146&t=31044
7045 http://www.cnc-club.ru/forum/viewtopic.php?t=6965
токарный http://www.cnc-club.ru/forum/viewtopic. ... 48&t=14096
-
john1987887
- Мастер
- Сообщения: 3296
- Зарегистрирован: 08 сен 2013, 17:26
- Репутация: 1802
- Контактная информация:
Re: Японец BROTHER TC-229
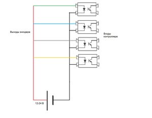
Дошло дело до подключения энкодера автосмены к плате развязки. Самый больной для меня вопрос на сегодня.
Энкодер представляет из себя простую плату, на которой размещены 5 ИК диодов и 5 ИК приемников.
Комбинацией этих диодов и приемников задается номер инструмента, который сейчас стоит в шпинделе. Все комбинации я проверил и составил таблицу.
Имеем следующую картину. Активные, в данный момент, выходы энкодера "звонятся" между собой в любой комбинации и имеют сопротивление 20 Ом, напряжения нет, тока нет. Как видим из таблицы, "белый" провод энкодера активен в любом положении карусели автосмены. Правильно ли я понял, что это общий контакт и через него мы должны завести либо 0 В, либо, 12-24 В? И вот вопрос, какое напряжение лучше выбрать и нужны ли резисторы? Или лучше завести общий 0 В? Домыслы попытался изобразить ниже.
Энкодер представляет из себя простую плату, на которой размещены 5 ИК диодов и 5 ИК приемников.
Комбинацией этих диодов и приемников задается номер инструмента, который сейчас стоит в шпинделе. Все комбинации я проверил и составил таблицу.
Имеем следующую картину. Активные, в данный момент, выходы энкодера "звонятся" между собой в любой комбинации и имеют сопротивление 20 Ом, напряжения нет, тока нет. Как видим из таблицы, "белый" провод энкодера активен в любом положении карусели автосмены. Правильно ли я понял, что это общий контакт и через него мы должны завести либо 0 В, либо, 12-24 В? И вот вопрос, какое напряжение лучше выбрать и нужны ли резисторы? Или лучше завести общий 0 В? Домыслы попытался изобразить ниже.
Brother TC - 229 http://www.cnc-club.ru/forum/viewtopic. ... 46&t=15250
Brother TC - 225 viewtopic.php?f=146&t=31044
7045 http://www.cnc-club.ru/forum/viewtopic.php?t=6965
токарный http://www.cnc-club.ru/forum/viewtopic. ... 48&t=14096
Brother TC - 225 viewtopic.php?f=146&t=31044
7045 http://www.cnc-club.ru/forum/viewtopic.php?t=6965
токарный http://www.cnc-club.ru/forum/viewtopic. ... 48&t=14096
-
Lunatic
- Мастер
- Сообщения: 460
- Зарегистрирован: 09 мар 2015, 20:25
- Репутация: 75
- Настоящее имя: Дмитрий
- Контактная информация:
Re: Японец BROTHER TC-229
Я бы нарисовал схему того что видно, ну т.е. видно только транзисторы (Q). Опять нужно знать NPN или PNP они, на них маркировка должна быть. Если напряжение 12В будет, то резисторов не надо точно, при 24В желательно 1кОм последовательно со входом оптопары контроллера.
-
Lunatic
- Мастер
- Сообщения: 460
- Зарегистрирован: 09 мар 2015, 20:25
- Репутация: 75
- Настоящее имя: Дмитрий
- Контактная информация:
Re: Японец BROTHER TC-229
Не очень видно на фото , одной ногой все транзисторы соединены вместе? Если соединены все вместе на GND, то транзисторы NPN и подключать по схеме как индуктивный датчик. Если общая точка транзисторов на 24В соединена, то PNP и подключать как ты нарисовал.