Homing configuration ?

Обсуждение установки, настройки и использования LinuxCNC. Вопросы по Gкоду.
Аватара пользователя
dinkata
Мастер
Сообщения: 1028
Зарегистрирован: 05 сен 2014, 09:07
Репутация: 391
Настоящее имя: Диньо
Откуда: Болгария
Контактная информация:

Homing configuration ?

Сообщение dinkata »

Смотрел ето ..http://cnc-club.ru/forum/viewtopic.php? ... 1348#p1348
и ето ...http://cnc-club.ru/forum/viewtopic.php? ... 0&start=20
и ето....http://www.linuxcnc.org/docs/devel/html ... oming.html
и не успел :thinking: понят как сделат Homing ,не разобрался с етими стрелочки ,
надеюс поймете моя диаграма и поможите как настроит конфигурация Homing
Вложения
HomingSequence.JPG (3993 просмотра) <a class='original' href='./download/file.php?id=35413&mode=view' target=_blank>Загрузить оригинал (119.47 КБ)</a>
Простите ошибки, я иностранец.У моя клавиатура нету "э" и "ы"
Аватара пользователя
Nick
Мастер
Сообщения: 22776
Зарегистрирован: 23 ноя 2009, 16:45
Репутация: 1735
Заслуга: Developer
Откуда: Gatchina, Saint-Petersburg distr., Russia
Контактная информация:

Re: Homing configuration ?

Сообщение Nick »

Лучше напиши словами, как тебе надо...

1. Едем до датчика
2. Уточняемся до ближайшего индекса в ту же сторону
3. Едем в положение дома в ту же сторону?

И лучше всего напиши координаты на оси
0. Начальное положение (приблизительно) (чтобы определить куда ехать)
1. положение датчика
2. положение помле хоуминга
Аватара пользователя
dinkata
Мастер
Сообщения: 1028
Зарегистрирован: 05 сен 2014, 09:07
Репутация: 391
Настоящее имя: Диньо
Откуда: Болгария
Контактная информация:

Re: Homing configuration ?

Сообщение dinkata »

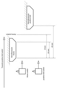
Должно работат по диаграм в прежний пост .Скорости я уточнят буду потом ,пока что сконфигурироват ?

1. Едем до датчика к positive limit Home search vel
2.С нажатием датчика замедляем на Home latch vel в ту же сторону
3.После отпускание датчика ждем индекс с Home final vel в ту же сторону
4. Уточняемся до ближайшего индекса в ту же сторону
5. Едем в положение дома в ту же сторону
Индекс на каждьйе 10 мм ( швп шаг 10 мм мотор с енкодером 1:1 к швп.)

Размерьй :
Вложения
HomingLimitSwitch.JPG (3963 просмотра) <a class='original' href='./download/file.php?id=35435&mode=view' target=_blank>Загрузить оригинал (95.1 КБ)</a>
Простите ошибки, я иностранец.У моя клавиатура нету "э" и "ы"
Аватара пользователя
dinkata
Мастер
Сообщения: 1028
Зарегистрирован: 05 сен 2014, 09:07
Репутация: 391
Настоящее имя: Диньо
Откуда: Болгария
Контактная информация:

Re: Homing configuration ?

Сообщение dinkata »

p.s. как я понял Linuxcnc смотрит ,если при команда Home датчик нажат ,то едет в обратная сторону и потом начинает
Homing (смотри диаграм Axis when Home switch is pressed )
А если находится после Home и перед Positive Limit ??!! :hehehe:
Простите ошибки, я иностранец.У моя клавиатура нету "э" и "ы"
Аватара пользователя
Nick
Мастер
Сообщения: 22776
Зарегистрирован: 23 ноя 2009, 16:45
Репутация: 1735
Заслуга: Developer
Откуда: Gatchina, Saint-Petersburg distr., Russia
Контактная информация:

Re: Homing configuration ?

Сообщение Nick »

HOME_OFFSET = 25.4
HOME_SEARCH_VEL = 127 - больше 0 едем в сторону +
HOME_LATCH_VEL = 25.4 - больше 0 будем уточнять в сторону +
HOME_USE_INDEX = YES - уточнение по индексу
HOME = 0.0 - положение в конце.

HOME_IGNORE_LIMITS = YES (возможно, если датчик=концевик)

только будет 1 отличие:
dinkata писал(а):1. Едем до датчика к positive limit Home search vel
2.С нажатием датчика замедляем на Home latch vel в ту же сторону
Вот тут сначала отъедем назад до отпускания датчика и будем искать метку в сторону +
3.После отпускание датчика ждем индекс с Home final vel в ту же сторону
4. Уточняемся до ближайшего индекса в ту же сторону
5. Едем в положение дома в ту же сторону
dinkata писал(а):p.s. как я понял Linuxcnc смотрит ,если при команда Home датчик нажат ,то едет в обратная сторону и потом начинает
Homing (смотри диаграм Axis when Home switch is pressed )
да
dinkata писал(а):А если находится после Home и перед Positive Limit ??!!
тогда доедет до лимита и ругнется на лимит. Поэтому home лучше ставить с краю оси. Но, не обязательно.
Аватара пользователя
dinkata
Мастер
Сообщения: 1028
Зарегистрирован: 05 сен 2014, 09:07
Репутация: 391
Настоящее имя: Диньо
Откуда: Болгария
Контактная информация:

Re: Homing configuration ?

Сообщение dinkata »

Спасибо Nick
Nick писал(а):HOME_OFFSET = 25.4

что означает 25 .4 ,извини не понял
Простите ошибки, я иностранец.У моя клавиатура нету "э" и "ы"
Аватара пользователя
dinkata
Мастер
Сообщения: 1028
Зарегистрирован: 05 сен 2014, 09:07
Репутация: 391
Настоящее имя: Диньо
Откуда: Болгария
Контактная информация:

Re: Homing configuration ?

Сообщение dinkata »

Nick писал(а):только будет 1 отличие:
нет ,нет ..
нажимаем датчик едем в ту сторону после 20 мм вьйходим ,отпускания датчика..
все делается к концевик в ++
Простите ошибки, я иностранец.У моя клавиатура нету "э" и "ы"
Аватара пользователя
Nick
Мастер
Сообщения: 22776
Зарегистрирован: 23 ноя 2009, 16:45
Репутация: 1735
Заслуга: Developer
Откуда: Gatchina, Saint-Petersburg distr., Russia
Контактная информация:

Re: Homing configuration ?

Сообщение Nick »

dinkata писал(а):что означает 25 .4 ,извини не понял
это положение датчика home + индексная метка. Т.е. та координата, которую надо установить, когда найдем метку.
dinkata писал(а):нет ,нет ..
нажимаем датчик едем в ту сторону после 20 мм вьйходим ,отпускания датчика..
все делается к концевик в ++
Это прям обязательно-обязательно?
Чем это обусловлено?
Датчик плохо срабатывает на нажимание со стороны -? Вылезает за пределы +-индексная метка?
Аватара пользователя
Serg
Мастер
Сообщения: 21923
Зарегистрирован: 17 апр 2012, 14:58
Репутация: 5183
Заслуга: c781c134843e0c1a3de9
Настоящее имя: Сергей
Откуда: Москва
Контактная информация:

Re: Homing configuration ?

Сообщение Serg »

dinkata писал(а):нет ,нет ..
нажимаем датчик едем в ту сторону после 20 мм вьйходим ,отпускания датчика..
все делается к концевик в ++
LinuxCNC так не умеет.

А можно фотку датчиков?..
Я не Христос, рыбу не раздаю, но могу научить, как сделать удочку...
Аватара пользователя
dinkata
Мастер
Сообщения: 1028
Зарегистрирован: 05 сен 2014, 09:07
Репутация: 391
Настоящее имя: Диньо
Откуда: Болгария
Контактная информация:

Re: Homing configuration ?

Сообщение dinkata »

UAVpilot писал(а): LinuxCNC так не умеет
Дааа,об етом я и поднимаю тему .Что то нехорошо сделано руководство с те стрелочки (на мой взгляд,лучше диаграм как в первий пост )
Спасибо вам,сейчас понял почему Releases находится перед Trips ,логика такая :
Nick писал(а):
1. Едем до датчика к positive limit Home search vel
2.С нажатием датчика замедляем на Home latch vel в ту же сторону
Вот тут сначала отъедем назад до отпускания датчика и будем искать метку в сторону +
3.После отпускание датчика ждем индекс с Home final vel в ту же сторону
4. Уточняемся до ближайшего индекса в ту же сторону
5. Едем в положение дома в ту же сторону
да ,можно и так сделат если повторно нажатие датчика не будет мешат (или оно включает Home final vel ??нет нет ети стрелочки меня запутали ) .
Но лучше бьй бьйло все в одно направление делат
зачем замедление ,останов,ускорение опят ..
UAVpilot писал(а):А можно фотку датчиков?..
завтра сделаю и вьйложу.
Вложения
switch_trips_releases.jpg (3925 просмотров) <a class='original' href='./download/file.php?id=35456&mode=view' target=_blank>Загрузить оригинал (59.05 КБ)</a>
Простите ошибки, я иностранец.У моя клавиатура нету "э" и "ы"
Аватара пользователя
Nick
Мастер
Сообщения: 22776
Зарегистрирован: 23 ноя 2009, 16:45
Репутация: 1735
Заслуга: Developer
Откуда: Gatchina, Saint-Petersburg distr., Russia
Контактная информация:

Re: Homing configuration ?

Сообщение Nick »

Первоначальный поиск концевика идет на большой скорости, вдруг на ней мы первый индекс проскочим? Поэтому останавливаемся едем назад и ищем заново. Кстати, если уточнять в противоположную сторону, то отъезда не будет.
Аватара пользователя
dinkata
Мастер
Сообщения: 1028
Зарегистрирован: 05 сен 2014, 09:07
Репутация: 391
Настоящее имя: Диньо
Откуда: Болгария
Контактная информация:

Re: Homing configuration ?

Сообщение dinkata »

Все ето потому что станок должен работат как и ранше -
http://cnc-club.ru/forum/viewtopic.php?f=3&t=5697
X и Y как нибудь ,но Z должен уходит в Home position как и ранше ,там точка смена инструмента .
Nick писал(а): Кстати, если уточнять в противоположную сторону, то отъезда не будет.
Ладно ,все таки такая диаграм (первий пост ) можно ли добьйтся ?
Можно ли через HOME_OFFSET изменят положение HOME POSITION ?
Простите ошибки, я иностранец.У моя клавиатура нету "э" и "ы"
Аватара пользователя
Serg
Мастер
Сообщения: 21923
Зарегистрирован: 17 апр 2012, 14:58
Репутация: 5183
Заслуга: c781c134843e0c1a3de9
Настоящее имя: Сергей
Откуда: Москва
Контактная информация:

Re: Homing configuration ?

Сообщение Serg »

Мне как-то сомнительно, что позиция HOME находится между концевиком HOME-SWITCH и LIMIT-SWITCH... На всех станках, что я встречал HOME была перед концевиком HOME-SWITCH
Я не Христос, рыбу не раздаю, но могу научить, как сделать удочку...
Аватара пользователя
dinkata
Мастер
Сообщения: 1028
Зарегистрирован: 05 сен 2014, 09:07
Репутация: 391
Настоящее имя: Диньо
Откуда: Болгария
Контактная информация:

Re: Homing configuration ?

Сообщение dinkata »

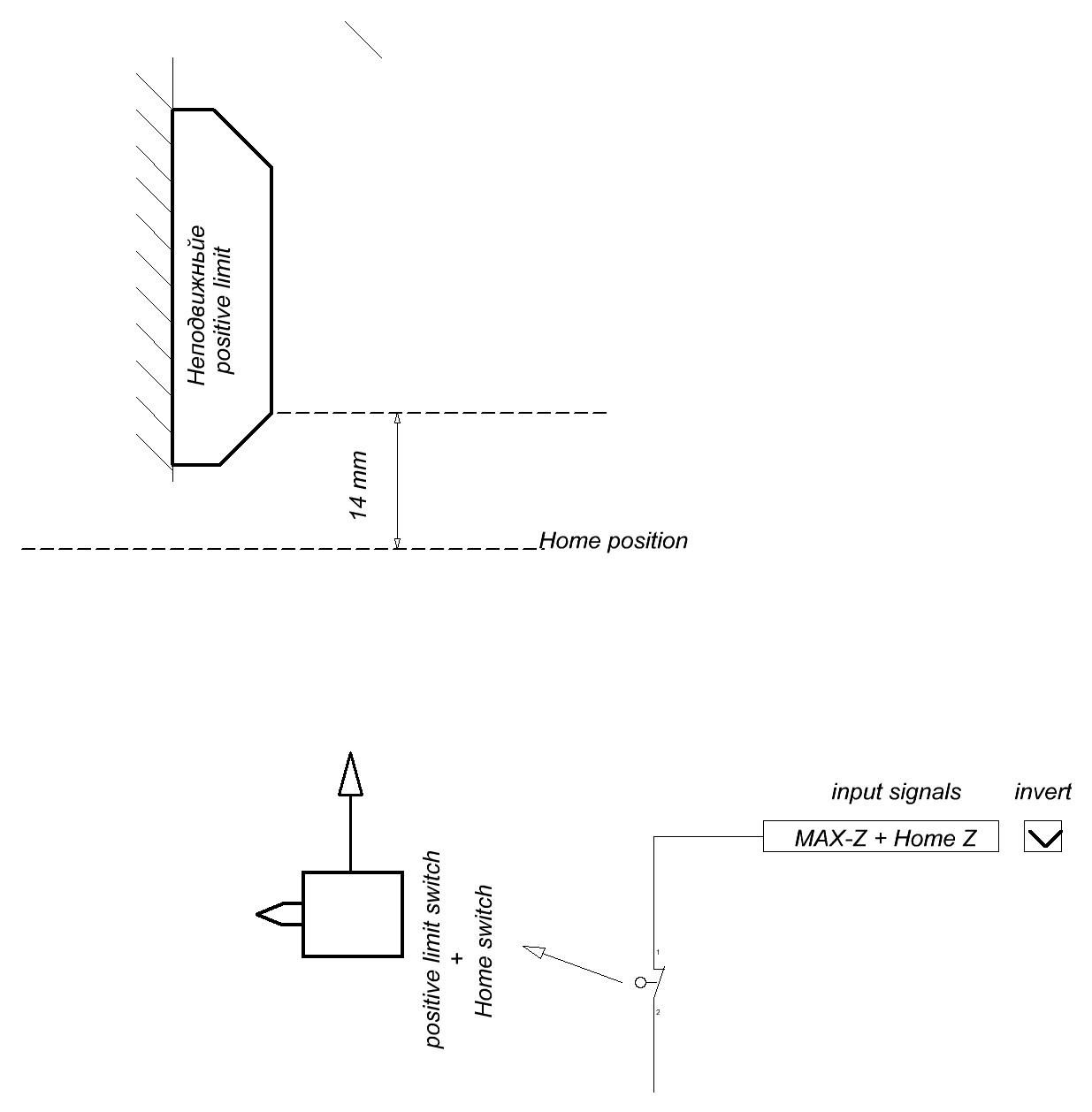
UAVpilot писал(а): позиция HOME находится между концевиком HOME-SWITCH и LIMIT-SWITCH
На РВ501.24 именно так сделано , не знаю в Россия ест ли такие станки , 5 координатньйе МС032 знаю что ест много.
На фото концевики (на станок не именно етие ,но похожие ) ,там в один корпус ,которьй прикреплен к Z концевики и хоум ,
на фото "HomingLimitSwitch"" разположение кулачки которьйе прикрепленьйе к станину вверх , конец Z в + .
Homing Z работает сейчас так ,при команда хоум едем к Positiwe LimitSwitch ,с нажатием HOME-SWITCH
замедляет и в ту сторону потихонко ( сходит с кулачок с другой сторону ) ищет индекс и останов в HOME ,
все ето в одно направление к Positiwe LimitSwitch .Для меня важно сохранит именно ето разстояние на фото.
А можно сделат как вариант для хоума пользоват Positiwe LimitSwitch и HOME_IGNORE_LIMITS = YES ,для етого хотел
разобратся что вводит в HOME_OFFSET и в HOME Position .
Вложения
Limitswitch_1.jpg (3898 просмотров) <a class='original' href='./download/file.php?id=35477&mode=view' target=_blank>Загрузить оригинал (47.44 КБ)</a>
Limitswitch_2.jpg (3898 просмотров) <a class='original' href='./download/file.php?id=35478&mode=view' target=_blank>Загрузить оригинал (48.33 КБ)</a>
HomingLimitSwitch.JPG (3898 просмотров) <a class='original' href='./download/file.php?id=35480&mode=view' target=_blank>Загрузить оригинал (78.89 КБ)</a>
Простите ошибки, я иностранец.У моя клавиатура нету "э" и "ы"
Аватара пользователя
dinkata
Мастер
Сообщения: 1028
Зарегистрирован: 05 сен 2014, 09:07
Репутация: 391
Настоящее имя: Диньо
Откуда: Болгария
Контактная информация:

Re: Homing configuration ?

Сообщение dinkata »

dinkata писал(а):А можно сделат как вариант для хоума пользоват Positiwe LimitSwitch и HOME_IGNORE_LIMITS = YES
Тогда по вариант 3 можно ли конфигурироват следущее :
Positive travel distance = 25
Negative travel distance =-650
HOME _position location = 0.0
HOME_OFFSET = 14

HOME_SEARCH_VEL = 150
Search direction =Towards positive limit
HOME_LATCH_VEL = -20
Latch direction =opposite
HOME_FINAL_VEL = 10

HOME_USE_INDEX = YES
HOME_IGNORE_LIMITS = YES
Вложения
variant3.JPG (3889 просмотров) <a class='original' href='./download/file.php?id=35481&mode=view' target=_blank>Загрузить оригинал (19.71 КБ)</a>
Home&Limit.JPG (3889 просмотров) <a class='original' href='./download/file.php?id=35482&mode=view' target=_blank>Загрузить оригинал (69.7 КБ)</a>
Простите ошибки, я иностранец.У моя клавиатура нету "э" и "ы"
Аватара пользователя
dinkata
Мастер
Сообщения: 1028
Зарегистрирован: 05 сен 2014, 09:07
Репутация: 391
Настоящее имя: Диньо
Откуда: Болгария
Контактная информация:

Re: Homing configuration ?

Сообщение dinkata »

А вот и фото перед хоум и в хоум
Вложения
перед &quot;0&quot; (3877 просмотров) <a class='original' href='./download/file.php?id=35486&mode=view' target=_blank>Загрузить оригинал (474.14 КБ)</a>
перед "0"
в &quot;0&quot; (3877 просмотров) <a class='original' href='./download/file.php?id=35487&mode=view' target=_blank>Загрузить оригинал (873.69 КБ)</a>
в "0"
Простите ошибки, я иностранец.У моя клавиатура нету "э" и "ы"
Аватара пользователя
Nick
Мастер
Сообщения: 22776
Зарегистрирован: 23 ноя 2009, 16:45
Репутация: 1735
Заслуга: Developer
Откуда: Gatchina, Saint-Petersburg distr., Russia
Контактная информация:

Re: Homing configuration ?

Сообщение Nick »

Там съезд более плавный - датчик лучше должен работать со стороны -...
Аватара пользователя
Сергей Саныч
Мастер
Сообщения: 9116
Зарегистрирован: 30 май 2012, 14:20
Репутация: 2858
Откуда: Тюмень
Контактная информация:

Re: Homing configuration ?

Сообщение Сергей Саныч »

Если "продлить" вверх выступ Home (сделать накладку), то стандартный алгоритм поиска нуля LCNC будет работать как надо.
Чудес не бывает. Бывают фокусы.
Аватара пользователя
Nick
Мастер
Сообщения: 22776
Зарегистрирован: 23 ноя 2009, 16:45
Репутация: 1735
Заслуга: Developer
Откуда: Gatchina, Saint-Petersburg distr., Russia
Контактная информация:

Re: Homing configuration ?

Сообщение Nick »

В принципе после хоуминга можешь останавливаться где угодно.
Скажем, положение HOME = 1000 (максимальный предел)
Ставишь HOME_OFFSET = 990 (момент срабатывания индекса)
Ну и пусть он у тебя дернется лишний раз для поиска, в итоге всеравно окажется в 1000.
Кстати про смену инструмента, не обязательно для нее каждый раз хоумится, можешь написать G53 G0 Z1000, и станок приедет в нужную точку.
Аватара пользователя
Serg
Мастер
Сообщения: 21923
Зарегистрирован: 17 апр 2012, 14:58
Репутация: 5183
Заслуга: c781c134843e0c1a3de9
Настоящее имя: Сергей
Откуда: Москва
Контактная информация:

Re: Homing configuration ?

Сообщение Serg »

Можно сделать вот так:

HOME = 0.0
HOME_OFFSET = 31.0

Home будет где надо, только находить его оно будет по своему... :)
Я не Христос, рыбу не раздаю, но могу научить, как сделать удочку...
Ответить

Вернуться в «LinuxCNC»