Серводрайвер AASD 30A проблема с Alarmom

Контроллеры, драйверы, датчики, управляющие устройства.
Den116
Новичок
Сообщения: 11
Зарегистрирован: 30 окт 2022, 20:00
Репутация: 1
Настоящее имя: Денис
Контактная информация:

Серводрайвер AASD 30A проблема с Alarmom

Сообщение Den116 »

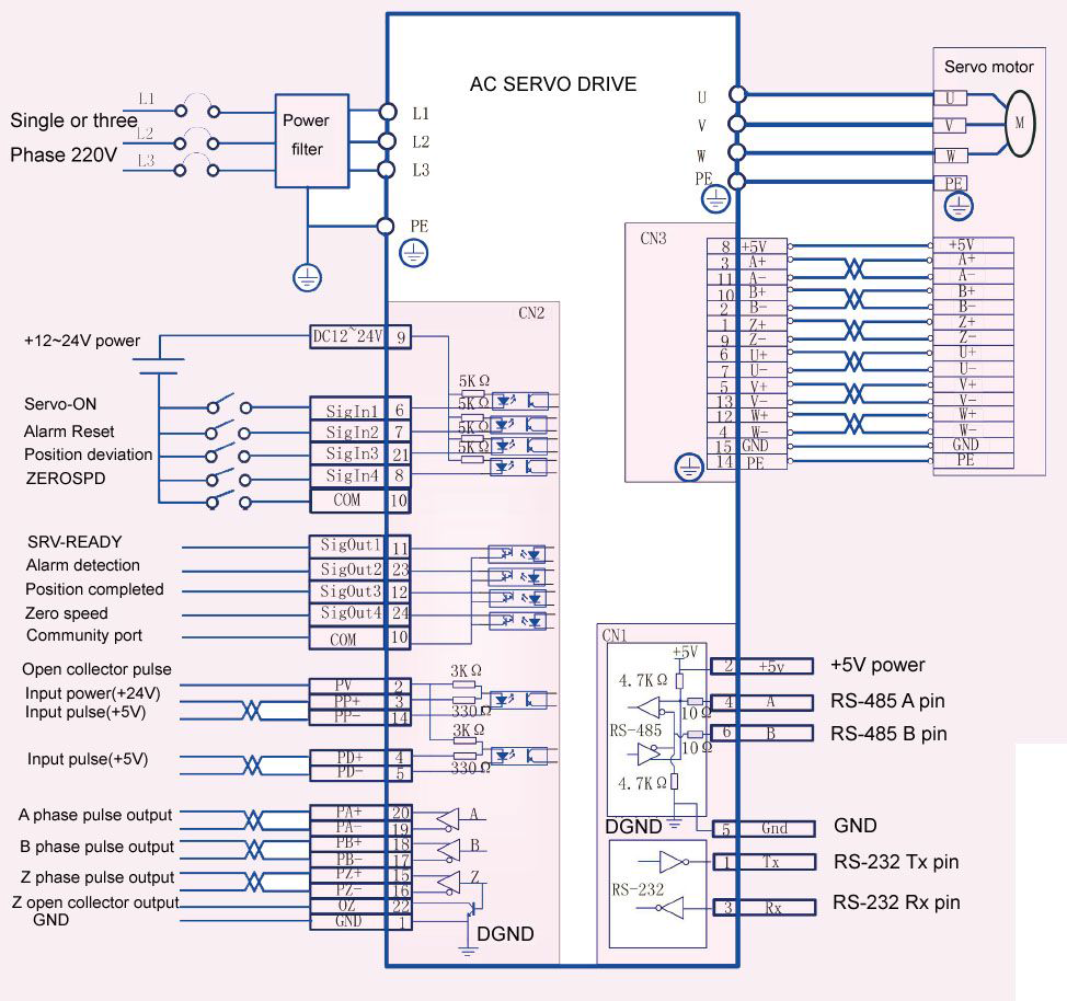
Приветствую!Возникла неожиданная проблема с подключением выхода ALARM с серводрайвера к стойке.В серводрайвере на выходе нормально замкнутые контакты при штатной работе,соответственно при аварии размыкаются.Проблема в том что на выходе нет "ноля".То есть выходной пин не звониться ни с чем.На выходе при штатной работе какой то потенциал непонятный в пол вольта.А мне нужен "ноль"для стойки.Пробовал уже переназачать этот сигнал на другие выходы.Та же ситуация.Драйвер вроде распространенный.Может кто сталкивался.Подскажите пожайлуста.
Вложения
AASD.png (3356 просмотров) <a class='original' href='./download/file.php?id=212360&mode=view' target=_blank>Загрузить оригинал (618.11 КБ)</a>
Vitalii
Опытный
Сообщения: 164
Зарегистрирован: 08 янв 2017, 05:18
Репутация: 77
Настоящее имя: Vitaliy
Откуда: Россия, Ульяновск
Контактная информация:

Re: Серводрайвер AASD 30A проблема с Alarmom

Сообщение Vitalii »

Что за стойка, к которой подключаете? Схему ее входов приведите, так будет легче помочь.

Но выход у вашего серводрайвера не нормально замкнутый, а открытый коллектор.
Den116
Новичок
Сообщения: 11
Зарегистрирован: 30 окт 2022, 20:00
Репутация: 1
Настоящее имя: Денис
Контактная информация:

Re: Серводрайвер AASD 30A проблема с Alarmom

Сообщение Den116 »

Vitalii писал(а): 23 авг 2024, 22:31 Что за стойка, к которой подключаете? Схему ее входов приведите, так будет легче помочь.

Но выход у вашего серводрайвера не нормально замкнутый, а открытый коллектор.
Стойка SZGH990
Вложения
AASD.thumb.png.5348f2047246cf9a07da085132e5e2e2.png
AASD.thumb.png.5348f2047246cf9a07da085132e5e2e2.png (49.96 КБ) 3327 просмотров
627344134_AASD2.thumb.png.708f65fcf1943b2e6cc28ef2cc314d89.png
627344134_AASD2.thumb.png.708f65fcf1943b2e6cc28ef2cc314d89.png (24.55 КБ) 3327 просмотров
Аватара пользователя
at90
Мастер
Сообщения: 666
Зарегистрирован: 08 окт 2011, 23:22
Репутация: 174
Контактная информация:

Re: Серводрайвер AASD 30A проблема с Alarmom

Сообщение at90 »

Нужно выход резистором подтянуть к 0. Это особенность открытого коллектора
Фрезы для чпу www.carbidetools.ru
Аватара пользователя
at90
Мастер
Сообщения: 666
Зарегистрирован: 08 окт 2011, 23:22
Репутация: 174
Контактная информация:

Re: Серводрайвер AASD 30A проблема с Alarmom

Сообщение at90 »

Нужно выход резистором подтянуть к 0. Это особенность открытого коллектора
Фрезы для чпу www.carbidetools.ru
Den116
Новичок
Сообщения: 11
Зарегистрирован: 30 окт 2022, 20:00
Репутация: 1
Настоящее имя: Денис
Контактная информация:

Re: Серводрайвер AASD 30A проблема с Alarmom

Сообщение Den116 »

То есть к 23 пину подать ноль через резистор?А куда подключить выход -ноль к стойке?
Den116
Новичок
Сообщения: 11
Зарегистрирован: 30 окт 2022, 20:00
Репутация: 1
Настоящее имя: Денис
Контактная информация:

Re: Серводрайвер AASD 30A проблема с Alarmom

Сообщение Den116 »

Оказалось ,что всё гораздо проще .Пин 23 который отвечает за сигнал Аларм не работает.Оптопара не срабатывает.Переназначил этот сигнал на другой выход и всё заработало.Какой то косяк китайцев
Ответить

Вернуться в «Электроника»