Подключение и настройка серв Panasonic Minas
- Evgen91
- Опытный
- Сообщения: 164
- Зарегистрирован: 20 июн 2018, 20:25
- Репутация: 15
- Настоящее имя: Евгений
- Откуда: Курган
- Контактная информация:
Подключение и настройка серв Panasonic Minas
И так.
Встал вопрос запуска двух разных серв от панасоника.
На токарном Minas E серия 400ватт (урезанные сервы с управлением только по позиции - степ/дир)
и есть Minas A5 750 ватт на фрезерный.
Подергался я по интернету и по форуму, вроде бы, по крупинкам можно собрать и подключить, но готовой схемы (для деревянного чайника в вопросах сервоприводов нет). Так, чтобы распаял, подключил и поехал резать.
Решил создать тему конкретно про сервы панасоник и всё, что с ними связано.
Ниже начну описывать свой опыт и конкретные схемы.
Встал вопрос запуска двух разных серв от панасоника.
На токарном Minas E серия 400ватт (урезанные сервы с управлением только по позиции - степ/дир)
и есть Minas A5 750 ватт на фрезерный.
Подергался я по интернету и по форуму, вроде бы, по крупинкам можно собрать и подключить, но готовой схемы (для деревянного чайника в вопросах сервоприводов нет). Так, чтобы распаял, подключил и поехал резать.
Решил создать тему конкретно про сервы панасоник и всё, что с ними связано.
Ниже начну описывать свой опыт и конкретные схемы.
Последний раз редактировалось Evgen91 15 янв 2020, 12:48, всего редактировалось 2 раза.
- Evgen91
- Опытный
- Сообщения: 164
- Зарегистрирован: 20 июн 2018, 20:25
- Репутация: 15
- Настоящее имя: Евгений
- Откуда: Курган
- Контактная информация:
Re: Panasonic Minas E серия не соединяется с компьютером.
Все-таки руки из задницы)
Криво распаял простейший разъём.
Автотюнинг это тема - увеличиваешь "уровень" от раза к разу, привод меняет параметры, повышая ускорения, пока не вываливается в ошибку. Перезаписываешь данные и настройка оси готова)
Криво распаял простейший разъём.
Автотюнинг это тема - увеличиваешь "уровень" от раза к разу, привод меняет параметры, повышая ускорения, пока не вываливается в ошибку. Перезаписываешь данные и настройка оси готова)
- Evgen91
- Опытный
- Сообщения: 164
- Зарегистрирован: 20 июн 2018, 20:25
- Репутация: 15
- Настоящее имя: Евгений
- Откуда: Курган
- Контактная информация:
Re: Подключение и настройка серв Panasonic Minas
На второе сообщение не обращаем внимание - тему и первое сообщение переделал, а второе ни удалить, ни отредактировать не могу.
В общем, питание в моторы завел,
через специальную программу Panaterm сервы покрутил,
пытался порулить через мач3 - не вышло (забыл, что lpt не материнке, а через PCI).
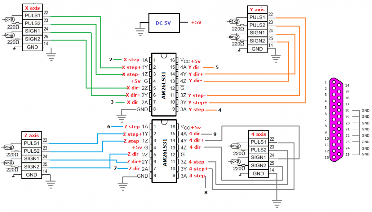
Пока экспериментировал, спалил квадрантный драйвер AM26LS31, через который было организовал подключение от lpt в разъем управления сервы по первой схеме.
Заказал AM26LS31, жду, а пока хочу подключить сервы по схеме открытого коллектора (по второй схеме).
В связи с этим вопрос - как понять, какой транзистор мне нужен. Как понять его характеристики/модель?
И подскажите пожалуйста по внешнему источнику питания. Указано, что максимальное напряжение 24 вольта - с этим все понятно, диапазон 12-24 в, а ток всего 10мА - это ток, который должен идти на пины усилителя от внешнего питания? Или ток на транзисторы после резисторов?
В общем, питание в моторы завел,
через специальную программу Panaterm сервы покрутил,
пытался порулить через мач3 - не вышло (забыл, что lpt не материнке, а через PCI).
Пока экспериментировал, спалил квадрантный драйвер AM26LS31, через который было организовал подключение от lpt в разъем управления сервы по первой схеме.
Заказал AM26LS31, жду, а пока хочу подключить сервы по схеме открытого коллектора (по второй схеме).
В связи с этим вопрос - как понять, какой транзистор мне нужен. Как понять его характеристики/модель?
И подскажите пожалуйста по внешнему источнику питания. Указано, что максимальное напряжение 24 вольта - с этим все понятно, диапазон 12-24 в, а ток всего 10мА - это ток, который должен идти на пины усилителя от внешнего питания? Или ток на транзисторы после резисторов?
-
aftaev
- Зачётный участник

- Сообщения: 34042
- Зарегистрирован: 04 апр 2010, 19:22
- Репутация: 6194
- Откуда: Казахстан.
- Контактная информация:
Re: Подключение и настройка серв Panasonic Minas
Там не указано что диапазон 12-24в. Если 24в то резистор 2кОм. Если 12в то резистор 1кОм. Можно хоть на 36вольт пересчитатьEvgen91 писал(а): Указано, что максимальное напряжение 24 вольта - с этим все понятно, диапазон 12-24 в,
Ток который должен протекать через оптопару чтоб она открылась. Или ток после резистора.Evgen91 писал(а): а ток всего 10мА - это ток, который должен идти на пины усилителя от внешнего питания? Или ток на транзисторы после резисторов?
Погугли сколько мА "выдает" LPT. Нагрузочная способность LPT. Оптопаре нужно 10мА. Будет понятно почему не выйдет, хоть материнка хоть PCIEvgen91 писал(а):пытался порулить через мач3 - не вышло (забыл, что lpt не материнке, а через PCI).
из гугла:
В современных LPT-портах, нагрузочная способность выходов в нормальном режиме не более 5 мА и зависит от чипа, на котором...
Дилетанту сложные вещи кажутся очень простыми, и только профессионал понимает насколько сложна самая простая вещь
Кто хочет - ищет возможности, кто не хочет - ищет оправдание.
Найди работу по душе и тебе не придется работать.
Кто хочет - ищет возможности, кто не хочет - ищет оправдание.
Найди работу по душе и тебе не придется работать.
- Evgen91
- Опытный
- Сообщения: 164
- Зарегистрирован: 20 июн 2018, 20:25
- Репутация: 15
- Настоящее имя: Евгений
- Откуда: Курган
- Контактная информация:
Re: Подключение и настройка серв Panasonic Minas
Evgen91 писал(а):пытался порулить через мач3 - не вышло (забыл, что lpt не материнке, а через PCI).
Спасибо, немного проясняется, но я немного не о том)aftaev писал(а): Погугли сколько мА "выдает" LPT. Нагрузочная способность LPT. Оптопаре нужно 10мА. Будет понятно почему не выйдет, хоть материнка хоть PCI
из гугла:
В современных LPT-портах, нагрузочная способность выходов в нормальном режиме не более 5 мА и зависит от чипа, на котором...
из мач3 я пытался рулить через AM26LS31 по схеме но в тот момент сигналы от PCI-LPT не шли на сервы, потому что мач3 не туда отправлял сигналы, lpt порт неверно был забит в мач3.
Потом я еще ступил/поменял полярность 5в на AM26LS31 и он пшикнул с дымом))
Заказал AM26LS31, но ехать будут неделю.
Сейчас lpt настроил, (подключал шаговик - крутится как надо).
Поэтому сервы решил пока без дайвера AM26LS31, а по открытому коллектору.
У панасоников нарисованы еще транзисторы, а их характеристик не указано, вот и хз, какие ставить.
- Evgen91
- Опытный
- Сообщения: 164
- Зарегистрирован: 20 июн 2018, 20:25
- Репутация: 15
- Настоящее имя: Евгений
- Откуда: Курган
- Контактная информация:
Re: Подключение и настройка серв Panasonic Minas
А, вроде, все посто.
По схеме транзистор npn
Нашел вот такой
https://www.chipdip.ru/product/kt3102vm-integral
Структура npn
Макс. напр. к-б при заданном обратном токе к и разомкнутой цепи э.(Uкбо макс),В 30
Макс. напр. к-э при заданном токе к и разомкнутой цепи б.(Uкэо макс),В 30
Максимально допустимый ток к ( Iк макс.А) 0.2
Вроде так.
Просто, нужно было посмотреть, какие они бывают - там и ответы нашлись)
По схеме транзистор npn
Нашел вот такой
https://www.chipdip.ru/product/kt3102vm-integral
Структура npn
Макс. напр. к-б при заданном обратном токе к и разомкнутой цепи э.(Uкбо макс),В 30
Макс. напр. к-э при заданном токе к и разомкнутой цепи б.(Uкэо макс),В 30
Максимально допустимый ток к ( Iк макс.А) 0.2
Вроде так.
Просто, нужно было посмотреть, какие они бывают - там и ответы нашлись)
-
aftaev
- Зачётный участник

- Сообщения: 34042
- Зарегистрирован: 04 апр 2010, 19:22
- Репутация: 6194
- Откуда: Казахстан.
- Контактная информация:
Re: Подключение и настройка серв Panasonic Minas
Адрес порта был неправильно указан.Evgen91 писал(а):потому что мач3 не туда отправлял сигналы, lpt порт неверно был забит в мач3.
У Панасов вроде есть высокоскоростной вход. Вот его скорее всего можно напрямую на ЛПТ.Evgen91 писал(а):Поэтому сервы решил пока без дайвера AM26LS31, а по открытому коллектору.
Многие маломощные подойдут. Я бы их с какой нибудь старой техники выпаял.Evgen91 писал(а):У панасоников нарисованы еще транзисторы, а их характеристик не указано, вот и хз, какие ставить.
Дилетанту сложные вещи кажутся очень простыми, и только профессионал понимает насколько сложна самая простая вещь
Кто хочет - ищет возможности, кто не хочет - ищет оправдание.
Найди работу по душе и тебе не придется работать.
Кто хочет - ищет возможности, кто не хочет - ищет оправдание.
Найди работу по душе и тебе не придется работать.
- Evgen91
- Опытный
- Сообщения: 164
- Зарегистрирован: 20 июн 2018, 20:25
- Репутация: 15
- Настоящее имя: Евгений
- Откуда: Курган
- Контактная информация:
Re: Подключение и настройка серв Panasonic Minas
Е серия, вроде, не имеет, хотя, я не разбираюсь в этом)aftaev писал(а):У Панасов вроде есть высокоскоростной вход. Вот его скорее всего можно напрямую на ЛПТ.Evgen91 писал(а):Поэтому сервы решил пока без дайвера AM26LS31, а по открытому коллектору.
Уже сгонял купил вот такие КТ3102ВМaftaev писал(а):Многие маломощные подойдут. Я бы их с какой нибудь старой техники выпаял.Evgen91 писал(а):У панасоников нарисованы еще транзисторы, а их характеристик не указано, вот и хз, какие ставить.
Сейчас мелочь уложу спать и пойду паять)
- Evgen91
- Опытный
- Сообщения: 164
- Зарегистрирован: 20 июн 2018, 20:25
- Репутация: 15
- Настоящее имя: Евгений
- Откуда: Курган
- Контактная информация:
Re: Подключение и настройка серв Panasonic Minas
Вчера допустил ошибку -изменил параметры настроек серв, именно выбор режимов и т.д., и не записал что и куда менял
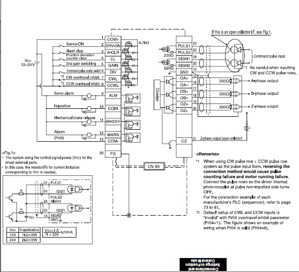
В общем, при включении питания серва начинает биться в конвульсиях - как-будто вращается туда-сюда, но вращения не происходит и она вылетает в ошибку по перегрузу (16 overload) через несколько секунд. При этом, управляющие сигналы не подключены совсем. Серва сама по себе дрыгается, как будто на одном месте ловит позицию и пролетает ее туда-обратно в обоих направлениях, вибрируя всем своим тельцем.
На нее поданы только 24В COM+, COM-, и минус с COM- заведен еще на Servo-ON, CWL и CCWL.
Сейчас не могу вернуть обратно

В общем, при включении питания серва начинает биться в конвульсиях - как-будто вращается туда-сюда, но вращения не происходит и она вылетает в ошибку по перегрузу (16 overload) через несколько секунд. При этом, управляющие сигналы не подключены совсем. Серва сама по себе дрыгается, как будто на одном месте ловит позицию и пролетает ее туда-обратно в обоих направлениях, вибрируя всем своим тельцем.
На нее поданы только 24В COM+, COM-, и минус с COM- заведен еще на Servo-ON, CWL и CCWL.
Сейчас не могу вернуть обратно
-
aftaev
- Зачётный участник

- Сообщения: 34042
- Зарегистрирован: 04 апр 2010, 19:22
- Репутация: 6194
- Откуда: Казахстан.
- Контактная информация:
Re: Подключение и настройка серв Panasonic Minas
Проверить все фазы подключены у мотора и заземление.Evgen91 писал(а):как-будто вращается туда-сюда, но вращения не происходит и она вылетает в ошибку по перегрузу (16 overload) через несколько секунд.
Дилетанту сложные вещи кажутся очень простыми, и только профессионал понимает насколько сложна самая простая вещь
Кто хочет - ищет возможности, кто не хочет - ищет оправдание.
Найди работу по душе и тебе не придется работать.
Кто хочет - ищет возможности, кто не хочет - ищет оправдание.
Найди работу по душе и тебе не придется работать.
- Evgen91
- Опытный
- Сообщения: 164
- Зарегистрирован: 20 июн 2018, 20:25
- Репутация: 15
- Настоящее имя: Евгений
- Откуда: Курган
- Контактная информация:
Re: Подключение и настройка серв Panasonic Minas
Ок, спасибо,aftaev писал(а):Проверить все фазы подключены у мотора и заземление.Evgen91 писал(а):как-будто вращается туда-сюда, но вращения не происходит и она вылетает в ошибку по перегрузу (16 overload) через несколько секунд.
сейчас как раз пойду в цех, проверю, хотя, до этого было все норм, а я ничего не трогал в коммутации питания. Провода прикручены намертво.
-
aftaev
- Зачётный участник

- Сообщения: 34042
- Зарегистрирован: 04 апр 2010, 19:22
- Репутация: 6194
- Откуда: Казахстан.
- Контактная информация:
Re: Подключение и настройка серв Panasonic Minas
Если заземление отваливается, может дергаться.
Если какой либо параметр ПИд накрутил сильно или задал большую жесткость сервы , то будет дегаться, а потом в ошибку.
Если какой либо параметр ПИд накрутил сильно или задал большую жесткость сервы , то будет дегаться, а потом в ошибку.
Дилетанту сложные вещи кажутся очень простыми, и только профессионал понимает насколько сложна самая простая вещь
Кто хочет - ищет возможности, кто не хочет - ищет оправдание.
Найди работу по душе и тебе не придется работать.
Кто хочет - ищет возможности, кто не хочет - ищет оправдание.
Найди работу по душе и тебе не придется работать.
- Evgen91
- Опытный
- Сообщения: 164
- Зарегистрирован: 20 июн 2018, 20:25
- Репутация: 15
- Настоящее имя: Евгений
- Откуда: Курган
- Контактная информация:
Re: Подключение и настройка серв Panasonic Minas
Жесткость и пид в целом настаивал через автотюнинг,aftaev писал(а):Если заземление отваливается, может дергаться.
Если какой либо параметр ПИд накрутил сильно или задал большую жесткость сервы , то будет дергаться, а потом в ошибку.
а вот некоторые другие параметры, которые отвечают за выбор режима управления и т.д. подкручивал в надежде завести сервы от лпт.
В итоге виноват в дерганье сервы был параметр Pr21 - был выставлен на 0. Вчера переставил на 4 (мотор откручен от механики станка) и серва перестала вываливаться в ошибку.
Запустил через мач3, но едет только в одну сторону. Во вторую реакция есть, но с места сдвинуться не может.
Когда закрыл мач, серва медленно начала вращаться в одну сторону. Наводка или ошибка в распайке управляющих поводов от степ дир к пинам sign1/2 и puls1/2 c внешней подпиткой от 24В. Когда отключаю 24в на входах puls/sign, то серва хорошо встает в удержание.
Сегодня еще раз проверю провода, и буду ждать драйвера am26ls31, поскольку все равно хочу увеличить пропускную способность по частоте (мач с простой опторазвязкой, скорей всего, буду менять на линукс с рязанской месой), да и в мануалах пишут, что такая схема более защищенная от помех.
- Maxekb77
- Мастер
- Сообщения: 1658
- Зарегистрирован: 05 окт 2013, 00:04
- Репутация: 285
- Настоящее имя: Максим
- Откуда: Екатеринбург
- Контактная информация:
Re: Подключение и настройка серв Panasonic Minas
А зачем на степ\дир +24в ?
У меня от 5 работает
У меня от 5 работает
- Evgen91
- Опытный
- Сообщения: 164
- Зарегистрирован: 20 июн 2018, 20:25
- Репутация: 15
- Настоящее имя: Евгений
- Откуда: Курган
- Контактная информация:
Re: Подключение и настройка серв Panasonic Minas
Честно - не знаю зачем)Maxekb77 писал(а):А зачем на степ\дир +24в ?
У меня от 5 работает
Я действую по мануалу,
но у других приводов видел, что другими напряжениями подпитывают.
Может, попробую убрать 24, но сейчас 2-3 дня буду точить, а потом уже и драйвера приедут AM26LS31
- Maxekb77
- Мастер
- Сообщения: 1658
- Зарегистрирован: 05 окт 2013, 00:04
- Репутация: 285
- Настоящее имя: Максим
- Откуда: Екатеринбург
- Контактная информация:
Re: Подключение и настройка серв Panasonic Minas
Evgen91,
24в только на энейбл и питание внутренней электроники.
А степ\дир на прямую от месы +5в.
24в только на энейбл и питание внутренней электроники.
А степ\дир на прямую от месы +5в.
- Serg
- Мастер
- Сообщения: 21923
- Зарегистрирован: 17 апр 2012, 14:58
- Репутация: 5183
- Заслуга: c781c134843e0c1a3de9
- Настоящее имя: Сергей
- Откуда: Москва
- Контактная информация:
Re: Подключение и настройка серв Panasonic Minas
24В подаётся только для питания гальванически изолированных входов и выходов. Можно подавать как от внешнего источника, так и от внутреннего маломощного, специально выведенного на разъём с входами/выходами.Maxekb77 писал(а):24в только на энейбл и питание внутренней электроники.
В мануале довольно чётко сказано какое напряжение и как нало подавать на step/dir, Сам же запостил картинку в #3. Если подать 24В напрямую, то оптроны скорее всего сгорят.Evgen91 писал(а):Я действую по мануалу,
Я не Христос, рыбу не раздаю, но могу научить, как сделать удочку...
- Maxekb77
- Мастер
- Сообщения: 1658
- Зарегистрирован: 05 окт 2013, 00:04
- Репутация: 285
- Настоящее имя: Максим
- Откуда: Екатеринбург
- Контактная информация:
Re: Подключение и настройка серв Panasonic Minas
Это где такой ?UAVpilot писал(а):так и от внутреннего маломощного, специально выведенного на разъём с входами/выходами.
- Evgen91
- Опытный
- Сообщения: 164
- Зарегистрирован: 20 июн 2018, 20:25
- Репутация: 15
- Настоящее имя: Евгений
- Откуда: Курган
- Контактная информация:
Re: Подключение и настройка серв Panasonic Minas
Я не напрямую, я через резистор, строго по схеме. Если я все правильно понимаю, конечно)UAVpilot писал(а):В мануале довольно чётко сказано какое напряжение и как нало подавать на step/dir, Сам же запостил картинку в #3. Если подать 24В напрямую, то оптроны скорее всего сгорят.Evgen91 писал(а):Я действую по мануалу,
На схеме открываем транзистор управляющим сигналом с лпт, и транзистор пускает 24В через резистор 2кОм, чтобы на входе усилителя через оптроны получить ток около 10мА (24В/2000Ом).
Верно?
Последний раз редактировалось Evgen91 19 янв 2020, 20:36, всего редактировалось 1 раз.
- Evgen91
- Опытный
- Сообщения: 164
- Зарегистрирован: 20 июн 2018, 20:25
- Репутация: 15
- Настоящее имя: Евгений
- Откуда: Курган
- Контактная информация:
Re: Подключение и настройка серв Panasonic Minas
Это не во всех усилителях, вроде, есть.Maxekb77 писал(а):Это где такой ?UAVpilot писал(а):так и от внутреннего маломощного, специально выведенного на разъём с входами/выходами.
Наверно, из 3х220 не получить постоянные 24,
а если 1х220, то, бывает и внутренний преобразователь, от которого прямо в разъёме можно поставить перемычки на некоторые пины для постоянной запитки.