Параллелограмм по цветнухе 300х300х100
- BlackBeard
- Кандидат
- Сообщения: 43
- Зарегистрирован: 20 ноя 2015, 18:16
- Репутация: 15
- Настоящее имя: Константин
- Контактная информация:
Параллелограмм по цветнухе 300х300х100
Однако здравствуйте.
Вздумалось построить себе небольшого помощника для мелких работ. Есть тяжелый станок на ISO30, но гонять его по штучной мелочи - занятие убыточное.
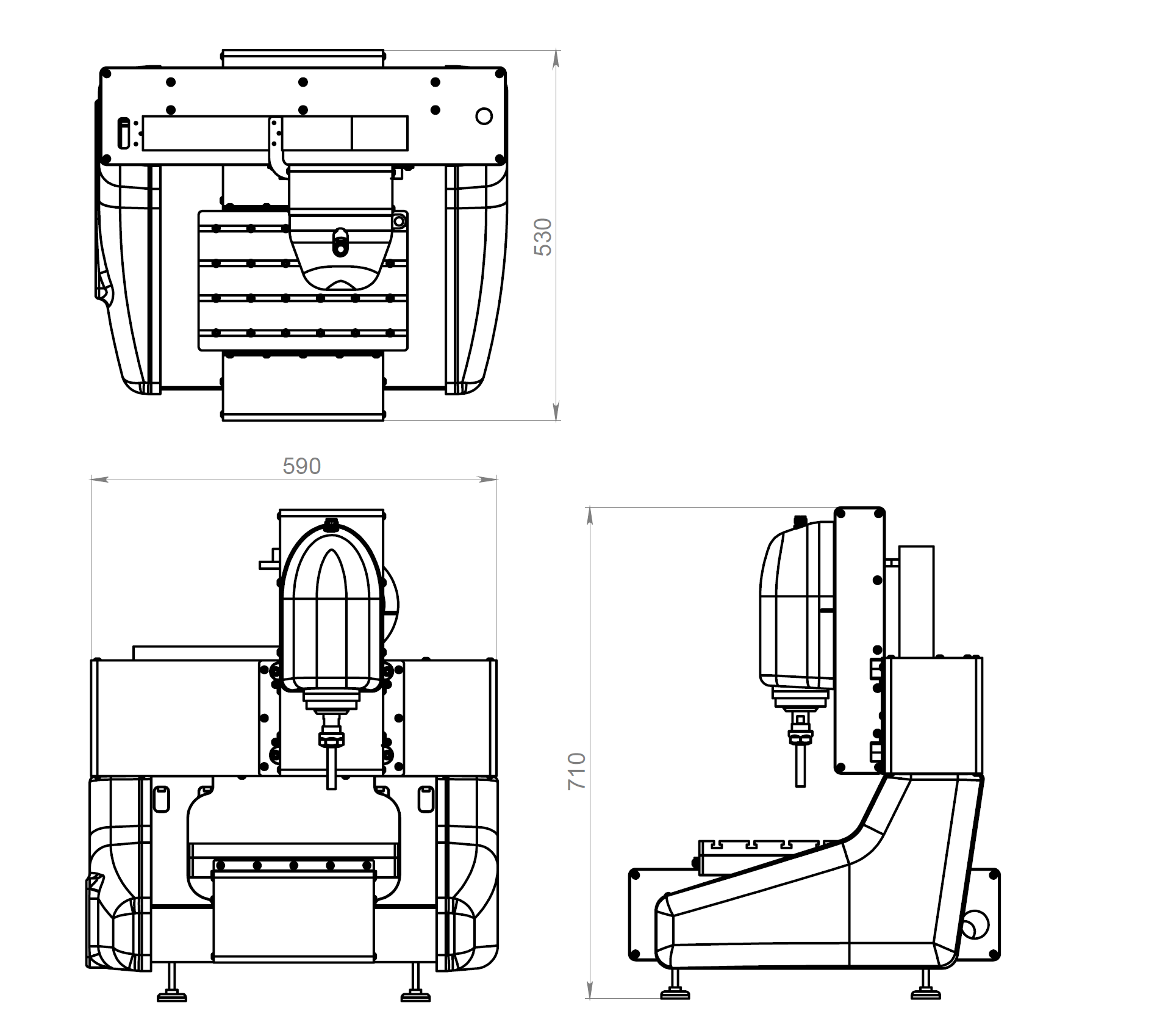
Задача: максимально компактный и производительный станок из доступных комплектующих.
Конструктив из дюралевой плиты 30мм. Ориентирован на минимизацию стыков и примыканий, а так же изготовление всех "баз" в одну установку (везде, кроме Zетки).
Запас жесткости вышел просто конский, что наталкивает на мысли об облегчении.
Шаговики Nema23 2nm с обратной связью.
На X и Y - ременная передача HTD5M 10мм шириной.
Шпиндель - водяной китай 2,2.
ШВП 1204 сдвоенные одинарные гайки.
HGR15 направляйки.
Механика и приводы - самый доступный китай.
Расчетный суммарный вес ~60кг.
Мозги - kFlop.
Интересна критика бывалых и опытных. Для меня это только второй станок, который строю, первый - чугунный, с силовым шпинделем. Здесь же специфика - чуть иная)
Так что с Вас - здравая критика и советы, с меня - процесс освещение процесса постройки.
Вздумалось построить себе небольшого помощника для мелких работ. Есть тяжелый станок на ISO30, но гонять его по штучной мелочи - занятие убыточное.
Задача: максимально компактный и производительный станок из доступных комплектующих.
Конструктив из дюралевой плиты 30мм. Ориентирован на минимизацию стыков и примыканий, а так же изготовление всех "баз" в одну установку (везде, кроме Zетки).
Запас жесткости вышел просто конский, что наталкивает на мысли об облегчении.
Шаговики Nema23 2nm с обратной связью.
На X и Y - ременная передача HTD5M 10мм шириной.
Шпиндель - водяной китай 2,2.
ШВП 1204 сдвоенные одинарные гайки.
HGR15 направляйки.
Механика и приводы - самый доступный китай.
Расчетный суммарный вес ~60кг.
Мозги - kFlop.
Интересна критика бывалых и опытных. Для меня это только второй станок, который строю, первый - чугунный, с силовым шпинделем. Здесь же специфика - чуть иная)
Так что с Вас - здравая критика и советы, с меня - процесс освещение процесса постройки.
Последний раз редактировалось BlackBeard 18 фев 2019, 03:38, всего редактировалось 1 раз.
- mikehv
- Мастер
- Сообщения: 2115
- Зарегистрирован: 14 авг 2013, 10:10
- Репутация: 1175
- Откуда: Иваново
- Контактная информация:
Re: Сумо по цветнухе 300х300х100
Если честно, то конского запаса жёсткости не увидел. Возьмите уж лучше готовый проект из имеющихся на форуме.
-
vladumur
- Мастер
- Сообщения: 278
- Зарегистрирован: 07 авг 2014, 16:44
- Репутация: 37
- Откуда: Россия, Красноярский край
- Контактная информация:
Re: Сумо по цветнухе 300х300х100
30 mm плиты мало.
Отлейте из (выбрать) - бетона, пилимербетона, полимергранита. 200, а лучше 300 мм плиту.
Вот тогда это будет "Сумо в чпу" или наоборот.
Отлейте из (выбрать) - бетона, пилимербетона, полимергранита. 200, а лучше 300 мм плиту.
Вот тогда это будет "Сумо в чпу" или наоборот.
- BlackBeard
- Кандидат
- Сообщения: 43
- Зарегистрирован: 20 ноя 2015, 18:16
- Репутация: 15
- Настоящее имя: Константин
- Контактная информация:
Re: Сумо по цветнухе 300х300х100
Прежде чем создавать тему очень сомневался, нужно ли оно мне. Ибо в интернете все такие умные, один я дурак.
Не имея никаких исходных данных, даже банальной длины пролёта... Вы УВИДЕЛИ ЖЕСТКОСТЬ! Божечки ж ты мой!
Какие там нафиг расчеты однопролетных балок, колонн... Вы же выше этого, да?)
mikehv писал(а):конского запаса жёсткости не увидел
Спасибо что оправдали мои ожидания.vladumur писал(а):30 mm плиты мало.
Не имея никаких исходных данных, даже банальной длины пролёта... Вы УВИДЕЛИ ЖЕСТКОСТЬ! Божечки ж ты мой!
Какие там нафиг расчеты однопролетных балок, колонн... Вы же выше этого, да?)
- frezeryga
- Почётный участник

- Сообщения: 13713
- Зарегистрирован: 18 авг 2013, 16:08
- Репутация: 5069
- Откуда: Жуковский
- Контактная информация:
Re: Сумо по цветнухе 300х300х100
Для такого маленького поля подвижный портал не актуально.
email frezeryga@yandex.ru
instagram https://www.instagram.com/frezeryga
telegram https://t.me/md_cnc_frezeryga https://t.me/frezeryga
instagram https://www.instagram.com/frezeryga
telegram https://t.me/md_cnc_frezeryga https://t.me/frezeryga
- Umnik
- Мастер
- Сообщения: 2563
- Зарегистрирован: 20 июл 2014, 19:32
- Репутация: 2153
- Настоящее имя: Георгий
- Откуда: Калуга
- Контактная информация:
Re: Сумо по цветнухе 300х300х100
Не надо так напрягаться.
Вы ожидали сплошняком хвалебные комментарии?
Если нет, то чего на вполне невинный первый ответ в теме такой высокопарный пост строчить?..
Привели бы сразу в первом своем сообщении примеры расчетов, если уж вы такой супер инженер-станкостроитель.
Что мне не нравится - балка портала из двух кусков, обратная схема оси z и отсутствие косынок на стойках портала.
Вы ожидали сплошняком хвалебные комментарии?
Если нет, то чего на вполне невинный первый ответ в теме такой высокопарный пост строчить?..
Привели бы сразу в первом своем сообщении примеры расчетов, если уж вы такой супер инженер-станкостроитель.
Что мне не нравится - балка портала из двух кусков, обратная схема оси z и отсутствие косынок на стойках портала.
- frezeryga
- Почётный участник

- Сообщения: 13713
- Зарегистрирован: 18 авг 2013, 16:08
- Репутация: 5069
- Откуда: Жуковский
- Контактная информация:
Re: Сумо по цветнухе 300х300х100
Вот готовый проверенный http://www.cnc-club.ru/forum/viewtopic. ... 20#p485843
email frezeryga@yandex.ru
instagram https://www.instagram.com/frezeryga
telegram https://t.me/md_cnc_frezeryga https://t.me/frezeryga
instagram https://www.instagram.com/frezeryga
telegram https://t.me/md_cnc_frezeryga https://t.me/frezeryga
- NKS
- Мастер
- Сообщения: 2516
- Зарегистрирован: 30 окт 2014, 21:36
- Репутация: 1233
- Настоящее имя: Сергей
- Откуда: Волгоград
- Контактная информация:
Re: Сумо по цветнухе 300х300х100
Да этого сумоиста фрезерюга одним мизинцем на пять миллимов обезменит, к гадалке не ходи
-
tehnic
- Мастер
- Сообщения: 346
- Зарегистрирован: 02 апр 2018, 23:23
- Репутация: 20
- Настоящее имя: Александр
- Контактная информация:
Re: Сумо по цветнухе 300х300х100
Очередной "сопливый" станок с конским запасом жесткости

- BlackBeard
- Кандидат
- Сообщения: 43
- Зарегистрирован: 20 ноя 2015, 18:16
- Репутация: 15
- Настоящее имя: Константин
- Контактная информация:
Re: Сумо по цветнухе 300х300х100
Станок будет стоять дома, минимальный габаритный размер в приоритете.frezeryga писал(а):Для такого маленького поля подвижный портал не актуально.
При подвижном портале весь станок умещается в шкафчик 500х550. При этом имею большой стол с "мертвой зоной" сзади, где можно спрятать бабку 4ой оси и прочее добро.
Аналогичная конструкция с подвижным столиком занимает больше места из-за вылетов стола это автоматически 600мм в длину. А если захочешь стол длиннее, чем ход - получишь еще больше.
В ширину стол едва больше, чем рабочее поле. А ведь надо куда-то деть прихваты и всякие крепежи.
На подвижный стол уходит заметно больше металла (на все ребра жесткости в т.ч.). В итоге при аналогичной жесткости получается ощутимо более затратный и тяжелый станок.
Вышенаписанное с учетом того, что каждая деталь не должна превышать 500х400мм. Это комфортная рабочая зона станка, на котором сие будет изготовлено.
У подвижного стола есть преимущества. Как минимум его юстировать проще. Но тут выбор в сторону компактности, мобильности и транспортабельности.
Вот наглядно и с образмеркой:
- frezeryga
- Почётный участник

- Сообщения: 13713
- Зарегистрирован: 18 авг 2013, 16:08
- Репутация: 5069
- Откуда: Жуковский
- Контактная информация:
Re: Сумо по цветнухе 300х300х100
А зачем квадратное поле? Оно редко надо.
email frezeryga@yandex.ru
instagram https://www.instagram.com/frezeryga
telegram https://t.me/md_cnc_frezeryga https://t.me/frezeryga
instagram https://www.instagram.com/frezeryga
telegram https://t.me/md_cnc_frezeryga https://t.me/frezeryga
- BlackBeard
- Кандидат
- Сообщения: 43
- Зарегистрирован: 20 ноя 2015, 18:16
- Репутация: 15
- Настоящее имя: Константин
- Контактная информация:
Re: Сумо по цветнухе 300х300х100
Детали мелкие, форма рабочего поля принципиальной роли не играет. Если стоит задача делать большую деталь - для этого есть большой станок.frezeryga писал(а):А зачем квадратное поле? Оно редко надо.
Но даже если вытянуть его вдоль Y, получится поле ~200х350. Это мало что меняет: стол "впритык", вес - избыточный.
На втором скрине "раскройка" двух вариантов. Ходячий стол, кило, эдак, на 10, тяжелее.
Последний раз редактировалось BlackBeard 18 фев 2019, 03:36, всего редактировалось 1 раз.
- frezeryga
- Почётный участник

- Сообщения: 13713
- Зарегистрирован: 18 авг 2013, 16:08
- Репутация: 5069
- Откуда: Жуковский
- Контактная информация:
Re: Сумо по цветнухе 300х300х100
размеры моих станков с полем 300х200 компактней уже некуда.
email frezeryga@yandex.ru
instagram https://www.instagram.com/frezeryga
telegram https://t.me/md_cnc_frezeryga https://t.me/frezeryga
instagram https://www.instagram.com/frezeryga
telegram https://t.me/md_cnc_frezeryga https://t.me/frezeryga
- xenon-alien
- Почётный участник

- Сообщения: 4520
- Зарегистрирован: 01 янв 2013, 13:13
- Репутация: 925
- Настоящее имя: Daniel
- Откуда: Закарпатская обл. Украина
- Контактная информация:
Re: Сумо по цветнухе 300х300х100
Вы же понимаете, что 3 оси на одной "опоре" и 2 оси на "одной" опоре разные показатели по жесткости.
Ну и какие-то косынки или заднюю плиту тоже предусмотрите, а то при движении вправо-влево будет "параллелограмм" с портала.
Ну и какие-то косынки или заднюю плиту тоже предусмотрите, а то при движении вправо-влево будет "параллелограмм" с портала.
- BlackBeard
- Кандидат
- Сообщения: 43
- Зарегистрирован: 20 ноя 2015, 18:16
- Репутация: 15
- Настоящее имя: Константин
- Контактная информация:
Re: Сумо по цветнухе 300х300х100
Вы уж извините, но повторять я их не буду.frezeryga писал(а):размеры моих станков с полем 300х200 компактней уже некуда.
Огромное количество деталек, стыков и соединений. Каждый торец подреж, выставь, закрепи... Мне один станок хватило собрать, чтоб больше по этим граблям не ходить.
Для людей, которые строят на коленке - это, бесспорно, выход из положения. Но зачем мне весь этот гемор, когда я могу фрезернуть 9 цельных элементов и сложить их в конструкцию?
Туда же и прикручивание рельс к станочному профилю без бокового упора... Это все от безвыходности.
Ваш проект 400х600 - вот это уже гораздо ближе к истине.
- frezeryga
- Почётный участник

- Сообщения: 13713
- Зарегистрирован: 18 авг 2013, 16:08
- Репутация: 5069
- Откуда: Жуковский
- Контактная информация:
Re: Сумо по цветнухе 300х300х100
Мне есть где фрезеровать просто ненужно излишне усложнять там где это ненужно. Вот ваш портал с дыркой это очень неудачное решение.
email frezeryga@yandex.ru
instagram https://www.instagram.com/frezeryga
telegram https://t.me/md_cnc_frezeryga https://t.me/frezeryga
instagram https://www.instagram.com/frezeryga
telegram https://t.me/md_cnc_frezeryga https://t.me/frezeryga
- BlackBeard
- Кандидат
- Сообщения: 43
- Зарегистрирован: 20 ноя 2015, 18:16
- Репутация: 15
- Настоящее имя: Константин
- Контактная информация:
Re: Сумо по цветнухе 300х300х100
Парам-парам-пам-параллелограмм.xenon-alien писал(а):Ну и какие-то косынки или заднюю плиту тоже предусмотрите, а то при движении вправо-влево будет "параллелограмм" с портала.
- vovafed
- Мастер
- Сообщения: 1822
- Зарегистрирован: 08 фев 2013, 16:19
- Репутация: 325
- Настоящее имя: Владимир
- Откуда: башкортостан
- Контактная информация:
Re: Параллелограмм по цветнухе 300х300х100
На кручение попробуйте силу приложить в середине портала
И посчитайте сколько отклонение будет в месте где будет фреза находится
И посчитайте сколько отклонение будет в месте где будет фреза находится
- Samodelkin 88
- Мастер
- Сообщения: 1056
- Зарегистрирован: 05 ноя 2017, 22:24
- Репутация: 727
- Настоящее имя: Илья
- Откуда: Курган
- Контактная информация:
Re: Параллелограмм по цветнухе 300х300х100
Упоры там нафиг не нужны, все элементарно выставляется по линейке.BlackBeard писал(а):Туда же и прикручивание рельс к станочному профилю без бокового упора... Это все от безвыходности
- BlackBeard
- Кандидат
- Сообщения: 43
- Зарегистрирован: 20 ноя 2015, 18:16
- Репутация: 15
- Настоящее имя: Константин
- Контактная информация:
Re: Параллелограмм по цветнухе 300х300х100
При тех же 50кг приложенных вдоль оси X - отклонение по прежнему не существенное.vovafed писал(а):На кручение попробуйте силу приложить в середине портала
Даже с учетом максимального вылета оси Z + длина инструмента, погрешность на кончике фрезы ~= 0,025мм.