SZGH CNC990TDb связ step/dir ?

Fanuc, Okuma, Sinumerik и т.д.
Аватара пользователя
dinkata
Мастер
Сообщения: 1029
Зарегистрирован: 05 сен 2014, 09:07
Репутация: 391
Настоящее имя: Диньо
Откуда: Болгария
Контактная информация:

SZGH CNC990TDb связ step/dir ?

Сообщение dinkata »

Контролер SZGH CNC990TDb
SZGH CNC990TDb.jpg (5345 просмотров) <a class='original' href='./download/file.php?id=147573&mode=view' target=_blank>Загрузить оригинал (63.75 КБ)</a>
для подвключение драйвера шаговьйе двигатели
вопрос - как лучше , через AM26LS32 или можно по другому ?
CN5 CNC990TDb.jpg (5345 просмотров) <a class='original' href='./download/file.php?id=147574&mode=view' target=_blank>Загрузить оригинал (387.98 КБ)</a>
Простите ошибки, я иностранец.У моя клавиатура нету "э" и "ы"
Аватара пользователя
Лодочник
Мастер
Сообщения: 2178
Зарегистрирован: 10 авг 2012, 05:24
Репутация: 1835
Настоящее имя: Олег
Откуда: г.Королев
Контактная информация:

Re: SZGH CNC990TDb связ step/dir ?

Сообщение Лодочник »

Напрямую можно к +dir\-dir и +pulse\-pulse
Аватара пользователя
raddd
Почётный участник
Почётный участник
Сообщения: 1564
Зарегистрирован: 10 фев 2015, 08:50
Репутация: 540
Настоящее имя: Alexey Rodionov
Откуда: Беларусь Минский р-н
Контактная информация:

Re: SZGH CNC990TDb связ step/dir ?

Сообщение raddd »

А что за драйвера?
Есть там оптроны?
Обычно в драйверах как на картинке устроено.
Вложения
Screenshots_2018-10-02-08-26-54.png (5326 просмотров) <a class='original' href='./download/file.php?id=147575&mode=view' target=_blank>Загрузить оригинал (1.26 МБ)</a>
Последний раз редактировалось raddd 02 окт 2018, 08:27, всего редактировалось 1 раз.
||||||||||||
||||||||||||
Аватара пользователя
Hanter
Мастер
Сообщения: 5414
Зарегистрирован: 27 янв 2012, 14:52
Репутация: 4338
Настоящее имя: Алексей
Откуда: Питер
Контактная информация:

Re: SZGH CNC990TDb связ step/dir ?

Сообщение Hanter »

не-не-не ! судя по мануалу на выходе диференциальный сигнал. соответственно должен быть диф.приемник. напрямую не взлетит. не так давно решал обратную задачу...
Опыт - это когда на смену вопросам: "Что? Где? Когда? Как? Почему?" Приходит единственный вопрос: "Нахрена?"
==========================================
фрезерная и токарная обработка на станках с чпу.
Резка, гибка, сварка и порошковая окраса.
Аватара пользователя
raddd
Почётный участник
Почётный участник
Сообщения: 1564
Зарегистрирован: 10 фев 2015, 08:50
Репутация: 540
Настоящее имя: Alexey Rodionov
Откуда: Беларусь Минский р-н
Контактная информация:

Re: SZGH CNC990TDb связ step/dir ?

Сообщение raddd »

Hanter писал(а):не-не-не ! судя по мануалу на выходе диференциальный сигнал. соответственно должен быть диф.приемник. напрямую не взлетит. не так давно решал обратную задачу...
Взлетит если ноги оптронов не связаны меж собой.
К примеру некаждый лидшайн можно сразу подключать.
Вложения
dm422.jpg (5326 просмотров) <a class='original' href='./download/file.php?id=147576&mode=view' target=_blank>Загрузить оригинал (51.01 КБ)</a>
TB2sGz0X9f8F1Jjy0FeXXallpXa_!!1621111228.jpg (5326 просмотров) <a class='original' href='./download/file.php?id=147577&mode=view' target=_blank>Загрузить оригинал (318.78 КБ)</a>
||||||||||||
||||||||||||
Аватара пользователя
dinkata
Мастер
Сообщения: 1029
Зарегистрирован: 05 сен 2014, 09:07
Репутация: 391
Настоящее имя: Диньо
Откуда: Болгария
Контактная информация:

Re: SZGH CNC990TDb связ step/dir ?

Сообщение dinkata »

raddd писал(а):А что за драйвера?
STP-060-05-E
stp060.JPG (5278 просмотров) <a class='original' href='./download/file.php?id=147596&mode=view' target=_blank>Загрузить оригинал (75.7 КБ)</a>
STP-060-005-E-XX.pdf
(105.86 КБ) 530 скачиваний
Простите ошибки, я иностранец.У моя клавиатура нету "э" и "ы"
Аватара пользователя
raddd
Почётный участник
Почётный участник
Сообщения: 1564
Зарегистрирован: 10 фев 2015, 08:50
Репутация: 540
Настоящее имя: Alexey Rodionov
Откуда: Беларусь Минский р-н
Контактная информация:

Re: SZGH CNC990TDb связ step/dir ?

Сообщение raddd »

Я лично бы вскрыл и порезал дорожки
К оптронам.
Вывел бы наружу и тем самым получил
Диф входы напряжение от 5ти (возможно и 3.3)вольта до 24 и выше.
Взависимости от находящихся там оптронов и резистора к ним, согласно datasheet на оптроны.
Если скинешь фото платы драйвера с двух сторон. Поможем.
||||||||||||
||||||||||||
Аватара пользователя
dinkata
Мастер
Сообщения: 1029
Зарегистрирован: 05 сен 2014, 09:07
Репутация: 391
Настоящее имя: Диньо
Откуда: Болгария
Контактная информация:

Re: SZGH CNC990TDb связ step/dir ?

Сообщение dinkata »

raddd писал(а):Если скинешь фото платы драйвера с двух сторон
Только сверху , другой стороне к радиатор , не хочется демонтироват.
stp060005Inp.jpg (5219 просмотров) <a class='original' href='./download/file.php?id=147619&mode=view' target=_blank>Загрузить оригинал (3.84 МБ)</a>
Enable и Dir нашел как входа на опто Д207 , а Step куда ....не нашел !!?? :wik:
d207.jpg
d207.jpg (33.12 КБ) 5219 просмотров
Простите ошибки, я иностранец.У моя клавиатура нету "э" и "ы"
Аватара пользователя
raddd
Почётный участник
Почётный участник
Сообщения: 1564
Зарегистрирован: 10 фев 2015, 08:50
Репутация: 540
Настоящее имя: Alexey Rodionov
Откуда: Беларусь Минский р-н
Контактная информация:

Re: SZGH CNC990TDb связ step/dir ?

Сообщение raddd »

поднять ножки 1. 3. или лучше отпаять оптрон и порезать дорожки к ним.
и припаять к этим ногам проводки, будет + Enable & +dir.
а второй оптрон скорее всего с обратной стороны ( я так понял и резисторы там же).
||||||||||||
||||||||||||
Аватара пользователя
dinkata
Мастер
Сообщения: 1029
Зарегистрирован: 05 сен 2014, 09:07
Репутация: 391
Настоящее имя: Диньо
Откуда: Болгария
Контактная информация:

Re: SZGH CNC990TDb связ step/dir ?

Сообщение dinkata »

raddd писал(а):а второй оптрон скорее всего с обратной стороны
да , наверно .Спасибо raddd !
Простите ошибки, я иностранец.У моя клавиатура нету "э" и "ы"
Аватара пользователя
Nick
Мастер
Сообщения: 22776
Зарегистрирован: 23 ноя 2009, 16:45
Репутация: 1735
Заслуга: Developer
Откуда: Gatchina, Saint-Petersburg distr., Russia
Контактная информация:

Re: SZGH CNC990TDb связ step/dir ?

Сообщение Nick »

Я что-то вас не понимаю, подключаем step+ и dir+ и сommon к логической земле ( или наоборот). И все будет работать.
Ну нет диф сигнала, ничего критически страшного.
Аватара пользователя
dinkata
Мастер
Сообщения: 1029
Зарегистрирован: 05 сен 2014, 09:07
Репутация: 391
Настоящее имя: Диньо
Откуда: Болгария
Контактная информация:

Re: SZGH CNC990TDb связ step/dir ?

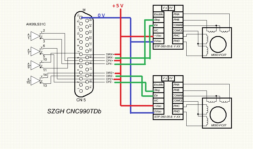
Сообщение dinkata »

Nick писал(а):подключаем step+ и dir+ и сommon к логической земле ( или наоборот)
т.е. ето подвключение будет правильно ??
CN5 CNC990TDb_step.jpg (5124 просмотра) <a class='original' href='./download/file.php?id=148085&mode=view' target=_blank>Загрузить оригинал (193.51 КБ)</a>
Простите ошибки, я иностранец.У моя клавиатура нету "э" и "ы"
Аватара пользователя
raddd
Почётный участник
Почётный участник
Сообщения: 1564
Зарегистрирован: 10 фев 2015, 08:50
Репутация: 540
Настоящее имя: Alexey Rodionov
Откуда: Беларусь Минский р-н
Контактная информация:

Re: SZGH CNC990TDb связ step/dir ?

Сообщение raddd »

Нене так нельзя!
Вот так можно...
Вложения
Screenshots_2018-10-11-08-36-33.png (5107 просмотров) <a class='original' href='./download/file.php?id=148086&mode=view' target=_blank>Загрузить оригинал (937.59 КБ)</a>
||||||||||||
||||||||||||
Ответить

Вернуться в «Промышленные стойки»