Урок по созданию Gcode для токарной обработки на Gcodetools

Обсуждение установки, настройки и использования LinuxCNC. Вопросы по Gкоду.
Аватара пользователя
Nick
Мастер
Сообщения: 22776
Зарегистрирован: 23 ноя 2009, 16:45
Репутация: 1735
Заслуга: Developer
Откуда: Gatchina, Saint-Petersburg distr., Russia
Контактная информация:

Урок по созданию Gcode для токарной обработки на Gcodetools

Сообщение Nick »

По многочисленным просьбам, опишу процедуру создания Gкода для токарных станков.
Сразу извиняюсь за качество скриншотов - пишу с нетбука, не все окошки влазят на экран и комбинация клавиш Alt+PrintScreen для снимка только активного окна не работает, т.к. сам PrintScreen нажимается только в комбинации с Fn.

Итак приступим :

1. Подготовка сцены

Сразу создадим точки ориентации. Они определяют положение оси вращения токарного станка - она будет на уровне горизонтальной оси. Для создания точек ориентации заходим в Расширения - Gcodetools - Orientation points и жмем Применить.
gcodetools gcode for lathe tutorial.png (12647 просмотров) <a class='original' href='./download/file.php?id=948&sid=43ef1cb99d1d9dd45b00d6f06d628737&mode=view' target=_blank>Загрузить оригинал (163.05 КБ)</a>

2. Создаем описание режущего инструмента

Заходим в Расширения - Gcodetools - Tools library, выбирает lathe cutter и нажимаем применить.
В рисунок добавится описание режущего инструмента. Параметры инструмента можно изменять при помощи инструмента Text (F8).
Параметры резца:
  • Name - пока не используется
  • id - пока не используется
  • diameter - пока не используется
  • feed - подача при обработке
  • penetration angle - пока не используется
  • penetration feed - подача при заглублении на каждый новый проход
  • passing feed - подача при проходе по уже обработанным местам
  • depth step - заглубление на проход
  • tool change gcode - Gcode для смены инструмента используется при обработке со сменой инструмента
  • fine feed - скорость финишной обработки.
gcodetools описание резца для создания Gcode для обработки на токарном станке с чпу.png (12647 просмотров) <a class='original' href='./download/file.php?id=950&sid=43ef1cb99d1d9dd45b00d6f06d628737&mode=view' target=_blank>Загрузить оригинал (147.84 КБ)</a>
Gкод для токарных станков.png (12646 просмотров) <a class='original' href='./download/file.php?id=951&sid=43ef1cb99d1d9dd45b00d6f06d628737&mode=view' target=_blank>Загрузить оригинал (132 КБ)</a>

После первых двух шагов можно сохранить рисунок и использовать его как шаблон в будущем

3. Рисуем деталь

Деталь это контур задающий ее верхнюю часть. Т.е. финальную траекторию. Заранее учитывайте возможности резца. На данный момент gcodetools не может учесть особенности резцов и автоматически строить траектории для обработке с использованием нескольких режущих инструментов. Но при небольшой помощи со стороны человека это становится реальным ;).
gcodetools creating gcode for lathe.png (12647 просмотров) <a class='original' href='./download/file.php?id=949&sid=43ef1cb99d1d9dd45b00d6f06d628737&mode=view' target=_blank>Загрузить оригинал (114.92 КБ)</a>

4. Генерируем Gcode для обработки на токарном станке

Открываем Расширения - Gcodetools - Lathe. И заполняем параметры формочек.
1. Обязательно нужно заполнить параметр директории для вывода файлов с Gкодом на вкладке параметры.
2. Заполняем параметры вкладка Lathe:
  • Lathe width - радиус заготовки в выбранных единицах измерения (единицы изсмерения задаются точками ориентации)
  • Fine cut width - Общая толщина финишной обработки - обработки с маленьким заглублением и маленькой подачей для получения более гладкого результата.
  • Fine cut count - Количество проходов финишной обработки
  • Create fine cut using - метод расчета траекторий:
    • Move path - простое смещение контура вверх на заданное расстояние. Работает быстро и не должно глючить.
    • Offset path - равномерный отступ от контура в направлении перпендикулярном касательной в каждой точке. Для некоторых случаев более правильный метод, но может глючить и более медленный.
    Сравнение результатов разных методов вычисления траекторий финишной обработки см ниже.
  • Lathe X axis remap - замена стандартной оси X токарного станка с ЧПУ на другую
  • Lathe Z axis remap - замена стандартной оси X токарного станка с ЧПУ на другую
Выбираем Наш контур и нажимаем применить.
создаем gcode для токарного станка.png (12646 просмотров) <a class='original' href='./download/file.php?id=952&sid=43ef1cb99d1d9dd45b00d6f06d628737&mode=view' target=_blank>Загрузить оригинал (136.24 КБ)</a>
После этого на рисунке должен появиться визуализация траекторий и готовый Gcode будет сохранен в указанный файл. В траекториях указывается направление обработки и разными цветами отображаются разные строчки Gкода.

Если использование метода Offset выдало ошибку можно изменить величину Fine cut width на чуть-чуть, например, на 0.1 или меньше, иногда это помогает.

Вот сравнение разных видов вычисления траекторий финишной обработки, сверху Offset снизу Move:
gcodetools difference between move and offset lathe fine cut.png (12646 просмотров) <a class='original' href='./download/file.php?id=953&sid=43ef1cb99d1d9dd45b00d6f06d628737&mode=view' target=_blank>Загрузить оригинал (89.73 КБ)</a>
PS во время написания урока нашел маленький баг, при выбранном методе создания финишной обработки Move главный отступ все равно делался при помощи Offset. Но я его исправил и запостил исправления в версию dev в bazaar на launchpad.net.
igor_66
Новичок
Сообщения: 15
Зарегистрирован: 07 фев 2011, 11:49
Репутация: 0
Контактная информация:

Re: Урок по созданию Gcode для токарной обработки на Gcodeto

Сообщение igor_66 »

Помогите начинающему станкостроителю )), если не сложно.
Станок токарный , всё сделал по данному уроку , при загрузке в EMC2 , вылезает такая ошибка,файлик с G кодом здесь.
Заранее спасибо!
Вложения
inkscape_болванка.png (12540 просмотров) <a class='original' href='./download/file.php?id=1143&sid=43ef1cb99d1d9dd45b00d6f06d628737&mode=view' target=_blank>Загрузить оригинал (211.3 КБ)</a>
emc2_error.png (12540 просмотров) <a class='original' href='./download/file.php?id=1144&sid=43ef1cb99d1d9dd45b00d6f06d628737&mode=view' target=_blank>Загрузить оригинал (132.51 КБ)</a>
output_0001.ngc
(16.47 КБ) 1504 скачивания
Аватара пользователя
Nick
Мастер
Сообщения: 22776
Зарегистрирован: 23 ноя 2009, 16:45
Репутация: 1735
Заслуга: Developer
Откуда: Gatchina, Saint-Petersburg distr., Russia
Контактная информация:

Re: Урок по созданию Gcode для токарной обработки на Gcodeto

Сообщение Nick »

Нужно вначале файла добавить код G18. (Это переключение рабочей плоскости в XZ.)

Можешь создать в каталоге, в который сохраняешь G код такой файл header, тогда этот код будет автоматически добавляться.

Код: Выделить всё

%
(Header)
(Generated by gcodetools from Inkscape.)
(Using default header. To add your own header create file "header" in the output dir.)
M3
(Header end.)
G21 (All units in mm)
(Change tool to Lathe cutter)
G18 (Select XZ plane.)

PS аккуратнее с такими контурами - проверь, чтобы резец не стукнулся в деталь не рабочей частью. На этом контуре есть "правая и левая стенка".
igor_66
Новичок
Сообщения: 15
Зарегистрирован: 07 фев 2011, 11:49
Репутация: 0
Контактная информация:

Re: Урок по созданию Gcode для токарной обработки на Gcodeto

Сообщение igor_66 »

Спасибо за совет, оперативно однако)), завтра буду пробовать, еще вопросик, Z-ось, это ось хода резца? Мы тут с начальником во мнениях разошлись. И как лучше контуры рисовать в Incscape, применительно к токарной обработке, чтобы поменьше артефактов было, а то после адобе иллюстратора как то тяжко к инскейпу привыкать))
Аватара пользователя
Nick
Мастер
Сообщения: 22776
Зарегистрирован: 23 ноя 2009, 16:45
Репутация: 1735
Заслуга: Developer
Откуда: Gatchina, Saint-Petersburg distr., Russia
Контактная информация:

Re: Урок по созданию Gcode для токарной обработки на Gcodeto

Сообщение Nick »

Да ось Z - заглубление, но все можно поменять.
По inkscape могу сказать, что на нем гораздо проще рисовать, чем на illustartor и corel draw.
Кинь чертежик, может напишу небольшой ман.
igor_66
Новичок
Сообщения: 15
Зарегистрирован: 07 фев 2011, 11:49
Репутация: 0
Контактная информация:

Re: Урок по созданию Gcode для токарной обработки на Gcodeto

Сообщение igor_66 »

Добрый день! С Header файлом всё получилось, спасибо, вопросик такой как EMC2 сказать ,что там-то и там то начало осей , если деталь при загрузке находится вне рабочей зоны станка , может пару строчек G-кода написать в файлик ? Пока не соображу)).Чертежик прилагаю, для написания мана.Заранее спасибо!
Вложения
диск_покрывной.tif
(431.49 КБ) 1553 скачивания
Аватара пользователя
Nick
Мастер
Сообщения: 22776
Зарегистрирован: 23 ноя 2009, 16:45
Репутация: 1735
Заслуга: Developer
Откуда: Gatchina, Saint-Petersburg distr., Russia
Контактная информация:

Re: Урок по созданию Gcode для токарной обработки на Gcodeto

Сообщение Nick »

Да, есть такой Gкод, даже несколько Gкодов.
Вот тут написал маленький faq: http://www.cnc-club.ru/forum/viewtopic. ... 2816#p2816
Самый простой G92.

Также можешь установить эти координаты в AXIS, выбираешь ось и нажимаешь Задать отступ.


ЗЫ странно, что tif не отображается, сейчас исправлю.
Аватара пользователя
Nick
Мастер
Сообщения: 22776
Зарегистрирован: 23 ноя 2009, 16:45
Репутация: 1735
Заслуга: Developer
Откуда: Gatchina, Saint-Petersburg distr., Russia
Контактная информация:

Re: Урок по созданию Gcode для токарной обработки на Gcodeto

Сообщение Nick »

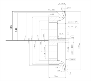
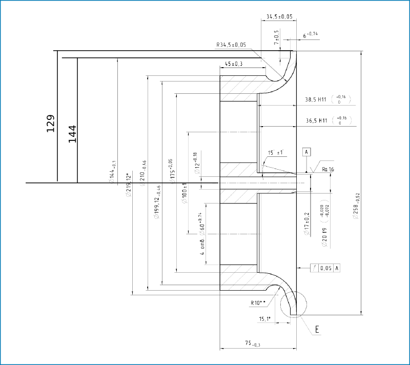
А что значат маленькие цифирки в размерах?

Судя по чертежу, тут простой письменный туториал не получится, после завтра опять появлюсь дома - постараюсь сделать screencast.
igor_66
Новичок
Сообщения: 15
Зарегистрирован: 07 фев 2011, 11:49
Репутация: 0
Контактная информация:

Re: Урок по созданию Gcode для токарной обработки на Gcodeto

Сообщение igor_66 »

Если с чертежом сложно,да и ладно,можно же любую абстрактную деталь взять, со скруглениями и углами, ценен будет сам урок по шагам, с нужными ед. измерениями и т.п.
Аватара пользователя
Nick
Мастер
Сообщения: 22776
Зарегистрирован: 23 ноя 2009, 16:45
Репутация: 1735
Заслуга: Developer
Откуда: Gatchina, Saint-Petersburg distr., Russia
Контактная информация:

Re: Урок по созданию Gcode для токарной обработки на Gcodeto

Сообщение Nick »

Сложно все тонкости описать. Там, сетку настроить в нужный момент Ctrl нажать и мышкой туда сюда подергать и т.д. Лучше я видео запишу. ;)
igor_66
Новичок
Сообщения: 15
Зарегистрирован: 07 фев 2011, 11:49
Репутация: 0
Контактная информация:

Re: Урок по созданию Gcode для токарной обработки на Gcodeto

Сообщение igor_66 »

видео, вообще ништяк)), всё видно и понятно))
igor_66
Новичок
Сообщения: 15
Зарегистрирован: 07 фев 2011, 11:49
Репутация: 0
Контактная информация:

Re: Урок по созданию Gcode для токарной обработки на Gcodeto

Сообщение igor_66 »

вообще огромное спасибо, благодаря форуму от мача3 ушёл и нисколько не жалею)), всетаки линух, при всех своих недостатках более стабильная система, чем винда)), тем более режим реалтайма имеется на борту ....
Аватара пользователя
Nick
Мастер
Сообщения: 22776
Зарегистрирован: 23 ноя 2009, 16:45
Репутация: 1735
Заслуга: Developer
Откуда: Gatchina, Saint-Petersburg distr., Russia
Контактная информация:

Re: Урок по созданию Gcode для токарной обработки на Gcodeto

Сообщение Nick »

[qoute]при всех своих недостатках[/qoute]
Это ничего, через пол года ты ими гордится будешь как в том анекдоте:

- Почему у тебя унылый вид?
- А-а... стыдно признаться... энурез - мочусь во сне.
- Сходи к психотерапевту, он тебя вылечит.
Через месяц.
- Ну, у тебя совсем другой вид, держу пари что психотерапевт тебя вылечил от энуреза.
- Нет, не вылечил, но теперь я этим горжусь!


ЗЫ видео записал, сейчас кодируется... Получилось с всякими "блин", "ну это...жмем сюда" и "ну и хрен с ним", да еще жена пару раз заходила и спрашивала, зачем я в 12 ночи с компьютером разговариваю :hehehe:. Но, надеюсь, общие принципы будут понятны :geek:.

Да и главное не написал, толи в чертеже с размерами несрастуха, толи я накосячил, но некоторые размеры категорически не подошли.

.....перекодировалось 7% ......
igor_66
Новичок
Сообщения: 15
Зарегистрирован: 07 фев 2011, 11:49
Репутация: 0
Контактная информация:

Re: Урок по созданию Gcode для токарной обработки на Gcodeto

Сообщение igor_66 »

Ждем с нетерпением видео , с нецензурным коментом)).
Аватара пользователя
Nick
Мастер
Сообщения: 22776
Зарегистрирован: 23 ноя 2009, 16:45
Репутация: 1735
Заслуга: Developer
Откуда: Gatchina, Saint-Petersburg distr., Russia
Контактная информация:

Re: Урок по созданию Gcode для токарной обработки на Gcodeto

Сообщение Nick »

Ааааа блин все пропало :evil: :evil: :evil: . Ночью вылетели пробки и видео навернулось :evil:! Есть только первые 5 минут!

Ладно, сегодня повторю сеанс. И теперь сделаю сразу после записи резервную копию.


Кстати на счет размеров, вот один из примеров, где размер не сходится:
Вложения
чертеж для токарного станка.png (12505 просмотров) <a class='original' href='./download/file.php?id=1158&sid=43ef1cb99d1d9dd45b00d6f06d628737&mode=view' target=_blank>Загрузить оригинал (50.99 КБ)</a>
igor_66
Новичок
Сообщения: 15
Зарегистрирован: 07 фев 2011, 11:49
Репутация: 0
Контактная информация:

Re: Урок по созданию Gcode для токарной обработки на Gcodeto

Сообщение igor_66 »

странно, это реальный чертеж криогенмаша, видать забыли приписку сделать - "доработать напильником" )).
igor_66
Новичок
Сообщения: 15
Зарегистрирован: 07 фев 2011, 11:49
Репутация: 0
Контактная информация:

Re: Урок по созданию Gcode для токарной обработки на Gcodeto

Сообщение igor_66 »

Как там видео поживает? ))
Аватара пользователя
Nick
Мастер
Сообщения: 22776
Зарегистрирован: 23 ноя 2009, 16:45
Репутация: 1735
Заслуга: Developer
Откуда: Gatchina, Saint-Petersburg distr., Russia
Контактная информация:

Re: Урок по созданию Gcode для токарной обработки на Gcodeto

Сообщение Nick »

Ох, блин совсем забегался.....
Постараюсь сегодня-завтра записать...
У меня вичестер со всей системой полетел.
Надеюсь сегодня поставлю все заново и запишу видео.
Аватара пользователя
Nick
Мастер
Сообщения: 22776
Зарегистрирован: 23 ноя 2009, 16:45
Репутация: 1735
Заслуга: Developer
Откуда: Gatchina, Saint-Petersburg distr., Russia
Контактная информация:

Re: Урок по созданию Gcode для токарной обработки на Gcodeto

Сообщение Nick »

Ура купил себе новый винчестер! 500Гб за 1260 рублей! Блин, и почему я раньше не решил его поменять?!? Эх помню мой первый винт был всего 20Мегабайт, и то казалось, зачем может быть нужно больше?

В общем записал сегодня вторую версию туториала :). Сейчас кодируется. Уже готово 11%, общий размер не перекодированного файла 1.1Гб.

ЗЫ Резервную копию сделал.
Ответить

Вернуться в «LinuxCNC»