Подключение не того, что положено.

Mach, популярные и не очень CAD, CAM. Обсуждение и разработка программ для управления станками.
Аватара пользователя
Lafayette
Мастер
Сообщения: 3514
Зарегистрирован: 11 фев 2017, 21:25
Репутация: 445
Настоящее имя: Михаил
Контактная информация:

Подключение не того, что положено.

Сообщение Lafayette »

Здравствуйте.
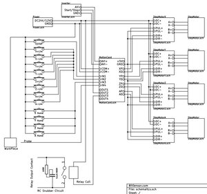
Имеется плата(фото). Чем то похожа на МК1-2.
Может кто сталкивался с такой. Вопрос собственно по настройке шпинделя, но в место частотника нужно подключить привод с аналоговым управлением.
Перерыл и инет, и форум, ничего похожего не нашёл.
Не могу понять какие пины или что там ещё нужно в мач прописать, чтобы получить выход 0-10В. на клемах, которые предусмотрены для этого.
Вложения
Контроллер.jpg (1959 просмотров) <a class='original' href='./download/file.php?id=126962&sid=a71b3dc6b0a7f99d053a888ae445c728&mode=view' target=_blank>Загрузить оригинал (78.41 КБ)</a>
SDAMASK
Кандидат
Сообщения: 77
Зарегистрирован: 13 ноя 2014, 10:22
Репутация: 5
Настоящее имя: Андрей
Откуда: Воронеж
Контактная информация:

Re: Подключение не того, что положено.

Сообщение SDAMASK »

Может поможет. Есть плагин "RNR Motor" к этой плате,без него работать не будет. Так же есть инструкция по настройке этой платы. Правда на Китайском.но с иллюстрациями.
Вложения
USB5.jpg (1932 просмотра) <a class='original' href='./download/file.php?id=126965&sid=a71b3dc6b0a7f99d053a888ae445c728&mode=view' target=_blank>Загрузить оригинал (84.46 КБ)</a>
Последний раз редактировалось SDAMASK 15 дек 2017, 17:10, всего редактировалось 1 раз.
Аватара пользователя
Lafayette
Мастер
Сообщения: 3514
Зарегистрирован: 11 фев 2017, 21:25
Репутация: 445
Настоящее имя: Михаил
Контактная информация:

Re: Подключение не того, что положено.

Сообщение Lafayette »

Схемы то есть, тут наверное скорее больше вопрос по настройке мача, чтобы получить выход 0-10В.
Ответить

Вернуться в «Windows / Mach»