Замена энкодера

Контроллеры, драйверы, датчики, управляющие устройства.
shura28
Опытный
Сообщения: 103
Зарегистрирован: 27 май 2012, 21:18
Репутация: 25
Контактная информация:

Замена энкодера

Сообщение shura28 »

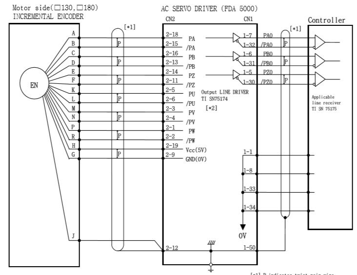
В результате нелепой череды событий был убит энкодер SUMTAK на 3000 ppr. Собственно ищу замену и прошу совета. У родного энкодера вот такая схема подключения (думаю стандартная):
энкодерFDA.png (6175 просмотров) <a class='original' href='./download/file.php?id=124581&mode=view' target=_blank>Загрузить оригинал (77.5 КБ)</a>
Все бы ничего, но там 14 проводов и все распаяны:
SUMTAK.png (6175 просмотров) <a class='original' href='./download/file.php?id=124582&mode=view' target=_blank>Загрузить оригинал (329.04 КБ)</a>
До сего момента имел дело только с китайскими энкодерами типа "OMRON" у которых в лучшем случае 8 проводов (3 канала и питание).
Собственно сомневаюсь, что драйверу будет достаточно 3 каналов (A,B,Z).
Посоветуйте пожалуйста какой-нибудь не дорогой аналог. Производителя или марку (если можно, то ссылкой на инет-магазин).
Или можно таки китайца поставить ?
Аватара пользователя
Hanter
Мастер
Сообщения: 5414
Зарегистрирован: 27 янв 2012, 14:52
Репутация: 4338
Настоящее имя: Алексей
Откуда: Питер
Контактная информация:

Re: Замена энкодера

Сообщение Hanter »

Тут смотрите какой момент есть - обычно у энкодера 8 концов. то есть три сигнальные пары и два питание. У вас шесть сигнальных линий. (пар). соответственно нада выяснить "шо це за хрень". единственное что я могу предположить - это энкодер с встроенными датчиками холла. такие есть у "Ренко". они же попадаются под маркой "Q-Phase". но меня смущает что сигнальные линии все диференциальные. на датчики холла обычно диференциальный сигнал не используют. по этому что у вас за сигнальные линии - хрен знает. :(
Опыт - это когда на смену вопросам: "Что? Где? Когда? Как? Почему?" Приходит единственный вопрос: "Нахрена?"
==========================================
фрезерная и токарная обработка на станках с чпу.
Резка, гибка, сварка и порошковая окраса.
Duhas
Мастер
Сообщения: 1961
Зарегистрирован: 10 окт 2015, 23:25
Репутация: 285
Настоящее имя: Андрей
Откуда: Красноярск
Контактная информация:

Re: Замена энкодера

Сообщение Duhas »

Hanter писал(а): по этому что у вас за сигнальные линии - хрен знает. :(
там по схеме все ясно - квадратура и холлы, и все дифференциальное.
Аватара пользователя
N1X
Мастер
Сообщения: 3653
Зарегистрирован: 16 фев 2015, 21:19
Репутация: 1646
Настоящее имя: Владимир
Откуда: Беларусь, Гомель
Контактная информация:

Re: Замена энкодера

Сообщение N1X »

Только правильно не "датчики холла", а сигналы положения ротора. Функция та же, просто в энкодерах их чаще реализуют дополнительными метками на стекле, а не холлами.

И т.к. энкодер с этими сигналами, то, автор, имейте ввиду, что энкодер придется выставлять по осциллографу.
Аватара пользователя
smart4on
Почётный участник
Почётный участник
Сообщения: 160
Зарегистрирован: 27 июн 2016, 18:54
Репутация: 34
Настоящее имя: Михаил
Откуда: Беларусь, Минск
Контактная информация:

Re: Замена энкодера

Сообщение smart4on »

shura28 писал(а):В результате нелепой череды событий был убит энкодер SUMTAK на 3000 ppr. Собственно ищу замену и прошу совета.?
Если не ошибаюсь, то heidenhain круговые датчики на 14пин.
Причем они бывают и на 12 без ноль метки.
shura28
Опытный
Сообщения: 103
Зарегистрирован: 27 май 2012, 21:18
Репутация: 25
Контактная информация:

Re: Замена энкодера

Сообщение shura28 »

В общем грусть-печаль :(
Две нижние микрухи - это линейные драйверы диф. сигнала. Слева вверху - АЦП 10 бит. Справа маленькая - вроде триггер Шмитта.
Микросхемы драйверов я заменил первым делом, так как они ближе всего находились к "очагу поражения". Не помогло.
Похоже малой кровью не отделаться.
А для чего приводу знать положение ротора (в двух словах, если можно) ?
Энкодер переставили от аналогичного двигателя и никаких сложных манипуляций с установкой не было - просто прикрутили и привод его увидел.
Возможно привод не такой умный и имеет смысл попробовать прикрутить китайца.
Посмотрел энкодеры на сайте Renco, в описании присутствует упоминание Хайденхайн. Когда искал оригинал (SUMTAK), то вроде тоже обнаружил, что он был куплен Хайденхайном. Короче все "переженились", что и концов не найти. :)
Спасибо за помощь.
Аватара пользователя
N1X
Мастер
Сообщения: 3653
Зарегистрирован: 16 фев 2015, 21:19
Репутация: 1646
Настоящее имя: Владимир
Откуда: Беларусь, Гомель
Контактная информация:

Re: Замена энкодера

Сообщение N1X »

Что за АЦП? Маркировку можно? Привод клммутирует обмотки согласно положения ротора. Если прикрутили и увидел - то либо удачно попали, либо энкодер не используется полностью )
shura28
Опытный
Сообщения: 103
Зарегистрирован: 27 май 2012, 21:18
Репутация: 25
Контактная информация:

Re: Замена энкодера

Сообщение shura28 »

https://www.ebay.com/itm/NEC-C177G-SMD- ... 543c67226a

К даташита на него не нашел.
Аватара пользователя
N1X
Мастер
Сообщения: 3653
Зарегистрирован: 16 фев 2015, 21:19
Репутация: 1646
Настоящее имя: Владимир
Откуда: Беларусь, Гомель
Контактная информация:

Re: Замена энкодера

Сообщение N1X »

BIPOLAR ANALOG INTEGRATED CIRCUIT SINGLE POWER SUPPLY QUAD COMPARATORS звучит более логично, ибо АЦП в энкодере делать нефиг...
http://www.alldatasheet.com/datasheet-p ... R-9LG.html
Глубоко не вдавался, но по цоколевке подойдет lm339 которая нифига не дефицит.
Кстати перед компаратором еще усилитель должен быть... Если он конечно не в гибридной сборке с фотодиодами...
Аватара пользователя
Hanter
Мастер
Сообщения: 5414
Зарегистрирован: 27 янв 2012, 14:52
Репутация: 4338
Настоящее имя: Алексей
Откуда: Питер
Контактная информация:

Re: Замена энкодера

Сообщение Hanter »

Duhas писал(а):там по схеме все ясно - квадратура и холлы, и все дифференциальное.
Андрей, увы, я не настолько свободно определяю по виду платы что там и как :( по этому мне вид платы увы ничего не говорит :)
N1X писал(а):Только правильно не "датчики холла", а сигналы положения ротора. Функция та же, просто в энкодерах их чаще реализуют дополнительными метками на стекле, а не холлами.
И т.к. энкодер с этими сигналами, то, автор, имейте ввиду, что энкодер придется выставлять по осциллографу.
ага! полностью согласен! холлами по привычке назвал. Осцилограф нужен будет если коммутация осуществляется по ним. Счас многие усилки могут работать в безсенсорном режиме. что у автора - неведомо. может и прокатит.
shura28 писал(а):А для чего приводу знать положение ротора (в двух словах, если можно) ?
усилитель должен как то получать информацию о положении вала для правильного переключения обмоток.
Опыт - это когда на смену вопросам: "Что? Где? Когда? Как? Почему?" Приходит единственный вопрос: "Нахрена?"
==========================================
фрезерная и токарная обработка на станках с чпу.
Резка, гибка, сварка и порошковая окраса.
Duhas
Мастер
Сообщения: 1961
Зарегистрирован: 10 окт 2015, 23:25
Репутация: 285
Настоящее имя: Андрей
Откуда: Красноярск
Контактная информация:

Re: Замена энкодера

Сообщение Duhas »

Hanter писал(а):
Duhas писал(а):там по схеме все ясно - квадратура и холлы, и все дифференциальное.
Андрей, увы, я не настолько свободно определяю по виду платы что там и как :( по этому мне вид платы увы ничего не говорит :)
зато есть знания о вариантах замены )


я про эту картинку
shura28 писал(а):
энкодерFDA.png
энкодерFDA.png (14.7 КБ) 6015 просмотров
хотя по плате и правда тоже вполне можно судить
Lunatic
Мастер
Сообщения: 458
Зарегистрирован: 09 мар 2015, 20:25
Репутация: 75
Настоящее имя: Дмитрий
Контактная информация:

Re: Замена энкодера

Сообщение Lunatic »

F15Bul_702455_1_C.pdf
(467.81 КБ) 5197 скачиваний
У меня есть Dynapar f152048_80910, только он на 2048 ppr. Может бывают на 3000 ppr модели этого производителя.
Спецификация во вложенном файле.
shura28
Опытный
Сообщения: 103
Зарегистрирован: 27 май 2012, 21:18
Репутация: 25
Контактная информация:

Re: Замена энкодера

Сообщение shura28 »

Вот так выгядит диск:
IMG_20180116_221351.jpg (5771 просмотр) <a class='original' href='./download/file.php?id=129526&mode=view' target=_blank>Загрузить оригинал (655.64 КБ)</a>
IMG_20180116_221323.jpg (5771 просмотр) <a class='original' href='./download/file.php?id=129527&mode=view' target=_blank>Загрузить оригинал (641.4 КБ)</a>
На нем 6 окружностей. Три из них прерывистые - из четырех сегментов. Это по всей видимости и есть UVW-каналы.
Три окружности целые - видимо A, B и Z. Никаких рисок/делений на глаз не рассмотреть.
Взял такой же рабочий энкодер с другого двигателя и подключил через SN75175
IMG_20180116_221732.jpg (5771 просмотр) <a class='original' href='./download/file.php?id=129525&mode=view' target=_blank>Загрузить оригинал (978.46 КБ)</a>
к ардуине и все вышесказанное проверил.
Каналы UVW срабатывают 4 раза на оборот диска каждый.
Z-один раз.
A и B не считал - много :)
Что касается установки:
энкодер имеет полый вал (или как правильно это называется?) и фиксируется двумя радиальными болтиками. Так вот от этих болтиков на валу двигателя остается след. При замене энкодера нужно просто попасть в эти отметины. Точность не велика, но двигатель работает. Крутил до 3 тыс. оборотов.
А на этом дохлом энкодере, Vcc звонится на Gnd, скорее всего не восстановить. Боюсь сдохла фотосборка.
Энкодеры с аналогичными характеристиками предлагает в том числе и Delta. Но цена нового энкодера сопоставима со стоимостью б/у двигателя, с которого можно снять энкодер и бонусом получить двигатель.
shura28
Опытный
Сообщения: 103
Зарегистрирован: 27 май 2012, 21:18
Репутация: 25
Контактная информация:

Re: Замена энкодера

Сообщение shura28 »

Заменил C177G на LM339 и подкючил к ардуине+SN75175. Со всех каналов сигнал идет нормально. Прозвонил цепи от выводов AM26C31 до разъема и обнаружил, что один из выводов канала Z не прозванивается.
С обратной стороны платы рядом с этим выводом есть вздутие:
IMG_20180204_112525-1.jpg (5678 просмотров) <a class='original' href='./download/file.php?id=131428&mode=view' target=_blank>Загрузить оригинал (918.89 КБ)</a>
Плата видимо многослойная, так как дорожки не прослеживаются.
Сверху припаял волосок и залил термоклеем:
IMG_20180204_121444.jpg (5678 просмотров) <a class='original' href='./download/file.php?id=131429&mode=view' target=_blank>Загрузить оригинал (1.09 МБ)</a>
Обгоревшие конденсаторы еле припаял:
IMG_20180204_115820.jpg (5678 просмотров) <a class='original' href='./download/file.php?id=131430&mode=view' target=_blank>Загрузить оригинал (1000.32 КБ)</a>
Осталось проверить на двигателе. Если заработает - будет круто! По факту отпишусь.
Спасибо за помощь!

p.s.: отсутствие денег (или жаба?) порой заставляет проявлять чудеса ловкости :)
Аватара пользователя
N1X
Мастер
Сообщения: 3653
Зарегистрирован: 16 фев 2015, 21:19
Репутация: 1646
Настоящее имя: Владимир
Откуда: Беларусь, Гомель
Контактная информация:

Re: Замена энкодера

Сообщение N1X »

Прикольно, обычно наобоот 422й интерфейс выгорает...
L4_novator
Новичок
Сообщения: 22
Зарегистрирован: 28 мар 2018, 13:36
Репутация: 1
Настоящее имя: Александр
Контактная информация:

Re: Замена энкодера

Сообщение L4_novator »

shura28 писал(а):Вот так выгядит диск:
Взял такой же рабочий энкодер с другого двигателя и подключил через SN75175
IMG_20180116_221732.jpg
к ардуине и все вышесказанное проверил.
Каналы UVW срабатывают 4 раза на оборот диска каждый.
Z-один раз.
A и B не считал - много :)
Приветствую!
Можно более детально, насчет SN75175 и ардуины. Что то не понял, смысл этой микросхемы? Я пытался подключать ардуине экнодер через прерывания, А и Z - смысл был посчитать импульсы на оборот. А тут другая интерпритация? Очень интересуют подробности)
Ответить

Вернуться в «Электроника»