Синий китаец
-
sberbuh
- Опытный
- Сообщения: 104
- Зарегистрирован: 25 сен 2017, 09:51
- Репутация: 0
- Настоящее имя: Алекс
- Контактная информация:
Синий китаец
Добрый день, уважаемые форумчане.
Получил посылку из Китая. ТВ6560, фото прилагаю.
В документации такой платы нет, нашел похожую.
И в документации нашел схему подключения двигателей:
Output interface is defined (in the picture for 1 to 17)
P1 P2 P3 P4 P5 P6 P7 P8 P9 P10 P11 P12 P13 P14 P15 P16 P17
正 地 XA+ XA- XB+ XB- YA+ YA- YB+ YB- ZA+ ZA- ZB+ ZB- MO + GND MO
-
Сравнивая с файлом, где нарисовано, как подключать двигатели, видим, что по схеме где должен быть минус, там плюс.
И наоборот где плюс, там минус. Как правильно подключать? Не хочется повредить плату.
Получил посылку из Китая. ТВ6560, фото прилагаю.
В документации такой платы нет, нашел похожую.
И в документации нашел схему подключения двигателей:
Output interface is defined (in the picture for 1 to 17)
P1 P2 P3 P4 P5 P6 P7 P8 P9 P10 P11 P12 P13 P14 P15 P16 P17
正 地 XA+ XA- XB+ XB- YA+ YA- YB+ YB- ZA+ ZA- ZB+ ZB- MO + GND MO
-
Сравнивая с файлом, где нарисовано, как подключать двигатели, видим, что по схеме где должен быть минус, там плюс.
И наоборот где плюс, там минус. Как правильно подключать? Не хочется повредить плату.
- N1X
- Мастер
- Сообщения: 3653
- Зарегистрирован: 16 фев 2015, 21:19
- Репутация: 1646
- Настоящее имя: Владимир
- Откуда: Беларусь, Гомель
- Контактная информация:
Re: Синий китаец
Прозвони на конденсаторы линии от клемм, или по дорогам отследи. Минус кондеров и будет минусом питания...
-
drey82
- Мастер
- Сообщения: 639
- Зарегистрирован: 24 авг 2014, 10:29
- Репутация: 82
- Настоящее имя: Drey
- Откуда: Воронеж
- Контактная информация:
Re: Синий китаец
как, их еще покупают участники нашего форума??? столько написано и опять на грабли...
-
sberbuh
- Опытный
- Сообщения: 104
- Зарегистрирован: 25 сен 2017, 09:51
- Репутация: 0
- Настоящее имя: Алекс
- Контактная информация:
Re: Синий китаец
Хорошо.drey82 писал(а):как, их еще покупают участники нашего форума??? столько написано и опять на грабли...
Вы можете посоветовать бюджетный комплект для nema23?
-
drey82
- Мастер
- Сообщения: 639
- Зарегистрирован: 24 авг 2014, 10:29
- Репутация: 82
- Настоящее имя: Drey
- Откуда: Воронеж
- Контактная информация:
Re: Синий китаец
тут от тока плясать надо, у Тенгеля есть дешевые(относительно) драйвера (были по 400р/шт до 2ампер (дробление шага до 1/8, сам такими пользуюсь ) и 1300р/шт до 3ампер до 1/128 шага. плата под мач у меня самая дешевая стояла из серии по 500р, потом поставил клон цнц, щас думаю на степ мастер перейти. ну и самое бюджетное - цнц шилд с 8825 ( как по мне даже они лучше 6560, хотя бы легкой заменой, единственный минус ампераж)их тоже до 2х ампер крутить можно, к мач плате можно нехитрыми манипуляциями подцепить
-
sberbuh
- Опытный
- Сообщения: 104
- Зарегистрирован: 25 сен 2017, 09:51
- Репутация: 0
- Настоящее имя: Алекс
- Контактная информация:
Re: Синий китаец
Движки nema23, 3А на обмотку, 2 обмотки. Адреса подскажите где можно под них драйвера и плату управления под мач купить?drey82 писал(а):тут от тока плясать надо
-
drey82
- Мастер
- Сообщения: 639
- Зарегистрирован: 24 авг 2014, 10:29
- Репутация: 82
- Настоящее имя: Drey
- Откуда: Воронеж
- Контактная информация:
Re: Синий китаец
в лс отправил
-
sberbuh
- Опытный
- Сообщения: 104
- Зарегистрирован: 25 сен 2017, 09:51
- Репутация: 0
- Настоящее имя: Алекс
- Контактная информация:
Re: Синий китаец
Спасибо.
И еще вопрос там 3 группы переключателей, для установки режимов работ,
Вопрос: как у них расположена нумерация от 1 до 3, если смотреть со стороны LPT-разъема,
слева на право или с права на лево? Вопрос странный, но хочется на 100% сделать правильно.
С китайцами может быль все что угодно.
И еще вопрос там 3 группы переключателей, для установки режимов работ,
Вопрос: как у них расположена нумерация от 1 до 3, если смотреть со стороны LPT-разъема,
слева на право или с права на лево? Вопрос странный, но хочется на 100% сделать правильно.
С китайцами может быль все что угодно.
-
sberbuh
- Опытный
- Сообщения: 104
- Зарегистрирован: 25 сен 2017, 09:51
- Репутация: 0
- Настоящее имя: Алекс
- Контактная информация:
Re: Синий китаец
Добрый день.
Ну вот и пришел тот день, когда "синий китаец" на три оси выпустил синий дым.
Сгорел на 32 вольтах, при токе 25%. Микросхема даже взорвалась.
Теперь ремонтирую. Нужна помощь. Ситуация такая, заменили микросхему, заменили стабилитроны 5 и 12 вольт включили.
Загорелось питание по 5 и 12 вольтам. Подключаем к компьютеру, загораются диоды трех двигателей и уходит в защиту-обрубает 12 вольт. Горит только 5 вольт.
Т.е. горят только двигатели и 5 вольт.
Отключаем блок питания, при подключенной плате к компьютеру продолжают гореть двигатели и внимание! 5 вольт. О как.
5 вольт приходит по LPT кабелю. На другом компе тоже самое. Вы паяли другие микросхемы, включили без них, только на одном канале. Тоже самое.
Вопрос, что еще могло погореть, из-за чего 12 вольт уходит в защиту, из-за чего горят 5 вольт при отключенном БП.
Ну вот и пришел тот день, когда "синий китаец" на три оси выпустил синий дым.
Сгорел на 32 вольтах, при токе 25%. Микросхема даже взорвалась.
Теперь ремонтирую. Нужна помощь. Ситуация такая, заменили микросхему, заменили стабилитроны 5 и 12 вольт включили.
Загорелось питание по 5 и 12 вольтам. Подключаем к компьютеру, загораются диоды трех двигателей и уходит в защиту-обрубает 12 вольт. Горит только 5 вольт.
Т.е. горят только двигатели и 5 вольт.
Отключаем блок питания, при подключенной плате к компьютеру продолжают гореть двигатели и внимание! 5 вольт. О как.
5 вольт приходит по LPT кабелю. На другом компе тоже самое. Вы паяли другие микросхемы, включили без них, только на одном канале. Тоже самое.
Вопрос, что еще могло погореть, из-за чего 12 вольт уходит в защиту, из-за чего горят 5 вольт при отключенном БП.
-
pruync
- Новичок
- Сообщения: 3
- Зарегистрирован: 05 авг 2021, 22:53
- Репутация: 0
- Настоящее имя: алексей
- Контактная информация:
Re: Синий китаец
хелп товарищи. от перегрузки вылетела 1 ось. подскажите что где проверить. и стал сильно нагреваться стаб 5в заминуту градусов до 60
- Rom327
- Почётный участник

- Сообщения: 2989
- Зарегистрирован: 03 апр 2015, 13:23
- Репутация: 437
- Настоящее имя: Роман
- Откуда: Подольск
- Контактная информация:
Re: Синий китаец
Вылетела в форточку? Надо пойти на улицу и найти ее...
Это сугубо мое мнение, могу и ошибаться...
https://vk.com/rom327
GRBL настройки: http://blogandbux.blogspot.com/2018/07/ ... revod.html
G коды: http://3d-stanki.ru/spravochnik/program ... stankov-2/
https://vk.com/rom327
GRBL настройки: http://blogandbux.blogspot.com/2018/07/ ... revod.html
G коды: http://3d-stanki.ru/spravochnik/program ... stankov-2/
- Rom327
- Почётный участник

- Сообщения: 2989
- Зарегистрирован: 03 апр 2015, 13:23
- Репутация: 437
- Настоящее имя: Роман
- Откуда: Подольск
- Контактная информация:
Re: Синий китаец
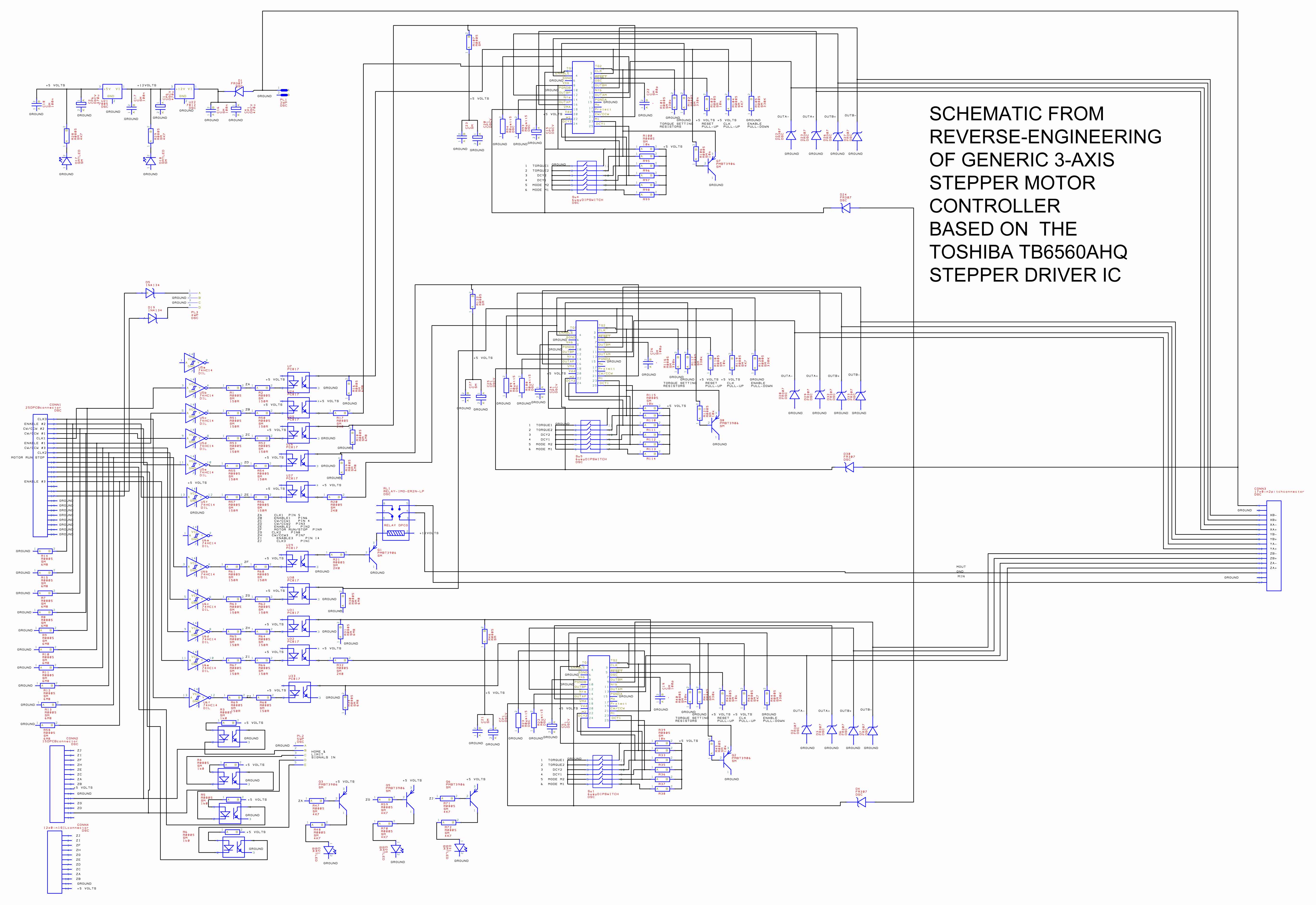
Вот похоже схема на эту плату, но нужно уточнить по факту
Это сугубо мое мнение, могу и ошибаться...
https://vk.com/rom327
GRBL настройки: http://blogandbux.blogspot.com/2018/07/ ... revod.html
G коды: http://3d-stanki.ru/spravochnik/program ... stankov-2/
https://vk.com/rom327
GRBL настройки: http://blogandbux.blogspot.com/2018/07/ ... revod.html
G коды: http://3d-stanki.ru/spravochnik/program ... stankov-2/
- Rom327
- Почётный участник

- Сообщения: 2989
- Зарегистрирован: 03 апр 2015, 13:23
- Репутация: 437
- Настоящее имя: Роман
- Откуда: Подольск
- Контактная информация:
Re: Синий китаец
Это сугубо мое мнение, могу и ошибаться...
https://vk.com/rom327
GRBL настройки: http://blogandbux.blogspot.com/2018/07/ ... revod.html
G коды: http://3d-stanki.ru/spravochnik/program ... stankov-2/
https://vk.com/rom327
GRBL настройки: http://blogandbux.blogspot.com/2018/07/ ... revod.html
G коды: http://3d-stanki.ru/spravochnik/program ... stankov-2/
-
kfmut
- Мастер
- Сообщения: 1249
- Зарегистрирован: 30 янв 2021, 21:34
- Репутация: 147
- Настоящее имя: Максим
- Откуда: г.Тверь
- Контактная информация:
Re: Синий китаец
Да совсем недавно модуль какой-то искал в закромах и попался мой самодельный драйвер на 6560 с постоянным резисторами в "схеме" регулировка тока. И просто разобрать жалко, и как есть использовать некуда. Да и спалить не получилось во время тогдашних экспериментов, хотя всегда везде писали какие они нежные и вообще "фу, какой мусор!"
- Rom327
- Почётный участник

- Сообщения: 2989
- Зарегистрирован: 03 апр 2015, 13:23
- Репутация: 437
- Настоящее имя: Роман
- Откуда: Подольск
- Контактная информация:
Re: Синий китаец
Это сугубо мое мнение, могу и ошибаться...
https://vk.com/rom327
GRBL настройки: http://blogandbux.blogspot.com/2018/07/ ... revod.html
G коды: http://3d-stanki.ru/spravochnik/program ... stankov-2/
https://vk.com/rom327
GRBL настройки: http://blogandbux.blogspot.com/2018/07/ ... revod.html
G коды: http://3d-stanki.ru/spravochnik/program ... stankov-2/
-
kfmut
- Мастер
- Сообщения: 1249
- Зарегистрирован: 30 янв 2021, 21:34
- Репутация: 147
- Настоящее имя: Максим
- Откуда: г.Тверь
- Контактная информация:
Re: Синий китаец
За коммерческие драйверы на tb6560 не скажу, но у меня даже за счёт некоторой разницы в длине дорожек на каждую обмотку/фазу получилась заметная разница в токе на ШД, пришлось апосля править. А с такими переключателями там наверное вообще может интересно получится с переходными сопротивлениями. Но не могу сказать, что я там всё подробно исследовал
- Rom327
- Почётный участник

- Сообщения: 2989
- Зарегистрирован: 03 апр 2015, 13:23
- Репутация: 437
- Настоящее имя: Роман
- Откуда: Подольск
- Контактная информация:
Re: Синий китаец
Это сугубо мое мнение, могу и ошибаться...
https://vk.com/rom327
GRBL настройки: http://blogandbux.blogspot.com/2018/07/ ... revod.html
G коды: http://3d-stanki.ru/spravochnik/program ... stankov-2/
https://vk.com/rom327
GRBL настройки: http://blogandbux.blogspot.com/2018/07/ ... revod.html
G коды: http://3d-stanki.ru/spravochnik/program ... stankov-2/