Шкаф портальника на сервах. Нужен совет.
-
Nikomas
- Мастер
- Сообщения: 721
- Зарегистрирован: 07 янв 2012, 14:31
- Репутация: 64
- Откуда: Беларусь
- Контактная информация:
Шкаф портальника на сервах. Нужен совет.
Друзья, т.к. покупать магнитный пускатель на каждый сервопривод затратно (их пока 4 шт.), в шкафу решил посадить все на один пускатель. После пускателя выходят две шины "фазы" и "ноля". Вот накидал схемку.
Пускатель с кнопкой с "самоподхватом". По сути, у пускателя 4 группы контактов, и можно "фазу" каждого привода завести на пускатель, а для "ноля" сделать общую шину, но на пускатель хочу еще повесить и БП для управляющих сигналов.
- Rom327
- Почётный участник

- Сообщения: 2989
- Зарегистрирован: 03 апр 2015, 13:23
- Репутация: 437
- Настоящее имя: Роман
- Откуда: Подольск
- Контактная информация:
Re: Шкаф портальника на сервах. Нужен совет.
А вопрос то где?Nikomas писал(а):Друзья, т.к. покупать магнитный пускатель на каждый сервопривод затратно (их пока 4 шт.), в шкафу решил посадить все на один пускатель. После пускателя выходят две шины "фазы" и "ноля". Вот накидал схемку. Пускатель с кнопкой с "самоподхватом". По сути, у пускателя 4 группы контактов, и можно "фазу" каждого привода завести на пускатель, а для "ноля" сделать общую шину, но на пускатель хочу еще повесить и БП для управляющих сигналов.
Это сугубо мое мнение, могу и ошибаться...
https://vk.com/rom327
GRBL настройки: http://blogandbux.blogspot.com/2018/07/ ... revod.html
G коды: http://3d-stanki.ru/spravochnik/program ... stankov-2/
https://vk.com/rom327
GRBL настройки: http://blogandbux.blogspot.com/2018/07/ ... revod.html
G коды: http://3d-stanki.ru/spravochnik/program ... stankov-2/
-
Nikomas
- Мастер
- Сообщения: 721
- Зарегистрирован: 07 янв 2012, 14:31
- Репутация: 64
- Откуда: Беларусь
- Контактная информация:
Re: Шкаф портальника на сервах. Нужен совет.
Rom327 писал(а):По сути, у пускателя 4 группы контактов, и можно "фазу" каждого привода завести на пускатель
Верно ли то, что на схеме?Rom327 писал(а):в шкафу решил посадить все на один пускатель.
- odekolon
- Мастер
- Сообщения: 1125
- Зарегистрирован: 05 ноя 2014, 14:53
- Репутация: 360
- Настоящее имя: Борис
- Контактная информация:
Re: Шкаф портальника на сервах. Нужен совет.
можно и так, в промышленных станках еще ставят аварийные конечники, чтоб при наезде на них отключалось питание сервоприводов, но тогда придется городить схему обхода для съезда с конечников.
"Капиталистом стать можно лишь тогда, когда обогатишь свою память знанием всех тех богатств, которые выработало человечество"
- PKM
- Почётный участник

- Сообщения: 4263
- Зарегистрирован: 31 мар 2011, 18:11
- Репутация: 705
- Настоящее имя: Андрей
- Откуда: Украина
- Контактная информация:
Re: Шкаф портальника на сервах. Нужен совет.
Вот это мне кажется страннымNikomas писал(а):на пускатель хочу еще повесить и БП для управляющих сигналов
-
Nikomas
- Мастер
- Сообщения: 721
- Зарегистрирован: 07 янв 2012, 14:31
- Репутация: 64
- Откуда: Беларусь
- Контактная информация:
Re: Шкаф портальника на сервах. Нужен совет.
Вот и я посидел, подумал и решил все таки раскинуть фазы усилка на клемы пускателя...PKM писал(а):Вот это мне кажется страннымNikomas писал(а):на пускатель хочу еще повесить и БП для управляющих сигналов
- ScrewDriver
- Мастер
- Сообщения: 1942
- Зарегистрирован: 06 сен 2016, 01:44
- Репутация: 498
- Настоящее имя: Василий
- Откуда: Москва
- Контактная информация:
Re: Шкаф портальника на сервах. Нужен совет.
я бы предохранитель на каждую серву поставил отдельно, на блоки питания и тд.
А-то у вас защиты как таковой нет.
Для них есть держатели на DIN рейку.
Ну и кнопку E-stop заведите на сброс цепи управления вашим контактором, у вас в документации на сервы это прямо указано.
А вообще как-то не логично - подает у вас контактор на сервы напряжение, ну дак и пусть подает и фазу и нейтраль.
А-то на вводе поменяется положение (вилку в розетке переткнули - самый безобидный вариант) - и будет у вас при выключенном контакторе фаза висеть на сервах. А при наличии заземления они вообще могут оказаться запитаны.
Кстати на счет заземления - оно у вас не показано
А-то у вас защиты как таковой нет.
Для них есть держатели на DIN рейку.
Ну и кнопку E-stop заведите на сброс цепи управления вашим контактором, у вас в документации на сервы это прямо указано.
А вообще как-то не логично - подает у вас контактор на сервы напряжение, ну дак и пусть подает и фазу и нейтраль.
А-то на вводе поменяется положение (вилку в розетке переткнули - самый безобидный вариант) - и будет у вас при выключенном контакторе фаза висеть на сервах. А при наличии заземления они вообще могут оказаться запитаны.
Кстати на счет заземления - оно у вас не показано
Промышленная автоматика, ПЛК, приводы, SCADA системы
Мой Ютуб канал.
Мой Ютуб канал.
-
Nikomas
- Мастер
- Сообщения: 721
- Зарегистрирован: 07 янв 2012, 14:31
- Репутация: 64
- Откуда: Беларусь
- Контактная информация:
Re: Шкаф портальника на сервах. Нужен совет.
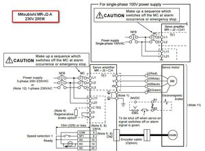
Просто оставлю это здесь, для потомков, так сказать...
- Hanter
- Мастер
- Сообщения: 5414
- Зарегистрирован: 27 янв 2012, 14:52
- Репутация: 4338
- Настоящее имя: Алексей
- Откуда: Питер
- Контактная информация:
Re: Шкаф портальника на сервах. Нужен совет.
не-не-не!!! не вводите людей в заблуждение! питание не рвется концевиками никогда. концевики рвут либо специальный контур аварийных защит, либо сигнал энейбл.odekolon писал(а):можно и так, в промышленных станках еще ставят аварийные конечники, чтоб при наезде на них отключалось питание сервоприводов, но тогда придется городить схему обхода для съезда с конечников.
Опыт - это когда на смену вопросам: "Что? Где? Когда? Как? Почему?" Приходит единственный вопрос: "Нахрена?"
==========================================
фрезерная и токарная обработка на станках с чпу.
Резка, гибка, сварка и порошковая окраса.
==========================================
фрезерная и токарная обработка на станках с чпу.
Резка, гибка, сварка и порошковая окраса.
-
SVP
- Мастер
- Сообщения: 6140
- Зарегистрирован: 19 дек 2012, 15:49
- Репутация: 884
- Откуда: Москва
- Контактная информация:
Re: Шкаф портальника на сервах. Нужен совет.
Что-то на яскавах такого не предлагали, наоборот есть настройки что делать в каких случаях, в частности NOT-POT умеют не просто отключать мотор, а активно тормозить.odekolon писал(а): чтоб при наезде на них отключалось питание сервоприводов, но тогда придется городить схему обхода для съезда с конечников.
Причем как я понимаю на 300+% мощности. Так, чтобы стол не пролетел по инерции и что-нибудь не слетело или не разбилось о стопоры...
Оное активное торможение, правда, даже от 100вт выглядит очень могуче, ощущение такое, что кто-то кувалдой долбанул, т.е. останавливается сразу,
намертво, и с звуковыми эффектами.
Тоже самое касается и аварийных ситуаций.
-
SVP
- Мастер
- Сообщения: 6140
- Зарегистрирован: 19 дек 2012, 15:49
- Репутация: 884
- Откуда: Москва
- Контактная информация:
Re: Шкаф портальника на сервах. Нужен совет.
PS. не знаю какая у вас мощность, но некоторые коллеги жаловались что при включении одномоментно 4х400 (по-моему), вылетат пробки.
На борту у сервопаков кондёр с кулак размером, и старые сервопаки не стесняются его заряжать...
На борту у сервопаков кондёр с кулак размером, и старые сервопаки не стесняются его заряжать...
- elephant007
- Мастер
- Сообщения: 857
- Зарегистрирован: 18 ноя 2012, 13:12
- Репутация: 332
- Откуда: Сибирь, Томск
- Контактная информация:
Re: Шкаф портальника на сервах. Нужен совет.
как вариант вот такая штука
http://www.roskip.ru/Rele-vremeni-i-Tai ... ctric-RE17
разная задержка, сервы зарядятся по очереди
http://www.roskip.ru/Rele-vremeni-i-Tai ... ctric-RE17
разная задержка, сервы зарядятся по очереди
- Rom327
- Почётный участник

- Сообщения: 2989
- Зарегистрирован: 03 апр 2015, 13:23
- Репутация: 437
- Настоящее имя: Роман
- Откуда: Подольск
- Контактная информация:
Re: Шкаф портальника на сервах. Нужен совет.
Ну тут как раз все просто: ключ с группой контактов. Вставил ключ, повернул-заблокировал конечники и потихоньку отъехал...odekolon писал(а):можно и так, в промышленных станках еще ставят аварийные конечники, чтоб при наезде на них отключалось питание сервоприводов, но тогда придется городить схему обхода для съезда с конечников.
Это сугубо мое мнение, могу и ошибаться...
https://vk.com/rom327
GRBL настройки: http://blogandbux.blogspot.com/2018/07/ ... revod.html
G коды: http://3d-stanki.ru/spravochnik/program ... stankov-2/
https://vk.com/rom327
GRBL настройки: http://blogandbux.blogspot.com/2018/07/ ... revod.html
G коды: http://3d-stanki.ru/spravochnik/program ... stankov-2/
- Rom327
- Почётный участник

- Сообщения: 2989
- Зарегистрирован: 03 апр 2015, 13:23
- Репутация: 437
- Настоящее имя: Роман
- Откуда: Подольск
- Контактная информация:
Re: Шкаф портальника на сервах. Нужен совет.
Концевики конечно не рвут силовую часть непосредственно сами. Они управляют реле и контактерами. А вот они уже снимают силовое напряжение. Более того, если пропал воздух, открылась дверь или сработал концевик максимального перемещения или аварийная кнопка, питание с приводов снимается. И с электро-тормоза Z снимается напряжение и он стопорит ось. И пока не появятся все эти составляющие нормального состояния работы станка, силовая часть не включится. Есть конечно обход - через сервисный ключ, но он не у всех есть. Поэтому при нажатии кнопки стоп, открытии двери, или отсутствием воздуха в системе, силовой пускатель (назовем его так), снимается с самоблокировки, отключает питание с приводов, шпинделя, нагревателей и прочего и обеспечивает безопасность обслуживающего персонала.Hanter писал(а):не-не-не!!! не вводите людей в заблуждение! питание не рвется концевиками никогда. концевики рвут либо специальный контур аварийных защит, либо сигнал энейбл.odekolon писал(а):можно и так, в промышленных станках еще ставят аварийные конечники, чтоб при наезде на них отключалось питание сервоприводов, но тогда придется городить схему обхода для съезда с конечников.
Это сугубо мое мнение, могу и ошибаться...
https://vk.com/rom327
GRBL настройки: http://blogandbux.blogspot.com/2018/07/ ... revod.html
G коды: http://3d-stanki.ru/spravochnik/program ... stankov-2/
https://vk.com/rom327
GRBL настройки: http://blogandbux.blogspot.com/2018/07/ ... revod.html
G коды: http://3d-stanki.ru/spravochnik/program ... stankov-2/
- Rom327
- Почётный участник

- Сообщения: 2989
- Зарегистрирован: 03 апр 2015, 13:23
- Репутация: 437
- Настоящее имя: Роман
- Откуда: Подольск
- Контактная информация:
Re: Шкаф портальника на сервах. Нужен совет.
Я бы сделал так:Nikomas писал(а):Друзья, т.к. покупать магнитный пускатель на каждый сервопривод затратно (их пока 4 шт.), в шкафу решил посадить все на один пускатель. После пускателя выходят две шины "фазы" и "ноля". Вот накидал схемку. Пускатель с кнопкой с "самоподхватом". По сути, у пускателя 4 группы контактов, и можно "фазу" каждого привода завести на пускатель, а для "ноля" сделать общую шину, но на пускатель хочу еще повесить и БП для управляющих сигналов.
Ноль прямой, от розетки до нагрузки. Чтобы не путать полярность включения вилки в розетку, использовать типа такой: http://el-zoom.ru/components/com_jshopp ... /216p6.jpg
Силовые контакты пускателя подключить каждый на свой привод. Есть 5-фазные пускатели (ПМЕ111
В цепь самоблокировки пускателя добавить еще 1 группу НЗ контактов реле К1. Реле К1 запитать через концевики максимального положения осей (6штук) Принцип такой: пока все оси находятся в рабочей зоне, реле К1 выключено и разрешает включить/выключить силовой пускатель. Как только одна из осей "полетела" на концевик реле К1 сработает и отключит силовой пускатель и обесточит драйверы. Станок замрет. На это же реле можно добавить датчик двери, Estop, датчик давления воздуха, да все, что сочтете нужным. На другие контакты реле можно навесить красную аварийную лампочку
Блок питания +24 вольта подключается через тумблер и автомат защиты.
Это сугубо мое мнение, могу и ошибаться...
https://vk.com/rom327
GRBL настройки: http://blogandbux.blogspot.com/2018/07/ ... revod.html
G коды: http://3d-stanki.ru/spravochnik/program ... stankov-2/
https://vk.com/rom327
GRBL настройки: http://blogandbux.blogspot.com/2018/07/ ... revod.html
G коды: http://3d-stanki.ru/spravochnik/program ... stankov-2/
-
SVP
- Мастер
- Сообщения: 6140
- Зарегистрирован: 19 дек 2012, 15:49
- Репутация: 884
- Откуда: Москва
- Контактная информация:
Re: Шкаф портальника на сервах. Нужен совет.
Да откудаж вы это придумываете-то ?Rom327 писал(а):Более того, если пропал воздух, открылась дверь или сработал концевик максимального перемещения или аварийная кнопка, питание с приводов снимается
Какой смысл отключать двигатель подачи, если у тебя со скоростью 20метров в минуту летит полутонный стол ?
Он и по инерции снесет все что есть и выедет в коридор... двигатели в таком случае как-раз и тормозят.
И только потом, возможно с них и имеет смысл снимать напряжение.
К слову сказать, выдергивать из розетки сервопак бессмысленное действие, в его набортных конденсаторах
и рекуператоре энергии дофигища.
Тормоз только так называется, ничего он не остановит, кроме движения по оси Z под собственном весом.Rom327 писал(а):И с электро-тормоза Z снимается напряжение и он стопорит ось.
- Rom327
- Почётный участник

- Сообщения: 2989
- Зарегистрирован: 03 апр 2015, 13:23
- Репутация: 437
- Настоящее имя: Роман
- Откуда: Подольск
- Контактная информация:
Re: Шкаф портальника на сервах. Нужен совет.
Да ничего я не выдумываю! На станке, о котором ты говоришь, тормоза есть на всех осях. C легкими рамами тормоза ставят только на Z.SVP писал(а):Да откудаж вы это придумываете-то ?
Какой смысл отключать двигатель подачи, если у тебя со скоростью 20метров в минуту летит полутонный стол ?
Он и по инерции снесет все что есть и выедет в коридор... двигатели в таком случае как-раз и тормозят.
И только потом, возможно с них и имеет смысл снимать напряжение.
И тормоза довольно крепко держат. У нас на одном Хеккерте отвалился провод тормоза, так ось даже не поехала - привод встал по перегрузке.
SVP писал(а):К слову сказать, выдергивать из розетки сервопак бессмысленное действие, в его набортных конденсаторах
и рекуператоре энергии дофигища.
Ну это надо проверить еще на конкретном экземпляре... Не такие уж там большие емкости...
А ты попробуй, с правильно настроенным тормозом, отключить питание от мотора и провернуть ось ключом!SVP писал(а):Тормоз только так называется, ничего он не остановит, кроме движения по оси Z под собственном весом.
Это сугубо мое мнение, могу и ошибаться...
https://vk.com/rom327
GRBL настройки: http://blogandbux.blogspot.com/2018/07/ ... revod.html
G коды: http://3d-stanki.ru/spravochnik/program ... stankov-2/
https://vk.com/rom327
GRBL настройки: http://blogandbux.blogspot.com/2018/07/ ... revod.html
G коды: http://3d-stanki.ru/spravochnik/program ... stankov-2/
- Serg
- Мастер
- Сообщения: 21923
- Зарегистрирован: 17 апр 2012, 14:58
- Репутация: 5183
- Заслуга: c781c134843e0c1a3de9
- Настоящее имя: Сергей
- Откуда: Москва
- Контактная информация:
Re: Шкаф портальника на сервах. Нужен совет.
Часто зубцы на тормозах делают такой формы, чтобы они ничего не стопорили пока есть вращение (даже при снятии напряжения с них), а вот когда вращение прекратится, тогда они смогут встать в зацепление и застопорить мотор.Rom327 писал(а):И тормоза довольно крепко держат. У нас на одном Хеккерте отвалился провод тормоза, так ось даже не поехала - привод встал по перегрузке.
Я не Христос, рыбу не раздаю, но могу научить, как сделать удочку...
-
Nikomas
- Мастер
- Сообщения: 721
- Зарегистрирован: 07 янв 2012, 14:31
- Репутация: 64
- Откуда: Беларусь
- Контактная информация:
Re: Шкаф портальника на сервах. Нужен совет.
А может надо читать доки?..
-
SVP
- Мастер
- Сообщения: 6140
- Зарегистрирован: 19 дек 2012, 15:49
- Репутация: 884
- Откуда: Москва
- Контактная информация:
Re: Шкаф портальника на сервах. Нужен совет.
А ты попробуй разогнать массу в полтонны до скорости метров в 20 и включи потом тормоз.Rom327 писал(а):А ты попробуй, с правильно настроенным тормозом, отключить питание от мотора и провернуть ось ключом!SVP писал(а):Тормоз только так называется, ничего он не остановит, кроме движения по оси Z под собственном весом.
Только сам на пути массы не стой, нам красные кляксы на стенках не нужны.
Сервы не для хоббийных станочков сделаны.
Даже когда они срабатывают тем самым "динамическим торможением" в хоббийных, можно от неожиданности
и звуковых эффектов наложить в штаны, 50+кг станочек некисло так подпрыгнул, а скорости были куда как меньше,
и серва всего 100вт. Более всего это напоминает неслабый удар кувалдой.
Я так и не понял, как по твоему мнению должны с концевиков съезжать обесточенные сервы...