Помогите с подключением TB6560-V2.0 к nc studio
-
frezakov
- Кандидат
- Сообщения: 45
- Зарегистрирован: 15 фев 2014, 20:59
- Репутация: 1
- Контактная информация:
Помогите с подключением TB6560-V2.0 к nc studio
Вот приобрел себе такой наборчик: три драйвера TB6560-V2.0 и nc studio. По печальному прошлому опыту подключения, теперь буду несколько раз перепроверять то что делаю ибо моя прошлая решительность осталась в прошлом вместе с контроллером red TB6560HQT 4V3. Так то в принципе понятно что куда соединять, но лучше уж переспрошу лишний раз. Я сейчас обрисую как я понимаю что куда соединять, а коль что не так, то буду рад если кто поправит.
- Taganrog
- Мастер
- Сообщения: 1238
- Зарегистрирован: 15 апр 2015, 16:32
- Репутация: 284
- Настоящее имя: Евгений
- Откуда: Брянск
- Контактная информация:
Re: Помогите с подключением TB6560-V2.0 к nc studio
на картинке не видно что написанно на плате драйвера. Если не перепутал DIR+ и DIR- ну и степ соответственно то должно работать. ТОлько не каждый инвертор можно запрограмировать чтоб включался автоматически. Мне пришлось добавить 3 диода чтоб он включался при выставлении в ncstudio любой скорости.
А в твоем случае при программировании инвертора на старт по сигналу forward он будет постоянно вращаться.скорости меняться будут а выключаться -нет.
-
frezakov
- Кандидат
- Сообщения: 45
- Зарегистрирован: 15 фев 2014, 20:59
- Репутация: 1
- Контактная информация:
Re: Помогите с подключением TB6560-V2.0 к nc studio
Инвертора у меня нет, просто я не стал удалять стандартный чертеж полностью. Шпиндель напрямую к сети подключен и включается исключительно вручную. возможно в будущем через релюху какнить подкинуть, но сейчас главное настроить работу станка без шпинделя.Taganrog писал(а):на картинке не видно что написанно на плате драйвера. Если не перепутал DIR+ и DIR- ну и степ соответственно то должно работать. ТОлько не каждый инвертор можно запрограмировать чтоб включался автоматически. Мне пришлось добавить 3 диода чтоб он включался при выставлении в ncstudio любой скорости. А в твоем случае при программировании инвертора на старт по сигналу forward он будет постоянно вращаться.скорости меняться будут а выключаться -нет.
и мне не понятны два оставшихся выхода EN+ и EN-
- Taganrog
- Мастер
- Сообщения: 1238
- Зарегистрирован: 15 апр 2015, 16:32
- Репутация: 284
- Настоящее имя: Евгений
- Откуда: Брянск
- Контактная информация:
Re: Помогите с подключением TB6560-V2.0 к nc studio
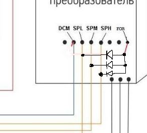
Это enable . Сигнал который разрешает /запрещает работу драйвера. Полностью снимая напряжение с двигателей . Часто его просто не используют.
-
frezakov
- Кандидат
- Сообщения: 45
- Зарегистрирован: 15 фев 2014, 20:59
- Репутация: 1
- Контактная информация:
Re: Помогите с подключением TB6560-V2.0 к nc studio
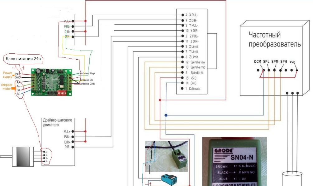
что-то я запутался в подключении. На схеме подключения nc studio, вроде как контакты драйвера которые два вместе соединяются и подключаются к одному разьему на nc studio под номером 15 и рядом написано 5v. Вот нашел как эти драйвера подключают к плате arduino и там эти спаренные контакты подсоединяются к контакту под названием gnd
а на схеме подключения nc studio
а на схеме подключения nc studio
- Taganrog
- Мастер
- Сообщения: 1238
- Зарегистрирован: 15 апр 2015, 16:32
- Репутация: 284
- Настоящее имя: Евгений
- Откуда: Брянск
- Контактная информация:
Re: Помогите с подключением TB6560-V2.0 к nc studio
Все верно ардуино у вас подключена" с общим минусом" . NCSTUDIO сделанна с общим плюсом.
на драйвера есть все выводы . можно и подключать и туда и туда.
подключайте так:
на драйвера есть все выводы . можно и подключать и туда и туда.
подключайте так:
-
frezakov
- Кандидат
- Сообщения: 45
- Зарегистрирован: 15 фев 2014, 20:59
- Репутация: 1
- Контактная информация:
Re: Помогите с подключением TB6560-V2.0 к nc studio
понял, спасибо огромное!Taganrog писал(а):Все верно ардуино у вас подключена" с общим минусом" . NCSTUDIO сделанна с общим плюсом.
на драйвера есть все выводы . можно и подключать и туда и туда.
подключайте так:
-
frezakov
- Кандидат
- Сообщения: 45
- Зарегистрирован: 15 фев 2014, 20:59
- Репутация: 1
- Контактная информация:
Re: Помогите с подключением TB6560-V2.0 к nc studio
все подключил, все работает, завтра буду разбираться с датчиками и настройками шагов и т. д. Спасибо за помощь!
-
frezakov
- Кандидат
- Сообщения: 45
- Зарегистрирован: 15 фев 2014, 20:59
- Репутация: 1
- Контактная информация:
Re: Помогите с подключением TB6560-V2.0 к nc studio
появилась проблема, греются драйвера. по началу радиаторы были тепленькие, а сейчас прям горячие. Ничего не менялось в настройках. Драйвера на 3 ампера, моторы по 3 ампера. Сами моторы нагревались и нагреваются терпимо градусов до 60. Кто что может подсказать? Уменьшать ток вроде не целесообразно. Или может прицепить на каждый драйвер вентилятор?
-
nevkon
- Почётный участник

- Сообщения: 2473
- Зарегистрирован: 17 июл 2015, 10:25
- Репутация: 310
- Настоящее имя: Константин
- Откуда: Балаково (Саратовская обл.)
- Контактная информация:
Re: Помогите с подключением TB6560-V2.0 к nc studio
Для начала поставить вентилятор, но на максимальном для драйвера токе гонять небезопасно, возможно скоро придется менять.
Может режим работы станка изменился на более интенсивный?
Может режим работы станка изменился на более интенсивный?
-
frezakov
- Кандидат
- Сообщения: 45
- Зарегистрирован: 15 фев 2014, 20:59
- Репутация: 1
- Контактная информация:
Re: Помогите с подключением TB6560-V2.0 к nc studio
греется одна ось Х. Интенсивно работают две оси X и Z. На Y драйвер холодный, но он и не двигается практически. Странно то что, в начале все оси работали без существенного нагрева.nevkon писал(а):Для начала поставить вентилятор, но на максимальном для драйвера токе гонять небезопасно, возможно скоро придется менять.
Может режим работы станка изменился на более интенсивный?
-
frezakov
- Кандидат
- Сообщения: 45
- Зарегистрирован: 15 фев 2014, 20:59
- Репутация: 1
- Контактная информация:
Re: Помогите с подключением TB6560-V2.0 к nc studio
по ходу дела нарисовалась еще проблемка, сбивается по Z вверх, за три часа на 2.5мм. Шаг 0,06мм, скорость 800мм/мин
- Taganrog
- Мастер
- Сообщения: 1238
- Зарегистрирован: 15 апр 2015, 16:32
- Репутация: 284
- Настоящее имя: Евгений
- Откуда: Брянск
- Контактная информация:
Re: Помогите с подключением TB6560-V2.0 к nc studio
А тут однозначного ответа вряд ли кто даст, ибо причин может быть множество. На форуме есть тема про сбой координат.Почитай.Там много аспектов оговорено.(Виновата может быть как электроника так и механика)
- Тенгель
- Почётный участник

- Сообщения: 1814
- Зарегистрирован: 01 май 2012, 13:41
- Репутация: 619
- Откуда: Чита
- Контактная информация:
Re: Помогите с подключением TB6560-V2.0 к nc studio
Интересно, судя по вопросам на форуме, сбой осей чаще всего происходят именно по Z, какое этому может быть логическое объяснение ?
Или я ошибаюсь/мне показалось ?
Или я ошибаюсь/мне показалось ?
Подпись отключена за неуплату.
-
frezakov
- Кандидат
- Сообщения: 45
- Зарегистрирован: 15 фев 2014, 20:59
- Репутация: 1
- Контактная информация:
Re: Помогите с подключением TB6560-V2.0 к nc studio
Кто пользуется или пользовался драйвером шагового двигателя TB6560 V2? Отзовитесь! Сильно ли он у Вас нагревался. Я уже перепрововал все вариации с джамперами на палте и никакого толку. Двигатели подключены 3-х амперные. Может они так устроены, что это их нормальное состояние так нагреваться? Радиатор того драйвера который интенсивнее всего работает, нагревается так что припекает в руку, а тот что почти не используется, вообще прохладный.
- michael-yurov
- Почётный участник

- Сообщения: 11731
- Зарегистрирован: 26 июл 2012, 00:10
- Репутация: 4703
- Настоящее имя: Михаил Львович
- Откуда: Новоуральск
- Контактная информация:
Re: Помогите с подключением TB6560-V2.0 к nc studio
По другим координатам не замечают смещения, т.к. привязаться не к чему.Тенгель писал(а):Интересно, судя по вопросам на форуме, сбой осей чаще всего происходят именно по Z, какое этому может быть логическое объяснение ?
Или я ошибаюсь/мне показалось ?
Если деталь вырежется на 0,5 мм левее / правее - никто этого не заметит.
-
frezakov
- Кандидат
- Сообщения: 45
- Зарегистрирован: 15 фев 2014, 20:59
- Репутация: 1
- Контактная информация:
Re: Помогите с подключением TB6560-V2.0 к nc studio
проверил механику, все крутится свободно, заэкранировал провод от ШД и заземлил экран. перепробовал разные деления шагов, синусоиды, ток выставлял меньше. Все это никак не повлияло на то что ось Z сбивается за пол часа примерно на 0,3мм вверх. Скорость 3D обработки 700мм/мин. шаг 0,07. фреза 0,2 конусная. Может это драйвера такие и их невозможно настроить? Читал разные темы. Если кто может подкинуть еще что по этому поводу, буду рад.
- michael-yurov
- Почётный участник

- Сообщения: 11731
- Зарегистрирован: 26 июл 2012, 00:10
- Репутация: 4703
- Настоящее имя: Михаил Львович
- Откуда: Новоуральск
- Контактная информация:
Re: Помогите с подключением TB6560-V2.0 к nc studio
Нужно проверить муфты, что они не проскальзывают, и не резонируют, если они спиральные.frezakov писал(а):проверил механику, все крутится свободно, заэкранировал провод от ШД и заземлил экран. перепробовал разные деления шагов, синусоиды, ток выставлял меньше. Все это никак не повлияло на то что ось Z сбивается за пол часа примерно на 0,3мм вверх. Скорость 3D обработки 700мм/мин. шаг 0,07. фреза 0,2 конусная. Может это драйвера такие и их невозможно настроить? Читал разные темы. Если кто может подкинуть еще что по этому поводу, буду рад.
И вторая возможная проблема - сбой из за помех между платой управления и драйверами.
Подключено к NCStudio?
Провода длинные между платой и драйверами?
Что-то кроме драйверов к терминальой плате подключено?
Можно фото подключения?
-
frezakov
- Кандидат
- Сообщения: 45
- Зарегистрирован: 15 фев 2014, 20:59
- Репутация: 1
- Контактная информация:
Re: Помогите с подключением TB6560-V2.0 к nc studio
плата ncstudio
изначально корпус был плоский, и все было размещено так сказать паралельно друг с другом, но занимало много места, потом решил сделать все более компактным. Поведение станка не изменилось с этой переменной.
фотки конечно не айс, но как говорится "имеем то что имеем"
там на противоположной стороне от платы развязки блок питания. Я пробовал и вытягивать драйвера наружу и все ровно Z уходит вверх.
фотки конечно не айс, но как говорится "имеем то что имеем"
там на противоположной стороне от платы развязки блок питания. Я пробовал и вытягивать драйвера наружу и все ровно Z уходит вверх.
-
sertix
- Мастер
- Сообщения: 627
- Зарегистрирован: 07 май 2011, 09:06
- Репутация: 138
- Настоящее имя: Сергей
- Контактная информация:
Re: Помогите с подключением TB6560-V2.0 к nc studio
Может оказаться что причина в выходных импульсах NCStudio, фронт/спад. Я в свое время по этой причине отказался от красной NCStudio, правда драйвера у меня Yako.
