Arduino и RS422 энкодер
- Nick
- Мастер
- Сообщения: 22776
- Зарегистрирован: 23 ноя 2009, 16:45
- Репутация: 1735
- Заслуга: Developer
- Откуда: Gatchina, Saint-Petersburg distr., Russia
- Контактная информация:
Arduino и RS422 энкодер
Нужно к ардуинке подключить энкодер ЛИР.
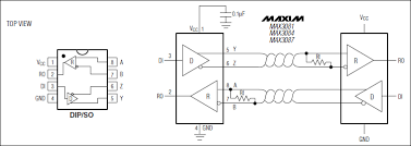
Энкодер этот общается по двум парам проводков - CLOCK+ CLOCK- DATA+ и DATA-.
Как это дело подключить к ардуинке?
Я так понимаю что можно банально подключить к 4 пинам и выдавать и + и - сигналы. Но по правильному надо подключить по схеме производителя.
Теперь вопрос! Есть ли готовый модуль с кем-то из max490 или MAX3087?
Или придется паять?
Энкодер этот общается по двум парам проводков - CLOCK+ CLOCK- DATA+ и DATA-.
Как это дело подключить к ардуинке?
Я так понимаю что можно банально подключить к 4 пинам и выдавать и + и - сигналы. Но по правильному надо подключить по схеме производителя.
Теперь вопрос! Есть ли готовый модуль с кем-то из max490 или MAX3087?
Или придется паять?
-
plotik
- Мастер
- Сообщения: 428
- Зарегистрирован: 10 май 2012, 15:30
- Репутация: 33
- Настоящее имя: Евгений
- Откуда: Rostov-on-Don
- Контактная информация:
Re: Arduino и RS422 энкодер
Николай а сколько бит разрешение у энкодера и какова скорость вращения? Я к тому что не загнётся ли дуинка обрабатывать всё это.
"Ты не дрыгайся! Показывай свою гравицаппу. Если фирменная вещь — возьмём!"
"А этот паца́к все время говорит на языках, продолжения которых не знает!"
"А этот паца́к все время говорит на языках, продолжения которых не знает!"
- selenur
- Почётный участник

- Сообщения: 4605
- Зарегистрирован: 21 авг 2013, 19:44
- Репутация: 1622
- Настоящее имя: Сергей
- Откуда: Новый Уренгой
- Контактная информация:
Re: Arduino и RS422 энкодер
Если использовать прерывания, то можно ловить достаточно высокие частоты, хотя конечно после получения/накопления данных, остается вопрос что нужно делать.plotik писал(а):Николай а сколько бит разрешение у энкодера и какова скорость вращения? Я к тому что не загнётся ли дуинка обрабатывать всё это.
Мой сайт: http://selenur.ru
Исходники моих программ: https://github.com/selenur
Instagram https://www.instagram.com/zheigurov/
Исходники моих программ: https://github.com/selenur
Instagram https://www.instagram.com/zheigurov/
-
tecnocat
- Опытный
- Сообщения: 101
- Зарегистрирован: 09 июн 2014, 08:07
- Репутация: 39
- Контактная информация:
Re: Arduino и RS422 энкодер
По приведенным схемам понятно что применяется дифференциальная передача данных по паре проводов, она нужна если длина кабеля очень большая, чтобы не ловить помехи, если расстояние маленькое можно попробовать обойтись без ответной микросхемы, предварительно приветя уровни к стандартным ttl.
То бишь померять напрядение между clock+ и data+ и землей, если в пределах 5вольт, то напрямую цеплять на ноги ардуино и ей уже декодировать сигнал. Могу ошибаться но как то так.
То бишь померять напрядение между clock+ и data+ и землей, если в пределах 5вольт, то напрямую цеплять на ноги ардуино и ей уже декодировать сигнал. Могу ошибаться но как то так.
-
plotik
- Мастер
- Сообщения: 428
- Зарегистрирован: 10 май 2012, 15:30
- Репутация: 33
- Настоящее имя: Евгений
- Откуда: Rostov-on-Don
- Контактная информация:
Re: Arduino и RS422 энкодер
не углублялся но нафиг там фул дуплекс?
"Ты не дрыгайся! Показывай свою гравицаппу. Если фирменная вещь — возьмём!"
"А этот паца́к все время говорит на языках, продолжения которых не знает!"
"А этот паца́к все время говорит на языках, продолжения которых не знает!"
-
nkp
- Мастер
- Сообщения: 8340
- Зарегистрирован: 28 ноя 2011, 00:25
- Репутация: 1589
- Контактная информация:
Re: Arduino и RS422 энкодер
для ардуины готовые (наверно) только 485...
использовать два модуля ,чтоб получить 422...
использовать два модуля ,чтоб получить 422...
- Сергей Саныч
- Мастер
- Сообщения: 9116
- Зарегистрирован: 30 май 2012, 14:20
- Репутация: 2858
- Откуда: Тюмень
- Контактная информация:
Re: Arduino и RS422 энкодер
Там не full duplex как таковой. RS422 там только на физическом уровне.plotik писал(а):нафиг там фул дуплекс?
От приемника (Master) идет тактирование, а от энкодера (Slave) - данные.
Энкодер, как я понял, абсолютный, а не инкрементальный.
- Nick
- Мастер
- Сообщения: 22776
- Зарегистрирован: 23 ноя 2009, 16:45
- Репутация: 1735
- Заслуга: Developer
- Откуда: Gatchina, Saint-Petersburg distr., Russia
- Контактная информация:
Re: Arduino и RS422 энкодер
Да, энкодер абсолютный, читать его надо до 100 раз в секунду, т.е. до 10мс. В общем по времени вопроса нет. Вопрос именно по физическому уровню.
! Так и предполагал, что придется что-то такое мутить.
Прямо в точкуnkp писал(а):для ардуины готовые (наверно) только 485...
использовать два модуля ,чтоб получить 422...
Там вроде и так ttl.tecnocat писал(а):По приведенным схемам понятно что применяется дифференциальная передача данных по паре проводов, она нужна если длина кабеля очень большая, чтобы не ловить помехи, если расстояние маленькое можно попробовать обойтись без ответной микросхемы, предварительно приветя уровни к стандартным ttl.
- Сергей Саныч
- Мастер
- Сообщения: 9116
- Зарегистрирован: 30 май 2012, 14:20
- Репутация: 2858
- Откуда: Тюмень
- Контактная информация:
Re: Arduino и RS422 энкодер
Если бы была однонаправленная передача, от энкодера к приемнику, тогда бы можно было использовать один провод из пары. Но так как энкодер надо не только слушать, но еще и тактировать, то придется все равно делать диф. передатчик для сигнала CLOCK.
-
sidor094
- Мастер
- Сообщения: 826
- Зарегистрирован: 20 фев 2014, 09:13
- Репутация: 81
- Настоящее имя: Сергей
- Откуда: Москва
- Контактная информация:
Re: Arduino и RS422 энкодер
Похоже на протокол SPI. оба сигнала надо пропустить через max485 или им подобные а затем к порту SPI атмеги.А уровни ТТЛ так ,что если не нужна высокая помехоустойчивость то можно плюсовые ноги энкодера непосредственно подключить к атмеге.В обратную сторону по идее тоже все должно быть нормально.В крайнем случае можно не подключенные отрицательные входа подключить к резистивному делителю на половину питания.
- Nick
- Мастер
- Сообщения: 22776
- Зарегистрирован: 23 ноя 2009, 16:45
- Репутация: 1735
- Заслуга: Developer
- Откуда: Gatchina, Saint-Petersburg distr., Russia
- Контактная информация:
Re: Arduino и RS422 энкодер
О, нашел модуль... Только как бы его тут у нас найти?
http://www.dx.com/p/rs422-breakout-conv ... 34oEN8RvCI
http://www.dx.com/p/rs422-breakout-conv ... 34oEN8RvCI
- Nick
- Мастер
- Сообщения: 22776
- Зарегистрирован: 23 ноя 2009, 16:45
- Репутация: 1735
- Заслуга: Developer
- Откуда: Gatchina, Saint-Petersburg distr., Russia
- Контактная информация:
Re: Arduino и RS422 энкодер
О, еще вот такой есть... блин, но как их в гугле забить, чтоб искать в зоне site:.ru?
- Сергей Саныч
- Мастер
- Сообщения: 9116
- Зарегистрирован: 30 май 2012, 14:20
- Репутация: 2858
- Откуда: Тюмень
- Контактная информация:
Re: Arduino и RS422 энкодер
Тебе для серии или штучно надо?
Если штучно, проще на макетке спаять.
Если штучно, проще на макетке спаять.
-
nkp
- Мастер
- Сообщения: 8340
- Зарегистрирован: 28 ноя 2011, 00:25
- Репутация: 1589
- Контактная информация:
Re: Arduino и RS422 энкодер
может:Nick писал(а):О, еще вот такой есть... блин, но как их в гугле забить, чтоб искать в зоне site:.ru?
https://www.google.com.ua/search?client ... gws_rd=ssl
- Nick
- Мастер
- Сообщения: 22776
- Зарегистрирован: 23 ноя 2009, 16:45
- Репутация: 1735
- Заслуга: Developer
- Откуда: Gatchina, Saint-Petersburg distr., Russia
- Контактная информация:
Re: Arduino и RS422 энкодер
Ненене, там же не только микруха, там еще конденсатор, сопротивления и еще черт знает что, мне проще готовый модуль взятьЕсли штучно, проще на макетке спаять.
Да и выглядеть будет солиднее чем моя макетка
Сейчас склоняюсь к двум rs485, они есть в наличии совсем рядом.
-
Duhas
- Мастер
- Сообщения: 1961
- Зарегистрирован: 10 окт 2015, 23:25
- Репутация: 285
- Настоящее имя: Андрей
- Откуда: Красноярск
- Контактная информация:
Re: Arduino и RS422 энкодер
там нужна микра, кондер по питанию и резистор на приемной линии желательно. на макетке будет оперативнее ) а солидность - это ж не морда устройства )
- Сергей Саныч
- Мастер
- Сообщения: 9116
- Зарегистрирован: 30 май 2012, 14:20
- Репутация: 2858
- Откуда: Тюмень
- Контактная информация:
Re: Arduino и RS422 энкодер
В посте #11 солиднее будет, там еще защитные диоды понавешены 
-
Кулибин1437
- Новичок
- Сообщения: 35
- Зарегистрирован: 11 янв 2019, 07:51
- Репутация: 0
- Настоящее имя: Эдуард
- Откуда: г.Уфа
- Контактная информация:
Re: Arduino и RS422 энкодер
Приветствуем.
Я новичёк на этом форуме.
Сильно не пинайте, что влез в чужую тему.
Давнееенько в юности паял всякие электронные схемы, но с тех пор к электронике не возвращался.
Поэтому не знал и ещё всЁ забыл(((.
Просто всё в данной теме касается моих вопросов.))
Купил на Али абсолютный многооборотный энкодер с выходом SSI, счётчик не стал брать за 17тыщ рублей, жаба задавила)).
Купил ардуинку уно.
Плату YL-128 RS422.
Подключил c 'энкодера провода +-clok к (Плате YL-128 RS422)-YZ
+-DATA к (Плате YL-128 RS422)-BA
завёл сигналы с из платы YL-128 RS422 -rsd и txd в ардуинку.
Залил примитивный скетч, который нашёл в инете(который мне всёровно непонятный)
Общие вопросы так сказать. Во первых пока не пошлёшь на энкодер сигнал clok он ничего не должен выдавать на проводах DATA?
В данный момент на энкодер получается посылать сигнал clok.
А вот обратно, на DATA осцилограф мне ничего не кажет(((.
Если всё вышеизложенное правильно, то наверное проблема в неправильном формировании сигнала clok.?
Или какие то глобальные ошибки?
Спасибо
Я новичёк на этом форуме.
Сильно не пинайте, что влез в чужую тему.
Давнееенько в юности паял всякие электронные схемы, но с тех пор к электронике не возвращался.
Поэтому не знал и ещё всЁ забыл(((.
Просто всё в данной теме касается моих вопросов.))
Купил на Али абсолютный многооборотный энкодер с выходом SSI, счётчик не стал брать за 17тыщ рублей, жаба задавила)).
Купил ардуинку уно.
Плату YL-128 RS422.
Подключил c 'энкодера провода +-clok к (Плате YL-128 RS422)-YZ
+-DATA к (Плате YL-128 RS422)-BA
завёл сигналы с из платы YL-128 RS422 -rsd и txd в ардуинку.
Залил примитивный скетч, который нашёл в инете(который мне всёровно непонятный)
Общие вопросы так сказать. Во первых пока не пошлёшь на энкодер сигнал clok он ничего не должен выдавать на проводах DATA?
В данный момент на энкодер получается посылать сигнал clok.
А вот обратно, на DATA осцилограф мне ничего не кажет(((.
Если всё вышеизложенное правильно, то наверное проблема в неправильном формировании сигнала clok.?
Или какие то глобальные ошибки?
Спасибо
- Serg
- Мастер
- Сообщения: 21923
- Зарегистрирован: 17 апр 2012, 14:58
- Репутация: 5183
- Заслуга: c781c134843e0c1a3de9
- Настоящее имя: Сергей
- Откуда: Москва
- Контактная информация:
Re: Arduino и RS422 энкодер
Читайте описание протокола SSI - протокол очень простой, но соблюдать его надо полностью.
Я не Христос, рыбу не раздаю, но могу научить, как сделать удочку...
-
Кулибин1437
- Новичок
- Сообщения: 35
- Зарегистрирован: 11 янв 2019, 07:51
- Репутация: 0
- Настоящее имя: Эдуард
- Откуда: г.Уфа
- Контактная информация:
Re: Arduino и RS422 энкодер
Спасибо.
А про подключение энкодера через RS422 я правильно делаю?
Вот прилагаю инфу к самому энкодеру.
А про подключение энкодера через RS422 я правильно делаю?
Вот прилагаю инфу к самому энкодеру.
