Установка динамического тока на драйвере

Контроллеры, драйверы, датчики, управляющие устройства.
Аватара пользователя
Cross
Опытный
Сообщения: 166
Зарегистрирован: 21 июл 2015, 18:29
Репутация: 4
Настоящее имя: Артем
Контактная информация:

Установка динамического тока на драйвере

Сообщение Cross »

Вечер добрый! Пробую настраивать Mach, подключать драйвера и т.д. Делаю это впервые в жизни. Сбоку драйвера есть переключатели. Половина их отвечает как я понял за деление шага, другая половина за установку динамического тока (как написано в руководстве) и еще один за установку тока в режиме покоя. Как правильно его выставлять и на что он влияет? Вот дана таблица в руководстве...
Вложения
Безымянный.jpg (1768 просмотров) <a class='original' href='./download/file.php?id=75478&mode=view' target=_blank>Загрузить оригинал (91.8 КБ)</a>
Аватара пользователя
Cross
Опытный
Сообщения: 166
Зарегистрирован: 21 июл 2015, 18:29
Репутация: 4
Настоящее имя: Артем
Контактная информация:

Re: Установка динамического тока на драйвере

Сообщение Cross »

Разобрался. Но непонятно что есть "Ток покоя"? Там под него соответствующий DIP есть...
vektor_z
Мастер
Сообщения: 405
Зарегистрирован: 30 ноя 2014, 16:45
Репутация: 387
Настоящее имя: Василий
Откуда: Украина. Закарпатская обл.
Контактная информация:

Re: Установка динамического тока на драйвере

Сообщение vektor_z »

Когда двигатель находится в режиме удержания то есть не вращается. для того чтоб двигатель не перегревался ток в обмотках автоматически снижается на 50%.
Аватара пользователя
michael-yurov
Почётный участник
Почётный участник
Сообщения: 11730
Зарегистрирован: 26 июл 2012, 00:10
Репутация: 4703
Настоящее имя: Михаил Львович
Откуда: Новоуральск
Контактная информация:

Re: Установка динамического тока на драйвере

Сообщение michael-yurov »

Блин, такое заманчивое название темы, и такой облом.
Аватара пользователя
Predator
Мастер
Сообщения: 9583
Зарегистрирован: 18 июл 2013, 18:26
Репутация: 2531
Контактная информация:

Re: Установка динамического тока на драйвере

Сообщение Predator »

michael-yurov писал(а):Блин, такое заманчивое название темы, и такой облом.
Увы! :)
Аватара пользователя
Cross
Опытный
Сообщения: 166
Зарегистрирован: 21 июл 2015, 18:29
Репутация: 4
Настоящее имя: Артем
Контактная информация:

Re: Установка динамического тока на драйвере

Сообщение Cross »

michael-yurov писал(а):Блин, такое заманчивое название темы, и такой облом.
Ничего! Можно продолжить! :) Я глянул, на моем ШД написано 3.5А, ну вот я выставил DIPы по второй строке в таблице. А что будет если я поставлю 4.2???? Вырастет крутящий момент? Что-нибудь вообще вырастет полезного для меня?)))) Кроме температуры двигателя... Которая кстати желательно, чтоб не превышала 70 град. т.к. на 80 уже плавится лак... А до того можно и погреть?)))
Аватара пользователя
michael-yurov
Почётный участник
Почётный участник
Сообщения: 11730
Зарегистрирован: 26 июл 2012, 00:10
Репутация: 4703
Настоящее имя: Михаил Львович
Откуда: Новоуральск
Контактная информация:

Re: Установка динамического тока на драйвере

Сообщение michael-yurov »

По второй и нужно.
Но, если отвод тепла плохой, и мотор станет сильно греться - стоит уменьшить ток.
И, да, рабочий ток напрямую влияет на крутящий момент.
Аватара пользователя
Cross
Опытный
Сообщения: 166
Зарегистрирован: 21 июл 2015, 18:29
Репутация: 4
Настоящее имя: Артем
Контактная информация:

Re: Установка динамического тока на драйвере

Сообщение Cross »

michael-yurov писал(а):Но, если отвод тепла плохой, и мотор станет сильно греться - стоит уменьшить ток.
Понятно... А что если изготовить мини радиаторы и повесить по бокам ШД (по 4 на каждый), ну не важно, главное если я правильно понял: Эффективный отвод тепла от мотора позволяет повысить силу тока, а с ней крутящий момент не перегревая при этом двигатель?
Аватара пользователя
michael-yurov
Почётный участник
Почётный участник
Сообщения: 11730
Зарегистрирован: 26 июл 2012, 00:10
Репутация: 4703
Настоящее имя: Михаил Львович
Откуда: Новоуральск
Контактная информация:

Re: Установка динамического тока на драйвере

Сообщение michael-yurov »

Cross писал(а):Эффективный отвод тепла от мотора позволяет повысить силу тока, а с ней крутящий момент не перегревая при этом двигатель?
Так и есть, но крутящий момент у шаговых моторов быстро уменьшается с ростом скорости и повышение тока на драйвере тут уже не поможет, т.к. драйвер зачастую просто не может "раскачать" ток в обмотках до нужной амплитуды при высоких скоростях/частотах.
Т.е. если улучшить теплоотвод - получится поднять крутящий момент на низких скоростях, где он, обычно, и так достаточно высокий.
nevkon
Почётный участник
Почётный участник
Сообщения: 2471
Зарегистрирован: 17 июл 2015, 10:25
Репутация: 310
Настоящее имя: Константин
Откуда: Балаково (Саратовская обл.)
Контактная информация:

Re: Установка динамического тока на драйвере

Сообщение nevkon »

Cross писал(а):Понятно... А что если изготовить мини радиаторы и повесить по бокам ШД (по 4 на каждый), ну не важно, главное если я правильно понял: Эффективный отвод тепла от мотора позволяет повысить силу тока, а с ней крутящий момент не перегревая при этом двигатель?
Тут в одной теме даже водянку делали для ШД. Собственно радиатор на ШД дело обычное я так понимаю, но лучше ток выставлять не больше паспортного. На больших оборотах ток может не успевать нарастать из-за нехватки входного напряжения на драйвере. Типичный пример. Я взял себе по неопытности ШД на 0.4А 30Ом на обмотку и подавал на драйвер 12В, после чего удивлялся чего они плохо крутятся, сейчас уже со знанием подал 24В на драйвер, крутиться стали в 2 раза быстрее до пропуска шагов. И при этом питал их ранее от ТВ6560 (12В) - в режиме удержания они грелись так что пришлось вешать весьма увесистые радиаторы, а сейчас питаются от А4988 (24В, ток 0.25А-0.3А, есть небольшой запас) и они не греются почти.
Аватара пользователя
Cross
Опытный
Сообщения: 166
Зарегистрирован: 21 июл 2015, 18:29
Репутация: 4
Настоящее имя: Артем
Контактная информация:

Re: Установка динамического тока на драйвере

Сообщение Cross »

nevkon писал(а):И при этом питал их ранее от ТВ6560 (12В) - в режиме удержания они грелись так что пришлось вешать весьма увесистые радиаторы, а сейчас питаются от А4988 (24В, ток 0.25А-0.3А, есть небольшой запас) и они не греются почти.
У меня на блоке питания написано: DC output +60V, 5,85A, ну и подключено к драйверу. Это нормально?
Аватара пользователя
Cross
Опытный
Сообщения: 166
Зарегистрирован: 21 июл 2015, 18:29
Репутация: 4
Настоящее имя: Артем
Контактная информация:

Re: Установка динамического тока на драйвере

Сообщение Cross »

К каждому драйверу по блоку питания естессна...
Аватара пользователя
michael-yurov
Почётный участник
Почётный участник
Сообщения: 11730
Зарегистрирован: 26 июл 2012, 00:10
Репутация: 4703
Настоящее имя: Михаил Львович
Откуда: Новоуральск
Контактная информация:

Re: Установка динамического тока на драйвере

Сообщение michael-yurov »

Что за моторы то?
Что за драйверы?
Если речь про какие-нибудь NEMA23 длиной до 76 мм, то им одного блока питания на три мотора хватило бы, хотя и впритык.
Аватара пользователя
Cross
Опытный
Сообщения: 166
Зарегистрирован: 21 июл 2015, 18:29
Репутация: 4
Настоящее имя: Артем
Контактная информация:

Re: Установка динамического тока на драйвере

Сообщение Cross »

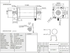
Вот такие
Вложения
829412542_662.jpg (1636 просмотров) <a class='original' href='./download/file.php?id=75700&mode=view' target=_blank>Загрузить оригинал (127.82 КБ)</a>
IMG_0513.JPG (1636 просмотров) <a class='original' href='./download/file.php?id=75701&mode=view' target=_blank>Загрузить оригинал (1.39 МБ)</a>
Аватара пользователя
michael-yurov
Почётный участник
Почётный участник
Сообщения: 11730
Зарегистрирован: 26 июл 2012, 00:10
Репутация: 4703
Настоящее имя: Михаил Львович
Откуда: Новоуральск
Контактная информация:

Re: Установка динамического тока на драйвере

Сообщение michael-yurov »

Мотооы большие. Для таких, действительно, на каждый нужно по блоку питания.
Индуктивность моторов высокая - будут медленно работать.
Аватара пользователя
Cross
Опытный
Сообщения: 166
Зарегистрирован: 21 июл 2015, 18:29
Репутация: 4
Настоящее имя: Артем
Контактная информация:

Re: Установка динамического тока на драйвере

Сообщение Cross »

michael-yurov писал(а):Мотооы большие. Для таких, действительно, на каждый нужно по блоку питания.
Индуктивность моторов высокая - будут медленно работать.
А что посоветуете в плане настройки полушага/микрошага для таких моторов, на таких драйверах? Я сейчас 800 выставил, по таблице... На что микрошаговый режим вообще влияет и отражается ли на крутящем моменте. Я так понимаю, полушаг это 400, а все что после это микрошаг?
Аватара пользователя
michael-yurov
Почётный участник
Почётный участник
Сообщения: 11730
Зарегистрирован: 26 июл 2012, 00:10
Репутация: 4703
Настоящее имя: Михаил Львович
Откуда: Новоуральск
Контактная информация:

Re: Установка динамического тока на драйвере

Сообщение michael-yurov »

Cross писал(а):А что посоветуете в плане настройки полушага/микрошага для таких моторов, на таких драйверах?
Что нравится - то и ставь. К драйверам и моторам микрошаг особого отношения не имеет.
Скорее имеет значение, чем управлять, и волнует ли тебя вибрация и громкий звук моторов в работе.
Cross писал(а):На что микрошаговый режим вообще влияет
На величину угла поворота при каждом импульсе.
Cross писал(а):отражается ли на крутящем моменте
Нет.
Cross писал(а):Я так понимаю, полушаг это 400, а все что после это микрошаг?
Те же яйца, только в профиль.
Аватара пользователя
Сергей Саныч
Мастер
Сообщения: 9116
Зарегистрирован: 30 май 2012, 14:20
Репутация: 2858
Откуда: Тюмень
Контактная информация:

Re: Установка динамического тока на драйвере

Сообщение Сергей Саныч »

michael-yurov писал(а): Cross писал(а):
отражается ли на крутящем моменте


Нет.
Маленькое уточнение: при нормальных драйверах. И смотря что считать крутящим моментом.
Чудес не бывает. Бывают фокусы.
Аватара пользователя
Cross
Опытный
Сообщения: 166
Зарегистрирован: 21 июл 2015, 18:29
Репутация: 4
Настоящее имя: Артем
Контактная информация:

Re: Установка динамического тока на драйвере

Сообщение Cross »

Сергей Саныч писал(а):Маленькое уточнение: при нормальных драйверах. И смотря что считать крутящим моментом.
А как определить нормальность драйверов? Вот у меня нормальные?
Ответить

Вернуться в «Электроника»