Станок Twitte 707-2. Апгрейд станка!

Фрезерные и гравировальные станки для обработки мягких материалов (дерево, пластики, мягкие металлы).
Аватара пользователя
Проф
Кандидат
Сообщения: 62
Зарегистрирован: 24 июн 2016, 09:45
Репутация: 2
Настоящее имя: Александр
Откуда: г. Макеевка Донецкая обл.
Контактная информация:

Re: Станок Twitte 707-2. Апгрейд станка!

Сообщение Проф »

michael-yurov писал(а):А почему у тебя земля к клемме фазы подключена?
И какая-то оплетка еще?

А к заземлению подключена оплетка провода, которая не соединена с корпусом шпинделя.
Пойду исправлять.
Повелся на метку на корпусе:
IMG_20161123_0002101.jpg (3214 просмотров) <a class='original' href='./download/file.php?id=95666&mode=view' target=_blank>Загрузить оригинал (157.57 КБ)</a>
У меня звонилась 4-ая ножка на корпус до вскрытия думал реальный ноль.
Подключал по схеме:
klemma-slall.jpg
klemma-slall.jpg (42.61 КБ) 3214 просмотров
Аватара пользователя
michael-yurov
Почётный участник
Почётный участник
Сообщения: 11731
Зарегистрирован: 26 июл 2012, 00:10
Репутация: 4703
Настоящее имя: Михаил Львович
Откуда: Новоуральск
Контактная информация:

Re: Станок Twitte 707-2. Апгрейд станка!

Сообщение michael-yurov »

Проф писал(а):У меня звонилась 4-ая ножка на корпус до вскрытия думал реальный ноль.
А при прозвонке ты снимал шпиндель и отключал кабель от него?
Аватара пользователя
Проф
Кандидат
Сообщения: 62
Зарегистрирован: 24 июн 2016, 09:45
Репутация: 2
Настоящее имя: Александр
Откуда: г. Макеевка Донецкая обл.
Контактная информация:

Re: Станок Twitte 707-2. Апгрейд станка!

Сообщение Проф »

michael-yurov писал(а):
Проф писал(а):У меня звонилась 4-ая ножка на корпус до вскрытия думал реальный ноль.
А при прозвонке ты снимал шпиндель и отключал кабель от него?
Кабель был отключен, шпиндель не снимал и станок не заземлен был.
Аватара пользователя
Дрюня
Почётный участник
Почётный участник
Сообщения: 2040
Зарегистрирован: 25 ноя 2013, 00:19
Репутация: 1504
Настоящее имя: Андрей
Откуда: Днепр
Контактная информация:

Re: Станок Twitte 707-2. Апгрейд станка!

Сообщение Дрюня »

Mamont писал(а):э...... каких таких солей? электронику с кислотой паяем чтоли?
Да. Я инженер-строитель, просто не знаю всех тонкостей нашей жизни. ;)
Аватара пользователя
Сергей Саныч
Мастер
Сообщения: 9116
Зарегистрирован: 30 май 2012, 14:20
Репутация: 2858
Откуда: Тюмень
Контактная информация:

Re: Станок Twitte 707-2. Апгрейд станка!

Сообщение Сергей Саныч »

Если нет нормального флюса, паяйте с обычной канифолью. Активные флюсы - путь к фейерверку. Избегайте при пайке электрики и электроники так называемого "флюса ТТ". Красный такой.
Чудес не бывает. Бывают фокусы.
lkbyysq
Мастер
Сообщения: 2284
Зарегистрирован: 14 май 2016, 09:40
Репутация: 346
Настоящее имя: Станислав Ерофеев
Откуда: Санкт-Петербург

Re: Станок Twitte 707-2. Апгрейд станка!

Сообщение lkbyysq »

Четвертую ногу нужно сажать на корпус шпинделя только если его корпус электрически изолирован от заземленного железа станка. Иначе неизбежно увеличение помех.

Запомните все раз и навсегда. Земля с целью снижения влияния помех разводится по оборудованию звездой. Выходит из одного единственного узла лучами до каждого изолированного агрегата.

Два заземляющих провода, подключенных к разным точкам станка вместе с ним уже будут являться замкнутым контуром, который становится приемной или передающей антенной.
В частности. В кабеле шпинделя есть якобы заземляющий провод. По силовым проводам идет переменный ток. Он вызывает наводки в четвертом проводе, на концах этого провода можно наблюдать появление разности потенциалов с частотой наводящего тока. До тех пор, пока концы этого источника напряжения не замкнуты, он безопасен. Как только замкнем, получим замкнутую цепь, в которой тут же появится ток. Ток потечет и создаст магнитное поле, которое будут принимать другие антенны, читай другие провода в станке.
Аватара пользователя
Проф
Кандидат
Сообщения: 62
Зарегистрирован: 24 июн 2016, 09:45
Репутация: 2
Настоящее имя: Александр
Откуда: г. Макеевка Донецкая обл.
Контактная информация:

Re: Станок Twitte 707-2. Апгрейд станка!

Сообщение Проф »

lkbyysq писал(а):Четвертую ногу нужно сажать на корпус шпинделя только если его корпус электрически изолирован от заземленного железа станка. Иначе неизбежно увеличение помех.
Прошу прощения за невнимательность :freak: . Ввел в заблуждение своими поспешными выводами :idiot: . "Жужжал" не шпиндель а движки.

Изолировал шпиндель от корпуса жужжание пропало. Буду думать как изолировать крепление шпинделя от плиты.
Какие еще могут быть подводные камни с частотником, постараюсь за ранее их предупредить?
Аватара пользователя
Сергей Саныч
Мастер
Сообщения: 9116
Зарегистрирован: 30 май 2012, 14:20
Репутация: 2858
Откуда: Тюмень
Контактная информация:

Re: Станок Twitte 707-2. Апгрейд станка!

Сообщение Сергей Саныч »

Проф писал(а):Изолировал шпиндель от корпуса жужжание пропало. Буду думать как изолировать крепление шпинделя от плиты.
Чтобы разорвать петлю земли, не обязательно изолировать шпиндель. Может оказаться достаточным не подключать "земляной" контакт шпинделя к экрану кабеля.
К общей точке заземления надо подключить корпус станка.
Полезно также соединить гибким проводом корпус шпинделя с корпусом станка (но не через кабель питания).
Емкостные наводки с обмоток шпинделя будут вызывать протекание тока через шарики кареток, подшипников и ШВП, что может увеличить износ.
Чудес не бывает. Бывают фокусы.
Аватара пользователя
Проф
Кандидат
Сообщения: 62
Зарегистрирован: 24 июн 2016, 09:45
Репутация: 2
Настоящее имя: Александр
Откуда: г. Макеевка Донецкая обл.
Контактная информация:

Re: Станок Twitte 707-2. Апгрейд станка!

Сообщение Проф »

Да я уже все перепробовал и землю от корпуса шпинделя откручивал(сделал для экспериментов съемную) .
IMG_20161123_142707.jpg (3132 просмотра) <a class='original' href='./download/file.php?id=95712&mode=view' target=_blank>Загрузить оригинал (1.03 МБ)</a>
В общем без понимания темы как "обезьяна и очки" :monkey: , и универсального способа не найду пока :wik: .
Штудирую темы с сетевыми фильтрами. Попробую собрать фильтр.
Аватара пользователя
Predator
Мастер
Сообщения: 9583
Зарегистрирован: 18 июл 2013, 18:26
Репутация: 2531
Контактная информация:

Re: Станок Twitte 707-2. Апгрейд станка!

Сообщение Predator »

Где-то тут на форуме, Миша Юров, выкладывал подборку о заземлении. Поищи, может поможет. ;)
lkbyysq
Мастер
Сообщения: 2284
Зарегистрирован: 14 май 2016, 09:40
Репутация: 346
Настоящее имя: Станислав Ерофеев
Откуда: Санкт-Петербург

Re: Станок Twitte 707-2. Апгрейд станка!

Сообщение lkbyysq »

Александр, настала пора увидеть и услышать проблему воочию. Снимайте видео.
Аватара пользователя
Проф
Кандидат
Сообщения: 62
Зарегистрирован: 24 июн 2016, 09:45
Репутация: 2
Настоящее имя: Александр
Откуда: г. Макеевка Донецкая обл.
Контактная информация:

Re: Станок Twitte 707-2. Апгрейд станка!

Сообщение Проф »

Нашел интересную тему http://mir-cnc.ru/topic/11831-ложное-ср ... шпи/page-3 .
Попробую втулить ферит как описано в теме и буду заземление доделывать.
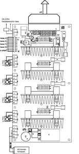
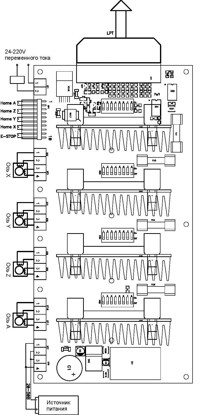
На блоке управления, ни по питанию самой платы (после транса идет диодный мост и емкость 4700мкФ), ни по сети нет фильтра. Нужен он там или нет?
Завтра фотки выложу.
lkbyysq
Мастер
Сообщения: 2284
Зарегистрирован: 14 май 2016, 09:40
Репутация: 346
Настоящее имя: Станислав Ерофеев
Откуда: Санкт-Петербург

Re: Станок Twitte 707-2. Апгрейд станка!

Сообщение lkbyysq »

Проф писал(а):Да я уже все перепробовал и землю от корпуса шпинделя откручивал(сделал для экспериментов съемную) .
1. Зажать шпиндель в кронштейн без всяких изолирующих прокладок. Корпус шпинделя заземляется через кронштейн на железо станка сам.
2. Землю от шпинделя оторвать и никогда больше не подключать.
3. Конец оплетки экрана на стороне шпинделя загнуть и заизолировать.
4. Конец оплетки экрана на стороне инвертора прицепить на землю.
lkbyysq
Мастер
Сообщения: 2284
Зарегистрирован: 14 май 2016, 09:40
Репутация: 346
Настоящее имя: Станислав Ерофеев
Откуда: Санкт-Петербург

Re: Станок Twitte 707-2. Апгрейд станка!

Сообщение lkbyysq »

Не вижу фото, где реализовано "сюда подключаю реле (норм.открытый)" (http://www.cnc-club.ru/forum/download/file.php?id=95640).

Для выяснения природы появления влияния ШД на шпиндель сделать следующее.
1. Отключить от инвертора все провода управления, силовые и шпинделя оставить.
2. Настроить инвертор на ручной запуск с кнопки RUN на панели управления инвертором. Управление оборотами также с потенциометра на панели управления инвертором.
3. Запустить станок, шпиндель и посмотреть, будет ли проявляться помеха.

PS Если с программированием инвертора непреодолимые проблемы, то просто замкните коротким отрезком провода те клеммы, которые должно замыкать реле.
lkbyysq
Мастер
Сообщения: 2284
Зарегистрирован: 14 май 2016, 09:40
Репутация: 346
Настоящее имя: Станислав Ерофеев
Откуда: Санкт-Петербург

Re: Станок Twitte 707-2. Апгрейд станка!

Сообщение lkbyysq »

Проф писал(а):На блоке управления, ни по питанию самой платы (после транса идет диодный мост и емкость 4700мкФ), ни по сети нет фильтра. Нужен он там или нет?
Да, драйверы ШД дают по проводам питания сильную помеху. Друг другу драйверы не мешают. А вот иные устройства могут реагировать на импульсы по питанию.
Никакие фильтры не спасут ситуацию. Только грамотная разводка питания, схемотехника и пр. Фильтры - лишь не всегда обязательное дополнение.

Если этим напряжением питаются только драйверы, то все нормально. Но я бы увеличил емкость раз в пять.
Если этим же напряжением питается реле управления шпинделем, можно ждать беды. Старый шпиндель мог и не земечать кратковременного размыкания контактов реле.
Если в станке есть кроме драйверов еще какие-либо управляющие платы или схемы, то следует разделить питание, на драйверы свой БП, на иные платы и схемы свой (или свои).

На плате управления (рядом с колодкой питания)) я вижу есть свой стабилизатор напряжения. Руки выдрать инженерам завода Твитте.
Чтобы снять головные боли следует подать на драйверы индивидуальные провода питания:
1. Вынуть все предохранители, стоящие по питанию драйверов.
2. Пробросить дополнительно минусовые провода от каждого драйвера (как можно ближе к плате драйвера), на конденсатор в выпрямителе БП. Сечение проводов - не менше родных, которые сейчас стоят.
3. Пробросить дополнительно плюсовые провода от каждого драйвера (как можно ближе к плате драйвера), на конденсатор в выпрямителе БП. Коль Твитте поставил предохранители, то в провода встроить предохранители.
4. На стороне каждого драйвера по идее следует воткнуть дополнительно конденсатор в питание. Но там есть предохранители. Значит необходимо расположить предохранитель как можно ближе к драйверу и перед ним ставить конденсатор. За номинал трудно сказать наверняка, пусть будет 1000мкФ.

Как компромиссный вариант можно также сделать следующее. Убедиться, что на плате управления можно отрезать шины силового питания драйверов от остальной схемы и отдельные провода питания бросить на эти шины. Плюс конденсаторы. Тогда можно не вынимать предохранители и проводов припаивать меньше.
Аватара пользователя
Проф
Кандидат
Сообщения: 62
Зарегистрирован: 24 июн 2016, 09:45
Репутация: 2
Настоящее имя: Александр
Откуда: г. Макеевка Донецкая обл.
Контактная информация:

Re: Станок Twitte 707-2. Апгрейд станка!

Сообщение Проф »

lkbyysq писал(а):Не вижу фото, где реализовано "сюда подключаю реле (норм.открытый)" (http://www.cnc-club.ru/forum/download/file.php?id=95640).

Для выяснения природы появления влияния ШД на шпиндель сделать следующее.
1. Отключить от инвертора все провода управления, силовые и шпинделя оставить.
2. Настроить инвертор на ручной запуск с кнопки RUN на панели управления инвертором. Управление оборотами также с потенциометра на панели управления инвертором.
3. Запустить станок, шпиндель и посмотреть, будет ли проявляться помеха.

PS Если с программированием инвертора непреодолимые проблемы, то просто замкните коротким отрезком провода те клеммы, которые должно замыкать реле.
В первую очередь хочу поблагодарить вас за помощь. :good:

Теперь по вопросам:
1. Я с таким подключением и проверял все последнее время.
2. настроил не только на ручное включение но и обороты с кнопок добавляю(думал наводка на потенциометр тоже действует).
3. Проявлялась при таком подключении.
ответ на P.S. В настройках не асс, но с этими (вышеперечисленными) справляюсь. :D
Аватара пользователя
Проф
Кандидат
Сообщения: 62
Зарегистрирован: 24 июн 2016, 09:45
Репутация: 2
Настоящее имя: Александр
Откуда: г. Макеевка Донецкая обл.
Контактная информация:

Re: Станок Twitte 707-2. Апгрейд станка!

Сообщение Проф »

lkbyysq писал(а):Если этим же напряжением питается реле управления шпинделем, можно ждать беды. Старый шпиндель мог и не земечать кратковременного размыкания контактов реле.
Я в схемотехнике не силен, чтобы делать выводы, но кажется проблем с питанием не должно быть. Вот ключ и вывод под реле, а само реле вынесено в другую часть корпуса.
Новый точечный рисунок.jpg (2988 просмотров) <a class='original' href='./download/file.php?id=95885&mode=view' target=_blank>Загрузить оригинал (381.02 КБ)</a>
IMG_20161125_224547.jpg (2988 просмотров) <a class='original' href='./download/file.php?id=95910&mode=view' target=_blank>Загрузить оригинал (1.25 МБ)</a>
Схемы нет вот назначение выводов:
Новый точечный рисунок2.jpg (2988 просмотров) <a class='original' href='./download/file.php?id=95886&mode=view' target=_blank>Загрузить оригинал (317.89 КБ)</a>
Катушка реле на 220В. Два нормально открытых контакта я планировал задействовать для помпы(раньше туда фиолент был подключен) и один (свободный) под FOR-DCM. Концевики, Е-стоп и выход на частотник буду подключать кабелем с экраном(уже купил).

Побаиваюсь я кардинально менять питание драйверов. На свой страх и риск попробую обойтись экранировкой платы(до недавнего времени лютых глюков не наблюдал).
Да и самое главное: по советам на форуме (ссылка в 72 посте) намотал косичку (из трех жил идущих на шпиндель без экрана) на феррит типа от строчника 10 витков (в месте подключения к частотнику) и все заработало как надо.
Фото "проверочного стенда" как все подключено:
IMG_20161125_224524.jpg (2988 просмотров) <a class='original' href='./download/file.php?id=95908&mode=view' target=_blank>Загрузить оригинал (1.37 МБ)</a>
IMG_20161125_224726.jpg (2988 просмотров) <a class='original' href='./download/file.php?id=95913&mode=view' target=_blank>Загрузить оригинал (963.34 КБ)</a>
IMG_20161125_224534.jpg (2988 просмотров) <a class='original' href='./download/file.php?id=95909&mode=view' target=_blank>Загрузить оригинал (1.34 МБ)</a>
IMG_20161125_224559.jpg (2988 просмотров) <a class='original' href='./download/file.php?id=95912&mode=view' target=_blank>Загрузить оригинал (1.07 МБ)</a>
Планирую экранировать плату управления отдельно от блока питания, и доделаю наконец заземление. По темам пишут, что не лишним будет воткнуть частотный фильтр по входу частотника. Пока про кинул петлю сетевого кабеля (без земли) через колечко (из порошкового железа, другого не нашел).
Земля не приходит с трех полюсной вилки поэтому подкинул отдельно(последнее фото). В дальнейшем постараюсь разнести блок управления от частотника или упрятать в железную коробку с перегородкой. :thinking:
lkbyysq
Мастер
Сообщения: 2284
Зарегистрирован: 14 май 2016, 09:40
Репутация: 346
Настоящее имя: Станислав Ерофеев
Откуда: Санкт-Петербург

Re: Станок Twitte 707-2. Апгрейд станка!

Сообщение lkbyysq »

Проф писал(а):Побаиваюсь я кардинально менять питание драйверов. На свой страх и риск попробую обойтись экранировкой платы.
Экранирование платы - лекарство от болезней с иными симптомами. Не стоит заморачиваться.
Проф писал(а):Да и самое главное: по советам на форуме (ссылка в 72 посте) намотал косичку (из трех жил идущих на шпиндель без экрана) на феррит типа от строчника 10 витков (в месте подключения к частотнику) и все заработало как надо.
Если "как надо" означает что проблема с нестабильной работой шпинделя ушла, то СТОП! ХВАТИТ МОДЕРНИЗАЦИЙ!
Работайте. Если свербит там, где шило - проведите серию тестов.
lkbyysq
Мастер
Сообщения: 2284
Зарегистрирован: 14 май 2016, 09:40
Репутация: 346
Настоящее имя: Станислав Ерофеев
Откуда: Санкт-Петербург

Re: Станок Twitte 707-2. Апгрейд станка!

Сообщение lkbyysq »

Проф писал(а):Земля не приходит с трех полюсной вилки поэтому подкинул отдельно(последнее фото).
Что??? Вы подали землю от станка в трехполюсную вилку для раздачи земли всему дому???

В Вашем случае должно быть.
1. Фаза-ноль-земля проходят из розетки в ящик управления. Фаза-ноль на двухполюсный размыкатель. Земля - на земляную колодку.
2. Фаза-ноль с размыкателя, а земля с колодки расходятся по потребителям.
2. Фаза-ноль-земля выходят из ящика управления и заходят в инвертор.
3. Земля выходит из ящика управления и подключается к железу станка.
4. Экран кабеля шпинделя подключается одним концом к земле инвертора, второй конец заизолирован.
5. Экран кабеля (если есть) от компьютера к ящику управления одним концом к земле компьютера (или минусу питания компьютера), второй конец заизолирован. Корпус компьютера с корпусом станка может быть соединен только через землю в питающей сети.

Отдельного заземления (а-ля на батарею) при исправной земле в трехпроводной сети делать не следует. А если делать, то НЕ ПОДАВАТЬ ЕЁ В ВИЛКУ!
Последний раз редактировалось lkbyysq 26 ноя 2016, 13:21, всего редактировалось 2 раза.
lkbyysq
Мастер
Сообщения: 2284
Зарегистрирован: 14 май 2016, 09:40
Репутация: 346
Настоящее имя: Станислав Ерофеев
Откуда: Санкт-Петербург

Re: Станок Twitte 707-2. Апгрейд станка!

Сообщение lkbyysq »

Вот разве что.
Посмотрите внимательно на эту знакомую Вам картинку http://www.cnc-club.ru/forum/download/f ... mode=view/
Вы видите, что все входы заключены в экран? Так и делайте. Два провода на контакты реле должны идти внутри экрана, который подключен только одним концом со стороны инвертора на общий провод.
Ответить

Вернуться в «Фрезерные станки по дереву и пластикам, гравировальные станки, роутеры»