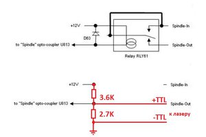
А теперь берешь в руки паяльник или ищешь друга с паяльником. Выпаиваешь реле, чтобы не щелкало и диод и собираешь резистивный делитель, чтобы согласовать уровни и подключиться к драйверу лазера:denisfunk писал(а):Так а что на него кидать от лазера? Простите чайника, но от лазера идут три провода(
Tb6560 как подключить лазер?
- Rom327
- Почётный участник

- Сообщения: 2989
- Зарегистрирован: 03 апр 2015, 13:23
- Репутация: 437
- Настоящее имя: Роман
- Откуда: Подольск
- Контактная информация:
Re: Tb6560 как подключить лазер?
Это сугубо мое мнение, могу и ошибаться...
https://vk.com/rom327
GRBL настройки: http://blogandbux.blogspot.com/2018/07/ ... revod.html
G коды: http://3d-stanki.ru/spravochnik/program ... stankov-2/
https://vk.com/rom327
GRBL настройки: http://blogandbux.blogspot.com/2018/07/ ... revod.html
G коды: http://3d-stanki.ru/spravochnik/program ... stankov-2/
- Alex lamaka
- Мастер
- Сообщения: 230
- Зарегистрирован: 17 окт 2017, 10:30
- Репутация: 100
- Настоящее имя: Алексей
- Откуда: Нижний Новгород
- Контактная информация:
Re: Tb6560 как подключить лазер?
Чет, я не понял, по ссылке, что даёт ТС - есть PWM.
Вместо частоника ставить драйвер лазера и все. Никаких реле, драйвер запитать напрямую с блока питания.denisfunk писал(а): По ссылке выше другая плата совсем. моя вот http://ekladata.com/pAsj8QbClJezlB3jbgz ... Manual.pdf
-
denisfunk
- Кандидат
- Сообщения: 99
- Зарегистрирован: 18 апр 2018, 13:31
- Репутация: 1
- Настоящее имя: Denis
- Контактная информация:
Re: Tb6560 как подключить лазер?
Всё верно схема моя. Попробую ещё программу поменять как ты сказал, наверное появятся вопросы)Alex lamaka писал(а):Чет, я не понял, по ссылке, что даёт ТС - есть PWM.Вместо частоника ставить драйвер лазера и все. Никаких реле, драйвер запитать напрямую с блока питания.denisfunk писал(а): По ссылке выше другая плата совсем. моя вот http://ekladata.com/pAsj8QbClJezlB3jbgz ... Manual.pdf
-
denisfunk
- Кандидат
- Сообщения: 99
- Зарегистрирован: 18 апр 2018, 13:31
- Репутация: 1
- Настоящее имя: Denis
- Контактная информация:
Re: Tb6560 как подключить лазер?
Alex lamaka писал(а):Чет, я не понял, по ссылке, что даёт ТС - есть PWM.Вместо частоника ставить драйвер лазера и все. Никаких реле, драйвер запитать напрямую с блока питания.denisfunk писал(а): По ссылке выше другая плата совсем. моя вот http://ekladata.com/pAsj8QbClJezlB3jbgz ... Manual.pdf
Вот этот провод кидаю на PWM? Переключатель в драйвере лазера ставлю в ТТЛ?
- Alex lamaka
- Мастер
- Сообщения: 230
- Зарегистрирован: 17 окт 2017, 10:30
- Репутация: 100
- Настоящее имя: Алексей
- Откуда: Нижний Новгород
- Контактная информация:
Re: Tb6560 как подключить лазер?
Да, только посмотри на выходе PWM с платы какое напряжение выходит при команде S1000 и какое максимальное значение S соответствует 5В, это может быть S12000.
-
denisfunk
- Кандидат
- Сообщения: 99
- Зарегистрирован: 18 апр 2018, 13:31
- Репутация: 1
- Настоящее имя: Denis
- Контактная информация:
Re: Tb6560 как подключить лазер?
Хорошо, завтра после 4х, отпишусьAlex lamaka писал(а):Да, только посмотри на выходе PWM с платы какое напряжение выходит при команде S1000 и какое максимальное значение S соответствует 5В, это может быть S12000.
- Alex lamaka
- Мастер
- Сообщения: 230
- Зарегистрирован: 17 окт 2017, 10:30
- Репутация: 100
- Настоящее имя: Алексей
- Откуда: Нижний Новгород
- Контактная информация:
Re: Tb6560 как подключить лазер?
Что-то мне подсказывает, что надо будет сразу инвертировать сигнал и 16пина, чтобы при нажатии "Reset" в МАЧе на ТТЛ было 5В и при уменьшении вольтажа будет увеличиваться мощность лазера.
Хотя если попробовать в аналоговом режиме как писал Rom327, то ничего инвертировать не надо.
Хотя если попробовать в аналоговом режиме как писал Rom327, то ничего инвертировать не надо.
-
denisfunk
- Кандидат
- Сообщения: 99
- Зарегистрирован: 18 апр 2018, 13:31
- Репутация: 1
- Настоящее имя: Denis
- Контактная информация:
Re: Tb6560 как подключить лазер?
Подскажи пожалуйста, а в программе(пока в матче) нужно что-то прописывать по пинам? А то при подключении мультиметр и запуске кода в работу показания на концах PWM держаться в районе 1В.Alex lamaka писал(а):Что-то мне подсказывает, что надо будет сразу инвертировать сигнал и 16пина, чтобы при нажатии "Reset" в МАЧе на ТТЛ было 5В и при уменьшении вольтажа будет увеличиваться мощность лазера.
Хотя если попробовать в аналоговом режиме как писал Rom327, то ничего инвертировать не надо.
-
denisfunk
- Кандидат
- Сообщения: 99
- Зарегистрирован: 18 апр 2018, 13:31
- Репутация: 1
- Настоящее имя: Denis
- Контактная информация:
Re: Tb6560 как подключить лазер?
настроил матч скриншоты кидаю, 16 пин поставил, но на выходе PWM мультиметр показывает 3,8 вольта и не меняется, не реагирует ни на ресет, ни на запуск кода в работу, ни на изменения частоты шпинделя, мне бы просто подключить чтобы включался, включался для кройки(. Что я делаю не так?
-
Nixon
- Мастер
- Сообщения: 348
- Зарегистрирован: 07 ноя 2016, 15:45
- Репутация: 28
- Настоящее имя: Алексей
- Контактная информация:
Re: Tb6560 как подключить лазер?
Может у вас такая же бяка как и у меня. Наши китайские друзья "немного" накосячили с разводкой платы и получилось так, что вместо сигнала ШИМ был какой то шум и постоянная составляющая в районе 4 вольт. Помог только паяльник. (У меня 3-осевик на ТВ6660)denisfunk писал(а):но на выходе PWM мультиметр показывает 3,8 вольта и не меняется
-
denisfunk
- Кандидат
- Сообщения: 99
- Зарегистрирован: 18 апр 2018, 13:31
- Репутация: 1
- Настоящее имя: Denis
- Контактная информация:
Re: Tb6560 как подключить лазер?
Твою жеж мать(((( а как тогда подключить без паяльника? Нужен просто вкл выклNixon писал(а):Может у вас такая же бяка как и у меня. Наши китайские друзья "немного" накосячили с разводкой платы и получилось так, что вместо сигнала ШИМ был какой то шум и постоянная составляющая в районе 4 вольт. Помог только паяльник. (У меня 3-осевик на ТВ6660)denisfunk писал(а):но на выходе PWM мультиметр показывает 3,8 вольта и не меняется
- Alex lamaka
- Мастер
- Сообщения: 230
- Зарегистрирован: 17 окт 2017, 10:30
- Репутация: 100
- Настоящее имя: Алексей
- Откуда: Нижний Новгород
- Контактная информация:
-
denisfunk
- Кандидат
- Сообщения: 99
- Зарегистрирован: 18 апр 2018, 13:31
- Репутация: 1
- Настоящее имя: Denis
- Контактная информация:
Re: Tb6560 как подключить лазер?
16 прописал, скрин с видео, прописан 16Alex lamaka писал(а):Смотри мануал пин 16 PWM почему ты прописываешь 17?
-
Roteschild
- Новичок
- Сообщения: 1
- Зарегистрирован: 20 июн 2019, 00:10
- Репутация: 0
- Настоящее имя: Алексей
- Контактная информация:
Re: Tb6560 как подключить лазер?
Друзья всех приветствую!
Подскажите пожалуйста, имеется точь-в-точь такойже комплект - Лазер + драйвер диода и реализовано все управление через плату bl-mach3,
Добился того, что, лазер включается через встроенную релюху (на 17 ноге платы управления), а на 16 ноге TTL+ .
За счёт этого командой m7 включается лазер, а командой m3 s100-1000 я могу регулировать мощность мощность по шиму.
Вопрос в следующем - ток от драйвера до диода не превышает 0.53А, потенциметр крутил, не помогло((( может кто подсказать в чем может быть дело ?
По идее лазер должен работать в импульсном режиме до "якобы" 15Вт, как реализовать большую отдачу мощности, в чём может быть загвоздка в mach3 или в драйвере?
Подскажите пожалуйста, имеется точь-в-точь такойже комплект - Лазер + драйвер диода и реализовано все управление через плату bl-mach3,
Добился того, что, лазер включается через встроенную релюху (на 17 ноге платы управления), а на 16 ноге TTL+ .
За счёт этого командой m7 включается лазер, а командой m3 s100-1000 я могу регулировать мощность мощность по шиму.
Вопрос в следующем - ток от драйвера до диода не превышает 0.53А, потенциметр крутил, не помогло((( может кто подсказать в чем может быть дело ?
По идее лазер должен работать в импульсном режиме до "якобы" 15Вт, как реализовать большую отдачу мощности, в чём может быть загвоздка в mach3 или в драйвере?