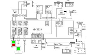
1 вариант управление аналоговое т.е. от 0 до 100% (управление с помощью переменного резистора мощностью на вых. трубы) 2 вариант управление TTL low (инверсная логика- при в ходе логического 0 т.е.менее 0.3в лазер вкл. более 3в лазер выкл.) при этом выход мощности с трубы не управляемый максимальный! 100% 3 вариант управление TTL high (при в ходе логической 1 т.е. более 3в лазер вкл. 0 менее 0.3в лазер выкл.)при этом выход мощности с трубы не управляемый максимальный! 100% 4 вариант управление и TTL (входы или 1 или 2) и аналогом ( возможностью установки мощности на вых. трубы, типа ограничения НЕ БОЛЕЕ ЧЕМ!) ваш вариант № 4 при этом не забываем про красную чудо кнопку на вых. 3 БП( protection ) выводы разьема контроллера MPC6535 это оно???
а то найти не могу описания к нему! вот бегло че то попалось
